건설기계설비기사(2017. 8. 26.) 시험일자 : 2017년 8월 26일
1과목 : 재료역학
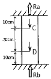
1. 그림과 같은 구조물에 C점과 D점에 각각 20kN, 40kN의 하중이 아랫방향으로 작용할 때 상g단의 반력 Ra는 약 몇 kN인가?

- ① 25
- ② 30
- ③ 20
- ④ 35
등록된 댓글이 없습니다.
2. 철도용 레일의 양단을 고정한 후 온도가 20℃에서 5℃로 내려가면 발생하는 열응력은 약 몇 MPa인가? (단, 레일재료의 열팽창계수 α=0.000012/℃이고, 균일한 온도 변화를 가지며, 탄성계수 E=210GPa이다.)
- ① 50.4
- ② 37.8
- ③ 31.2
- ④ 28.0
등록된 댓글이 없습니다.
3. 그림과 같은 평면응력상태에서 σx=300MPa, σy=200MPa이 작용하고 있을 때 재료 내에 생기는 최대전단응력(τmax)의 크기와 그 방향(θ)은?

- ① τmax=300MPa, θ=90°
- ② τmax=200MPa, θ=0°
- ③ τmax=100MPa, θ=22.5°
- ④ τmax=50MPa, θ=45°
등록된 댓글이 없습니다.
4. 안지름이 25mm, 바깥지름이 30mm인 중공 강철관에 10kN의 축인장 하중을 가할 때 인장응력은 몇 MPa인가?
- ① 14.2
- ② 20.3
- ③ 46.3
- ④ 145.5
등록된 댓글이 없습니다.
5. 그림과 같이 반지름이 5cm인 원형 단면을 갖는 ㄱ자 프레임의 A점 단면의 수직응력(σ)은 약 몇 MPa인가?

- ① 79.1
- ② 89.1
- ③ 99.1
- ④ 109.1
등록된 댓글이 없습니다.
6. 비중량 γ=7.85×104N/m3인 강선을 연직으로 매달려고 할 때 자중에 의해서 견딜 수 있는 최대길이는 약 몇 m인가? (단, 강선의 허용인장응력은 12MPa이다.)
- ① 152
- ② 228
- ③ 305
- ④ 382
등록된 댓글이 없습니다.
7. 그림과 같이 일단고정 타단자유단인 기둥의 좌굴에 대한 임계하중(buckling load)은 약 몇 kN인가? (단, 기둥의 세로탄성계수는 300GPa이고 단면(폭×높이)은 2cm×2cm의 정사각형이다. 오일러의 좌굴하중을 적용한다.)

- ① 34
- ② 20.2
- ③ 9.8
- ④ 5.8
등록된 댓글이 없습니다.
8. 지름 50mm의 속이 찬 환봉축이 1228N·m의 비틀림 모멘트를 받을 때 이 축에 생기는 최대비틀림 응력은 약 몇 MPa인가?
- ① 20
- ② 30
- ③ 40
- ④ 50
등록된 댓글이 없습니다.
9. 그림과 같이 재료와 단면이 같고 길이가 서로 다른 강봉에 지지되어 있는 강체 보에 하중을 가했을 때 A, B에서의 변위의 비 δA/δB는?

- ①

- ②

- ③

- ④

등록된 댓글이 없습니다.
10. 그림과 같은 외팔보에서 허용굽힘응력은 50kN/cm2이라 할 때, 최대 하중 P는 약 몇 kN인가? (단, 보의 단면은 10cm×10cm이다.)

- ① 110.5
- ② 100.0
- ③ 95.6
- ④ 83.3
등록된 댓글이 없습니다.
11. 그림과 같은 외팔보의 C점에 100kN의 하중이 걸릴 때 B점의 처짐량은 약 몇 cm인가? (단, 이 보의 굽힘강성(EI)는 10kN·m2이다.)

- ① 0
- ② 0.09
- ③ 0.16
- ④ 0.64
등록된 댓글이 없습니다.
12. 그림과 같이 선형적으로 증가하는 불균일 분포 하중을 받고 있는 단순보의 전단력선도로 적합한 것은?

- ①

- ②

- ③

- ④

등록된 댓글이 없습니다.
13. 축에 발생하는 전단응력은 τ, 축에 가해진 비틀림 모멘트는 T라 할 때 축 지름 d를 나타내는 식은?
- ①

- ②

- ③

- ④

등록된 댓글이 없습니다.
14. 단면계수가 0.01m3인 사각형 단면의 양단 고정보가 2m의 길이를 가지고 있다. 중앙에 최대 몇 kN의 집중하중을 가할 수 있는가? (단, 재료의 허용굽힘응력은 80MPa이다.)
- ① 800
- ② 1600
- ③ 2400
- ④ 3200
등록된 댓글이 없습니다.
15. 단면 지름이 3cm인 환봉이 25kN의 전단하중을 받아서 0.00075rad의 전단변형률을 발생시켰다. 이때 재료의 세로탄성계수는 약 몇 GPa인가? (단, 이 재료의 포아송 비는 0.3이다.)
- ① 75.5
- ② 94.4
- ③ 122.6
- ④ 157.2
등록된 댓글이 없습니다.
16. 지름 2cm, 길이 50cm인 원형단면의 외팔보 자유단에 수직하중 P=1.5kN이 작용할때, 하중 P로 인해 생기는 보속의 최대전단응력은 약 몇 MPa인가?

- ① 3.19
- ② 6.37
- ③ 12.74
- ④ 15.94
등록된 댓글이 없습니다.
17. 다음 그림과 같이 2가지 재료로 이루어진 길이 L의 환봉이 있다. 이 봉에 비틀림 모멘트 T가 작용할 때 이 환봉은 몇 rad로 비틀림이 발생하는가? (단, 재질 a의 가로탄성계수는 Ga, 재질 a의 극관성모멘트는 Ipa이고, 재질 b의 가로탄성계수는 Gb, 재질 b의 극관성모멘트는 Ipb이다.)

- ①

- ②

- ③

- ④

등록된 댓글이 없습니다.
18. 다음 부정정보에서 B점에서의 반력은? (단, 보의 굽힘강성 EI는 일정하다.)

- ①

- ②

- ③

- ④

등록된 댓글이 없습니다.
19. 길이 의 외팔보의 전 길이에 걸쳐서 의 등분포 하중이 작용할 때 최대 굽힘모멘트(Mmax)의 값은?
- ①

- ②

- ③

- ④

등록된 댓글이 없습니다.
20. 폭과 높이가 80mm인 정사각형 단면의 회전 반지름(radius of gyration)은 약 몇 m인가?
- ① 0.034
- ② 0.046
- ③ 0.023
- ④ 0.017
등록된 댓글이 없습니다.
2과목 : 기계열역학
21. 다음 중 이론적인 카르노 사이클 과정(순서)을 옳게 나타낸 것은? (단, 모든 사이클은 가역 사이클이다.)
- ① 단열압축 → 정적가열 → 단열팽창 → 정적방열
- ② 단열압축 → 단열팽창 → 정적가열 → 정적방열
- ③ 등온팽창 → 등온압축 → 단열팽창 → 단열압축
- ④ 등온팽창 → 단열팽창 → 등온압축 → 단열압축
등록된 댓글이 없습니다.
22. 랭킨 사이클로 작동되는 증기동력 발전소에서 20MPa, 45℃의 물이 보일러에 공급되고, 응축기 출구에서의 온도는 20℃, 압력은 2.339kPa이다. 이 때 급수펌프에서 수행하는 단위 질량당 일은 약 몇 kJ/kg인가? (단, 20℃에서 포화액 비체적은 0.001002m3/kg, 포화증기 비체적은 57.79m3/kg이며, 급수펌프에서는 등엔트로피 과정으로 변화한다고 가정한다.)
- ① 0.4681
- ② 20.04
- ③ 27.14
- ④ 1020.6
등록된 댓글이 없습니다.
23. 1kg의 기체로 구성되는 밀폐계가 50kJ의 열을 받아 15kJ의 일을 했을 때 내부에너지 변화량은 얼마인가? (단, 운동에너지의 변화량은 무시한다.)
- ① 65kJ
- ② 35kJ
- ③ 26kJ
- ④ 15kJ
등록된 댓글이 없습니다.
24. 초기에 온도 T, 압력 P 상태의 기체(질량 m)가 들어있는 견고한 용기에 같은 기체를 추가로 주입하여 최종적으로 질량 3m, 온도 2T 상태가 되었다. 이 때 최종 상태에서의 압력은? (단, 기체는 이상기체이고, 온도는 절대온도를 나타낸다.)
- ① 6
- ② 3
- ③ 2
- ④ 3P/2
등록된 댓글이 없습니다.
25. 다음 중 강도성 상태량(intensive property)에 속하는 것은?
- ① 온도
- ② 체적
- ③ 질량
- ④ 내부에너지
등록된 댓글이 없습니다.
26. 그림과 같이 A, B 두 종류의 기체가 한 용기 안에서 박막으로 분리되어 있다. A의 체적은 0.1m3, 질량 2kg이고, B의 체적은 0.4m3, 밀도는 1kg/m3이다. 박막이 파열되고 난 후에 평형에 도달하였을 때 기체 혼합물의 밀도는 약 몇 kg/m3인가?

- ① 4.8
- ② 6.0
- ③ 7.2
- ④ 8.4
등록된 댓글이 없습니다.
27. 체적이 0.1m3인 용기 안에 압력 1MPa, 온도 250℃의 공기가 들어있다. 정적과정을 거쳐 압력이 0.35MPa로 될 때 이 용기에서 일어난 열전달 과정으로 옳은 것은? (단, 공기의 기체상수는 0.287kJ/(kg·K), 정압비열은 1.0035kJ/(kg·K), 정적비열은 0.7165kJ/(kg·K)이다.)
- ① 약 162kJ의 열이 용기에서 나간다.
- ② 약 162kJ의 열이 용기로 들어간다.
- ③ 약 227kJ의 열이 용기에서 나간다.
- ④ 약 227kJ의 열이 용기로 들어간다.
등록된 댓글이 없습니다.
28. 출력 15kW의 디젤기관에서 마찰 손실이 그 출력의 15%일 때 그 마찰 손실에 의해서 시간당 발생하는 열량은 약 몇 kJ인가?
- ① 2.25
- ② 25
- ③ 810
- ④ 8100
등록된 댓글이 없습니다.
29. 다음 중 냉매의 구부조건으로 틀린 것은?
- ① 증발 압력이 대기압보다 낮을 것
- ② 응축 압력이 높지 않을 것
- ③ 비열비가 작을 것
- ④ 증발열이 클 것
등록된 댓글이 없습니다.
30. 가스터빈으로 구동되는 동력 발전소의 출력이 10MW이고 열효율이 25%라고 한다. 연료의 발열량이 45000kJ/kg이라면 시간당 공급해야 할 연료량은 약 몇 kg/h인가?
- ① 3200
- ② 6400
- ③ 8320
- ④ 12800
등록된 댓글이 없습니다.
31. 어느 발명가가 바닷물로부터 매시간 1800kJ의 열량을 공급받아 0.5kW 출력의 열기관을 만들었다고 주장한다면, 이 사실은 열역학 제 몇 법칙에 위반 되겠는가?
- ① 제 0법칙
- ② 제 1법칙
- ③ 제 2법칙
- ④ 제 3법칙
등록된 댓글이 없습니다.
32. 체적이 0.5m3, 온도가 80℃인 밀폐 압력용기 속에 이상기체가 들어 있다. 이 기체의 분자량이 24이고, 질량이 10kg이라면 용기속의 압력은 약 몇 kPa인가?
- ① 1845.4
- ② 2446.9
- ③ 3169.2
- ④ 3885.7
등록된 댓글이 없습니다.
33. 3kg의 공기가 들어있는 실린더가 있다. 이 공기가 200kPa, 10℃인 상태에서 600kPa이 될 때까지 압축할 때 공기가 한 일은 약 몇 kJ인가? (단, 이 과정은 폴리트로프 변화로서 폴리트로프 지수는 1.3이다. 또한 공기의 기체상수는 0.287kJ/(kg·K)이다.)
- ① -285
- ② -235
- ③ 13
- ④ 125
등록된 댓글이 없습니다.
34. 1kg의 이상기체가 압력 100kPa, 온도 20℃의 상태에서 압력 200kPa, 온도 100℃의 상태로 변화하였다면 체적은 어떻게 되는가? (단, 변화전 체적을 V라고 한다.)
- ① 0.65V
- ② 1.57V
- ③ 3.64V
- ④ 4.57V
등록된 댓글이 없습니다.
35. 어떤 냉장고의 소비전력이 2kW이고, 이 냉장고의 응축기에서 방열되는 열량이 5kW라면, 냉장고의 성적계수는 얼마인가? (단, 이론적인 증기압축 냉동사이클로 운전된다고 가정한다.)
- ① 0.4
- ② 1.0
- ③ 1.5
- ④ 2.5
등록된 댓글이 없습니다.
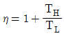
36. 이론적인 카르노 열기관의 효율(η)을 구하는 식으로 옳은 것은? (단, 고열원의 절대온도는 TH, 열원의 절대온도는 TL이다.)
- ①

- ②

- ③

- ④

등록된 댓글이 없습니다.
37. 그림과 같이 다수의 추를 올려놓은 피스톤이 설치된 실린더 안에 가스가 들어 있다. 이 때 가스의 최초압력이 300kPa이고, 초기 체적은 0.05m3이다. 여기에 열을 가하여 피스톤을 상승시킴과 동시에 피스톤 추를 덜어내어 가스온도를 일정하게 유지하여 실린더 내부의 체적을 증가시킬 경우 이 과정에서 가스가 한 일은 약 몇 kJ인가? (단, 이상기체 모델로 간주하고, 상승 후의 체적은 0.2m3이다.)

- ① 10.79kJ
- ② 15.79kJ
- ③ 20.79kJ
- ④ 25.79kJ
등록된 댓글이 없습니다.
38. 어떤 물질 1kg이 20℃에서 30℃로 되기 위해 필요한 열량은 약 몇 kJ 인가? (단, 비열(C, kJ/(kg·K))은 온도에 대한 함수로서 C=3.594+0.0372T이며, 여기서 온도(T)의 단위는 K이다.)
- ① 4
- ② 24
- ③ 45
- ④ 147
등록된 댓글이 없습니다.
39. 물 2L를 1kW의 전열기를 사용하여 20℃로부터 100℃까지 가열하는데 소용되는 시간은 약 몇 분(min)인가? (단, 전열기 열량의 50%가 물을 가열하는데 유효하게 사용되고, 물은 증발하지 않는 것으로 가정한다. 물의 비열은 4.18kJ/(kg·K)이다.)
- ① 22.3
- ② 27.6
- ③ 35.4
- ④ 44.6
등록된 댓글이 없습니다.
40. 오토사이클(Otto cycle) 기관에서 헬륨(비열비=1.66)을 사용하는 경우의 효율(ηHe)과 공기(비열비=1.4)를 사용하는 경우의 효율(ηair)을 비교하고자 한다. 이 때 ηHe/ηair값은? (단, 오토 사이클의 압축비는 10이다.)
- ① 0.681
- ② 0.770
- ③ 1.298
- ④ 1.468
등록된 댓글이 없습니다.
3과목 : 기계유체역학
41. 공기 중에서 무게가 900N인 돌이 물에 완전히 잠겨 있다. 물속에서의 무게가 400N이라면, 이 돌의 체적(V)과 비중(SG)은 약 얼마인가?
- ① V=0.051m3, SG=1.8
- ② V=0.51m3, SG=1.8
- ③ V=0.051m3, SG=3.6
- ④ V=0.51m3, SG=3.6
등록된 댓글이 없습니다.
42. 다음 중 밀도가 가장 큰 액체는?(오류 신고가 접수된 문제입니다. 반드시 정답과 해설을 확인하시기 바랍니다.)
- ① 1g/cm3
- ② 비중 1.5
- ③ 1200g/cm3
- ④ 비중량 8000N/m3
등록된 댓글이 없습니다.
43. 비행기 이착륙 시 플랩(flap)을 주날개에서 내려 날개의 넓이를 늘리는 이유(목적)로 가장 옳게 설명한 것은?
- ① 양력을 증가시켜 조정을 용의하게 하기 위해
- ② 항력을 증가시켜 조정을 용의하게 하기 위해
- ③ 양력을 감소시켜 조정을 용의하게 하기 위해
- ④ 항력을 감소시켜 조정을 용의하게 하기 위해
등록된 댓글이 없습니다.
44. 안지름 1cm의 원관 내를 유동하는 0℃의 물의 층류 임계 레이놀즈 수가 2100일 때 임 계속도는 약 몇 cm/s인가? (단, 0℃ 물의 동점성계수는 0.01787cm2/s이다.)
- ① 75.1
- ② 751
- ③ 37.5
- ④ 375
등록된 댓글이 없습니다.
45. 바다 속에서 속도 9km/h로 운항하는 잠수함이 지름 280mm인 구형의 음파탐지기를 끌면서 움직일 때 음파탐지기에 작용하는 항력을 풍동실험을 통해 예측하려고 한다. 풍동실험에서 Reynolds 수는 얼마로 맞추어야 하는가? (단, 바닷물의 평균 밀도는 1025kg/m3이며, 동점성계수는 1.4×10-6m2/s이다.)
- ① 5.0×105
- ② 5.8×106
- ③ 5.2×108
- ④ 1.87×109
등록된 댓글이 없습니다.
46. 반지름 R인 하수도관의 절반이 비중량(specific weight) γ인 물로 채워져 있을 때 하수도관의 1m 길이 당 받는 수직력의 크기는? (단, 하수도관은 수평으로 놓여있다.)
- ①

- ②

- ③

- ④

등록된 댓글이 없습니다.
47. 수평 원관 속을 유체가 층류(laminar flow)로 흐르고 있을 때 유량에 대한 설명으로 옳은 것은?
- ① 관 지름의 4제곱에 비례한다.
- ② 점성계수에 비례한다.
- ③ 관의 길이에 비례한다.
- ④ 압력 강하에 반비례한다.
등록된 댓글이 없습니다.
48. 어떤 오일의 점성계수가 0.3kg/(m·s)이고 비중이 0.3이라면 동점성계수는 약 몇 m2/s인가?
- ① 0.1
- ② 0.5
- ③ 0.001
- ④ 0.005
등록된 댓글이 없습니다.
49. 비압축성, 비점성 유체가 그림과 같이 반지름 a인 구(sphere) 주위를 일정하게 흐른다. 유동해석에 의해 유선 A-B상에서의 유체속도(V)가 다음과 같이 주어질 때 유체입자가 이유선 A-B를 따라 흐를 때의 x방향 가속도(ax)를 구하면? (단, V0는 구로부터 먼 상류의 속도이다.)

- ①

- ②

- ③

- ④

등록된 댓글이 없습니다.
50. 다음 경계층에 관한 설명으로 옳지 않은 것은?
- ① 경계층은 물체가 유체유동에서 받는 마찰저항에 관계한다.
- ② 경계층은 얇은 층이지만 매우 큰 속도구배가 나타나는 곳이다.
- ③ 경계층은 오일러 방정식으로 취급할 수 있다.
- ④ 일반적으로 평판 위의 경계층 두께는 평판으로부터 상류속도의 99% 속도가 나타나는 곳까지의 수직거리로 한다.
등록된 댓글이 없습니다.
51. 피토관으로 가스의 유속을 측정하였는데 정체압과 정압의 차이가 100Pa이었다. 가스의 밀도가 1kg/m3이라면 가스의 속도는 약 몇 m/s인가?
- ① 0.45m/s
- ② 0.9m/s
- ③ 10m/s
- ④ 14m/s
등록된 댓글이 없습니다.
52. 지름이 5cm인 원형관에 비중이 0.7인 오일이 3m/s의 속도로 흐를 때, 체적유량(Q)과 질량유량(m)은 각각 얼마인가?
- ① Q=0.59m3/s, m=41.2kg/s
- ② Q=0.0059m3/s, m=41.2kg/s
- ③ Q=0.0059m3/s, m=4.12kg/s
- ④ Q=0.59m3/s, m=4.12kg/s
등록된 댓글이 없습니다.
53. 그림과 같은 밀폐된 탱크 용기에 압축공기와 물이 담겨있다. 비중 13.6인 수은을 사용한 마노미터가 대기 중에 노출되어 있으며 대기압이 100kPa이고, 압축공기의 절대압력이 114kPa 이라면 수은의 높이 h는 약 몇 cm인가?

- ① 20
- ② 30
- ③ 40
- ④ 50
등록된 댓글이 없습니다.
54. 밀도 890kg/m3, 점성계수 2.3kg/(m·s)인 오일이 지름 40cm, 길이 100m인 수평 원관내를 평균속도 0.5m/s로 흐른다. 입구의 영향을 무시하고 압력강하를 이길 수 있는 펌프 소요동력은 약 몇 kW인가?
- ① 0.58
- ② 1.45
- ③ 2.90
- ④ 3.63
등록된 댓글이 없습니다.
55. 다음 중 수력 기울기선(Hydraulic Grade Line)이란?
- ① 위치수두, 압력수두 및 속도수두의 합을 연결한 선
- ② 위치수두와 속도수두의 합을 연결한 선
- ③ 압력수두와 속도수두의 합을 연결한 선
- ④ 압력수두와 위치수두의 합을 연결한 선
등록된 댓글이 없습니다.
56. 항구의 모형을 400:1로 축소 제작하려고 한다. 조수 간만의 주기가 12시간이면 모형항구의 조수 간만의 주기는 몇 시간이 되어야 하는가?
- ① 0.05
- ② 0.1
- ③ 0.4
- ④ 0.6
등록된 댓글이 없습니다.
57. 그림과 같이 속도 V인 유체가 곡면에 부딪혀 θ에 각도로 유동방향이 바뀌어 같은 속도로 분출된다. 이때 유체가 곡면에 가하는 힘의 크기를 θ에 대함 함수로 옳게 나타낸 것은? (단, 유동단면적은 일정하고, θ 의 각도는 0°≤θ≤180°이내에 있다고 가정한다. 또한 Q는 유량, ρ는 유체밀도이다.)

- ①

- ②

- ③

- ④

등록된 댓글이 없습니다.
58. 그림과 같이 직각으로 된 유리관을 수면으로부터 3cm 아래에 놓았을 때 수면으로부터 올라온 물의 높이가 10cm이다. 이곳에서 흐르는 물의 평균 속도는 약 몇 m/s인가?

- ① 0.72
- ② 1.40
- ③ 1.59
- ④ 2.52
등록된 댓글이 없습니다.
59. 원통 좌표계(r, θ, z)에서 무차원 속도 포텐셜이 ø=2r일 때, r=2에서의 반지름 방향(r방향) 속도 성분의 크기는?
- ① 0.5
- ② 1
- ③ 2
- ④ 4
등록된 댓글이 없습니다.
60. 다음 중 이상기체에 대한 음속(acoustic velocity)의 식으로 거리가 먼 것은? (단, ρ는 밀도, P는 력, k는 비열비, R은 기체상수, T는 절대온도, s는 엔트로피이다.)
- ①

- ②

- ③

- ④

등록된 댓글이 없습니다.
4과목 : 유체기계 및 유압기기
61. 펌프에서 캐비테이션을 방지하기 위한 방법으로 거리가 먼 것은?
- ① 펌프의 설치 높이를 될 수 있는대로 낮추어 흡입양정을 짧게 한다.
- ② 펌프의 회전수를 낮추어 흡입 비속도를 적게한다.
- ③ 양흡입펌프보다는 단흡입펌프를 사용한다.
- ④ 흡입관의 지름을 크게 하고 밸브, 플랜지 등의 부속품 수를 최대한 줄인다.
등록된 댓글이 없습니다.
62. 유체 커플링에 대한 일반적인 설명 중 옳지 않은 것은?
- ① 시동 시 원동기의 부하를 경감시킬 수 있다.
- ② 부하측에서 되돌아오는 진동을 흡수하여 원활하게 운전할 수 있다.
- ③ 원동기측에 충격이 전달되는 것을 방지할 수 있다.
- ④ 출력축 회전수를 회전수보다 초과하여 올릴 수 있다.
등록된 댓글이 없습니다.
63. 다음 중 왕복 펌프의 양수량 Q[m3/min]를 구하는 식으로 옳은 것은? (단, 실린더 지름을 D[m], 행정을 L[m], 크랭크 회전수를 n[rpm], 체적효율을 ηv, 크랭크 각속도를 ω[s-1]라 한다.)
- ①

- ②

- ③

- ④

등록된 댓글이 없습니다.
64. 용적형과 비교해서 터보형 압축기의 일반적인 특징으로 거리가 먼 것은?
- ① 작동 유체의 맥동이 적다.
- ② 고압 저속 회전에 적합하다.
- ③ 전동기나 증기 터빈과 같은 원동기와 직결이 가능하다.
- ④ 소형으로 할 수 있어서 설치면적이 작아도 된다.
등록된 댓글이 없습니다.
65. 프란시스 수차의 형식 중 그림과 같은 구조를 가진 형식은?

- ① 횡축 단륜 단류 원심형 수차
- ② 횡축 이륜 단류 원심형 수차
- ③ 입축 단륜 단류 원심형 수차
- ④ 횡축 단륜 복류 원심형 수차
등록된 댓글이 없습니다.
66. 다음 중 펌프의 비속도(specific speed)를 나타낸 것은? (단, Q는 유량, H는 양정, N는 회전수이다.)
- ①

- ②

- ③

- ④

등록된 댓글이 없습니다.
67. 유효낙차 40m, 유량 50m3/s 하천을 이용하여 정미 출력 1.5×104kW를 발생하는 수차의 효율은 약 몇 %인가?
- ① 67.2%
- ② 72.1%
- ③ 76.5%
- ④ 81.4%
등록된 댓글이 없습니다.
68. 반동수차의 회전차에서 나온 물의 속도 수두와 방수면 사이의 낙차를 유효하게 이용하기 위하여 설치하는 것은?
- ① 흡출관
- ② 안내깃
- ③ 니들밸브
- ④ 제트브레이크
등록된 댓글이 없습니다.
69. 다음 중 진공펌프의 종류가 아닌 것은?
- ① 너쉬 진공펌프
- ② 유회전 진공펌프
- ③ 확산 펌프
- ④ 벌류트 진공펌프
등록된 댓글이 없습니다.
70. 유체기계의 에너지 교환 방식은 크게 유체로부터 에너지를 받아 동력을 생산하는 방식과 외부로부터 에너지를 받아서 유체를 운송하거나 압력을 발생하는 등의 방식으로 나눌 수 있다. 다음 유체기계 중 에너지 교환 방식이 나머지 셋과 다른 하나는?
- ① 펠톤 수차
- ② 확산 펌프
- ③ 축류 송풍기
- ④ 원심 압축기
등록된 댓글이 없습니다.
71. 다음 중 실린더에 배압이 걸리므로 끌어당기는 힘이 작용해도 자주할 염려가 없어서 밀링이나 보링머신 등에 사용하는 회로는?
- ① 미터 인 회로
- ② 미터 아웃 회로
- ③ 어큐물레이터 회로
- ④ 싱크로나이즈 회로
등록된 댓글이 없습니다.
72. 피스톤 면적비를 이용하여 큰 압력을 얻을 수 있는 유압기기의 특성은 다음 중 어떠한 원리와 관계가 있는가?
- ① 베르누이 정리
- ② 파스칼의 원리
- ③ 연속의 법칙
- ④ 샤를의 법칙
등록된 댓글이 없습니다.
73. 실린더 입구 분기 회로에 유량 제어 밸브를 설치하여 실린더 입구측의 불필요한 압유를 배출시켜 작동효율을 증진시키는 회로는?
- ① 미터-인 회로
- ② 미터-아웃 회로
- ③ 블리드 오프 회로
- ④ 카운터 밸런스 회로
등록된 댓글이 없습니다.
74. 다음 중 유압기기에서 유량제어 밸브에 속하는 것은?
- ① 릴리프 밸브
- ② 체크 밸브
- ③ 감압 밸브
- ④ 스로틀 밸브
등록된 댓글이 없습니다.
75. 유압장치에서 펌프의 무부하 운전 시 특징으로 옳지 않은 것은?
- ① 펌프의 수명 연장
- ② 유온 상승 방지
- ③ 유압유 노화 촉진
- ④ 유압장치의 가열 방지
등록된 댓글이 없습니다.
76. 유압회로에서 정규 조작방법에 우선하여 조작할 수 있는 대체 조작수단으로 정의되는 에너지 제어·조작방식 일반에 관한 용어는?
- ① 직접 파일럿 조작
- ② 솔레노이드 조작
- ③ 간접 파일럿 조작
- ④ 오버라이드 조작
등록된 댓글이 없습니다.
77. 유압모터 한 회전당 배출유량이 50cc인 베인 모터가 있다. 이 모터에 압력 7MPa의 압유를 공급할 때 발생되는 최대 토크는 몇 N·m인가?
- ① 55.7
- ② 557
- ③ 35
- ④ 350
등록된 댓글이 없습니다.
78. 실린더를 임의의 위치에서 고정시킬 수 있고, 펌프를 무부하 운전시킬 수 있는 탠덤 센터형 방향전환 밸브는?
- ①

- ②

- ③

- ④

등록된 댓글이 없습니다.
79. 작동유가 가지고 있는 에너지를 잠시 저축 하였다가 이것을 이용하여 완충 작용도 할 수 있는 부품은?
- ① 제어밸브
- ② 유체 커플링
- ③ 스테이터
- ④ 축압기
등록된 댓글이 없습니다.
80. 다음 중 베인펌프의 특징으로 옳지 않은 것은?
- ① 기어펌프나 피스톤 펌프에 비하여 토출압력의 맥동이 거의 없다.
- ② 상대적으로 작은 크기로 큰 동력을 낼 수 있다.
- ③ 고장이 적으나 소음이 크다.
- ④ 부품의 수가 많아 보수 유지에 주의할 필요가 있다.
등록된 댓글이 없습니다.
5과목 : 건설기계일반 및 플랜트배관
81. 다음 중 모터 그레이더에서 앞바퀴를 좌우로 경사시켜 회전 반지름을 작게 하기 위해 설치하는 것은?
- ① 리이닝 장치
- ② 브레이크 장치
- ③ 감속 장치
- ④ 클러치
등록된 댓글이 없습니다.
82. 공기 압축기에서 압축 공기의 수분을 제거하여 공기 압축기의 부식을 방지하는 역할을 하는 장치는 무엇인가?
- ① 공기 압력 조절기
- ② 공기 청정기
- ③ 인터 쿨러
- ④ 드라이어
등록된 댓글이 없습니다.
83. 다음 중 벨트 컨베이어의 운반 능력 계산에서 고려할 필요가 없는 것은?
- ① 벨트의 폭
- ② 벨트 속도
- ③ 벨트의 거리
- ④ 운반물의 적재 단면적
등록된 댓글이 없습니다.
84. 다음 중 수동변속기가 장착된 덤프트럭(dump truck)의 동력전달계통이 아닌 것은?
- ① 클러치
- ② 트랜스미션
- ③ 분할 장치
- ④ 차동기어 장치
등록된 댓글이 없습니다.
85. 다음 로더의 치수에 대한 설명으로 옳지 않은 것은?
- ① 덤프 높이는 기준 무부하 상태에서 버킷을 최고 올림 상태로 하여 45°앞으로 기울인 경우 지면에서 버킷 투스까지의 높이로 한다.
- ② 덤프 거리는 기준 무부하 상태에서 버킷을 최고 올림상태로 하여 45°앞으로 기울인 경우 버킷의 선단과 차체의 앞부분에서 지표면과 수직으로 그은 선과의 수평거리로 한다.
- ③ 덤프 거리 산정 시 버킷의 치수는 포함하지 않는다.
- ④ 덤프높이 산정 시 슈판의 돌기를 포함한다.
등록된 댓글이 없습니다.
86. 금속의 기계가공시 절삭성이 우수한 강재가 요구되어 개발된 것으로서 S(황)을 첨가하거나 Pb(납)을 첨가한 강재는?
- ① 내식강
- ② 내열강
- ③ 쾌삭강
- ④ 불변강
등록된 댓글이 없습니다.
87. 다음 중 플랜트 기계설비에 사용되는 티타늄과 그 합금에 관한 설명으로 가장 거리가 먼 것은?
- ① 가볍고 강하며 녹슬지 않는 금속이다.
- ② 티타늄 합금은 실용 금속 중 높은 수준의 기계적 성질과 금속학적 특성이 있다.
- ③ 석유화학 공업, 합성섬유 공업, 유기약품 공업에서는 사용할 수 없다.
- ④ 생체와의 친화성이 대단히 좋고, 알레르기도 거의 일어나지 않아 의치, 인공뼈 등에도 이용된다.
등록된 댓글이 없습니다.
88. 다음 보기는 불도저의 작업량에 영향을 주는 변수들이다. 이들 중 작업량에 비례하는 변수로 짝지어진 것은?

- ① ⓐ, ⓑ, ⓒ, ⓓ, ⓔ
- ② ⓐ, ⓑ, ⓒ, ⓓ
- ③ ⓐ, ⓑ, ⓒ, ⓔ
- ④ ⓐ, ⓑ, ⓔ
등록된 댓글이 없습니다.
89. 백호, 크램셸, 드래그 라인 등의 작업량 산정식으로 옳은 것은? (단, Q:시간당 작업량(m3/hr), q:버켓용량(m3), f:토량환산계수, E:작업효율, K:버켓계수, Cm:1회 사이클 시간(sec)이다.)
- ①

- ②

- ③

- ④

등록된 댓글이 없습니다.
90. 콘 크러셔(cone crusher)의 규격을 나타내는 것은?
- ① 베드의 지름(mm)
- ② 드럼의 지름(mm)×드럼길이(mm)
- ③ 베드의 두께(mm)
- ④ 시간당 쇄석능력(ton/h)
ㅇㅇ2021. 8. 14. 00:08삭제
오류 4번 정답
91. 다음 중 신축이음의 종류가 아닌 것은?
- ① 슬리브형 신축이음
- ② 벨로즈형 신축이음
- ③ 볼조인트형 신축이음
- ④ 글로브형 신축이음
엄준식2023. 5. 29. 14:32삭제
벨슬볼
92. 다음 중 배관이 접속하고 있을 때를 도시하는 기호는?
- ①

- ②

- ③

- ④

등록된 댓글이 없습니다.
93. 다음 중 덕타일 주철관의 이음방법으로 가장 거리가 먼 것은?
- ① 타이튼 조인트
- ② 메커니컬 조인트
- ③ 압축 조인트
- ④ KP 메커니컬 조인트
등록된 댓글이 없습니다.
94. 다음 중 슬리브에 대한 일반적인 설명으로 틀린 것은?
- ① 벽, 바닥, 보를 관통할 때는 콘크리트를 치고 난 뒤에 슬리브를 설치한다.
- ② 수조나 풀 등의 벽이나 바닥을 관통할 때 충분한 방수를 고려한 뒤 시공한다.
- ③ 방수층이 있는 바닥을 관통할 때는 변소, 욕실 바닥 마무리 면보다 5mm 전후로 늘려 놓는다.
- ④ 옥상을 관통할 때 파이프 샤프트의 크기만큼 옥상에 콘크리트 샤프트를 연장하여 옥외로 낸다.
등록된 댓글이 없습니다.
95. 다음 중 급배수배관의 기능을 확인하는 배관시험방법으로 적절하지 않은 것은?
- ① 수압시험
- ② 기압시험
- ③ 연기시험
- ④ 진공시험
등록된 댓글이 없습니다.
96. 각종 수용액과 유기화합물의 내식성이 우수하며 열 및 전기전도성이 높아 일상생활과 공업용으로 널리 사용되는 배관은?
- ① 합성수지관
- ② 탄소강관
- ③ 주철관
- ④ 동관
등록된 댓글이 없습니다.
97. 배관의 종류 중 배관용 탄소강관의 KS 규격 기호는?
- ① SPA
- ② STS
- ③ SPP
- ④ STH
등록된 댓글이 없습니다.
98. 다음 배관용 공구에서 측정용 공구가 아닌 것은?
- ① 리머
- ② 직각자
- ③ 수준기
- ④ 버니어캘리퍼스
등록된 댓글이 없습니다.
99. 레스트레인트는 열팽창에 의한 배관의 이동을 구속 또는 제한하는 배관지지 장치이다. 레스트레인트의 종류로 옳은 것은?
- ① 앵커, 스토퍼
- ② 방진기, 완충기
- ③ 파이프 슈, 리지드 서포트
- ④ 스프링행거, 콘스탄트행거
등록된 댓글이 없습니다.
100. 지상 20m의 높이에 지름이 4m, 높이 5m인 물 탱크에 물이 가득 채워져 있을 때 물이 가지고 있는 위치에너지는 몇 kJ인가? (단, 물의 밀도는 1000kg/m3, 중력가속도는 9.81m/s2로 한다.)
- ① 10107
- ② 12327
- ③ 16907
- ④ 20021
등록된 댓글이 없습니다.