승강기산업기사(2020. 6. 6.) 시험일자 : 2020년 6월 6일
1과목 : 승강기개론
1. 에너지 분산형 완충기에 대한 설명으로 틀린 것은?
- ① 작동 후에는 영구적인 변형이 없어야 한다.
 - ② 2.5gn을 초과하는 감속도는 0.04초보다 길지 않아야 한다.
 - ③ 완충기 작동 후 완충기가 정상 위치에 복귀되기 전에 엘리베이터가 정상적으로 운행될 수 있어야 한다
 - ④ 카에 정격하중을 싣고 정격속도의 115%의 속도로 자유 낙하하여 완충기에 충돌할 때, 평균감속도는 1gn 이하이어야 한다.
 
등록된 댓글이 없습니다.
2. 다음 중 카 바닥의 구성요소가 아닌 것은?
- ① 에이프런
 - ② 안전난간대
 - ③ 하중검출장치
 - ④ 플로러베이스
 
등록된 댓글이 없습니다.
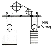
3. 다음 그림과 같은 로핑 방법은?

- ① 1:1 로핑
 - ② 2:1 로핑
 - ③ 3:1 로핑
 - ④ 4:1 로핑
 
등록된 댓글이 없습니다.
4. 에스컬레이터의 브레이크 시스템에 대한 설정으로 틀린 것은?
- ① 균일한 감속에 따른 안정감이 있어야 한다.
 - ② 전압 공급이 중단되었을 때 자동으로 작동해야 한다.
 - ③ 브레이크 시스템의 적용에는 의도적 지연이 없어야 한다.
 - ④ 제어시스템이 에스컬레이터를 정지시키기 위해 즉시 차단 시퀀스를 시작하면, 이는 의도적 지연으로 간주된다.
 
등록된 댓글이 없습니다.
5. 에너지 분산형 완충기가 스프링식 또는 중력 복귀실일 경우, 최대 몇 초 이내에 완전히 복귀되어야 하는가?
- ① 30
 - ② 50
 - ③ 90
 - ④ 120
 
등록된 댓글이 없습니다.
6. 승강로에 대한 설명으로 틀린 것은?
- ① 승강로에는 1대 이상의 엘리베이터 카가 있을 수 있다.
 - ② 승강로 내에 설치되는 돌출물은 안전상 지장이 없어야 한다.
 - ③ 승강로는 누수가 없고 청결상태가 유지되는 구조이어야 한다.
 - ④ 유압식 엘리베이터의 잭은 카와 별도의 승강로 내에 있어야 한다.
 
등록된 댓글이 없습니다.
7. 균형 체인 또는 균형로프의 역할로 적절하지 않은 것은?
- ① 승차감을 개선하기 위해 설치한다.
 - ② 착상오차를 개선하기 위해 설치한다.
 - ③ 고층용 엘리베이터에서 소음을 개선하기 위해 설치한다.
 - ④ 카와 균형추 상호간의 위치변화에 따른 와이어로프 무게를 보상하기 위한 것이다.
 
등록된 댓글이 없습니다.
8. 블리드 오프 유압회로에서 카가 하강 시에 유압잭에서 오일 탱크로 되돌아가는 작동유의 유량을 제어하는 밸브는?
- ① 감압 밸브
 - ② 체크 밸브
 - ③ 릴리프 밸브
 - ④ 하강 유량 제어 밸브
 
등록된 댓글이 없습니다.
9. 카의 추락방지안전장치(비상정지장치)가 작동할 때 균형추나 와이어로프 등이 관성에 의해 튀어 오르는 것을 방지하기 위하여 설치하는 장치는?
- ① 과전류차단기
 - ② 과부하방지장치
 - ③ 개문출발 방지장치
 - ④ 튀어오름 방지장치(록다운 비상정지장치)
 
등록된 댓글이 없습니다.
10. 엘리베이터를 카와 조작방식에 따라 분류할 때 반자동식에 해당하지 않는 것은?
- ① 직접식
 - ② 신호 방식
 - ③ 카 스위치 방식
 - ④ 카드 조작 방식
 
등록된 댓글이 없습니다.
11. 가변전압 가변주파수 제어방식에서 직류를 교류로 바꾸어 주는 방치는?
- ① 인버터
 - ② 리액터
 - ③ 컨덕터
 - ④ 컨버터
 
등록된 댓글이 없습니다.
12. 카 추락방지안전장치(비상정지장치)가 작동도리 때, 무부하 상태의 카 바닥 또는 정격하중이 균일하게 분포된 바닥은 정상적인 위치에서 몇 %를 초과하여 기울어지지 않아야 하는가?
- ① 3
 - ② 5
 - ③ 7
 - ④ 10
 
등록된 댓글이 없습니다.
13. 카에는 자동으로 재충전되는 비상전원공급장치에 의해 몇 lx 이상의 조도로 몇시간 동안 전원이 공급되는 비상들이 있어야 하는가?
- ① 2 1x, 1시간
 - ② 2 1x, 2시간
 - ③ 5 1x, 1시간
 - ④ 5 1x, 2시간
 
등록된 댓글이 없습니다.
14. 무빙워크의 경사도는 몇 도 이하이어야 하는가?
- ① 8°
 - ② 10°
 - ③ 12°
 - ④ 15°
 
등록된 댓글이 없습니다.
15. 엘리베이터가 최종단층을 통과하였을 때 구동기를 신속하게 정지시키며, 운행을 불가능하게 하는 안전장치는?
- ① 피트 정지 스위치
 - ② 파이널 리미트 스위치
 - ③ 종단층 장제 감속 장치
 - ④ 추락방지안전장치(비상정지장치)
 
등록된 댓글이 없습니다.
16. 엘리베이터 과속조절기(조속기) 로프의 최소 파단 하중은 권상 형식 과속조절기의 마찰계수 µmax0.2를 고려하여 과속조절기가 작동될 때 로프에 발생하는 인장력에 몇 이상의 안전율을 가져야 하는가?
- ① 2
 - ② 4
 - ③ 6
 - ④ 8
 
등록된 댓글이 없습니다.
17. 다음 중 엘리베이터의 주행안내(가이드) 레일에 대한 설명으로 적절하지 않은 것은?
- ① 카의 기울어짐을 방지하는 장치이다.
 - ② 엘리베이터의 안전한 운행을 보장하기 위해 부과되는 하중 및 힘에 견뎌야 한다.
 - ③ 건물 구조의 움직임이 주행안내 레일 연결에 주는 영향이 최소화되도록 해야 한다.
 - ④ 추락방지안전장치(비상정지장치)의 제동력은 주행안내 레일의 특정 부분에 주는 영향이 최소화되도록 해야 한다.
 
등록된 댓글이 없습니다.
18. 소방구조용(비상용) 엘리베이터에 대한 설명으로 맞는 것은?
- ① 소방운전 시 모든 승강장의 출입구마다 정지할 수 있어야 한다.
 - ② 승강로 및 기계실 조명은 어떠한 경우에도 수동으로만 점등되어야 한다.
 - ③ 승강장문이 여러 개일 경우 방화 구획된 로비가 하나 이상의 승강장문 전면에 위치해야 한다.
 - ④ 소방관 접근 지정층에서 소방관이 조작하여 엘리베이터 문이 닫힌 이후부터 90초 이내 가장 먼 층에 도착되어야 한다.
 
등록된 댓글이 없습니다.
19. 일반적으로 엘리베이터에 사용하는 주로프의 차단강도는 약 몇 kgf/mm2 정도인가?
- ① 70~80
 - ② 85~95
 - ③ 100~125
 - ④ 135~165
 
등록된 댓글이 없습니다.
20. 유압식 엘리베이터에 적용되는 유량 제한기(유량제한장치)의 기준으로 틀린 것은?
- ① 실린더에 압축 이음으로 연결되어야 한다.
 - ② 실린더의 구성 부품으로 일체형이어야 한다.
 - ③ 직접 및 견고하게 플랜지에 설치되어야 한다.
 - ④ 실린더 근처에 짧고 단단한 배관으로 용접되고 플랜지 또는 나사 체결되어야 한다.
 
등록된 댓글이 없습니다.
2과목 : 승강기설계
21. 엘리베이터의 지진에 대한 대책으로 가장 적절하지 않은 것은?
- ① 지진이나 기타 진동에 의해 주로프가 도르래에서 이탈하지 않도록 해야 한다.
 - ② 지진 시 엘리베이터를 건물의 최상층에 정지시키는 관제운정장치를 설치하는 정지시키는 것이 바람직하다.
 - ③ 지진 하중에 대한 구조 부분에 필요한 강도가 확보되어 위험한 변형이 생기지 않아야 한다.
 - ④ 승강로 내에는 레일 브라켓 등 구조상 승강로 내에 설치하여야 할 것을 제외하고는 돌출물을 설치하지 말아야 한다.
 
등록된 댓글이 없습니다.
22. 균형추 또는 평형추에 추락방지한정장치(비상정지장치)를 설치해야 하는 경우로 맞는 것은?
- ① 균형추의 무게가 2000kg을 초과하는 경우
 - ② 균형추측에 유입완충기의 설치가 불가능한 경우
 - ③ 승강로의 피트 하부 상시 출입 통로로 사용하는 경우
 - ④ 엘리베이터의 정격속도가 300m/min를 초과하는 초고속 엘리베이터
 
등록된 댓글이 없습니다.
23. 기계실 작업공간의 바닥 면은 몇 lx 이상을 밝히는 영구적으로 설치된 전기조명이 있어야 하는가?
- ① 5
 - ② 50
 - ③ 100
 - ④ 200
 
등록된 댓글이 없습니다.
24. 엘리베이터 안정장치 중 리미트 스위치의 형식이 아닌 것은?
- ① 기계적 조작식
 - ② 광학적 조작식
 - ③ 자기적 조작식
 - ④ 턴버클
 
등록된 댓글이 없습니다.
25. 권상기에 대한 설명으로 옳은 것은?
- ① 권상기 도르래와 로프의 권부각이 클수록 미끄러지기 쉽다.
 - ② 권상기 도르래의 지름은 로프 지름의 20배 이상으로 하여야 한다.
 - ③ 도르래의 로프 홈은 U홈을 사용하는 것이 마찰계수가 커서 유리하다.
 - ④ 도르래의 로프 홈은 U홈과 V홈의 중간 특성을 가지며 트랙션 능력이 큰 언더킷 홈을 주로 사용한다.
 
등록된 댓글이 없습니다.
26. 엘리베이터용 전동기의 구비요건으로 적절하지 않은 것은?
- ① 기동전류가 클 것
 - ② 기동토크가 클 것
 - ③ 회전부의 관성모멘트가 적을 것
 - ④ 빈번한 운전에 대한 열적 특성이 양호할 것
 
등록된 댓글이 없습니다.
27. 로프식 권상기의 허용응력이 4kN/cm2이고, 재료의 인장강도가 40kN/cm2일 때 안전율은 약 얼마인가?
- ① 5
 - ② 10
 - ③ 13.8
 - ④ 16.7
 
등록된 댓글이 없습니다.
28. b×h=6×7(m)의 삼각형 도심을 통과하는 축에 대한 단면 2차 모멘트는 약 몇 m4인가?
- ① 24.5
 - ② 47.17
 - ③ 49
 - ④ 57.17
 
등록된 댓글이 없습니다.
29. 사이리스터를 사용하여 교류로 변환한 후 전동기에 공급하고, 사이리스터의 점호각을 변경하여 직류전압을 바꿔 회전수 조절하는 제어방식은?
- ① 교류 귀환 제어방식
 - ② 워드 레오나드 제어방식
 - ③ 정지 레오나드 제어방식
 - ④ 가변전압 가변주파수 제어방식
 
등록된 댓글이 없습니다.
30. 에스컬레이터의 배열방식과 그 특징에 대한 설명으로 틀린 것은?
- ① 복렬형은 설치면적이 증가한다.
 - ② 복렬병렬형은 승강장을 찾기가 혼란스럽다.
 - ③ 교차형은 승강 하강 모두 연속적으로 갈아탈 숭 있다.
 - ④ 단열중복형은 매 층마다 특정 장소로 유도할 수 있다.
 
등록된 댓글이 없습니다.
31. 교통량 계산 시 출근시간의 수송능력 목표치(집중률)가 가장 큰 건물은? (단, 역사(지하철역 등)와 가까운 경우는 제외한다.)
- ① 공공건물
 - ② 전용건물
 - ③ 임대건물
 - ④ 준전용건물
 
등록된 댓글이 없습니다.
32. 코일스프링에서 스프링 지수는 C, 스프링의 평균지름을 D, 소선의 지름을 d, C에 대한 응력수정계수를 K라 할 때 관계식으로 맞는 것은?
- ① 

 - ② 

 - ③ 

 - ④ 

 
등록된 댓글이 없습니다.
33. 재료의 탄성한도, 허용응력, 사용응력 사이의 관게로 적절한 것은?
- ① 탄성한도>허용응력≥사용응력
 - ② 탄성한도≥사용응력≥허용응력
 - ③ 탄성한도≥사용응력>허용응력
 - ④ 허용응력≥탄성한도>사용응력
 
등록된 댓글이 없습니다.
34. 도어 인터록에 대한 설명으로 틀린 것은?
- ① 도어스위치로 구성되어 있다.
 - ② 승강장 도어의 열림을 방지하는 장치이다.
 - ③ 도어 정비를 위하여 도어 록은 일반 공구를 사용하여 쉽게 풀리고 잠길 수 있어야 한다.
 - ④ 카가 정지하지 않는 층의 도어는 전용열쇠를 사용하지 않으면 열리지 않도록 해야 한다.
 
등록된 댓글이 없습니다.
35. 정격속도가 150m/min 엘리베이터가 종단층의 강제감속장치에 의해 감속한 속도가 105m/min일 때, 완충기의 필요 최소행정은 약 몇 mm인가? (단, 중력가속도는 9.8m/s2으로 한다.)
- ① 100
 - ② 152
 - ③ 207
 - ④ 270
 
등록된 댓글이 없습니다.
36. 소방공구용(비상용) 엘리베이터는 정전 시 몇 초 이내에 운행에 필요한 전력용량을 자동적으로 발생시킬 수 있어야 하는가?
- ① 30
 - ② 60
 - ③ 90
 - ④ 120
 
등록된 댓글이 없습니다.
37. 엘리베이터 카의 자중이 1500kg, 적재하중이 1000kg, 오버밸런스가 50%일 때, 균형추의 무게는 몇 kg인가?
- ① 1000
 - ② 1500
 - ③ 2000
 - ④ 2500
 
등록된 댓글이 없습니다.
38. 다음 내열 등급의 문자 표시 중 E종보다 내열등급이 낮은 것은?
- ① A종
 - ② B종
 - ③ F종
 - ④ H종
 
등록된 댓글이 없습니다.
39. 승강장문에 대한 설명으로 틀린 것은? (단, 수직 개폐식 승강장문은 제외한다.)
- ① 승강장문이 닫혀 있을 때 문짝 간 틈새는 6mm 이하로 가능한 작아야 한다.
 - ② 승강장문이 닫혀 있을 때 문짝과 문틀(추면) 사이의 틈새는 6mm 이하로 가능한 작아야 한다.
 - ③ 승강장문이 닫혀 있을 때 문짝과 문턱 사이의 틈새가 마모될 경우에는 15mm까지 허용될 수 있다.
 - ④ 승강장문이 닫혀 있을 때 문짝 간 틈새는 움푹 들어간 부분이 있다면 그 부분의 안쪽을 측정한다.
 
등록된 댓글이 없습니다.
40. 주행 안내(가이드) 레일의 선정기준으로 틀린 것은?
- ① 지진 발생 시 수직하중에 대한 탄성한계를 넘지 않도록 한다.
 - ② 승객용 엘리베이터는 카의 편중 적재하중에 따른 회전모멘트를 고려할 필요가 없다.
 - ③ 추락방지안전장치(비상정지장치) 작동 시에는 주 안내(가이드) 레일에 걸리는 좌굴하중을 고려한다.
 - ④ 균형추에 추락방지안정장치(비상정지장치)가 있는 경우에는 균형추에 3K 또는 5K의 주행안내 레일은 사용할 수 없다.
 
등록된 댓글이 없습니다.
3과목 : 일반기계공학
41. 비틀림 모멘트(T)와 굽힘 모멘트(M)를 받는 재료의 상당 비틀림(Te)를 나타내는 식은?
- ① 

 - ② 

 - ③ 

 - ④ 

 
등록된 댓글이 없습니다.
42. 다음 중 지름 10mm 원형 단면에서 가장 큰 값은?
- ① 단면적
 - ② 극관성 모멘트
 - ③ 단면계수
 - ④ 단면 2차 모멘트
 
등록된 댓글이 없습니다.
43. 양끝을 고정한 연강봉이 온도 20℃에서 가열되어 40℃가 되었다면 재료 내부에 발생하는 열응력은 몇 N/cm2인가? (단, 세로탄성계수는 2100000 N/cm2 신팽창계수는 0.000012/℃이다.)
- ① 50.4
 - ② 504
 - ③ 544
 - ④ 5444
 
등록된 댓글이 없습니다.
44. 한쪽 또는 양쪽에 기울기를 갖는 평판 모양의 쇄기로서 인장력이나 압축력을 받는 2개의 축을 연결하는데 주로 사용되는 결합용 기계요소는?
- ① 키
 - ② 핀
 - ③ 코터
 - ④ 나사
 
등록된 댓글이 없습니다.
45. 다음 중 변형률(Strain)의 종류가 아닌 것은?
- ① 세로 변형률
 - ② 가로 변형률
 - ③ 전단 변형률
 - ④ 비틀림 변형률
 
등록된 댓글이 없습니다.
46. 피복야크 용접봉에서 피복제 역할이 아닌 것은?
- ① 용융 금속을 보호한다.
 - ② 아크를 안정되게 한다.
 - ③ 아크의 세기를 조절한다.
 - ④ 용착금속에 필요한 합금원소를 첨가한다.
 
등록된 댓글이 없습니다.
47. Fe-C 평형상태도에서 공정점의 탐소함유량은 몇 %인가?
- ① 0.86
 - ② 1.7
 - ③ 4.3
 - ④ 6.67
 
등록된 댓글이 없습니다.
48. 작동유의 점도와 관계없이 유량을 조정할 수 있는 밸브는?
- ① 셔틀 밸브
 - ② 체크 밸브
 - ③ 교축 밸브
 - ④ 릴리프 밸브
 
등록된 댓글이 없습니다.
49. 두랄루민의 주요 성분원소로 옳은 것은?
- ① 알루미늄-구리-니켈-철
 - ② 알루미늄-니켈-규소-망간
 - ③ 알루미늄-마그네슘-아연-주석
 - ④ 알루미늄-구리-마그네슘-망간
 
등록된 댓글이 없습니다.
50. 너트의 종류 중 한쪽 끝부분이 관통되지 않아 나사면을 따라 증가나 기름 등의 누출을 방지하기 위해 주로 사용되는 너트는?
- ① 캡 너트
 - ② 나비 너트
 - ③ 홈붙이 너트
 - ④ 원형 너트
 
등록된 댓글이 없습니다.
51. 측정치의 통계적 용어에 관한 설명으로 옳은 것은?
- ① 치우침(bias)-참값과 모평균과의 차이
 - ② 오차(error)-측정치와 시료평균과의 차이
 - ③ 편차(deviation)-측정치와 참값과의 차이
 - ④ 잔차(residual)-측정치와 모평균과의 차이
 
등록된 댓글이 없습니다.
52. 내경 600mm의 파이프를 통하여 물이 3m/s의 속도로 흐를 때 유량은 약 몇 m3/s인가?
- ① 0.85
 - ② 1.7
 - ③ 3.4
 - ④ 6.8
 
등록된 댓글이 없습니다.
53. 축열식 반사로를 사용하여 선철을 용해, 정련하는 제강법은?
- ① 평로
 - ② 전기로
 - ③ 전로
 - ④ 도가니로
 
등록된 댓글이 없습니다.
54. 테이퍼 구멍을 가진 다이에 재료를 잡아 당겨서 자공제품이 다이 구멍의 최소단면형상 치수를 갖게 하는 가공법은?
- ① 전조 가공
 - ② 절단 가공
 - ③ 인발 가공
 - ④ 프레스 가공
 
등록된 댓글이 없습니다.
55. 다음 중 차동 분할 장치를 갖고 있는 밀링머신 부속품은?
- ① 분할대
 - ② 회전 테이블
 - ③ 슬로팅 장치
 - ④ 밀링 바이스
 
등록된 댓글이 없습니다.
56. 속도가 4m/s로 전동하고 있는 벨트의 인장측 장력이 125N, 이완측 장력이 515N일 때, 전달동력(kw)은 약 얼마인가?
- ① 2.94
 - ② 28.82
 - ③ 34.61
 - ④ 69.92
 
등록된 댓글이 없습니다.
57. 미끄럼 베어링과 비교한 구름 베어링의 특징이 아닌 것은?
- ① 기동코트가 작다.
 - ② 충격 흡수력이 우수하다.
 - ③ 폭은 작으나 지금이 크게 된다.
 - ④ 표준형 양산품으로 호환성이 높다.
 
등록된 댓글이 없습니다.
58. 스프링 백 현상과 가장 관련 있는 작업은?
- ① 용접
 - ② 절삭
 - ③ 열처리
 - ④ 프레스
 
등록된 댓글이 없습니다.
59. 무기재료의 특징으로 틀린 것은?
- ① 취성파괴의 특성을 가진다.
 - ② 전기 절연체이며 열전도율이 낮다.
 - ③ 일반적으로 밀도와 선팽창계수가 크다.
 - ④ 강도와 경도가 크고 내열성과 내식성이 높다.
 
등록된 댓글이 없습니다.
60. 압력 제어 밸브의 종류가 아닌 것은?
- ① 시퀀스 밸브
 - ② 감압 밸브
 - ③ 릴리프 밸브
 - ④ 스풀 밸브
 
등록된 댓글이 없습니다.
4과목 : 전기제어공학
61. 대칭 3상 Y부하에서 부하전류가 20A이고 각 상의 임피던스가 Z=3+j4(Ω)일 때, 이 부하의 선간전압(V)은 약 얼마인가?
- ① 141
 - ② 173
 - ③ 220
 - ④ 282
 
등록된 댓글이 없습니다.
62. 기계적 변위를 제어량으로 해서 목표값의 임의의 변화에 추종하도록 구성되어 있는 것은?
- ① 자동 조정
 - ② 서보기구
 - ③ 정치제어
 - ④ 프로세스제어
 
등록된 댓글이 없습니다.
63. 다음 회로에서 합성 정전용량(µF)은?

- ① 1.1
 - ② 2.0
 - ③ 2.4
 - ④ 3.0
 
등록된 댓글이 없습니다.
64. 다음 중 기동 토크가 가장 큰 단상유도전동기는?
- ① 분상기동형
 - ② 반발기동형
 - ③ 셰이딩코일형
 - ④ 콘덴서기동형
 
등록된 댓글이 없습니다.
65. 인디셜 응답이 지수 함수적으로 증가하다가 결국 일정 값으로 되는 계는 무슨 요소인가?
- ① 미분 요소
 - ② 적분 요소
 - ③ 1차 지연요소
 - ④ 2차 지연요소
 
등록된 댓글이 없습니다.
66. 계전기를 이용한 시퀀스제어에 관한 사항으로 옳지 않은 것은?
- ① 인터록 회로 구성이 가능하다.
 - ② 자기 유지 회로 구성이 가능하다.
 - ③ 순차적으로 연산하는 직렬처리 방식이다.
 - ④ 제어결과에 따라 조작이 자동적으로 이행된다.
 
등록된 댓글이 없습니다.
67. 직류전동기의 속도제어 방법 중 광범위한 속도제어가 가능하며 정토크 가변속도의 용도에 적합한 방법은?
- ① 계자제어
 - ② 직렬저항제어
 - ③ 병렬저항제어
 - ④ 전압제어
 
등록된 댓글이 없습니다.
68. 목표값이 미리 정해진 변화량에 따라 제어량을 변화시키는 제어는?
- ① 정치제어
 - ② 추종제어
 - ③ 비율제어
 - ④ 프로그램제어
 
등록된 댓글이 없습니다.
69. 어떤 회로에 220V의 교류 전압을 인가했더니 4.4S의 전류가 흐르고, 전압과 전류와의 위상차는 60°가 되었다. 이 회로의 저항성분(Ω)은?
- ① 10
 - ② 25
 - ③ 50
 - ④ 75
 
승강기2025. 2. 15. 21:13삭제
220/4.4 = 피상전류 50A
저항성분 = 50 * cos60 = 25A
70. 제어량을 어떤 일정한 목표값으로 유지하는 것을 목적으로 하는 제어는?
- ① 추종제어
 - ② 비율제어
 - ③ 정치제어
 - ④ 프로그램제어
 
등록된 댓글이 없습니다.
71. 그림과 같은 단위계단 함수를 옳게 나타낸 것은?

- ① u(t)
 - ② u(t-a)
 - ③ u(a-t)
 - ④ u(-a-t)
 
등록된 댓글이 없습니다.
72. 단일 궤한 제어계의 개루프 전달함수가 일 때, 입력 r(t)=5u(t)에 대한 정상상태 오차 ess는?
- ① 1/3
 - ② 2/3
 - ③ 4/3
 - ④ 5/3
 
등록된 댓글이 없습니다.
73. 서보 전동기는 다음 중 어디에 속하는가?
- ① 검출기
 - ② 증폭기
 - ③ 변환기
 - ④ 조작기기
 
등록된 댓글이 없습니다.
74. 회전중인 3상 유도전동기의 슬립이 1이 되면 전동기 속도는 어떻게 되는가?
- ① 불변이다.
 - ② 정지한다.
 - ③ 무부하 상태가 된다.
 - ④ 동기속도와 같게 된다.
 
등록된 댓글이 없습니다.
75. 그림과 같은 블럭 선도와 등가인 것은?

- ① 

 - ② 

 - ③ 

 - ④ 

 
등록된 댓글이 없습니다.
76. 회로 시험기(Multi Meter)로 측정할 수 없는 것은?
- ① 저항
 - ② 교류전압
 - ③ 직류전압
 - ④ 교류전력
 
등록된 댓글이 없습니다.
77. 도체의 전기저항에 대한 설명으로 틀린 것은?
- ① 같은 길이, 단면적에서도 온도가 상승하면 저항이 증가한다.
 - ② 단면적에 반비례하고 길이에 비례한다.
 - ③ 고유 저항은 백금보다 구리가 크다.
 - ④ 도체 반지름의 제곱에 반비례한다.
 
등록된 댓글이 없습니다.
78. 전동기 정역회로를 구성할 때 기기의 보호와 조작자의 안전을 위하여 필수적으로 구성되어야 하는 회로는?
- ① 인터록회로
 - ② 플립플롭회로
 - ③ 정지우선 자기유지회로
 - ④ 기동 우선 자기유지회로
 
등록된 댓글이 없습니다.
79. R-L-C 직렬회로에 t=0에서 교류전압 v=Emsin(wt+θ)[V]를 가할 때 이 회로의 응답유형은? (단, 이다.)
- ① 완전진동
 - ② 비진동
 - ③ 임계진동
 - ④ 감쇠진동
 
등록된 댓글이 없습니다.
80. 그림과 같은 회로에서 해당되는 램프의 식으로 옳은 것은?

- ① 

 - ② 

 - ③ 

 - ④ 

 
등록된 댓글이 없습니다.