전기산업기사(2020. 6. 6.) 시험일자 : 2020년 6월 6일
1과목 : 전기자기학
1. 유전율이 각각 다른 두 종류의 유전체 경계면에 전속이 입사될 때 이 전속은 어떻게 되는가? (단, 경계면에 수직으로 입사하지 않는 경우이다.)
- ① 굴절
- ② 반사
- ③ 회절
- ④ 직진
12020. 12. 18. 19:12삭제
1
2. 반지름이 9cm인 도체구 A에 8C의 전하가 균일하게 분포되어 있다. 이 도체구에 반지름 3cm인 도체구 B를 접촉시켰을 때 도체구 B로 이동한 전하는 몇 C인가?
- ① 1
- ② 2
- ③ 3
- ④ 4
등록된 댓글이 없습니다.
3. 내구의 반지름 a(m), 외구의 반지름 b(m)인 동심 구 도첵 간에 도전율이 k(S/m)인 저항물질이 채워져 있을 때의 내외구간의 합성저항(Ω)은?
- ①

- ②

- ③

- ④

등록된 댓글이 없습니다.
4. 대전된 도체 표면의 전하밀도를 σ(C/m2)이라고 할 때, 대전된 도체 표면의 단위면적이 받는 정전응력(N/m2)은 전하밀도 σ와 어떤 관계에 있는가?
- ① σ1/2에 비례
- ② σ3/2에 비례
- ③ σ에 비례
- ④ σ2에 비례
등록된 댓글이 없습니다.
5. 양극판의 면적이 S(m2), 극판 간의 간격이 d(m), 정전용량이 C1(F)인 평행판 콘덴서가 있다. 양극판 면적을 각각 3S(m2)로 늘이고 극판 간격을 d(m)로 줄였을 때의 정전용량 C2(F)는?
- ① C2 = C1
- ② C2 = 3C1
- ③ C2 = 6C1
- ④ C2 = 9C1
나야나 2020. 9. 10. 17:05삭제
극판간격을 '1/3로' d[m] 줄였을때 빠졌어요 오류 수정 하세요~
6. 투자율이 각각 μ1, μ2인 두 자성체의 경계면에서 자기력선의 굴절의 법칙을 나타낸 식은?
- ①

- ②

- ③

- ④

등록된 댓글이 없습니다.
7. 전계 내에서 폐회로를 따라 단위 전하가 일주할 때 전계가 한 일은 몇 J인가?
- ① ∞
- ② π
- ③ 1
- ④ 0
등록된 댓글이 없습니다.
8. 진공 중에서 멀리 떨어져 있는 반지름이 각각 a1(m), a2(m)인 두 도체구를 V1(V), V2(V)인 전위를 갖도록 대전시킨 후 가는 도선으로 연결할 때 연결 후의 공통 전위 V(V)는?
- ①

- ②

- ③

- ④

등록된 댓글이 없습니다.
9. 그림과 같이 도체 1을 도체 2로 포위하여 도체 2를 일정 전위로 유지하고 도체 1과 도체 2의 외측에 도체 3이 있을 때 용량계수 및 유도계수의 성질로 옳은 것은?

- ① q23 = q11
- ② q13 = -q11
- ③ q31 = q11
- ④ q21 = -q11
나그네2021. 7. 19. 23:21삭제
Q1Q2를 용량계수와 유도계수로 나타냄
Q1=q11V1+q12V2 Q2=q21V2+q22V2
도체2는 접지표시.있음
접지도체 전위는 V=0
위 식에 V2=0을 대입하믄 ... 뿅뿅뿅
Q1=q11V1 Q2=q21V1
도체1의 전하 Q1에서 나오는 전기력선은
모두 도체2에서 끝남
즉 Q2는 -Q1이 되며,
Q1=q11V1, Q2=q21V1식은
Q1=q11V1, Q2=q21V1 = -q11V1이 됨
그래서 q21= -q11 이 된당
쉽지.ㅎㅎ 열공하세용
10. 와전류(eddy current)손에 대한 설명으로 틀린 것은?
- ① 주파수에 비례한다.
- ② 저항에 반비례한다.
- ③ 도전율이 클수록 크다.
- ④ 자속밀도의 제곱에 비례한다.
ㄱㄱㄱㄱㄱ2024. 10. 5. 14:35삭제
와전류손 공식에 의해 저항에 대한 부부이 없음.고로 2번이 답으로 사료됨
11. 전계 E(V/m) 및 자계 H(AT/m)의 에너지가 자유공간 사이클 C(m/s)의 속도로 전파될 때 단위 시간에 단위 면적을 지나는 에너지(W/m2)는?
- ①

- ② EH
- ③ EH2
- ④ E2H
등록된 댓글이 없습니다.
12. 공기 중에 선간거리 10cm의 평행왕복 도선이 있다. 두 도선 간에 작용하는 힘이 4×10-6 N/m 이었다면 도선에 흐르는 전류는 몇 A 인가?
- ① 1
- ② 2
- ③ √2
- ④ √3
등록된 댓글이 없습니다.
13. 자기 인덕턴스가 L1, L2이고 상호 인덕턴스가 M인 두 회로의 결합계수가 1일 때, 성립되는 식은?
- ① L1 · L2 = M
- ② L1 · L2 < M2
- ③ L1 · L2 > M2
- ④ L1 · L2 = M2
등록된 댓글이 없습니다.
14. 어떤 콘덴서의 비유전율 εs인 유전체로 채워져 있을 때의 정전용량 C와 공기로 채워져 있을 때의 정전용량 C0의 비(C/C0)는?
- ① εs
- ② 1/εs
- ③ √εs
- ④ 1/√εs
나그네2021. 7. 19. 23:39삭제
유전체를 채운.콘덴서의 정전용량은
공기인 경우의 비유전율 εs배이다
C = εsC0
15. 유전체에서의 변위전류에 대한 설명으로 틀린 것은?
- ① 변위전류가 주변에 자계를 발생시킨다.
- ② 변위전류의 크기는 유전율에 반비례한다.
- ③ 전속밀도의 시간적 변화가 변위전류를 발생시킨다.
- ④ 유전체 중의 변위전류는 진공 중의 전계 변화에 의한 변위전류와 구속전자의 변위에 의한 분극전류와의 합이다.
등록된 댓글이 없습니다.
16. 환상 솔렌외드의 자기 인덕턴스(H)와 반비례 하는 것은?
- ① 철심의 투자율
- ② 철심의 길이
- ③ 철심의 단면적
- ④ 코일의 권수
등록된 댓글이 없습니다.
17. 자성체에 대한 자하의 세기를 정의한 것으로 틀린 것은?
- ① 자성체의 단위 체적당 자기모멘트
- ② 자성체의 단위 면적당 자화된 자하량
- ③ 자성체의 단위 면적당 자화선의 밀도
- ④ 자성체의 단위 면적당 자기력선의 밀도
등록된 댓글이 없습니다.
18. 두 전하 사이 거리의 세제곱에 비례하는 것은?(문제 오류로 가답안 발표시 2번으로 발표되었지만 확정답안 발표시 모두 정답처리 되었습니다. 여기서는 가답안인 2번을 누르면 정답 처리 됩니다.)
- ① 두 구전하 사이에 작용하는 힘
- ② 전기쌍극자에 의한 전계
- ③ 직선 전하에 의한 전계
- ④ 전하의 의한 전위
등록된 댓글이 없습니다.
19. 정사각형 회로의 면적을 3배로, 흐르는 전류를 2배로 증가시키면 정사각형의 중심에서의 자계의 세기는 약 몇 %가 되는가?
- ① 47
- ② 115
- ③ 150
- ④ 225
등록된 댓글이 없습니다.
20. 그림과 같이 권수가 1이고 반지름이 a(m)인 원형 코일에 전류 I(A)가 흐르고 있다. 원형 코일 중심에서의 자계의 세기(AT/m)는?

- ① I/a
- ② I/2a
- ③ I/3a
- ④ I/4a
등록된 댓글이 없습니다.
2과목 : 전력공학
21. 전압이 일정값 이하로 되었을 때 동작하는 것으로서 단락 시 고장 검출용으로도 사용되는 계전기는?
- ① OVR
- ② OVGR
- ③ NSR
- ④ UVR
42020. 12. 18. 19:13삭제
4
22. 반동수차의 일종으로 주요부분은 러너, 안내날개, 스피드링 및 흡출관 등으로 되어 있으며 50~500m 정도의 중낙차 발전소에 사용되는 수차는?
- ① 카플란수차
- ② 프란시스수차
- ③ 펠턴수차
- ④ 튜블러수차
22020. 12. 18. 19:14삭제
2
23. 페란티현상이 발생하는 원인은?
- ① 선로의 과도한 저항
- ② 선로의 정전용량
- ③ 선로의 인덕턴스
- ④ 선로의 급격한 전압강하
22020. 12. 18. 19:14삭제
2
24. 전력계통의 경부하시나 또는 다른 발전소의 발전전력에 여유가 있을 때, 이 잉여전력을 이용하여 전동기로 펌프를 돌려서 물을 상부의 저수지에 저장하였다가 필요에 따라 이 물을 이용해서 발전하는 발전소는?
- ① 조력발전소
- ② 양수식발전소
- ③ 유역변경식발전소
- ④ 수로식발전소
22020. 12. 18. 19:15삭제
2
25. 열의 일당량에 해당되는 전위는?
- ① kcal/kg
- ② kg/cm2
- ③ kcal/cm3
- ④ kg·m/kcal
42020. 12. 18. 19:15삭제
4
26. 가공전선을 단도체식으로 하는 것보다 같은 단면적의 복도체식으로 하였을 경우에 대한 내용으로 틀린 것은?
- ① 전선의 인덕턴스가 감소된다.
- ② 전선의 정전용량이 감소된다.
- ③ 코로나 발생률이 적어진다.
- ④ 송전용량이 증가한다.
22020. 12. 18. 19:16삭제
2
27. 연가의 효과로 볼 수 없는 것은?
- ① 선로 정수의 평형
- ② 대지 정전용량의 감소
- ③ 통신선의 유도 장해의 감소
- ④ 직렬 공진의 방지
22020. 12. 18. 19:17삭제
2
28. 발전기나 변압기의 내부고장 검출로 주로 사용되는 계전기는?
- ① 역상계전기
- ② 과전압계전기
- ③ 과전류계전기
- ④ 비율차동계전기
42020. 12. 18. 19:18삭제
4
29. 송전선로에서 역섬락을 방지하는 가장 유효한 방법은?
- ① 피뢰기를 설치한다.
- ② 가공지선을 설치한다.
- ③ 소호각을 설치한다.
- ④ 탑각 접지저항을 작게 한다.
42020. 12. 18. 19:19삭제
4
30. 교류 송전방식과 직류 송전방식을 비교할 때 교류 송전방식의 장점에 해당되는 것은?
- ① 전압의 승압, 강압 변경이 용이하다.
- ② 절연계급을 낮출 수 있다.
- ③ 송전효율이 좋다.
- ④ 안정도가 좋다.
12020. 12. 18. 19:22삭제
1
31. 단상 2선식 교류 배전선로가 있다. 전선의 1가닥 저항이 0.15Ω이고, 리액턴스는 0.25Ω이다. 부하는 순저항부하이고 100V, 3kW 이다. 급전점의 전압(V)은 약 얼마인가?
- ① 105
- ② 110
- ③ 115
- ④ 124
22020. 12. 18. 19:23삭제
2
32. 반한시성 과전류계전기의 전류-시간 특성에 대한 설명으로 옳은 것은?
- ① 계전기 동작시간은 전류의 크기와 비례한다.
- ② 계전기 동작시간은 전류의 크기와 관계없이 일정하다.
- ③ 계전기 동작시간은 전류의 크기와 반비례한다.
- ④ 계전기 동작시간은 전류의 크기의 제곱에 비례한다.
32020. 12. 18. 19:24삭제
3
33. 지상부하를 가진 3상 3선식 배전선로 또는 단거리 송전선로에서 선간 전압강하를 나타낸 식은? (단, I, R, X, θ는 각각 수전단 전류, 선로저항, 리액턴스 및 수전단 전류의 위상각이다.)
- ① I(Rcosθ+ Xsinθ)
- ② 2I(Rcosθ+Xsinθ)
- ③ √3I(Rcosθ+Xsinθ)
- ④ 3I(Rcosθ+Xsinθ)
장현석2022. 4. 19. 13:54삭제
3
34. 다음 중 송·배전선로의 진동 방지대책에 사용되지 않는 기구는?
- ① 댐퍼
- ② 조임쇠
- ③ 클램프
- ④ 아머 로드
22020. 12. 18. 19:20삭제
2
35. 단락전류를 제한하기 위하여 사용되는 것은?
- ① 한류리액터
- ② 사이리스터
- ③ 현수애자
- ④ 직렬콘덴서
12020. 12. 18. 19:24삭제
1
36. 어느 변전설비의 역률을 60%에서 80%로 개선하는데 2800 kVA의 전력용 커패시터가 필요하였다. 이 변전설비의 용량은 몇 kW 인가?
- ① 4800
- ② 5000
- ③ 5400
- ④ 5800
12020. 12. 18. 19:26삭제
1
37. 교류 단상 3선식 배전방식을 교류 단상 2선식에 비교하면?
- ① 전압강하가 크고, 효율이 낮다.
- ② 전압강하가 작고, 효율이 낮다.
- ③ 전압강하가 작고, 효율이 높다.
- ④ 전압강하가 크고, 효율이 높다.
32020. 12. 18. 19:27삭제
3
38. 배전선로의 전압을 √3배로 증가시키고 동일한 전력 손실률로 송전할 경우 송전전력은 몇 배로 증가되는가?
- ① √3
- ② 3/2
- ③ 3
- ④ 2√3
32020. 12. 18. 19:26삭제
3
39. 주상 변압기의 2차 측 접지는 어느 것에 대한 보호를 목적으로 하는가?
- ① 1차 측의 단락
- ② 2차 측의 단락
- ③ 2차 측의 전압강하
- ④ 1차 측과 2차 측의 혼촉
42020. 12. 18. 19:27삭제
4
40. 100MVA의 3상 변압기 2뱅크를 가지고 있는 배전용 2차 측의 배전선에 시설할 차단기 용량(MVA)은? (단, 변압기는 병렬로 운전되며, 각각의 %Z는 20%이고, 전원의 임피던스는 무시한다.)
- ① 1000
- ② 2000
- ③ 3000
- ④ 4000
Aaaaa2024. 10. 7. 10:30삭제
차단기 용량=(100/%Z) * 기준MVA
%Z=10%, (100/10) * 100= 1000
3과목 : 전기기기
41. 단상 다이오드 반파정류회로인 경우 정류 효율은 약 몇 % 인가? (단, 저항부하인 경우이다.)
- ① 12.6
- ② 40.6
- ③ 60.6
- ④ 81.2
등록된 댓글이 없습니다.
42. 직류발전기의 병렬운전에서 균압모선을 필요로 하지 않는 것은?
- ① 분권발전기
- ② 직권발전기
- ③ 평복권발전기
- ④ 과복권발전기
등록된 댓글이 없습니다.
43. 3상 유도전동기의 전원측에서 임의의 2선을 바꾸어 접속하여 운전하면?
- ① 즉각 정지된다.
- ② 회전방향이 반대가 된다.
- ③ 바꾸지 않았을 때와 동일하다.
- ④ 회전방향은 불변이나 속도가 약간 떨어진다.
등록된 댓글이 없습니다.
44. 직류 분권전동기의 정격전압 220V, 정격전류 105A, 전기자저항 및 계자회로의 저항이 각각 0.1Ω 및 40Ω이다. 기동전류를 정격전류의 150%로 할 때의 기동저항은 약 몇 Ω 인가?
- ① 0.46
- ② 0.92
- ③ 1.21
- ④ 1.35
등록된 댓글이 없습니다.
45. 전기자저항과 계자저항이 각각 0.8Ω인 직류 직권전동기가 회전수 200wpm, 전기자전류 30A 일 때 역기전력은 300V이다. 이 전동기의 단자전아을 500V로 사용한다면 전기자전류가 위와 같은 30A로 될 때의 속도(rpm)는? (단, 전기자 반작용, 마찰손, 풍손 및 철손은 무시한다.)
- ① 200
- ② 301
- ③ 452
- ④ 500
등록된 댓글이 없습니다.
46. 수은 정류기에 있어서 정류기의 밸브작용이 상실되는 현상을 무엇이라고 하는가?
- ① 통호
- ② 실호
- ③ 역호
- ④ 점호
등록된 댓글이 없습니다.
47. 3상 유도전동기의 전원주파수와 전압의 비가 일정하고 정격속도 이하로 속도를 제어하는 경우 전동기의 출력 P와 주파수 f와의 관계는?
- ① P ∝ f
- ② P ∝ 1/f
- ③ P ∝ f2
- ④ P는 f에 무관
등록된 댓글이 없습니다.
48. SCR에 대한 설명으로 옳은 것은?
- ① 증폭기능을 갖는 단방향성 3단자 소자이다.
- ② 제어기능을 갖는 양방향성 3단자 소자이다.
- ③ 정류기능을 갖는 단방향성 3단자 소자이다.
- ④ 스위칭기능을 갖는 양방향성 3단자 소자이다.
등록된 댓글이 없습니다.
49. 유도전동기의 주파수가 60Hz이고 전부하에서 회전수가 매분 1164회이면 극수는? (단, 슬립은 3% 이다.)
- ① 4
- ② 6
- ③ 8
- ④ 10
등록된 댓글이 없습니다.
50. 동기기의 과도 안정도를 증가시키는 방법이 아닌 것은?
- ① 속응 여자방식을 채용한다.
- ② 동기 탈조계전기를 사용한다.
- ③ 동기화 리액턴스를 작게 한다.
- ④ 회전자의 플라이휠 효과를 작게 한다.
등록된 댓글이 없습니다.
51. 전압비 3300/110V, 1차 누설 임피던스 Z1=12+j13Ω, 2차 누설 임피던스 Z2=0.015+j0.013Ω인 변압기가 있다. 1차로 환산된 등가임피던스(Ω)는?
- ① 22.7 + j25.5
- ② 24.7 + j25.5
- ③ 25.5 + j22.7
- ④ 25.5 + j24.7
등록된 댓글이 없습니다.
52. 동기발전기의 단자 부근에서 단락이 발생되었을 때 단락전류에 대한 설명으로 옳은 것은?
- ① 서서히 증가한다.
- ② 발전기는 즉시 정지한다.
- ③ 일정한 큰 전류가 흐른다.
- ④ 처음은 큰 전류가 흐르나 점차 감소한다.
등록된 댓글이 없습니다.
53. 어떤 공장에 뒤진 역률 0.8인 부하가 있다. 이 선로에 동기조상기를 병렬로 결선해서 선로의 역률을 0.95로 개선하였다. 개선 후 전력의 변화에 대한 설명으로 틀린 것은?
- ① 피상전력과 유효전력은 감소한다.
- ② 피상전력과 무효전력은 감소한다.
- ③ 피상전력은 감소하고 유효전력은 변화가 없다.
- ④ 무효전력은 감소하고 유효전력은 변화가 없다.
등록된 댓글이 없습니다.
54. 기동 시 정류자의 불꽃으로 라디오의 장해를 주며 단락장치의 고장이 일어나기 쉬운 전동기는?
- ① 직류 직권전동기
- ② 단상 직권전동기
- ③ 반발기동형 단상유도전동기
- ④ 셰이딩코일형 단상유도전동기
등록된 댓글이 없습니다.
55. 8극, 유도기전력 100V, 전기자전류 200A인 직류발전기의 전기자권선을 중권에서 파권으로 변경했을 경우의 유도기전력과 전기자전류는?
- ① 100V, 200A
- ② 200V, 100A
- ③ 400V, 50A
- ④ 800V, 25A
등록된 댓글이 없습니다.
56. 8극, 50kW, 3300V, 60Hz인 3상 권선형 유도전동기의 전부하 슬립이 4%라고 한다. 이 전동기의 슬립링 사이에 0.16Ω의 저항 3개를 Y로 삽입하면 전부하 토크를 발생할 때의 회전수(rpm)는? (단, 2차 각상의 저항은 0.04Ω이고, Y접속이다.)
- ① 660
- ② 720
- ③ 750
- ④ 880
등록된 댓글이 없습니다.
57. 임피던스 강하가 5%인 변압기가 운전 중 단락되었을 때 그 단락전류는 정격전류의 몇 배인가?
- ① 20
- ② 25
- ③ 30
- ④ 35
등록된 댓글이 없습니다.
58. 변압기의 임피던스와트와 임피던스전압을 구하는 시험은?
- ① 부하시험
- ② 단락시험
- ③ 무부하시험
- ④ 충격전압시험
등록된 댓글이 없습니다.
59. 변압기에서 1차 측의 여자 어드미턴스를 Y0라고 한다. 2차 측으로 환산한 여자 어드미턴스 Y0′을 옳게 표한한 식은? (단, 권수비를 a라고 한다.)
- ①

- ②

- ③

- ④

등록된 댓글이 없습니다.
60. 3상 동기기의 제동권선을 사용하는 주 목적은?
- ① 출력이 증가한다.
- ② 효율이 증가한다.
- ③ 역률을 개선한다.
- ④ 난조를 방지한다.
등록된 댓글이 없습니다.
4과목 : 회로이론
61. Z=5√3+j5(Ω)인 3개의 임피던스를 Y결선하여 선간전압 250V의 평형 3상 전원에 연결하였다. 이때 소비되는 유효전력은 약 몇 W 인가?
- ① 3125
- ② 5413
- ③ 6252
- ④ 7120
ㄱㄱㄱㄱㄱ2024. 10. 7. 13:02삭제
답이 없는데요.ㅜㅜ
Y결선 Vl=, 루트3Vp, Vp=250/루트3 =144[V]
Zt=루트5^2+(5루트3)^2=10
각도 tan^-1 5/5루트3 =30
유효전력 P=VI cos30 = V^2/Z *cos30 =(144)^2 * cos30/10 = 1795.79 [W]
제 계산법이 잘못된 것인지 ㅜㅜ
62. 그림과 같은 회로에서 스위치 S를 t=0에서 닫았을 때 이다. L(H)의 값은?

- ① 0.75
- ② 0.5
- ③ 0.25
- ④ 0.1
등록된 댓글이 없습니다.
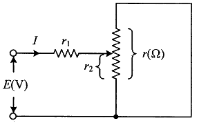
63. r1(Ω)인 저항에 r(Ω)인 가변저항이 연결된 그림과 같은 회로에서 전류 I를 최소로 하기 위한 저항 r2(Ω)는? (단, r(Ω)은 가변저항의 최대 크기이다.)

- ① r1/2
- ② r/2
- ③ r1
- ④ r
등록된 댓글이 없습니다.
64. 다음과 같은 회로에서 Va, Vb, Vc(V)를 평형 3상 전압이라 할 때 전압 V0(V)은?

- ① 0
- ② V1/3
- ③

- ④ V1
등록된 댓글이 없습니다.
65. 9Ω과 3Ω인 저항 6개를 그림과 같이 연결하였을 때, a와 b 사이의 합성저항(Ω)은?

- ① 9
- ② 4
- ③ 3
- ④ 2
등록된 댓글이 없습니다.
66. 그림과 같은 회로의 전달함수는? (단, 초기조건은 0이다.)

- ①

- ②

- ③

- ④

등록된 댓글이 없습니다.
67. 그림과 같은 회로에서 5Ω에 흐르는 전류 I는 몇 A 인가?

- ① 1/2
- ② 2/3
- ③ 1
- ④ 5/3
등록된 댓글이 없습니다.
68. 전류의 대칭분이 I0=-2+j4(A), I1=6-j5(A), I2=8+j10(A) 일 때 3상전류 중 a상 전류(Ia)의 크기(|Ia|)는 몇 A 인가? (단, I0는 영상분이고, I1은 정상분이고, I2는 역상분이다.)
- ① 9
- ② 12
- ③ 15
- ④ 19
등록된 댓글이 없습니다.
69. V=50√3-j50(V), I=15√3+j15(A) 일 때 유효전력 P(W)와 뮤효전력 Q(var)는 각각 얼마인가?
- ① P = 3000, Q = -1500
- ② P = 1500, Q = -1500√3
- ③ P = 750, Q = -750√3
- ④ P = 2250, Q = -1500√3
등록된 댓글이 없습니다.
70. 푸리에 급수로 표현된 왜평파 f(t)가 반파대칭 및 정현대칭일 때 f(t)에 대한 특징으로 옳은 것은?

- ① an의 우수항만 존재한다.
- ② an의 기수항만 존재한다.
- ③ bn의 우수항만 존재한다.
- ④ bn의 기수항만 존재한다.
등록된 댓글이 없습니다.
71. 그림과 같은 회로에서 L2에 흐르는 전류 I2(A)가 단자전압 V(V)보다 위상이 90°뒤지기 위한 조건은? (단, ω는 회로의 각주파수(rad/s)이다.)

- ① R2/R1 = L2/L1
- ② R1R2 = L1L2
- ③ R1R2 = ωL1L2
- ④ R1R2 = ω2L1L2
등록된 댓글이 없습니다.
72. RC 직렬회로의 과도현상에 대한 설명을 옳은 것은?
- ① (R×C)의 값이 클수록 과도 전류는 빨리 사라진다.
- ② (R×C)의 값이 클수록 과도 전류는 천천히 사라진다.
- ③ 과도 전류는 (R×C)의 값에 관계가 없다.
- ④ 1/(R×C)의 값이 클수록 과도 전류는 천천히 사라진다.
등록된 댓글이 없습니다.
73. 용량이 50kVA인 단상 변압기 3대를 △결선하여 3상으로 운전하는 중 1대의 변압기에 고장이 발생하였다. 나머지 2대의 변압기를 이용하여 3상 V결선으로 운전하는 경우 최대 출력은 몇 kVA 인가?
- ① 30√3
- ② 50√3
- ③ 100√3
- ④ 200√3
등록된 댓글이 없습니다.
74. 각 상의 전류가 ia = 30sinωt(A), ib=30sin(ωt-90°)(A), ic=30sin(ωt+90°)(A)일 때 영상분 전류(A)의 순시치는?
- ① 10sinωt
- ②

- ③ 30sinωt
- ④

등록된 댓글이 없습니다.
75. f(t)=sint+2cost를 라플라스 변환하면?
- ①

- ②

- ③

- ④

등록된 댓글이 없습니다.
76. 어떤 회로에 흐르는 전류가 i(t)=7+14.1 sinωt(A)인 경우 실효값은 약 몇 A 인가?
- ① 11.2
- ② 12.2
- ③ 13.2
- ④ 14.2
등록된 댓글이 없습니다.
77. 어떤 전지에 연결된 외부 회로의 저항은 5Ω이고 전류는 8A가 흐른다. 외부 회로에 5Ω대신 15Ω의 저항을 접속하면 전류는 4A로 떨어진다. 이 전지의 내부 기전력은 몇 V 인가?
- ① 15
- ② 20
- ③ 50
- ④ 80
등록된 댓글이 없습니다.
78. 파형율과 파고율이 모두 1인 파형은?
- ① 고조파
- ② 삼각파
- ③ 구형파
- ④ 사인파
등록된 댓글이 없습니다.
79. 회로의 4단자 정수로 틀린 것은?

- ① A=2
- ② B=12
- ③ C=1/4
- ④ D=6
등록된 댓글이 없습니다.
80. 그림과 같은 4단자 회로망에서 출력 측을 개방하니 V1=12V, I1=2A, V2=4V이고, 출력 측을 단락하니 V1=16V, I1=4A, I2=2A 이었다. 4단자 정수 A, B, C, D는 얼마인가?

- ① A=2, B=3, C=8, D=0.5
- ② A=0.5, B=2, C=3, D=8
- ③ A=8, B=0.5, C=2, D=3
- ④ A=3, B=8, C=0.5, D=2
등록된 댓글이 없습니다.
5과목 : 전기설비기술기준 및 판단 기준
81. 버스덕트 공사에 의한 저압의 옥측배선 또는 옥외배선의 사용전압이 400V 이상인 경우의 시설기준에 대한 설명으로 틀린 것은?
- ① 목조 외의 조영물(점검할 수 없는 은폐장소)에 시설할 것
- ② 버스덕트는 사람이 쉽게 접촉할 우려가 없도록 시설할 것
- ③ 버스덕트는 KS C IEC 60529(2006)에 의한 보호등급 IPX4에 적합할 것
- ④ 버스덕트는 옥외용 버스덕트를 사용하여 덕트 안에 물이 스며들어 고이지 아니하도록 한 것일 것
등록된 댓글이 없습니다.
82. 가공전선로의 지지물에 지선을 시설하려는 경우 이 지선의 최저 기준으로 옳은 것은?
- ① 허용인장하중 : 2.11kN, 소선지름 : 2.0mm, 안전율 : 3.0
- ② 허용인장하중 : 3.21kN, 소선지름 : 2.6mm, 안전율 : 1.5
- ③ 허용인장하중 : 4.31kN, 소선지름 : 1.6mm, 안전율 : 2.0
- ④ 허용인장하중 : 4.31kN, 소선지름 : 2.6mm, 안전율 : 2.5
등록된 댓글이 없습니다.
83. 직류식 전기철도에서 배류선의 상승 부분 중 지표상 몇 m 미만의 부분은 절연전선(옥외용 비닐 절연전선을 제외한다.) 캡타이어 케이블 또는 케이블을 사용하고 사람이 접촉할 우려가 없고 또한 손상을 받을 우려가 없도록 시설하여야 하는가?
- ① 1.5
- ② 2.0
- ③ 2.5
- ④ 3.0
등록된 댓글이 없습니다.
84. 고압전로 또는 특고압전로와 저압전로를 결합하는 변압기의 저압측의 중성점에는 제 몇 종 접지공사를 하여야 하는가?
- ① 제1종 접지공사
- ② 제2종 접지공사
- ③ 제3종 접지공사
- ④ 특별 제3종 접지공사
등록된 댓글이 없습니다.
85. 변압기에 의하여 특고압전로에 결합되는 고압전로에는 사용전압의 몇 배 이하인 전압이 가하여진 경우에 방전하는 장치를 그 변압기의 단자에 가까운 1극에 설치하여야 하는가?
- ① 3
- ② 4
- ③ 5
- ④ 6
등록된 댓글이 없습니다.
86. 수성전선로의 시설기준으로 옳은 것은?
- ① 사용전압이 고압인 경우에는 클로로프렌 캡타이어 케이블을 사용한다.
- ② 수상전선로에 사용하는 부대(浮臺)는 쇠사슬 등으로 견고하게 연결한다.
- ③ 고압 수상전선로에 지락이 생길 때를 대비하여 전로를 수동으로 차단하는 장치를 시설한다.
- ④ 수상전선로의 전선은 부대의 아래에 지지하여 시설하고 또한 그 절연핍고을 손상하지 아니하도록 시설한다.
등록된 댓글이 없습니다.
87. 특고압 가공전선이 가공약전류 전선 등 저압 또는 고압의 가공전선이나 저압 또는 고압의 전차선과 제1차 접근상태로 시설되는 경우 60kV 이하 가공전선과 저고압 가공전선 등 또는 이들의 지지물이나 지주 사이의 이격거리는 몇 m 이상인가?
- ① 1.2
- ② 2
- ③ 2.6
- ④ 3.2
등록된 댓글이 없습니다.
88. 가공전선로의 지지물에는 취급자가 오르고 내리는데 사용하는 발판 볼트 등은 특별한 경우를 제외하고 지표상 몇 m 미만에는 시설하지 않아야 하는가?
- ① 1.5
- ② 1.8
- ③ 2.0
- ④ 2.2
등록된 댓글이 없습니다.
89. 특고압 가공전선과 가공약전류 전선 사이에 보호망을 시설하는 경우 보호망을 구성하는 금속선 상호 간의 간격은 가로 및 세로를 각각 몇 m 이하로 시설하여야 하는가?
- ① 0.75
- ② 1.0
- ③ 1.25
- ④ 1.5
등록된 댓글이 없습니다.
90. 옥내 고압용 이동전선의 시설기준에 적합하지 않은 것은?
- ① 전선은 고압용의 캡타이어케이블을 사용하였다.
- ② 전로에 지락이 생겼을 때에 자동적으로 전로를 차단하는 장치를 시설하였다.
- ③ 이동전선과 전기사용기계기구와는 볼트 조임 기타의 방법에 의하여 견고하에 접속하였다.
- ④ 이동전선에 전기를 공급하는 전로의 중성극에 전용 개폐기 및 과전류차단기를 시설하였다.
등록된 댓글이 없습니다.
91. 교통신호등의 시설기준에 관한 내용으로 틀린 것은?
- ① 제어장치의 금속제 외함에는 제3종 접지공사를 한다.
- ② 교통신호등 회로의 사용전압은 300V 이하로 한다.
- ③ 교통신호등 회로의 인하선은 지표상 2m 이상으로 시설한다.
- ④ LED를 광원으로 사용하는 교통신호등의 설치는 KS C 7528 “LED 교통신호등”에 적합한 것을 사용한다.
등록된 댓글이 없습니다.
92. 터널 안의 윗면, 교량의 아랫면 기타 이와 유사한 곳 또는 이에 인접하는 곳에 시설하는 경우 가공 직류 전차선의 레일면상의 높이는 몇 m 이상인가?
- ① 3
- ② 3.5
- ③ 4
- ④ 4.5
등록된 댓글이 없습니다.
93. 사람이 상시 통행하는 터널 안 배선의 시설기준으로 틀린 것은?
- ① 사용전압은 저압에 한한다.
- ② 전로에는 터널의 입구에 가까운 곳에 전용 개폐기를 시설한다.
- ③ 애자사용 공사에 의하여 시설하고 이를 노면상 2m 이상의 높이에 시설한다.
- ④ 공칭단면적 2.5mm2 연동선과 동등 이상의 세기 및 굵기의 절연전선을 사용한다.
등록된 댓글이 없습니다.
94. 고압 가공전선이 교류 전차선과 교차하는 경우, 고압 가공전선으로 케이블을 사용하는 경우 이외에는 단면적 몇 mm2 이상의 경동연선(교류 전차선 등과 교차하는 부분을 포함하는 경간에 접속점이 없는 것에 한한다.)을 사용하여야 하는가?
- ① 14
- ② 22
- ③ 30
- ④ 38
등록된 댓글이 없습니다.
95. 1차측 3300V, 2차측 220V 인 변압기 전로의 절연내력 시험전압은 각각 몇 V에서 10분간 견디어야 하는가?
- ① 1차측 4950V, 2차측 500V
- ② 1차측 4500V, 2차측 400V
- ③ 1차측 4125V, 2차측 500V
- ④ 1차측 3300V, 2차측 400V
등록된 댓글이 없습니다.
96. 저압 가공전선과 고압 가공전선을 동일 지지물에 시설하는 경우 이격거리는 몇 cm 이상이어야 하는가? (단, 각도주(角度住)·분기주(分岐住) 등에서 혼촉(混觸)의 우려가 없도록 시설하는 경우는 제외한다.)
- ① 50
- ② 60
- ③ 70
- ④ 80
등록된 댓글이 없습니다.
97. 중성선 다중접지식의 것으로서 전로에 지락이 생겼을 때 2초 이내에 자동적으로 이를 전로로부터 차단하는 장치가 되어 있는 22.9kV 특고압 가공전선이 다른 특고압 가공전선과 접근하는 경우 이격거리는 몇 m 이상으로 하여야 하는가? (단, 양쪽이 나전선인 경우이다.)
- ① 0.5
- ② 1.0
- ③ 1.5
- ④ 2.0
등록된 댓글이 없습니다.
98. 고압 또는 특고압 가공전선과 금속제외 울타리가 교차하는 경우 교차점과 좌, 우로 몇 m 이내에 개소에 제1종 접지공사를 하여야 하는가? (단, 전선에 케이블을 사용하는 경우는 제외한다.)
- ① 25
- ② 35
- ③ 45
- ④ 55
등록된 댓글이 없습니다.
99. 의료장소 중 그룹 1 및 그룹 2의 의료 IT 계통에 시설되는 전기설비의 시설기준으로 틀린 것은?
- ① 의료용 절연변압기의 정격출력은 10kVA이하로 한다.
- ② 의료용 절연변압기의 2차측 정격변압은 교류 250V 이하로 한다.
- ③ 전원측에 강화절연을 한 의료용 절연변압기를 설치하고 그 2차측 전로는 접지한다.
- ④ 절연감시장치를 설치하되 절연저항이 50kΩ 까지 감소하면 표시설비 및 음향설비로 경보를 발하도록 한다.
등록된 댓글이 없습니다.
100. 전력 보안통신 설비인 무선통신용 안테나를 지지하는 목주의 풍압하중에 대한 안전율은 얼마 이상으로 해야 하는가?
- ① 0.5
- ② 0.9
- ③ 1.2
- ④ 1.5
등록된 댓글이 없습니다.