건축기사(2014. 9. 20.) 시험일자 : 2014년 9월 20일
1과목 : 건축계획
1. 사무실 건축의 실단위 계획에 있어서 개방식 배치(Open Plan)에 관한 설명으로 옳지 않은 것은?
- ① 독립성과 쾌적감 확보에 유리하다.
- ② 공사비가 개실시스템보다 저렴하다.
- ③ 방의 길이나 깊이에 변화를 줄 수 있다.
- ④ 전면적을 유효하게 이용할 수 있어 공단 절약상 유리하다.
등록된 댓글이 없습니다.
2. 캐빈 리치(Kevin Lynch)가 주장한 “도시 이미지”의 구성요소에 속하지 않는 것은?
- ① Paths
- ② Edges
- ③ Linkages
- ④ Landmarks
등록된 댓글이 없습니다.
3. 주택의 부엌 작업대 배치유형 중 ㄷ자형에 관한 설명으로 옳은 것은?
- ① 두 벽면을 따라 작업이 전개되는 전통적인 형태이다.
- ② 평면계획상 외부로 통하는 출입구의 설치가 곤란하다.
- ③ 작업동선이 길고 조리면적은 좁지만 다수의 인원이 함께 작업할 수 있다.
- ④ 가장 간결하고 기본적인 설계형태로 길이가 4.5m 이상이 되면 동선이 비효율적이다.
등록된 댓글이 없습니다.
4. 사무소 건축에서 유효율(rentable ratio)이 의미하는 것은?
- ① 연면적에 대한 대실면적의 비율
- ② 건축면적에 대한 대실면적의 비율
- ③ 대지면적에 대한 대실면적의 비율
- ④ 기준층 면적에 대한 대실면적의 비율
등록된 댓글이 없습니다.
5. 고층건물의 스모크 타워(Smoke Tower)에 관한 설명으로 옳은 것은?
- ① 보일러실의 굴뚝의 보조설비이다.
- ② 화재시 연기를 배출시키기 위하여 설치한다.
- ③ 쿨링타워의 보조설비로서 옥상층에 설치한다.
- ④ 주방조리대 상부에 설치하여 냄새, 연기, 수증기 등을 흡출하는 설비이다.
등록된 댓글이 없습니다.
6. 포스트모더니즘의 전축가로 “건축의 복합성과 대립성(Complexity and Contradiction in Architecture)"이라는 저서를 쓴 건축가는?
- ① 다니엘 번함
- ② 조셉 팍스턴
- ③ 로버트 벤츄리
- ④ 피터 아이젠만
등록된 댓글이 없습니다.
7. 극장건축의 관련 제실에 관한 설명으로 옳지 않은 것은?
- ① 앤티 룸(anti room)은 출연자들이 출연 바로 직전에 기다리는 공간이다.
- ② 그린 룸(green room)은 출연자 대기실을 말하며 주로 무대 가까운 곳에 배치한다.
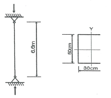
- ③ 배경제작실의 위치는 무대에 가까울수록 편리하며, 제작 중의 소음을 고려하여 차음설비가 요구된다.
- ④ 의상실은 실의 크기가 1인당 최고 8m2이 필요하며, 그린룸이 있는 경우 무대와 동일한 층에 배치하여야 한다.
등록된 댓글이 없습니다.
8. 기업체가 자사제품의 홍보, 판매 촉진 등을 위해 제품 및 기업에 관한 자료를 소비자들에게 직접 호소하여 제품의 우위성을 인식시키는 전시공간은?
- ① 쇼룸
- ② 런드리
- ③ 프로세니움
- ④ 인포메이션
등록된 댓글이 없습니다.
9. 아파트의 평면형식에 관한 설명으로 옳지 않은 것은?
- ① 집중형은 대지의 이용률이 높다.
- ② 편복도형은 각 세대의 거주성이 균일한 배치구성이 가능한 유형이다.
- ③ 계단실형은 각 세대가 양쪽으로 개구부를 계획할 수 있는 관계로 통풍이 양호하다.
- ④ 중복도형은 엘리베이터를 공동으로 사용하는 주호의 한정으로 인하여 고층형에는 불리하다.
등록된 댓글이 없습니다.
10. 학교건축의 배치계획 중 분산병렬형에 관한 설명으로 옳지 않은 것은?
- ① 일종의 핑거 플랜이다.
- ② 넓은 부지를 필요로 한다.
- ③ 일조ㆍ통풍 등 교실의 환경 조건이 불균등하다.
- ④ 구조계획이 간단하고 규격형의 이용도 편리하다.
등록된 댓글이 없습니다.
11. 공연장의 객석 계획에서 잘 보이는 동시에 실제적으로 관객을 수용해야 하는 공연장에서 큰 무리가 없는 거리인 제1차 허용거리의 한도는?
- ① 15m
- ② 22m
- ③ 38m
- ④ 52m
등록된 댓글이 없습니다.
12. 상점 매장의 가구배치에 따른 평면 유형에 관한 설명으로 옳지 않은 것은?
- ① 직렬형은 부분별로 상품 진열이 용이하다.
- ② 굴절형은 대면판매 방식만 가능한 유형이다.
- ③ 환상형은 다면판매와 측면판매 방식을 병행할 수 있다.
- ④ 복합형은 서점, 패션점, 악세사리점 등의 상점에 적용이 가능하다.
등록된 댓글이 없습니다.
13. 고려시대 주심포 양식에 관한 설명으로 옳지 않은 것은?
- ① 우미량을 사용하였다.
- ② 기둥 위에만 공포가 배치되었다.
- ③ 소로는 비교적 자유스럽게 배치되었다.
- ④ 기둥 위에 창방과 평방을 놓고 그 위에 공포를 배치 하였다.
등록된 댓글이 없습니다.
14. 1주간의 평균 수업시간이 30시간인 어느 학교의 설계제도 교실이 사용되는 시간은 24시간이다. 그 중 6시간은 다른 과목을 위해 사용된다. 설계제도교실의 이용률과 순수율은 각각 얼마인가?
- ① 이용률 80%, 순수율 25%
- ② 이용률 80%, 순수율 75%
- ③ 이용률 60%, 순수율 25%
- ④ 이용률 60%, 순수율 75%
등록된 댓글이 없습니다.
15. 주택단지안의 건축물에 설치하는 계단의 유효폭은 최소 얼마 이상이어야 하는가? (단, 공동으로 사용하는 계단의 경우)
- ① 0.9m
- ② 1.2m
- ③ 1.5m
- ④ 1.8m
등록된 댓글이 없습니다.
16. 7층 이상의 공동주택에 설치하는 화물용승강기에 관한 설명으로 옳지 않은 것은?
- ① 적재하중이 0.9톤 이상이어야 한다.
- ② 계단실형인 공동주택의 경우에는 계단실마다 설치한다.
- ③ 승강기의 폭 또는 너비 중 한변은 1.35m 이상, 다른 한변은 1.6m 이상으로 한다.
- ④ 복도형인 공동주택의 경우에는 300세대까지 1대를 설치하되, 300세대를 넘는 경우에는 100세대마다 1대를 추가로 설치한다.
등록된 댓글이 없습니다.
17. 다음 설명에 알맞은 공장건축의 레이아웃 형식은?

- ① 고정식 레이아웃
- ② 혼성식 레이아웃
- ③ 공정중심의 레이아웃
- ④ 제품중심의 레이아웃
등록된 댓글이 없습니다.
18. 다음 중 호텔의 성격상 연면적에 대한 숙박면적의 비가 가장 큰 것은?
- ① 리죠트 호텔
- ② 커머셜 호텔
- ③ 클럽 하우스
- ④ 레지덴셜 호텔
등록된 댓글이 없습니다.
19. 병원의 간호사 대기소에 관한 설명으로 옳지 않은 것은?
- ① 병실군의 한쪽 끝에 위치시켜 복도의 상황을 쉽게 알 수 있도록 한다.
- ② 간호사 대기소에서 병실군까지 보행하는 거리를 24m 이내가 되도록 한다.
- ③ 1개의 간호사 대기소에서 관리할 수 있는 병상수는 30~40개 이하로 한다.
- ④ 계단이나 엘리베이터홀 등에 가능한 안 인접시켜 외부인의 출입을 감시할 수 있도록 한다.
등록된 댓글이 없습니다.
20. 도서관 출납시스템에 관한 설명으로 옳지 않은 것은?
- ① 폐가식은 대규모 도서관에 적합한 유형이다.
- ② 반개가식은 새로 출간된 신간 서적 안내에 채용된다.
- ③ 안전개가식은 서가 열람이 가능하여 도서를 직접 뽑을 수 있다.
- ④ 자유개가식은 이용자가 자유롭게 도서를 꺼낼 수 있으나 열람석으로 가기 전에 관원에게 체크를 받는 형식이다.
등록된 댓글이 없습니다.
2과목 : 건축시공
21. 블록조 벽체에 와이어 메시를 가로줄눈에 묻어 쌓기도 하는데 이에 관한 설명 중 틀린 것은?
- ① 전단작용에 대한 보강이다.
- ② 수직하중을 분산시키는데 유리하다.
- ③ 블록과 모르타르의 부착을 좋게 하기 위한 것이다.
- ④ 교차부의 균열을 방지하는데 유리하다.
등록된 댓글이 없습니다.
22. 사질토의 경우 표준관입시험의 타격횟수 N이 50 이면 이 지반의 상태(모래의 상대밀도)는?
- ① 몹시 느슨하다.
- ② 느슨하다.
- ③ 보통이다.
- ④ 다진 상태이다.
등록된 댓글이 없습니다.
23. 철판과 철판이 겹치는 부분 등을 용접하는 것으로 모재에 개선 등의 사전 가공을 하지 않고 가능한 용접은?
- ① 홍용접
- ② 가스압점
- ③ 맞댐용접
- ④ 모살용접
등록된 댓글이 없습니다.
24. 웰포인트(Well point)공법에 관한 설명 중 틀린 것은?
- ① 인접 대지에서 지하수위 저하로 우물 고갈의 우려가 있다.
- ② 투수성이 비교적 낮은 사질실트층까지도 강제배수가 가능하다.
- ③ 압밀침하가 발생하지 않아 주변 대지, 도로 등위 균열 발생 위험이 없다.
- ④ 흙의 안전성을 대폭 향상시킨다.
등록된 댓글이 없습니다.
25. 프리패브 건축, 커튼월 공법에 따른 건축물에서 각 부분의 접합부 특히 스틸 새시의 부위틈새 및 균열부 보수 등에 많이 이용되는 방수 공법은?
- ① 아스팔트 방수
- ② 시트 방수
- ③ 도막방수
- ④ 실링재 방수
등록된 댓글이 없습니다.
26. 철근콘크리트 공사에 사용되는 거푸집 중 갱폼(Gang Form)의 특징으로 틀린 것은?
- ① 기능공의 기능도에 따라 시공 정밀도가 크게 좌우된다.
- ② 대형장비가 필요하다.
- ③ 초기 투자비가 과다하다.
- ④ 거푸집의 대형화로 이음부위가 감소한다.
등록된 댓글이 없습니다.
27. 건축시공 계약제도 중 직영제도(Direct management system)에 관한 사항 중 틀린 것은?
- ① 공사내용 및 시공과정이 단순할 때 많이 채용된다.
- ② 확실성 있는 공사를 할 수 있다.
- ③ 입찰 및 계약의 번잡한 수속을 피할 수 있다.
- ④ 공사비의 절감과 공기 단축이 용이한 제도이다.
등록된 댓글이 없습니다.
28. 수밀콘크리트의 재료 및 시공에 관한 설명 중 틀린 것은?
- ① 수영장, 지하실 등 압력수가 작용하는 구조물에 시공하는 콘크리트이다.
- ② 골재는 입도분포가 고르고 흡수성이 작고 밀도가 큰 것을 사용한다.
- ③ 콘크리트내의 기포는 수밀성을 저하시키므로 AE제를 사용하지 않는다.
- ④ 콘크리트의 다짐을 충분히 하며 가급적 이어치기 하지 않는다.
등록된 댓글이 없습니다.
29. 다음 그림과 같은 줄기초파기의 파낸 토량은 얼마인가? (단, 토량환산계수 L=1.2 임)

- ① 96 m3
- ② 115.2 m3
- ③ 130.7 m3
- ④ 145.9 m3
등록된 댓글이 없습니다.
30. QC(Quality Control) 활동의 도구가 아닌 것은?
- ① 기능 계통도
- ② 산점도
- ③ 히스토그램
- ④ 특정요인도
등록된 댓글이 없습니다.
31. 콘크리트 중 공기량의 변화에 관한 설명으로 옳은 것은?(오류 신고가 접수된 문제입니다. 반드시 정답과 해설을 확인하시기 바랍니다.)
- ① AE제의 혼입량이 증가하면 공기량도 증가한다.
- ② 시멘트 분말도 및 단위시멘트량이 증가하면 공기량은 증가한다.
- ③ 잔골재 중의 0.15 ~ 0.3mm의 골재가 많으면 공기량은 감소한다.
- ④ 콘크리트의 온도가 낮으면 공기량은 증가한다.
등록된 댓글이 없습니다.
32. 콘크리트 공사에서 콘크리트의 압축강도를 시험하지 않을 경우 거푸집널의 해체시기로 옳은 것은? (단, 조강 포틀랜드 시멘트를 사용한 기둥으로서 평균 기온이 20℃ 이상인 경우)
- ① 1일 이상
- ② 2일 이상
- ③ 3일 이상
- ④ 4일 이상
등록된 댓글이 없습니다.
33. 벽돌벽의 균열 원인과 가장 관계가 먼 것은?
- ① 기초의 부동침하
- ② 내력벽의 불균형 배치
- ③ 상하 개구부의 수직선상 배치
- ④ 벽돌 및 모르타르의 강도 부족과 신축성
등록된 댓글이 없습니다.
34. 포틀랜드시멘트 화학성분 중 1일 이내 수화를 지배하며 응결이 가장 빠른 것은?
- ① 알루민산 3석회
- ② 알루민산철 4석회
- ③ 규산3석회
- ④ 규산2석회
등록된 댓글이 없습니다.
35. 다음 기술 내용 중 열교(Thermak Bridge)와 관련 없는 것은?
- ① 외벽, 바닥 및 지붕에서 단열이 연속되지 않는 부분이 있을 때 발생한다.
- ② 벽체와 지붕 또는 바닥과의 접합부위에서 발생한다.
- ③ 열교발생으로 인한 피해는 표면결로 발생이 있다.
- ④ 열교방지를 위해서는 외단열 시공을 하여서는 안된다.
등록된 댓글이 없습니다.
36. 건축공사에서 활용되는 견적방법 중 가장 정확한 공사비의 산출이 가능한 견적방법은?
- ① 명세견적
- ② 개산견적
- ③ 입찰견적
- ④ 실행견적
등록된 댓글이 없습니다.
37. 콘크리트의 시공연도에 영향을 주는 요인에 대한 설명으로 틀린 것은?
- ① 포졸란이나 플라이애시 등을 사용하면 시공연도가 증가한다.
- ② 굵은골재 사용 시 쇄석을 사용하면 시공연도가 증가한다.
- ③ 풍화된 시멘트를 사용하면 시공연도가 감소한다.
- ④ 비빔시가니 과도하면 시공연도가 감소한다.
등록된 댓글이 없습니다.
38. 벽돌공사 중 창대쌓기에서 창대 벽돌은 공사시방에 정한바가 없을 때에는 그 윗면을 몇 도의 경사로 옆세워 쌓는가?
- ① 10°
- ② 15°
- ③ 20°
- ④ 25°
등록된 댓글이 없습니다.
39. 각 부재에 대한 콘크리트량 산출방법으로서 틀린 것은?
- ① 기둥 : 기둥 단면적 × 슬래브 두께를 포함한 층 높이
- ② 계단 : 길이 × 평균 두께 × 계단폭
- ③ 보 : 보폭 × 바닥판 두께를 뺀 보충 × 내부유효길이
- ④ 연속기초 : 단면적 × 중심 연장길이
등록된 댓글이 없습니다.
40. 건축공사에서 각 공종별 공사계획의 특성으로 틀린 것은?
- ① 준비기간이란 공사계약일로부터 규준틀 설치, 기초파기등의 직접 공사가 착수될 때까지의 기간을 말한다.
- ② 기초공사는 시공 중 돌발적인 사태가 발생하는 경우가 많고, 지층이 예상과 달라 일정계획상 차질을 빚을 수 있다.
- ③ 골조공사는 공기단축을 위하여 긴급공사가 불가능하다.
- ④ 마감공사는 방수, 미장, 타일, 도장 등 수많은 공종이 관련되고 설비공사와도 병행된다.
등록된 댓글이 없습니다.
3과목 : 건축구조
41. 그림과 같은 구조물에 있어 AB 부재의 재단모멘트 MAB는?

- ① 0.5kNㆍm
- ② 1kNㆍm
- ③ 1.5kNㆍm
- ④ 2kNㆍm
등록된 댓글이 없습니다.
42. 그림과 같은 T자형 단면에서 x축으로부터 단면의 중심 0점까지의 거리 는?

- ① 15cm
- ② 30cm
- ③ 37.5cm
- ④ 41.25cm
등록된 댓글이 없습니다.
43. 모살용접에서 접합부의 얇은 쪽 모재 두께가 13mm일 경우 모상용접의 최소 사이즈는 얼마인가? (단, KBC2009기준)
- ① 3mm
- ② 5mm
- ③ 6mm
- ④ 8mm
등록된 댓글이 없습니다.
44. 다음 그림은 강도설계법에서 단근 직사각형보의 응력도를 나타낸 것이다. 응력중심간 거리(d - a/2)로 옳은 것은? (단, fck =21MPa, fy=300MPa, b=300mm, d=540mm, As=1161mm2)

- ① 524.4mm
- ② 507.5mm
- ③ 486.8mm
- ④ 472.4mm
등록된 댓글이 없습니다.
45. 다음 부정정 구조물의 A단 수직반력은?

- ①

- ②

- ③

- ④

등록된 댓글이 없습니다.
46. 단면이 b=350mm, h=700mm인 장방형 보의 균열모멘트(Mcr)는 얼마인가? (단, 보의 휨파괴 강도 fr=3MPa)
- ① 85.75kNㆍm
- ② 95.75kNㆍm
- ③ 105.75kNㆍm
- ④ 115.75kNㆍm
등록된 댓글이 없습니다.
47. 그림과 같이 양단이 회전단인 부재의 좌굴측에 대한 세장비는?

- ① 76.21
- ② 84.28
- ③ 94.64
- ④ 103.77
등록된 댓글이 없습니다.
48. 등가정적해석법에 의한 건축물의 내진설계 시 고려해야 할 사항이 아닌 것은?
- ① 지역계수
- ② 지반종류
- ③ 노풍도 계수
- ④ 반응수정계수
등록된 댓글이 없습니다.
49. 철근콘크리트의 보강철근에 대한 설명으로 틀린 것은?
- ① 보강철근으로 보강하지 않은 콘크리트는 인장강도가 낮아서 취성(brittle)거동을 한다.
- ② 보강철근은 콘크리트의 크리프를 감소시키고 균열의 폭을 최소화시킨다.
- ③ 이형철근은 원형강봉의 표면에 둘기를 만들어 철근과 콘크리트의 부착력을 최대가 되도록 한 것이다.
- ④ KS에서 철근의 번호는 inch단위의 공칭지름을 8로 나눈값을 의미한다.
등록된 댓글이 없습니다.
50. 그림과 같이 양단이 고정된 강재 부재에 온도가 △T=30℃ 증가될 때 이 부재에 걸리는 압축응력은 얼마인가? (단, 강재의 탄성계수 Es=2.0×105MPa, 부재 단면적은 5000mm2, 선팽창 계수α=1.2×10-5/℃ 이다.)
- ① 25MPa
- ② 48MPa
- ③ 64MPa
- ④ 72MPa
등록된 댓글이 없습니다.
51. 보의 길이가 같은 캔틸레버보에서 작용하는 집중하중의 크기가 P1 = P2일 때, 보의 단면이 그림과 같다면 최대처짐 y1 : y2의 비는?

- ① 2 : 1
- ② 4 : 1
- ③ 8 : 1
- ④ 16 : 1
등록된 댓글이 없습니다.
52. 지반침하의 원인에 해당하지 않는 것은?
- ① 지하수의 지나친 양수
- ② 매립지반의 압축
- ③ 지반의 수평지지력의 과대
- ④ 지반 굴착에 의한 지반변위
등록된 댓글이 없습니다.
53. 벽돌구조에 대한 설명으로 틀린 것은?
- ① 석구조 및 블록구조와 함께 조적식 구조의 일종이다.
- ② 고층건물이나 대규모 건물에 적합하다.
- ③ 내화, 내구적이다.
- ④ 풍압력, 지진력 등에 약하다.
등록된 댓글이 없습니다.
54. 철근 콘크리트 단순보에서 순간탄성처짐이 0.9mm 이었다면 1년 뒤 이 부재의 총 처짐량을 구하면? (단, 시간경과계수 ξ=1.4, 압축철근비 ρ′=0.01071)
- ① 1.52mm
- ② 1.72mm
- ③ 1.92mm
- ④ 2.12mm
등록된 댓글이 없습니다.
55. 그림과 같은 모살용접의 유효길이는?

- ① 1.0cm
- ② 9.4cm
- ③ 10.7cm
- ④ 11.4cm
등록된 댓글이 없습니다.
56. 그림과 같은 ㄷ형강(Channel)에서 전단중심(剪斷中心)의 대략적인 위치는?

- ① A점
- ② B점
- ③ C점
- ④ D점
등록된 댓글이 없습니다.
57. 강도설계법에서 그림과 같은 띠철근을 가진 기둥의 설계 축하중 ∅Pn은 약 얼마인가? (단, fy=400MPa, fck=21MPa, 강도감소계수 ∅=0.65, 주근 : 8-D22(Ast=3096mm2), 띠철근 : D10@300, 보조띠철근 : D10@900)

- ① 2300kN
- ② 2200kN
- ③ 2100kN
- ④ 2000kN
등록된 댓글이 없습니다.
58. 다음 구조물의 판별로 옳은 것은?

- ① 불안전 구조물
- ② 정정 구조물
- ③ 1차 부정정구조물
- ④ 2차 부정정구조물
등록된 댓글이 없습니다.
59. 다음 그림과 같은 단순보에서 부재 길이가 2배로 증가할 때 보의 중앙점 최대 처짐은 몇 배로 증가되는가?

- ① 2배
- ② 4배
- ③ 8배
- ④ 16배
등록된 댓글이 없습니다.
60. 다음 그림과 같은 내민보에서 횜모멘트가 0이 되는 두개의 반곡점 위치를 구하면? (단, A점으로부터의 거리)

- ① x1=0.765m, x2=5.235m
- ② x1=0.785m, x2=5.215m
- ③ x1=0.805m, x2=5.195m
- ④ x1=0.825m, x2=5.175m
등록된 댓글이 없습니다.
4과목 : 건축설비
61. 표면결로의 방지대책으로 옳지 않은 것은?
- ① 실내에서 발생하는 수증기를 억제한다.
- ② 환기에 의해 실내 절대습도를 상승시킨다.
- ③ 단열강화에 의해 실내측 표면온도를 상승시킨다.
- ④ 직접가열에 의해 실내측 표면온도를 상승시킨다.
등록된 댓글이 없습니다.
62. 급수방식 중 수도직결방식에서 수도 본관의 압력은 다음의 식을 만족하여야 한다. 다음 식의 P1, P2, P3의 구성에 속하지 않는 것은? (단, P는 수도 본관이 압력이다.)

- ① 제일 높은 수도꼭지까지의 높이
- ② 제일 높은 수도꼭지까지의 배관길이
- ③ 제일 높은 수도꼭지까지의 관마찰손실
- ④ 제일 높은 수도꼭지에서 필요로 하는 압력
등록된 댓글이 없습니다.
63. 가스사용시설의 가스계량기에 관한 설명으로 옳지 않은 것은?
- ① 공동주택의 경우 가스계량기는 일반적으로 대피공간이나 주방에 설치된다.
- ② 가스계량기와 전기계량기와의 거리는 60cm 이상 유지하여야 한다.
- ③ 가스계량기와 전기개폐기와의 거리는 60cm 이상 유지하여야 한다.
- ④ 가스계량기와 화기(그 시설 안에서 사용하는 자체화기는 제외) 사이에 유지하여야 하는 거리는 2m 이상이어야 한다.
등록된 댓글이 없습니다.
64. 변전실에 관한 설명으로 옳지 않은 것은?
- ① 건축물의 최하층에 설치하는 것이 원칙이다.
- ② 용량의 증설에 대비한 면적을 확보할 수 있는 장소로 한다.
- ③ 사용부하의 중심에 가깝고, 간선의 배선이 용이한 곳으로 한다.
- ④ 변전실의 높이는 바닥 트렌치 및 무근 콘크리트 설치 여부 등을 고려한 유효높이로 한다.
등록된 댓글이 없습니다.
65. 수질과 관련된 용어 중 부유물질로서 오수 중에 현탁되어 있는 물질을 의미하는 것은?
- ① BOD
- ② COD
- ③ SS
- ④ 염소이온
등록된 댓글이 없습니다.
66. 광속이 2000[lm]인 백열전구로부터 2[m] 떨어진 책상에서 조도를 측정하였더니 200[lx]이었다. 이 책상을 백열전구로부터 4[m] 떨어진 곳에 놓고 측정하였을 때 조도는?
- ① 50[lx]
- ② 100[lx]
- ③ 150[lx]
- ④ 200[lx]
등록된 댓글이 없습니다.
67. 220[V], 200[W] 전열기를 110[V]에서 사용하였을 경우 소비전력은?
- ① 50[W]
- ② 100[W]
- ③ 200[W]
- ④ 400[W]
등록된 댓글이 없습니다.
68. 피뢰설비에서 수뢰부시스템의 설치시 사용되는 보호범위 산정방식에 속하지 않는 것은?
- ① 메시법
- ② 면적법
- ③ 보호각법
- ④ 회전구체법
등록된 댓글이 없습니다.
69. 900명을 수용하는 극장에서 실내 CO2량을 0.1%로 유지하기 위해 필요한 환기량은? (단, 외기 CO2량은 0.04%, 1인당 CO2 토출량은 18L/h 이다.)
- ① 27000 m3/h
- ② 30000 m3/h
- ③ 60000 m3/h
- ④ 66000 m3/h
등록된 댓글이 없습니다.
70. 카(car)가 최상층이나 최하층에서 정상 운행위치를 벗어나 그 이상으로 운행하는 것을 방지하는 엘리베이터 안전 장치는?
- ① 완충기
- ② 가이드 레일
- ③ 리미트 스위치
- ④ 카운터 웨이트
등록된 댓글이 없습니다.
71. 증기난방에 관한 설명으로 옳지 않은 것은?
- ① 계통별 용량제어가 곤란하다.
- ② 응축수 환수관 내에 부식이 발생하기 쉽다.
- ③ 방열기를 바닥에 설치하므로 복사난방에 비해 실내바닥의 유효면적이 줄어든다.
- ④ 온수난방에 비해 예열시간이 길어서 충분한 난방감을 느끼는데 시간이 걸린다.
등록된 댓글이 없습니다.
72. 급탕배관 계통에서 총손실열량이 30000W이고 급탕온도가 80℃, 반탕온도가 70℃라면 순환수량은? (단, 물의 비열은 4.2kJ/kgㆍK, 물의 밀도는 1kg/L 이다.)
- ① 약 43 L/min
- ② 약 56 L/min
- ③ 약 66 L/min
- ④ 약 72 L/min
등록된 댓글이 없습니다.
73. 수송설비에 사용되는 밀도율에 관한 설명으로 옳지 않은 것은?
- ① 건물 내 수송설비에 의한 서비스 등급을 판정하는데 사용된다.
- ② 밀도율이 높을수록 서비스 수준이 양호하다는 것을 나타낸다.
- ③ 백화점과 같이 승객의 서비스를 주목적으로 하는 건축물에 사용된다.
- ④ 1시간의 수송능력에 대한 2층 이상의 유효바닥면적의 비율로 산정한다.
등록된 댓글이 없습니다.
74. 2중효용 흡수식 냉동기에 관한 설명으로 옳은 것은?
- ① 냉매로서 LiBr 수용액을 사용한다.
- ② LiBr 수용액의 농축을 위하여 증발기를 사용한다.
- ③ 발생기, 압축기, 흡수기, 증발기로 구성되어 있다.
- ④ 발생기는 저온발생기와 고온발생기로 구성되어 있다.
등록된 댓글이 없습니다.
75. 배수 트랩에 관한 설명으로 옳지 않은 것은?
- ① 내부 치수가 동일한 S트랩은 사용하지 않는 것이 좋다.
- ② 하나의 배수관에 직렬로 2개 이상의 트랩을 설치하지 않는다.
- ③ 수봉식 트랩은 중력식 배수방식에서 하수가스 침입방지 장치로서 안전하고 신뢰성이 높다.
- ④ 유수의 힘으로 가동부분이 열리고 유수가 끝나면 자동으로 닫히게 되는 구조의 것이 좋다.
등록된 댓글이 없습니다.
76. 공기조화방식 중 단일덕트 변풍량방식에 관한 설명으로 옳지 않은 것은?
- ① 전공기방식의 특성이 있다.
- ② 각 실이나 존의 온도를 개별제어할 수 있다.
- ③ 단일덕트 정풍량방식보다 설비비가 적게 든다.
- ④ 실내부하가 적어지면 송풍량을 줄일 수 있으므로 에너지 절감효과가 크다.
등록된 댓글이 없습니다.
77. 전력용 변압기 용량의 산정식으로 옳은 것은?
- ① 부하설비용량×부등률/부하율
- ② 부하설비용량×부하율/부등률
- ③ 부하설비용량×수용률/부등률
- ④ 부하설비용량×부등률/수용률
등록된 댓글이 없습니다.
78. 공조부하 계산시 현열과 잠열이 동시에 발생하는 것은?
- ① 인체의 발생열량
- ② 벽체로부터의 취득열량
- ③ 유리로부터의 취득열량
- ④ 덕트로부터의 취득열량
등록된 댓글이 없습니다.
79. 스프링클러 설치장소가 아파트인 경우, 스프링클러헤드의 기준개수는? (단, 폐쇄형 스프링클러헤드를 사용하는 경우)
- ① 10개
- ② 20개
- ③ 30개
- ④ 40개
등록된 댓글이 없습니다.
80. 직접조명방식에 관한 설명으로 옳은 것은?
- ① 조명률이 크다.
- ② 실내면 반사율의 영향이 크다.
- ③ 분위기를 중요시 하는 조명에 적합하다.
- ④ 발산광속 중 상향광속이 90~100%, 하향광속이 0~10% 정도이다.
등록된 댓글이 없습니다.
5과목 : 건축법규
81. 주차장법령상 기계식주차장의 세분에 속하지 않는 것은?
- ① 지하식
- ② 지평식
- ③ 건축물식
- ④ 공작물식
등록된 댓글이 없습니다.
82. 다음은 주차장 수급 실태 조사의 조사구역에 관한 설명이다. ( )안에 알맞은 것은?

- ① 100m
- ② 200m
- ③ 300m
- ④ 400m
등록된 댓글이 없습니다.
83. 건축물에 설치하는 피난안전구역의 구조 및 설비에 관한 기준 내용으로 옳지 않은 것은?
- ① 피난안전구역의 높이는 1.8m 이상일 것
- ② 피난안전구역의 내부마감재료는 불연재료로 설치할 것
- ③ 비상용 승강기는 피난안전구역에서 승하차 할 수 있는 구조로 설치할 것
- ④ 건축물의 내부에서 피난안전구역으로 통하는 계단은 특별피난계단의 구조로 설치할 것
등록된 댓글이 없습니다.
84. 저층주택을 중심으로 편리한 주거환경을 조성하기 위하여 주거지역을 세분화하여 지정한 지역은?
- ① 준주거지역
- ② 제1종 일반주거지역
- ③ 제2종 일반주거지역
- ④ 제3종 일반주거지역
등록된 댓글이 없습니다.
85. 국토의 계획 및 이용에 관한 법령상 아파트를 건축할 수 있는 지역은?
- ① 자연녹지지역
- ② 제1종 전용주거지역
- ③ 제2종 전용주거지역
- ④ 제1종 일반주거지역
등록된 댓글이 없습니다.
86. 건축물의 내부에 설치하는 피난계단의 구조에 관한 기준 내용으로 옳지 않은 것은?
- ① 계단의 유효너비는 0.9m 이상으로 할 것
- ② 계단실의 실내에 접하는 부분의 마감은 불연재료로 할 것
- ③ 계단은 내화구조로 하고 피난층 또는 지상까지 직접 연결되도록 할 것
- ④ 건축물의 내부에서 계단실로 통하는 출입구의 유효너비는 0.9m 이상으로 할 것
등록된 댓글이 없습니다.
87. 각 층의 바닥면적이 5000m2이고, 각 층의 거실면적이 3000m2인 14층 숙박시설에 설치하여야 하는 승용승강기의 최소 대수는? (단, 24인승 승용승강기를 설치하는 경우)
- ① 6대
- ② 7대
- ③ 12대
- ④ 13대
등록된 댓글이 없습니다.
88. 국토의 계획 및 이용에 관한 법령에 따른 기반시설 중 도로의 세분에 속하지 않는 것은?
- ① 고속도로
- ② 일반도로
- ③ 고가도로
- ④ 보행자전용도로
등록된 댓글이 없습니다.
89. 다음은 건축법령상 증축의 정의이다. ( )안에 포함되지 않는 것은?

- ① 층수
- ② 높이
- ③ 연면적
- ④ 대지면적
등록된 댓글이 없습니다.
90. 다음은 건축법령상 다세대주택의 정의이다. ( )안에 알맞은 것은?

- ① ㉠ 330m2, ㉡ 3개층
- ② ㉠ 330m2, ㉡ 4개층
- ③ ㉠ 660m2, ㉡ 3개층
- ④ ㉠ 660m2, ㉡ 4개층
등록된 댓글이 없습니다.
91. 공작물을 축조할 때 특별자치도지사 또는 시장ㆍ군수ㆍ구청장에세 신고를 하여야 하는 대상 공작물 기준으로 옳지 않은 것은?
- ① 높이 4m를 넘는 광고판
- ② 높이 6m를 넘는 기념탑
- ③ 높이 8m를 넘는 고가수조
- ④ 바닥면적 20m2를 넘는 지하대피호
등록된 댓글이 없습니다.
92. 지방건축위원회의 심의사항에 속하지 않는 것은?
- ① 건축선의 지정에 관한 사항
- ② 층수가 16층인 건축물의 건축에 관한 사항
- ③ 건축법에 따른 표준설계도서의 인정에 관한 사항
- ④ 판매시설의 용도로 쓰는 바닥면적의 합계가 5000m2인 건축물의 건축에 관한 사항
등록된 댓글이 없습니다.
93. 건축신고 대상건축물로서 착공신고를 할 때 토지굴착 및 옹벽도 중 흙막이 구조도면을 첨부하여야 하는 건축물은?
- ① 층수가 6층 이상인 건축물
- ② 지하 2층 이상의 지하층을 설치하는 건축물
- ③ 너비 12m 이상인 도로변에 지하층을 설치하는 건축물
- ④ 인접대지경계선으로부터 2m 이내에 지하층을 설치하는 건축물
등록된 댓글이 없습니다.
94. 다음의 용도변경 중 허가대상에 속하지 않는 것은?
- ① 영업시설군에서 주거업무시설군으로 용도변경
- ② 교육 및 복지시설군에서 영업시설군으로 용도변경
- ③ 주거업무시설군에서 문화 및 집회시설군으로 용도변경
- ④ 교육 및 복지시설군에서 문화 및 집회시설군으로 용도
등록된 댓글이 없습니다.
95. 건축물의 설비기준 등에 관한 규칙에 따라 피뢰설비를 설치하여야 하는 건축물의 높이 기준은?
- ① 10m
- ② 20m
- ③ 21m
- ④ 31m
등록된 댓글이 없습니다.
96. 공동주택 중 아파트로서 대피공간을 설치하여야 하는 경우, 대피공간의 바닥면적은 최소 얼마 이상이어야 하는가?(단, 입접 세대와 공동으로 설치하는 경우)
- ① 1m2
- ② 2m2
- ③ 3m2
- ④ 4m2
등록된 댓글이 없습니다.
97. 건축 분야의 건축사보 한 명 이상을 공사기간 동안 공사현장에서 감리업무를 수행하게 하여야 하는 건축공사의 바닥면적 기준은? (단, 축사 또는 작물 재배사의 건축공사는 제외)
- ① 바닥면적의 합계가 1000m2 이상인 건축공사
- ② 바닥면적의 합계가 2000m2 이상인 건축공사
- ③ 바닥면적의 합계가 5000m2 이상인 건축공사
- ④ 바닥면적의 합계가 10000m2 이상인 건축공사
등록된 댓글이 없습니다.
98. 부설주차장의 설치대상 시설물 종류와 설치기준의 연결이 옳은 것은?
- ① 판매시설 - 시설면적 100m2당 1대
- ② 위락시설 - 시설면적 150m2당 1대
- ③ 종교시설 - 시설면적 200m2당 1대
- ④ 숙박시설 - 시설면적 200m2당 1대
등록된 댓글이 없습니다.
99. 태양열을 주된 에너지원으로 이용하는 주택의 건축면적 산정시 기준이 되는 것은?
- ① 건축물 외벽의 외곽선
- ② 전체 외벽두께의 중심선
- ③ 건축물의 외벽 중 내측 내력벽의 중심선
- ④ 건축물의 외벽 중 외측 내력벽의 중심선
등록된 댓글이 없습니다.
100. 미관지구의 위치ㆍ환경 그 밖의 특성에 따른 미관의 유지에 필요한 범위안에서 도시ㆍ군계획조례로 정하는 사항에 속하지 않는 것은?
- ① 건폐율 및 용적률
- ② 부속건축물의 규모
- ③ 건축물의 높이 및 규모
- ④ 담장 및 대문의 형태 및 색채
등록된 댓글이 없습니다.