건축산업기사(2017. 8. 26.) 시험일자 : 2017년 8월 26일
1과목 : 건축계획
1. 주택의 욕실계획에 관한 설명으로 옳지 않은 것은?
- ① 방수성, 방오성이 큰 마감재료를 사용한다.
- ② 욕조, 세면기, 변기를 한 공간에 둘 경우 일반적으로 4m2정도가 적당하다.
- ③ 부엌에서 사용하는 물과는 성격이 다르므로 욕실과 부엌은 근접시키지 않도록 한다.
- ④ 욕실은 침실 전용으로 설치하는 것이 이상적이나 그러지 아니할 경우 거실과 각 침실에서 접근하기 쉽도록 한다.
등록된 댓글이 없습니다.
2. 사무소 건축에서 건물의 주요부분을 자기 전용으로 하고 나머지를 대실하는 형식을 무엇이라고 하는가?
- ① 전용 사무소
- ② 대여 사무소
- ③ 준전용 사무소
- ④ 준대여 사무소
등록된 댓글이 없습니다.
3. 타운하우스(town house)에 관한 설명으로 옳지 않은 것은?
- ① 각 세대마다 자동차의 주차가 용이하다.
- ② 프라이버시 확보를 위하여 경계벽 설치가 가능한 형식이다.
- ③ 일반적으로 1층에는 생활공간, 2층에는 침실, 서재 등을 배치한다.
- ④ 경사지를 이용하여 지형에 따라 건물을 축조하는 것으로 모든 세대 전면에 테라스가 설치된다.
등록된 댓글이 없습니다.
4. 전학급을 2분단으로 하고, 한 쪽이 일반교실을 사용할 때 다른 분단은 특별교실을 사용하는 형태의 학교운영방식은?
- ① 달톤형(D형)
- ② 플래툰형(P형)
- ③ 종합교실형(U형)
- ④ 교과교실형(V형)
등록된 댓글이 없습니다.
5. 상점의 공간을 판매공간, 부대공간, 파사드공간으로 구분할 경우, 다음 중 판매공간에 속하지 않는 것은?
- ① 통로공간
- ② 서비스공간
- ③ 상품전시공간
- ④ 상품관리공간
등록된 댓글이 없습니다.
6. 다음 중 단독주택 현관의 위치결정에 가장 주된 영향을 끼치는 것은?
- ① 용적률
- ② 건폐율
- ③ 주택의 규모
- ④ 도로의 위치
등록된 댓글이 없습니다.
7. 사무소 건축의 코어 계획에 관한 설명으로 옳지 않은 것은?
- ① 계단과 엘리베이터 및 화장실은 가능한 한 접근시킨다.
- ② 엘리베이터홀이 출입구문에 바싹 접근해 있지 않도록 한다.
- ③ 코어 내의 각 공간을 각 층마다 공통의 위치에 있도록 한다.
- ④ 편심 코어형은 기준층 바닥면적이 큰 경우에 적합하며 2방향 피난에 이상적이다.
등록된 댓글이 없습니다.
8. 주택의 다이닝 키친(dining-kitchen)에 관한 설명으로 옳지 않은 것은?
- ① 가사노동의 동선 단축효과가 있다.
- ② 공간을 효율적으로 활용할 수 있다.
- ③ 부엌에 식사공간을 부속시킨 형식이다.
- ④ 이상적인 식사공간 분위기 조성이 용이하다.
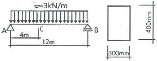
등록된 댓글이 없습니다.
9. 공동주택의 평면형식에 관한 설명으로 옳지 않은 것은?
- ① 집중형은 부지의 이용률이 높다.
- ② 계단실(홀)형은 동선이 짧아 출입이 편하다.
- ③ 중복도형은 통행부 면적이 작아 건물의 이용도가 높다.
- ④ 편복도형은 각 세대의 자연조건을 균등하게 할 수 있다.
등록된 댓글이 없습니다.
10. 단지계획에서 다음 설명에 알맞은 도로의 유형은?

- ① 격자형
- ② T자형
- ③ loop형
- ④ cul-de-sac형
등록된 댓글이 없습니다.
11. 상점 진열창 유리면의 반사를 방지하기 위한 대책으로 옳지 않은 것은?
- ① 곡면 유리를 사용한다.
- ② 유리를 사면으로 설치한다.
- ③ 진열창 내부의 조도를 외부 조도보다 낮게 한다.
- ④ 캐노피를 설치하여 진열창 외부에 그늘을 조성한다.
등록된 댓글이 없습니다.
12. 아파트 단위주거의 단면구성형식 중 스킵 플로어형에 관한 설명으로 옳지 않은 것은?
- ① 전체적으로 유효면적이 증가한다.
- ② 공용부분인 복도면적이 늘어난다.
- ③ 엘리베이터 정지층수를 줄일 수 있다.
- ④ 단면 및 입면상의 다양한 변화가 가능하다.
등록된 댓글이 없습니다.
13. 무창공장에 관한 설명으로 옳지 않은 것은?
- ① 공장 내 발생 소음이 작아진다.
- ② 온ㆍ습도 조절 유지비가 저렴하다.
- ③ 실내의 조도는 인공 조명에 의해 조절된다.
- ④ 외부로부터의 자극이 적어 작업 능률이 향상된다.
등록된 댓글이 없습니다.
14. 학교건축에서 블록플랜에 관한 설명으로 옳지 않은 것은?
- ① 관리부분의 배치는 전체의 중심이 되는 곳이 좋다.
- ② 클러스터형이란 복도를 따라 교실을 배치하는 형식이다.
- ③ 초등학교는 학년단위로 배치하는 것이 기본적인 원칙이다.
- ④ 초등학교 저학년은 될 수 있으면 1층에 있게 하며, 교문에 근접시킨다.
등록된 댓글이 없습니다.
15. 다음과 같은 조건에 있는 어느 학교 설계실의 순수율은?

- ① 25%
- ② 33%
- ③ 67%
- ④ 75%
등록된 댓글이 없습니다.
16. 백화점에 요구되는 대지조건과 가장 관계가 먼 것은?
- ① 일조, 통풍이 좋을 것
- ② 2면 이상이 도로에 면할 것
- ③ 사람이 많이 왕래하는 곳일 것
- ④ 역이나 버스정류장에서 가까울 것
등록된 댓글이 없습니다.
17. M.C(modular coordination)에 관한 설명으로 옳지 않은 것은?
- ① 공기가 길어진다.
- ② 현장작업이 단순해진다.
- ③ 설계 작업이 단순하고 간편해진다.
- ④ 대량생산이 용이하고 생산단가가 내려간다.
등록된 댓글이 없습니다.
18. 사무소 건축에서 엘리베이터 배치에 관한 설명으로 옳지 않는 것은?
- ① 일렬 배치는 8대를 한도로 한다.
- ② 교통동선의 중심에 설치하여 보행거리가 짧도록 배치한다.
- ③ 대면배치 시 대면거리는 동일 군 관리의 경우 3.5~4.5m로 한다.
- ④ 여러 대의 엘리베이터를 설치하는 경우, 그룹별 배치와 군 관리 운전방식으로 한다.
등록된 댓글이 없습니다.
19. 고층사무소 건축에서 그림과 같은 저층부분(A)을 설치하였을 경우, 장점으로 옳지 않은 것은?

- ① 대지의 효율적인 이용
- ② 사무실 이외의 복합기능 부여
- ③ 대지의 개방성 및 공공성 확보
- ④ 고층동에 대한 스케일감의 완화
등록된 댓글이 없습니다.
20. 한식주택에 관한 설명으로 옳지 않은 것은?
- ① 좌식생활 중심이다.
- ② 위치별 실의 분화이다.
- ③ 각 실은 단일용도이다.
- ④ 가구는 부차적 존재이다.
등록된 댓글이 없습니다.
2과목 : 건축시공
21. 공정계획에 관련된 용어에 관한 설명으로 옳지 않은 것은?
- ① 작업(activity) - 프로젝트를 구성하는 작업단위
- ② 결합점(node) - 네트워크의 결합점 및 개시점, 종료점
- ③ 소요시간(duration) - 작업을 수행하는데 필요한 시간
- ④ 플로트(float) - 결합점이 가지는 여유시간
등록된 댓글이 없습니다.
22. 한 켜 안에 길이쌓기와 마구리 쌓기를 번갈아 쌓아 놓고, 다음 켜는 마구리가 길이의 중심부에 놓이게 쌓는 벽돌쌓기법은?
- ① 영식 쌓기
- ② 불식 쌓기
- ③ 네덜란드식 쌓기
- ④ 미식 쌓기
등록된 댓글이 없습니다.
23. 국내에서 사용하는 고강도 콘크리트의 설계기준강도로 옳은 것은?
- ① 보통콘크리트 - 27MPa 이상, 경량콘크리트 - 21MPa 이상
- ② 보통콘크리트 - 30MPa 이상, 경량콘크리트 - 24MPa 이상
- ③ 보통콘크리트 - 33MPa 이상, 경량콘크리트 - 27MPa 이상
- ④ 보통콘크리트 - 40MPa 이상, 경량콘크리트 - 27MPa 이상
등록된 댓글이 없습니다.
24. 건설업의 종합건설업 제도(EC화 : Engineering construction)에 관한 정의로 옳은 것은?
- ① 종래의 단순한 시공업과 비교하여 건설사업의 발굴 및 기획, 설계, 시공, 유지관이에 이르기까지 사업 전반에 관한 것을 종합, 기획관리하는 업무영역의 확대를 말한다.
- ② 각 공사별로 나누어져 있는 토목, 건축, 전기, 설비, 철골, 포장 등의 공사를 1개 회사에서 시공하도록 하는 종합건설 면허제도이다.
- ③ 설계업을 하는 회사를 공사시공까지 할 수 있도록 업무 영역을 확대한 면허제도를 말한다.
- ④ 시공업체가 설계업까지 할 수 있게 하는 면허제도이다.
등록된 댓글이 없습니다.
25. 다음 중 건축용 단열재와 가장 거리가 먼 것은?
- ① 테라코타
- ② 펄라이트판
- ③ 세라믹 섬유
- ④ 연질섬유판
등록된 댓글이 없습니다.
26. 아스팔트방수에 비해 시멘트 액체방수의 우수한 점으로 볼 수 있는 것은?
- ① 외기에 대한 영향 정도
- ② 균열의 발생정도
- ③ 결함부 발견이 용이한 정도
- ④ 방수 성능
등록된 댓글이 없습니다.
27. 두께 1.0B로 벽돌벽 1m2을 쌓을 때 소요되는 벽돌의 매수는? (단, 표준형벽돌로써 벽돌치수 190×90×57mm, 할증율 3% 가산, 줄눈두께 10mm)
- ① 130매
- ② 149매
- ③ 154매
- ④ 177매
등록된 댓글이 없습니다.
28. 바차트와 비교한 네트워크 공정표의 장점이라고 볼 수 없는 것은?
- ① 작업상호간의 관련성을 알기 쉽다.
- ② 공정계획의 작성시간이 단축된다.
- ③ 공사의 진척관리를 정확히 실시할 수 있다.
- ④ 공기단축 가능요소의 발견이 용이하다.
등록된 댓글이 없습니다.
29. 강재의 인장시험결과, 하중을 가력하기 전의 표점거리가 100mm이고 실험 후 표점거리가 105mm로 늘어났다면, 이 강재의 변형률은?
- ① 0.05
- ② 0.06
- ③ 0.07
- ④ 0.08
등록된 댓글이 없습니다.
30. 108mm규격의 정사각형 타일을 줄눈폭 6mm로 붙일 때 1m2당 타일 매수(정미량)로 옳은 것은?
- ① 72매
- ② 73매
- ③ 75매
- ④ 77매
등록된 댓글이 없습니다.
31. 굳지 않은 콘크리트가 현장에 도착했을 때 실시하는 품질관리시험 항목이 아닌 것은?
- ① 염화물
- ② 조립률
- ③ 슬럼프
- ④ 공기량
등록된 댓글이 없습니다.
32. 실제의 건물을 지지하는 지반면에 재하판을 설치한 후 하중을 단계적으로 가하여 지반반력계수와 지반의 지지력 등을 구하는 시험은?
- ① 직접 전단시험
- ② 일축압축시험
- ③ 평판재하시험
- ④ 삼축압축시험
등록된 댓글이 없습니다.
33. 아스팔트 품질시험항목과 가장 거리가 먼 것은?
- ① 비표면적 시험
- ② 침입도
- ③ 감온비
- ④ 신도 및 연화점
등록된 댓글이 없습니다.
34. 계측관리 항목 및 기기가 잘못 짝지어진 것은?
- ① Piezometer - 지반내 간극수압의 증감을 측정
- ② Water level meter - 지하수위 변화를 실측
- ③ Tiltmeter - 인접구조물의 기울기변화를 측정
- ④ Load Cell - 지반의 투수계수를 측정
등록된 댓글이 없습니다.
35. 창호철물의 용도에 관한 설명으로 옳지 않은 것은?
- ① 나이트 래취(night latch) - 여닫이 문의 상하에 달려서 문의 회전축이 된다.
- ② 플로어 힌지(floor hinge) - 자동적으로 여닫이 속도를 조절한다.
- ③ 도어체크(door check) - 열려진 여닫이 문이 저절로 닫혀지게 한다.
- ④ 크레센트(crescent) - 오르내리 창을 잠그는데 쓰인다.
등록된 댓글이 없습니다.
36. 콘크리트에 방사형의 망상균열이 발생하는 가장 큰 원인은?
- ① 전단보강 부족
- ② 시멘트의 이상팽창
- ③ 인장철근량 부족
- ④ 시멘트의 수화열
등록된 댓글이 없습니다.
37. 일반경쟁입찰에 관한 설명으로 옳지 않은 것은?
- ① 담합의 우려가 줄어든다.
- ② 균등한 입찰참가의 기회가 부여된다.
- ③ 공정하고 자유로운 경쟁이 가능하다.
- ④ 공사비가 다소 비싸질 우려가 있다.
등록된 댓글이 없습니다.
38. 철골 용접작업 시 유의사항으로 옳지 않은 것은?
- ① 용접 자세는 아래보기자세, 수직자세 등 여러 가지가 있으나 일반적으로 하향자세로 하는 것이 좋다.
- ② 용접 전에 용접 모재 표면의 수분, 슬래그, 먼지 등 불순물을 제거한다.
- ③ 수축량이 작은 부분부터 용접하고 수축량이 가장 큰 부분은 최후에 용접한다.
- ④ 감전방지를 위해 안전홀더를 사용한다.
등록된 댓글이 없습니다.
39. 콘크리트 타설 후 실시하는 양생에 관한 설명으로 옳지 않은 것은?
- ① 경화초기에 시멘트의 수화반응에 필요한 수분을 공급한다.
- ② 직사광선, 풍우, 눈에 대하여 노출하여 실시한다.
- ③ 진동, 충격 등의 외력으로부터 보호한다.
- ④ 강도확보에 따른 적당한 온도와 습도환경을 유지한다.
등록된 댓글이 없습니다.
40. 목구조에 사용되는 보강철물과 사용개소의 조합으로 옳지 않은 것은?
- ① 안장쇠 - 큰보와 작은보
- ② ㄱ자쇠 - 평기둥과 층도리
- ③ 띠쇠 - 도대와 기둥
- ④ 감잡이쇠 - 왕대공과 평보
등록된 댓글이 없습니다.
3과목 : 건축구조
41. 그림과 같은 단순보에서 C점에 대한 휨응력은?

- ① 5MPa
- ② 6MPa
- ③ 7MPa
- ④ 8MPa
등록된 댓글이 없습니다.
42. 그림과 같은 트러스에서 응력이 일어나지 않는 부재수는?

- ① 4개
- ② 6개
- ③ 8개
- ④ 10개
등록된 댓글이 없습니다.
43. 그림과 같은 구조물의 부정정 차수는?

- ① 1차 부정정
- ② 2차 부정정
- ③ 3차 부정정
- ④ 4차 부정정
등록된 댓글이 없습니다.
44. 다음 그림과 같은 단순보의 B지점의 반력값은?

- ① ωL/6
- ② ωL/3
- ③ ωL
- ④ 2ωL
등록된 댓글이 없습니다.
45. fy=400MPa, fck=24MPa의 보통중량콘크리트를 사용한 표준갈고리를 갖는 인장이형철근(D22)의 기본정착 길이(lhb)는? (단, D22의 공칭지름은 22.2mm임)
- ① 352mm
- ② 385mm
- ③ 415mm
- ④ 435mm
등록된 댓글이 없습니다.
46. 다음 중 전달율을 이용하여 부정정 구조물을 해석하는 방법은?
- ① 처짐각법
- ② 모멘트 분배법
- ③ 변형일치법
- ④ 3연 모멘트법
등록된 댓글이 없습니다.
47. 철근 이음에 관한 설명으로 옳은 것은?
- ① 철근의 겹침 이음은 모든 직경의 철근이 가능하다.
- ② 용접 이음은 철근의 설계기준항복강도 fy의 100% 이상을 발휘할 수 있는 완전용접이어야 한다.
- ③ 기계적 연결은 철근의 설계기준항복강도 fy의 125% 이상을 발휘할 수 있는 완전 기계적 연결이어야 한다.
- ④ 휨부재에서 서로 직접 접촉되지 않게 겹침이음된 철근은 무시한다.
등록된 댓글이 없습니다.
48. 철근콘크리트 구조에 관한 설명으로 옳지 않은 것은?
- ① 철근의 피복두께는 주근의 중심으로부터 콘크리트 표면까지의 최단거리를 말한다.
- ② 철근의 표면상태와 단면모양에 따라 부착력이 좌우된다.
- ③ 단순보에 연직하중이 작용하면 중립축을 경계선으로 위쪽에는 압축응력이 발생한다.
- ④ 콘크리트와 철근이 강력히 부착되면 철근의 좌굴이 방지된다.
등록된 댓글이 없습니다.
49. 다음 그림에서 A점의 수직반력이 0이 되기 위해서는 등분포 하중의 크기를 얼마로 하면 되는가?

- ① 1kN/m
- ② 2kN/m
- ③ 3kN/m
- ④ 4kN/m
등록된 댓글이 없습니다.
50. 다음 그림은 철근콘크리트 보 단부의 단면이다. 복근비와 인장 철근비는? (단, D22 1개의 단면적은 387mm2임)

- ① 복근비 γ=2, 인장철근비 ρt=0.00717
- ② 복근비 γ=0.5, 인장철근비 ρt=0.00717
- ③ 복근비 γ=2, 인장철근비 ρt=0.00369
- ④ 복근비 γ=0.5, 인장철근비 ρt=0.00369
등록된 댓글이 없습니다.
51. 재료의 탄성계수를 옳게 표시한 것은?
- ①

- ②

- ③

- ④

등록된 댓글이 없습니다.
52. 조적식구조인 건축물 중 2층 건축물에 있어서 2층 내력벽의 최대 높이는 얼마인가?
- ① 3m
- ② 3.5m
- ③ 4m
- ④ 4.5m
등록된 댓글이 없습니다.
53. 그림과 같이 연직하중을 받는 트러스에서 부재의 부재력으로 옳은 것은?

- ①

- ②

- ③ 3kN
- ④ -3kN
등록된 댓글이 없습니다.
54. fy=350MPa, fck=24MPa를 사용한 콘크리트 보의 균형철근비(ρb)를 구하면?(오류 신고가 접수된 문제입니다. 반드시 정답과 해설을 확인하시기 바랍니다.)
- ① 0.010
- ② 0.012
- ③ 0.015
- ④ 0.018
등록된 댓글이 없습니다.
55. 그림과 같은 단순보에서 단면에 생기는 최대 전단 응력도를 구하면? (단, 보의 단면크기는 150×200mm)

- ① 0.5MPa
- ② 0.65MPa
- ③ 0.75MPa
- ④ 0.85MPa
등록된 댓글이 없습니다.
56. 힘의 개념에 관한 설명으로 옳지 않은 것은?
- ① 힘은 변위, 속도와 같이 크기와 방향을 갖는 백터의 하나이며, 3요소는 크기, 작용점, 방향이다.
- ② 힘은 물체에 작용해서 운동상태에 있는 물체에 변화를 일으키게 할 수 있다.
- ③ 물체에 힘의 작용 시 발생하는 가속도는 힘의 크기에 반비례하고 물체의 질량에 비례한다.
- ④ 강체에 힘이 작용하면 작용점은 작용선상의 임의의 위치에 옮겨 놓아도 힘의 효과는 변함없다.
등록된 댓글이 없습니다.
57. 휨모멘트 M=24kNㆍm를 받는 보의 허용휨응력이 12MPa일 경우 안전한 보의 개략적인 최소높이(h)를 구하면? (단, 보의 높이는 폭의 2배이다.)
- ① 200mm
- ② 300mm
- ③ 400mm
- ④ 500mm
등록된 댓글이 없습니다.
58. 보통중량콘크리트와 400MPa 철근을 사용한 양단 연속 1방향 슬래브의 스팬이 4.2m 일 때 처짐을 계산하지 않는 경우 슬래브의 최소 두께로 옳은 것은?
- ① 120mm
- ② 130mm
- ③ 140mm
- ④ 150mm
등록된 댓글이 없습니다.
59. 지름 300mm인 기성콘크리트말뚝을 시공하고자 한다. 말뚝의 최소 중심간격으로 가장 적당한 것은?
- ① 600mm
- ② 750mm
- ③ 900mm
- ④ 1000mm
등록된 댓글이 없습니다.
60. 용접개시점과 종료점에 용착금속에 결함이 없도록 하기 위하여 설치하는 보조재는?
- ① 뒷댐재
- ② 스캘럽
- ③ 엔드탭
- ④ 오버랩
등록된 댓글이 없습니다.
4과목 : 건축설비
61. 수ㆍ변전계통에서 지락 사고 발생 시 흐르는 영상전류를 검출하여 지락 계전기에 의하여 차단기를 동작시키는 것은?
- ① 단로기
- ② 영상 변압기
- ③ 영상 변류기
- ④ 계기용 변류기
등록된 댓글이 없습니다.
62. 배수 수직관 상부를 연장하여 대기에 개구한 통기관은?
- ① 신정통기관
- ② 습윤통기관
- ③ 각개통기관
- ④ 결합통기관
등록된 댓글이 없습니다.
63. 압력에 따른 도시가스의 분류에서 중압의 압력 범위로 옳은 것은?
- ① 0.1MPa 이상 1MPa 미만
- ② 0.1MPa 이상 10MPa 미만
- ③ 0.5MPa 이상 5MPa 미만
- ④ 0.5MPa 이상 10MPa 미만
등록된 댓글이 없습니다.
64. 벽체를 구성하는 재료의 열전도율 단위로 옳은 것은?
- ① W/mㆍK
- ② W/mㆍh
- ③ W/mㆍhㆍK
- ④ W/m2ㆍK
등록된 댓글이 없습니다.
65. 세정밸브식 대변기의 급수관 관경은 최소 얼마 이상으로 하는가?
- ① 15A
- ② 20A
- ③ 25A
- ④ 30A
등록된 댓글이 없습니다.
66. 같은 크기의 다른 보일러에 비해 전열면적이 크고 증기발생이 빠르며 고압증기를 만들기 쉬워서 대용량의 보일러로서 적당한 것은?
- ① 입형 보일러
- ② 수관 보일러
- ③ 노통 보일러
- ④ 관류 보일러
등록된 댓글이 없습니다.
67. 전압 220[V]를 가하여 10[A]의 전류가 흐르는 전동기를 5시간 사용하였을 때 소비되는 전력량[kWh]은?
- ① 5
- ② 11
- ③ 15
- ④ 22
등록된 댓글이 없습니다.
68. 취출구 방향을 상하좌우 자유롭게 조절할 수 있어 주방, 공장 등의 국부냉방에 적용되는 취출구는?
- ① 팬형
- ② 라인형
- ③ 핑거루버
- ④ 아네모스탯형
등록된 댓글이 없습니다.
69. 다음 중 배관을 직선으로 연결하는데 쓰이는 배관 부속류로만 구성된 것은?
- ① 플러그, 캡
- ② 엘보, 벤드
- ③ 크로스, 티
- ④ 소켓, 플랜지
등록된 댓글이 없습니다.
70. 금속관 배선공사에 관한 설명으로 옳지 않은 것은?
- ① 전선의 인입 및 교체가 어렵다.
- ② 철근콘크리트 매설공사에 사용된다.
- ③ 옥내, 옥외 등 사용 장소가 광범위하다.
- ④ 외부적 응력에 대해 전선보호의 신뢰성이 높다.
등록된 댓글이 없습니다.
71. 생물화학적 산소요구량(BOD) 제거율을 나타내는 식은?
- ①

- ②

- ③

- ④

등록된 댓글이 없습니다.
72. 수도본관에서 가장 높은 곳에 있는 수전까지의 높이가 30m인 경우, 수도본관의 최저 필요압력은? (단, 수전은 샤워기로 최소 필요압력은 70kPa, 배관 중 마찰손실은 5mAq이다.)
- ① 약 105kPa
- ② 약 210kPa
- ③ 약 420kPa
- ④ 약 630kPa
등록된 댓글이 없습니다.
73. 환기에 관한 설명으로 옳지 않은 것은?
- ① 온도차에 의해 환기가 이루어질 수 있다.
- ② 환기지표로는 이산화탄소가 사용되기도 한다.
- ③ 오염원이 있는 실은 급기 위주 방식을 사용한다.
- ④ 급기만을 송풍기로 하는 방식은 실내압이 정압이 된다.
등록된 댓글이 없습니다.
74. 정풍량 단일덕트 공조방식에 관한 설명으로 옳은 것은?
- ① 공조 대상실의 부하 변동에 따라 송풍량을 조절하는 전공기식 공조방식
- ② 실내에 설치한 팬코일 유닛에 냉수 또는 온수를 공급하여 공조하는 방식
- ③ 송풍량을 일정하게 하고 공조 대상실의 부하변동에 따라 송풍온도를 조절하는 전공기식 공조방식
- ④ 냉풍과 온풍의 2개 덕트를 사용하여 말단의 혼합 유닛으로 냉풍과 온풍을 혼합해 송풍하는 전공기식 공조방식
등록된 댓글이 없습니다.
75. 다음은 옥내소화전설비의 가압송수장치에 관한 설명이다. ( ) 안에 알맞은 것은? (단, 전동기에 따른 펌프를 이용하는 가압송수 장치의 경우)

- ① 0.17MPa
- ② 0.26MPa
- ③ 0.35MPa
- ④ 0.45MPa
등록된 댓글이 없습니다.
76. 급탕설비의 안전장치 중 보일러, 저탕조 등 밀폐 가열장치 내의 압력상승을 도피시키기 위해 설치하는 것은?
- ① 팽창관
- ② 용해전
- ③ 신축이음
- ④ 팽창밸브
등록된 댓글이 없습니다.
77. 빛을 발하는 점에서 어느 방향으로 향한 단위 입체 각당의 발산광속으로 정의되는 용어는?
- ① 광속
- ② 광도
- ③ 조도
- ④ 휘도
등록된 댓글이 없습니다.
78. 냉방부하의 산정 시 외벽 또는 지붕에서 일사의 영향을 고려한 온도는?
- ① 유효온도
- ② 평균복사온도
- ③ 상당외기온도
- ④ 대수평균온도
등록된 댓글이 없습니다.
79. 난방설비에서 온수난방과 비교한 증기난방의 특징으로 옳지 않은 것은?
- ① 배관 구경이나 방열기가 작아진다.
- ② 예열시간이 짧고 간헐 운전에 적합하다.
- ③ 건물 높이에 관계없이 증기를 쉽게 운반할 수 있다.
- ④ 증기의 유량제어가 용이하여 실내온도 조절이 쉽다.
등록된 댓글이 없습니다.
80. 단효용 흡수식 냉도기와 비교한 2중효용 흡수식 냉동기의 특징으로 옳은 것은?
- ① 저온 흡수기와 고온 흡수기가 있다.
- ② 저온 발생기와 고온 발생기가 있다.
- ③ 저온 응축기와 고온 응축기가 있다.
- ④ 저온 팽창밸브와 고온 팽창밸브가 있다.
등록된 댓글이 없습니다.
5과목 : 건축관계법규
81. 피뢰설비를 설치하여야 하는 대상 건축물의 높이 기준은?
- ① 10m 이상
- ② 15m 이상
- ③ 20m 이상
- ④ 30m 이상
등록된 댓글이 없습니다.
82. 건축법령상 리모델링이 쉬운 구조의 내용으로 옳지 않은 것은?
- ① 구조체에서 건축설비를 분리할 수 있을 것
- ② 구조체에서 구조재료를 분리할 수 있을 것
- ③ 구조체에서 내부 마감재료를 분리할 수 있을 것
- ④ 구조체에서 외부 마감재료를 분리할 수 있을 것
등록된 댓글이 없습니다.
83. 제1종 일반주거지역안에서 건축할 수 있는 건축물에 속하지 않는 것은?
- ① 노유자시설
- ② 공동주택 중 아파트
- ③ 제1종 근린생활시설
- ④ 교육연구시설 중 고등학교
등록된 댓글이 없습니다.
84. 피난안전구역의 구조 및 설비에 관한 기준 내용으로 옳지 않은 것은?
- ① 피난안전구역의 높이는 1.8m 이상일 것
- ② 피난안전구역의 내부마감재료는 불연재료로 설치할 것
- ③ 건축물의 내부에서 피난안전구역으로 통하는 계단은 특별피난계단의 구조로 설치할 것
- ④ 피난안전구역에는 식수공급을 위한 급수전을 1개소 이상 설치하고 예비전원에 의한 조명설비를 설치할 것
등록된 댓글이 없습니다.
85. 특별시나 광역시에 건축하려고 하는 경우, 특별시장이나 광역시장의 허가를 받아야 하는 대상 건축물의 연면적 기준은?
- ① 연면적의 합계가 1만 제곱미터 이상인 건축물
- ② 연면적의 합계가 5만 제곱미터 이상인 건축물
- ③ 연면적의 합계가 10만 제곱미터 이상인 건축물
- ④ 연면적의 합계가 20만 제곱미터 이상인 건축물
등록된 댓글이 없습니다.
86. 주차장법령상 다음과 같이 정의되는 주차장의 종류는?

- ① 부설주차장
- ② 노상주차장
- ③ 노외주차장
- ④ 기계식주차장
등록된 댓글이 없습니다.
87. 문화 및 집회시설 중 공연장의 개별관람석의 바닥면적이 1,000m2인 경우, 개별관람석 출구의 유효너비의 합계는 최소 얼마 이상으로 하여야 하는가?
- ① 1.5m
- ② 3.0m
- ③ 4.5m
- ④ 6.0m
등록된 댓글이 없습니다.
88. 다음 중 대수선의 범위에 속하지 않는 것은?
- ① 미관지구에서 건축물의 외부형태를 변경하는 것
- ② 다세대주택의 세대 내 간막이벽을 해체하는 것
- ③ 주계단ㆍ피난계단 또는 특별피난계단을 증설하는 것
- ④ 방화벽 또는 방화구획을 위한 바닥 또는 벽을 수선 또는 변경하는 것
등록된 댓글이 없습니다.
89. 다음은 대지 안의 공지에 관한 기준 내용이다. ( ) 안에 알맞은 것은?(오류 신고가 접수된 문제입니다. 반드시 정답과 해설을 확인하시기 바랍니다.)

- ① 2m
- ② 3m
- ③ 5m
- ④ 6m
등록된 댓글이 없습니다.
90. 어느 건축물의 연면적 중 주차장으로 사용되는 부분의 비율이 70% 이다. 이 건축물이 주차전용건축물이라면, 다음 중 이 건축물의 주차장 외로 사용되는 용도로 옳은 것은?(오류 신고가 접수된 문제입니다. 반드시 정답과 해설을 확인하시기 바랍니다.)
- ① 운동시설
- ② 의료시설
- ③ 수련시설
- ④ 교육연구시설
등록된 댓글이 없습니다.
91. 공작물을 축조하는 경우, 특별자치시장ㆍ특별자치도지사 또는 시장ㆍ군수ㆍ구청장에게 신고를 하여야 하는 대상 공작물에 속하지 않는 것은?
- ① 높이가 3m인 담장
- ② 높이가 5m인 굴뚝
- ③ 높이가 5m인 광고탑
- ④ 바닥면적이 35m2인 지하대피호
등록된 댓글이 없습니다.
92. 노외주차장인 주차전용건축물의 건축 제한에 관한 기준 내용으로 옳지 않은 것은?
- ① 용적률 : 1,500% 이하
- ② 높이 제한 : 30m 이하
- ③ 건폐율 : 100분의 90 이하
- ④ 대지면적의 최소한도 : 45m2 이상
등록된 댓글이 없습니다.
93. 부설주차장의 설치대상 시설물이 판매시설인 경우, 설치기준으로 옳은 것은?
- ① 시설면적 100m2당 1대
- ② 시설면적 150m2당 1대
- ③ 시설면적 200m2당 1대
- ④ 시설면적 300m2당 1대
등록된 댓글이 없습니다.
94. 다음은 건축물의 점검 결과 보고에 관한 기준 내용이다. ( ) 안에 알맞은 것은?

- ① 15일
- ② 30일
- ③ 60일
- ④ 90일
등록된 댓글이 없습니다.
95. 다중이용 건축물의 층수 기준으로 옳은 것은?
- ① 7층 이상
- ② 10층 이상
- ③ 15층 이상
- ④ 20층 이상
등록된 댓글이 없습니다.
96. 층수가 15층이고, 6층 이상의 거실면적의 합계가 10,000m2인 업무시설에 설치하여야 하는 승용승강기의 최소 대수는? (단, 8인승 승강기의 경우)
- ① 4대
- ② 5대
- ③ 6대
- ④ 7대
등록된 댓글이 없습니다.
97. 건축법령상 대지면적에 대한 건축면적의 비율로 정의되는 것은?
- ① 유효율
- ② 이용률
- ③ 용적률
- ④ 건폐율
등록된 댓글이 없습니다.
98. 건축물의 관람석 또는 집회실로부터 바깥쪽으로의 출구로 쓰이는 문을 안여닫이로 하여서는 안되는 대상 건축물에 속하지 않는 것은?
- ① 종교시설
- ② 위락시설
- ③ 판매시설
- ④ 장례시설
등록된 댓글이 없습니다.
99. 대통령령으로 정하는 용도와 규모의 건축물에 일반이 사용할 수 있도록 대통령령으로 정하는 기준에 따라 소규모 휴식시설 등의 공개 공지 또는 공개 공간을 설치하여야 하는 대상 지역에 속하지 않는 것은?
- ① 상업지역
- ② 준주거지역
- ③ 준공업지역
- ④ 일반공업지역
등록된 댓글이 없습니다.
100. 도시ㆍ군계획 수립 대상지역의 일부에 대하여 토지이용을 합리화하고 그 기능을 증진시키며 미관을 개선하고 양호한 환경을 확보하며, 그 지역을 체계적ㆍ계획적으로 관리하기 위하여 수립하는 도시ㆍ군관리계획은?
- ① 광역도시계획
- ② 지구단위계획
- ③ 도시ㆍ군기본계획
- ④ 입지규제최소구역계획
등록된 댓글이 없습니다.