전기공사산업기사(2008. 3. 2.) 시험일자 : 2008년 3월 2일
1과목 : 전기응용
1. 망간 건전지의 전해액은?
- ① NH4Cl
- ② NaOH
- ③ MnO2
- ④ CuSO4
등록된 댓글이 없습니다.
2. 효율 80%의 전열기로 1kWh의 전력을 소비하였을 때 10L의 물의 온도를 약 몇 ℃ 상승 시킬 수 있는가?
- ① 30
- ② 55
- ③ 63
- ④ 69
등록된 댓글이 없습니다.
3. 유도로에서 주강 500kg을 통전 30분 만에 158700kcal의 열량을 가하여 용해시켰다. 이때 소요 전력은 몇 kW인가? (단, 유도로의 효율은 75%로 한다)
- ① 119
- ② 158
- ③ 317
- ④ 492
등록된 댓글이 없습니다.
4. 온도 T[K]의 흑채에 단위 면적으로부터 단위 시간에 복사되는 전 복사 에너지(W)는 그 절대온도 T의 몇 제곱에 비례하는가?
- ① 5
- ② 4
- ③ 3
- ④ 2
등록된 댓글이 없습니다.
5. 다음 사이리스터 중 2단자 양방향 소자는?
- ① SCR
- ② LASCR
- ③ TRIAC
- ④ DIAC
등록된 댓글이 없습니다.
6. 제너 다이오드에 관한 설명 중 틀린 것은?
- ① 양(+)전압 소자이다.
- ② 인가되는 전압의 크기에 따라 전류 방향이 달라진다.
- ③ 양•음의 온도 계수를 가진다.
- ④ 과전류 보호용으로 사용된다.
등록된 댓글이 없습니다.
7. 전기 분해에서 패러데이의 법칙은 어느 것이 적합한가? (단, Q[C]=통과한 전기량, K=물질의 전기화학당량, W[g]=석출된 물질의 양, t=통과 시간 I=전류, E[V]=전압을 각각 나타낸다)
- ①

- ②

- ③ W = KQ = KIt
- ④ W = KEt
등록된 댓글이 없습니다.
8. rate 동작이라고도 하며 제어 오차가 검출될 때 오차가 변화하는 속도에 비례하여 조작량을 가감하도록 하는 동작은?
- ① 미분동작
- ② 비례 적분 동작
- ③ 적분 동작
- ④ 비례 동작
등록된 댓글이 없습니다.
9. 시속 100km/h의 열차가 반지름 1000m의 곡선 궤도를 주행할 때, 고도(㎜)는 약 얼마인가? (단, 궤간은 1435㎜이다.)
- ① 84
- ② 96
- ③ 107
- ④ 113
등록된 댓글이 없습니다.
10. 전동기의 토크 단위는?
- ① ㎏
- ② ㎏ㆍm2
- ③ ㎏ㆍm
- ④ ㎏ㆍm/s
등록된 댓글이 없습니다.
11. 전원으로 일그너 방식을 사용하는 것은?
- ① 냉동기형 가스 압축기
- ② 제지용 초지기
- ③ 시멘트 공장용 분쇄기
- ④ 제철용 압연기
등록된 댓글이 없습니다.
12. 3상 유도전동기의 회전방향을 반대로 하기 위한 방법으로 옳은 것은?
- ① A, B, C상의 기동권선의 접속을 바꾸어 준다.
- ② A, B, C상 중에서 어느 두 상의 접속을 바꾸어 준다.
- ③ 기동 권선은 그대로 둔다.
- ④ 내부 결선을 다시 해야 한다.
등록된 댓글이 없습니다.
13. 발광에 양광주를 이용하는 네온등은?
- ① 텅스텐 아크등
- ② 네온전구
- ③ 네온관등
- ④ 탄소 아크등
등록된 댓글이 없습니다.
14. 고주파 가열방식에서 유도가열의 용도는?
- ① 금속의 열처리
- ② 목제의 건조
- ③ 목재의 접착
- ④ 비닐막의 접착
등록된 댓글이 없습니다.
15. 평균구면광도 100cd의 전구 5개를 지름 10m인 원형의 사무실에 점등할 때, 조명률 0.5, 감광보상률을 1.5라 하면 사무실의 평균조도는 약 몇 lx인가?
- ① 3
- ② 9
- ③ 27
- ④ 40
등록된 댓글이 없습니다.
16. 전등 효율이 14lm/W인 100W 백열전구의 구면광도는 약 몇 cd인가?
- ① 119
- ② 111
- ③ 109
- ④ 101
등록된 댓글이 없습니다.
17. 자동 제어의 추치 제어에 속하지 않는 것은?
- ① 추종제어
- ② 프로세스제어
- ③ 프로그램제어
- ④ 비율제어
등록된 댓글이 없습니다.
18. 평행평판 전극 간에 유전체인 피열물을 삽입하고 고주파 전압을 인가하면 피열물 내 유전체손이 발생하여 발열하는 가열방식은?
- ① 저항가열
- ② 유도가열
- ③ 유전가열
- ④ 원자수소가열
등록된 댓글이 없습니다.
19. 전기철도에서 궤도(track)의 3요소가 아닌 것은?
- ① 궤도
- ② 침목
- ③ 도상
- ④ 구배
등록된 댓글이 없습니다.
20. 방의 폭이 X[m], 길이가 Y[m], 작업면으로부터 광원까지의 높이가 H[m]일 때 실지수 K는?
- ①

- ②

- ③

- ④

등록된 댓글이 없습니다.
2과목 : 전력공학
21. 송전 계통에서 1선 지락 고장 시 인접 통신선의 유도장해가 가장 큰 중성점 접지 방식은?
- ① 비접지
- ② 소호리액터 접지
- ③ 직접 접지
- ④ 고저항 접지
등록된 댓글이 없습니다.
22. 다음 중 원자로에서 독작용을 설명한 것으로 가장 알맞은 것은?
- ① 열중성자가 독성을 받는 것을 말한다.
- ② 54Xe135와 62Sn149가 인체에 독성을 주는 작용이다.
- ③ 열중성자 이용률이 저하되고 반응도가 감소되는 작용을 말한다.
- ④ 방사성 물질이 생체에 유해작용을 하는 것을 말한다.
등록된 댓글이 없습니다.
23. 전압이 정정값 이하로 되었을 때 동작하는 것으로서 단락고장검출 등에 사용되는 계전기는?
- ① 접지 계전기
- ② 부족전압 계전기
- ③ 역전력 계전기
- ④ 과전압 계전기
등록된 댓글이 없습니다.
24. 애자가 갖추어야 할 구비 조건으로 옳은 것은?
- ① 온도의 급변에 잘 견디고 습기도 잘 흡수해야 한다.
- ② 지지물에 전선을 지지할 수 있는 충분한 기계적 강도를 갖추어야 한다.
- ③ 비, 눈, 안개 등에 대해서도 충분한 절연저항을 가지며 누설전류가 많아야 한다.
- ④ 선로전압에는 충분한 절연내력을 가지며, 이상전압에는 절연내력이 매우 적어야 한다.
등록된 댓글이 없습니다.
25. 송전선에 댐퍼(damper)를 다는 목적은?
- ① 전선의 진동방지
- ② 전자유도 감소
- ③ 코로나의 방지
- ④ 현수애자의 경사 방지
등록된 댓글이 없습니다.
26. 공통 중성선 다중접지방식인 22.9[kV]계통에 있어서 사고가 생기면 정전이 되지 않도록 선로 도중이나 분기선에 보호장치를 설치하여 상호 보호 협조로 사고 구간만을 제거할 수 있도록 각 종 개폐기의 설치순서를 옳게 나열한 것은?
- ① 변전소 차단기 → 섹셔너라이저 → 리클로저 → 라인퓨즈
- ② 변전소 차단기 → 리클로저 → 라인퓨즈 → 섹셔너라이저
- ③ 변전소 차단기 → 섹셔너라이저 → 라인퓨즈 → 리클로저
- ④ 변전소 차단기 → 리클로저 → 섹셔너라이저 → 라인퓨즈
등록된 댓글이 없습니다.
27. 송전선로의 안정도 향상 대책으로 옳지 않은 것은?
- ① 고속도 재폐로 방식을 채용한다.
- ② 계통의 전달 리액턴스를 증가시킨다.
- ③ 중간조상방식을 채용한다.
- ④ 조속기의 작동을 빠르게 한다.
등록된 댓글이 없습니다.
28. 원자로 내에서 발생한 열에너지를 외부로 끄집어내기 위한 열매체를 무엇이라고 하는가?
- ① 반사체
- ② 감속재
- ③ 냉각재
- ④ 제어봉
등록된 댓글이 없습니다.
29. 송전선로에서 복도체를 사용하는 주된 이유는?
- ① 많은 전력을 보내기 위하여
- ② 코로나 발생을 억제하기 위하여
- ③ 전력손실을 적게 하기 위하여
- ④ 선로정수를 평형시키기 위하여
등록된 댓글이 없습니다.
30. 다음 중 송전선의 1선 지락 시 선로에 흐르는 전류를 바르게 나타낸 것은?
- ① 영상전류만 흐른다.
- ② 영상전류 및 정상 전류만 흐른다.
- ③ 영상전류 및 역상전류만 흐른다.
- ④ 영상전류, 정상전류 및 역상전류가 흐른다.
등록된 댓글이 없습니다.
31. 3상 3선식 가공 송전선로가 있다. 전선 한 가닥의 저항은 15[Ω], 리액턴스는 20[Ω]이고, 부하전류는 100[A], 부하역률은 0.8로 지상이다. 이때 선로의 전압강하는 약 몇 [V]인가?
- ① 2400
- ② 4157
- ③ 6062
- ④ 10500
등록된 댓글이 없습니다.
32. 차단기의 정격차단 시간은?
- ① 고장발생부터 소호까지의 시간
- ② 가동접촉자 시동부터 소호까지의 시간
- ③ 트립 코일 여자부터 가동접촉자 시동까지의 시간
- ④ 트립 코일 여자부터 소호까지의 시간
등록된 댓글이 없습니다.
33. 동일 송전선로에 있어서 1선 지락의 경우, 지락 전류가 가장 적은 중성점 접지방식은?
- ① 비접지방식
- ② 직접 접지방식
- ③ 저항 접지방식
- ④ 소호리액터 접지방식
등록된 댓글이 없습니다.
34. 전력용 콘덴서에서 방전코일의 역할은?
- ① 잔류전하의 방전
- ② 고조파의 억제
- ③ 역률의 개선
- ④ 콘덴서의 수명 연장
등록된 댓글이 없습니다.
35. 변전소의 역할에 대한 설명으로 옳지 않은 것은?
- ① 유효전력과 무효전력을 제어한다.
- ② 전력을 발생하고 분배한다.
- ③ 전압을 승압 또는 강압한다.
- ④ 전력조류를 제어한다.
등록된 댓글이 없습니다.
36. 피뢰기의 구비조건으로 옳지 않은 것은?
- ① 충격방전 개시 전압이 낮을 것
- ② 상용 주파 방전 개시 전압이 높을 것
- ③ 방전 내량이 작으면서 제한 전압이 높을 것
- ④ 속류 차단 능력이 충분할 것
등록된 댓글이 없습니다.
37. 출력 20[kW]의 전동기로서 총양정 10[m] 펌프 효율 0.75일 때 양수량은 몇[m3/min]인가?
- ① 9.18m3/min
- ② 9.85m3/min
- ③ 10.31m3/min
- ④ 11.0m3/min
등록된 댓글이 없습니다.
38. 부하역률이 cosø인 배전선로의 저항 손실은 같은 크기의 부하전력에서 역률 1일 때의 저항손실과 비교하면? (단, 역률 1일 때의 저항손실을 1로 한다.)
- ① cos2ø
- ② cosø
- ③ 1/cosø
- ④ 1/cos2ø
등록된 댓글이 없습니다.
39. 고압 가공 배전선로에서 고장, 또는 보수 점검 시, 정전 구간을 축소하기 위하여 사용되는 것은?
- ① 구분 개폐기
- ② 컷아웃 스위치
- ③ 캐치홀더
- ④ 공기 차단기
등록된 댓글이 없습니다.
40. 흡출관이 필요 없는 수차는?
- ① 프로펠러수차
- ② 카플란수차
- ③ 프란시스수차
- ④ 펠턴수차
등록된 댓글이 없습니다.
3과목 : 전기기기
41. 다음 중 변압기유가 갖추어야 할 조건으로 옳은 것은?
- ① 절연내력이 낮을 것
- ② 인화점이 높을 것
- ③ 유동성이 풍부하고 비열이 적어 냉각효과가 작을 것
- ④ 응고점이 높을 것
등록된 댓글이 없습니다.
42. 시라게 전동기의 특성과 가장 가까운 전동기는?
- ① 반발 전동기
- ② 동기 전동기
- ③ 직권 전동기
- ④ 분권 전동기
등록된 댓글이 없습니다.
43. 직류 분권 전동기의 운전 중 계자저항기의 저항을 증가하면 속도는 어떻게 되는가?
- ① 변하지 않는다.
- ② 증가한다.
- ③ 감소한다.
- ④ 정지한다.
등록된 댓글이 없습니다.
44. 2개의 사이리스터로 단상전파정류를 하여 90[V]의 직류 전압을 얻는데 필요한 최대 첨두역전압[V]은 약 얼마인가?
- ① 141
- ② 283
- ③ 365
- ④ 400
등록된 댓글이 없습니다.
45. 25[kW],125[V],1200[rpm]의 타여자발전기가 있다. 전기자 저항(브러시포함)은 0.04[Ω]이다. 정격상태에서 운전하고 있을 때 속도를 200[rpm]으로 늦추었을 경우 부하전류[A]는 어떻게 변화하는가? (단, 전기자 반작용은 무시하고 전기자 회로 및 부하저항 값은 변하지 않는다고 한다.)
- ① 21.8
- ② 33.3
- ③ 1,200
- ④ 2,125
등록된 댓글이 없습니다.
46. 직류 분권전동기의 공급 전압의 극성을 반대로 하면 회전 방향은 어떻게 되는가?
- ① 변하지 않는다.
- ② 반대로 된다.
- ③ 발전기로 된다.
- ④ 회전하지 않는다.
등록된 댓글이 없습니다.
47. 유도전동기의 슬립 s의 범위는?
- ① s<-1
- ② -1<s<0
- ③ 0<s<1
- ④ 1<s
등록된 댓글이 없습니다.
48. 변압기의 내부 고장 보호에 쓰이는 계전기는?
- ① 차동계전기
- ② OCR
- ③ 역상계전기
- ④ 접지계전기
등록된 댓글이 없습니다.
49. 동기 전동기에서 난조를 방지하기 위하여 자극면에 설치하는 권선은?
- ① 제동권선
- ② 계자권선
- ③ 전기자권선
- ④ 보상권선
등록된 댓글이 없습니다.
50. 부하에 관계없이 변압기에 흐르는 전류로서 자속만을 만드는 것은?
- ① 1차 전류
- ② 철손 전류
- ③ 여자 전류
- ④ 자화 전류
등록된 댓글이 없습니다.
51. 유도전동기의 제동법이 아닌 것은?
- ① 회생 제동
- ② 발전 제동
- ③ 역전 제동
- ④ 3상 제동
등록된 댓글이 없습니다.
52. 단상 직권 정류자 전동기는 그 전기자 권선의 권선수를 계자 권수에 비해서 특히 많게 하고 있는 이유를 설명한 것으로 옳지 않은 것은?
- ① 주자속을 작게 하고 토크를 증가하기 위하여
- ② 속도 기전력을 크게하기 위하여
- ③ 변압기 기전력을 크게하기 위하여
- ④ 역률 저하를 방지하기 위하여
등록된 댓글이 없습니다.
53. 단상 변압기 2대를 사용하여 3상 전원에서 2상 전압을 얻고자 할 때 가장 적합한 결선은?
- ① 스코트결선
- ② 대각결선
- ③ 2중3각결선
- ④ 포크결선
등록된 댓글이 없습니다.
54. 단상변압기에서 1차 전압은 3300[V]이고, 1차측 무부하 전류는 0.09[A], 철손은 115[W]이다. 이때 자화 전류[A]는 약 얼마인가?
- ① 0.072
- ② 0.083
- ③ 0.83
- ④ 0.93
등록된 댓글이 없습니다.
55. 3상 동기발전기의 단락비를 산출하는데 필요한 시험은?
- ① 외부특성시험과 3상 단락시험
- ② 돌발단락시험과 부하시험
- ③ 무부하 포화시험과 3상 단락시험
- ④ 대칭분의 리액턴스 측정시험
등록된 댓글이 없습니다.
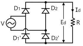
56. 그림의 단상 전파정류회로에서 교류측 공급전압 628sin314t, 직류측 부하저항 20[Ω]일 때의 직류측 부하전류의 평균치 Id[A] 및 직류측 부하전압의 평균치 Ed[V]는?

- ① Id=20, Ed=400
- ② Id=10, Ed=200
- ③ Id=14.1, Ed=282
- ④ Id=28.2, Ed=565
등록된 댓글이 없습니다.
57. 다음 정류 방식 중 맥동률이 가장 작은 방식은?
- ① 단상 반파 정류
- ② 단상 전파 정류
- ③ 3상 반파 정류
- ④ 3상 전파 정류
등록된 댓글이 없습니다.
58. 어떤 정류기의 부하 전압이 2000[V]이고 맥동률이 3[%]이면 교류분은 몇 [V]포함되어 있는가?
- ① 20
- ② 30
- ③ 60
- ④ 70
등록된 댓글이 없습니다.
59. 정격속도로 회전하고 있는 분권 발전기가 있다. 단자전압 100[V], 계자권선의 저항은 50[Ω], 계자 전류 2[A], 부하전류 50[A], 전기자저항 0.1[Ω]이다. 이때 발전기의 유기 기전력은 몇 [V]인가? (단, 전기자 반작용은 무시한다.)
- ① 100.2
- ② 104.8
- ③ 105.2
- ④ 125.4
등록된 댓글이 없습니다.
60. 3상 6극 슬롯수 54의 동기 발전기가 있다. 어떤 전기자 코일의 두 변이 제1슬롯과 제8슬롯에 들어 있다면 기본파에 대한 단절권 계수는 얼마인가?
- ① 0.6983
- ② 0.7848
- ③ 0.8749
- ④ 0.9397
등록된 댓글이 없습니다.
4과목 : 회로이론
61. 전달함수 C(S)=G(s)R(s)에서 입력함수를 단위 임펄스 즉, δ(t)로 가할 때 계의 응답은?
- ①

- ②

- ③

- ④

등록된 댓글이 없습니다.
62. 그림과 같은 회로에서 t=0인 순간에 스위치 S를 닫았다. 이 순간에 인덕턴스 L에 걸리는 전압은? (단, L의 초기 전류는 0이다.)

- ① 0
- ② E
- ③ LE/R
- ④ E/R
등록된 댓글이 없습니다.
63. R[Ω]의 3개의 저항을 전압 E[V]의 3상 교류 선간에 그림과 같이 접속할 때 선전류 [A]는 얼마인가?

- ① E / √3R
- ② √3E / R
- ③ E / 3R
- ④ 3E / R
등록된 댓글이 없습니다.
64. 그림과 같은 2단자 망에서 구동점 임피던스를 구하면?

- ①

- ②

- ③

- ④

등록된 댓글이 없습니다.
65. 그림과 같은 캠벨브리지(Campbell bridge)회로에 있어서 I2가 0이 되기 위한 C의 값은?

- ① 1/wL
- ② 1/w2L
- ③ 1/wM
- ④ 1/w2M
등록된 댓글이 없습니다.
66. 그림과 R-L-C 직렬회로에서 입력을 전압 ei(t) 출력을 전류 i(t)로 할 때 이 계의 전달함수는?

- ①

- ②

- ③

- ④

등록된 댓글이 없습니다.
67. 어떤 교류회로에 의 전압을 가할 때 회로에 흐르는 전류가 라 한다. 이 회로에서 소비되는 전력 [W]은?
- ① 4,254
- ② 3,256
- ③ 2,267
- ④ 1,767
등록된 댓글이 없습니다.
68. 대칭 3상 Y결선 부하에서 1상당의 부하 임피던스가 Z=16+j12[Ω] 이다. 부하전류가 10[A]일 때 이 부하의 선간전압은 약 몇 [V]인가?
- ① 200
- ② 245
- ③ 346
- ④ 375
등록된 댓글이 없습니다.
69. 그림과 같은 L형 회로의 4단자 ABCD 정수 중 A는?

- ①

- ②

- ③

- ④

등록된 댓글이 없습니다.
70. 단자전압의 각 대칭분 가 0이 아니고 같게 되는 고장의 전류는?
- ① 1선지락
- ② 선간단락
- ③ 2선지락
- ④ 3선단락
등록된 댓글이 없습니다.
71. 의 역 Laplace 변환을 구하면 어떻게 되는가?
- ① sin(ωt-θ)
- ② sin(ωt+θ)
- ③ cos(ωt-θ)
- ④ cos(ωt+θ)
등록된 댓글이 없습니다.
72. 파형이 반파 정류파일 때 파고율은?
- ① 1.0
- ② 1.57
- ③ 1.73
- ④ 2.0
등록된 댓글이 없습니다.
73. 정현파 교류 를 복소수의 극좌표 형식으로 표시하면?
- ①

- ②

- ③

- ④

등록된 댓글이 없습니다.
74. f(t)=sin+2cost를 라플라스 변환하면?
- ①

- ②

- ③

- ④

등록된 댓글이 없습니다.
75. 그림과 같은 이상변압기에 대하여 성립되지 아니하는 관계식은? (단, n1, n2는 1차 및 2차 코일의 권수, n은 권수비 : n=n1/n2)

- ①

- ②

- ③

- ④

등록된 댓글이 없습니다.
76. 리액턴스 2단자 회로망의 임피던스 함수 Z(jω)=jX(ω)라 놓을 때 는 어떻게 되는가?
- ①

- ②

- ③

- ④

등록된 댓글이 없습니다.
77. R-L 직렬회로에서 스위치 S를 닫아 직류전압 E[V]를 회로 양단에 급히 가한 후 L/R(초) 후의 전류 I[A] 값은?
- ①

- ②

- ③

- ④

등록된 댓글이 없습니다.
78. 다음 회로에서 부하 RL에 최대 전력이 공급될 때의 전력값이 5[W]라고 할 때 RL+Ri의 값은 몇 [Ω]인가? (단, Ri는 전원의 내부저항이다.)

- ① 5
- ② 10
- ③ 15
- ④ 20
등록된 댓글이 없습니다.
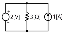
79. 그림과 같은 회로에서 선형저항 3[Ω] 양단의 전압은 몇 [V]인가?

- ① 4.5
- ② 3
- ③ 2.5
- ④ 2
등록된 댓글이 없습니다.
80. 그림과 같은 톱니파형의 실효값은?

- ① A / √3
- ② A / √2
- ③ A / 3
- ④ A / 2
등록된 댓글이 없습니다.
5과목 : 전기설비
81. 지선을 사용하여 그 강도를 분담시켜서는 아니 되는 가공전선로의 지지물은?
- ① 목주
- ② 철주
- ③ 철근콘크리트주
- ④ 철탑
등록된 댓글이 없습니다.
82. 지중전선로를 직접매설식에 의하여 시설하는 경우에는 그 매설깊이를 차량 기타 중량물의 압력을 받을 우려가 없는 장소에서는 몇 [㎝]이상으로 하면 되는가?
- ① 40
- ② 60
- ③ 80
- ④ 120
등록된 댓글이 없습니다.
83. 다음 중 옥내에 시설하는 저압전선으로 나전선을 사용하여서는 아니 되는 경우는?
- ① 애자 사용공사에 의하여 전개된 곳에 시설하는 전기로용 전선
- ② 이동 기중기에 전기를 공급하기 위하여 사용하는 접촉 전선
- ③ 합성 수지몰드공사에 의하여 시설하는 경우
- ④ 버스덕트 공사에 의하여 시설하는 경우
등록된 댓글이 없습니다.
84. 다음 중 저압 접촉전선을 절연 트롤리 공사에 의하여 시설하는 경우에 대한 기준으로 옳지 않은 것은? (단, 기계기구에 시설하는 경우가 아닌 것으로 한다.)
- ① 절연 트롤리선은 사람이 쉽게 접할 우려가 없도록 설할 것
- ② 절연 트롤리선의 개구부는 아래 또는 옆으로 항하여 시설할 것
- ③ 절연 트롤리선의 끝 부분은 충전부분의 노출되는 구조일 것
- ④ 절연 트롤리선은 각 지지점에서 견고하게 시설하는 것 이외에 그 양쪽 끝을 내장 인류장치에 의하여 견고하게 시설 할 것
등록된 댓글이 없습니다.
85. 진열장 안의 사용전압이 400[V] 미만인 저압 옥내배선으로 외부에서 보기 쉬운 곳에 한하여 시설 할 수 있는 전선은? (단, 진열장은 건조한 곳에 시설하고 또한 진열장 내부를 건조한 상태로 사용하는 경우이다.)
- ① 단면적이 0.75[mm2] 이상인 나전선 또는 캡타이어 케이블
- ② 단면적이 1.25[mm2] 이상인 코드 또는 절연전선
- ③ 단면적이 0.75[mm2] 이상인 코드 또는 캡타이어 케이블
- ④ 단면적이 1.25[mm2] 이상인 나전선 또는 다심형전선
등록된 댓글이 없습니다.
86. 다음 중 전로의 중성점 접지의 목적으로 거리가 먼 것은?
- ① 대지전압의 저하
- ② 이상전압의 억제
- ③ 손실전력의 감소
- ④ 보호장치의 확실한 동작의 확보
등록된 댓글이 없습니다.
87. 고압 가공전선이 가공 약전류전선 등과 접근하는 경우는 고압 가공전선과 가공 약전류전선 등 사이의 이격거리는 몇 [㎝]이 이상이어야 하는가? (단, 전선이 케이블인 경우)
- ① 15
- ② 30
- ③ 40
- ④ 80
등록된 댓글이 없습니다.
88. 다음 중 파이프라인 등에 발열선을 시설하는 기준에 대한 설명으로 옳지 않은 것은?
- ① 발열선에 전기를 공급하는 전로의 사용 전압은 저압일 것
- ② 발열선을 사람이 접촉할 우려가 없고 또한 손상을 받을 우려가 없도록 시설할 것
- ③ 발열선은 그 온도가 피 가열 액체에 발화 온도의 90[%]을 넘지 않도록 시설할 것
- ④ 발연선 또는 발연선에 직접 접속하는 전선의 피복에 사용하는 금속체⋅파이프라인 등에는 사용전압이400[V] 미만인 것에는 제3종 접지공사를 할 것
등록된 댓글이 없습니다.
89. 저압전로를 절연변압기로 결합하여 특별고압 가공전선로의 철탑 최상부에 설치한 항공 장해 등에 이르는 저압전로가 있다. 이 절연변압기의 부하측 1단자 또는 중성점에는 제 몇 종 접지공사를 하여야 하는가?
- ① 제1종 접지공사
- ② 제2종 접지공사
- ③ 제3종 접지공사
- ④ 특별 제3종 접지공사
등록된 댓글이 없습니다.
90. 가공전선로의 지지물에 시설하는 통신선 또는 이에 직접 접속하는 가공 통신선의 높이는 철도 또는 궤도를 횡단하는 경우에는 레일면상 몇 [m]이상으로 하여야 하는가?
- ① 3.5
- ② 4.5
- ③ 5.5
- ④ 6.5
등록된 댓글이 없습니다.
91. 유도장해를 방지하기 위하여 사용전압 60000[V] 이하인 가공 전선로의 유도전류는 전화선로의 길이 12[Km] 미다 몇 [μA] 를 넘지 않도록 하여야 하는가?
- ① 1
- ② 2
- ③ 3
- ④ 4
등록된 댓글이 없습니다.
92. 다음 ( ) 안에 알맞은 것은?

- ① 2.0
- ② 1.6
- ③ 1.2
- ④ 1.0
등록된 댓글이 없습니다.
93. 저압전로에서 그 전로에 지락이 생긴 경우에 0.5초 이내에 자동적으로 전로를 차단하는 장치를 시설하는 경우, 자동차단기의 정격감도전류가 200[mA]이면 특별 제3종 접지공사의 접지저항값은 몇 [Ω] 이하로 하여야 하는가? (단, 물기가 있는 장소인 경우이다.)
- ① 50
- ② 75
- ③ 100
- ④ 300
등록된 댓글이 없습니다.
94. 전기설비기술기준상 전력계통의 운용에 관한 지시 및 급전조작을 하는 곳으로 정의되는 것은?
- ① 상황실
- ② 급전소
- ③ 발전소
- ④ 지령실
등록된 댓글이 없습니다.
95. 제1종 접지공사의 접지선은 인장강도 1.04[kN] 이상의 금속선 또는 지름이 몇 [㎜] 이상의 연동선이어야 하는가?
- ① 1.6
- ② 2.0
- ③ 2.6
- ④ 3.2
등록된 댓글이 없습니다.
96. 금속제 외함을 가진 저압의 기계·기구로서 사람이 쉽게 접촉할 우려가 있는 곳에 시설하는 경우 전로에 지락이 생겼을 때 사용 전압이 최소 몇 [V]를 초과하는 경우를 자동적으로 전로를 차단하는 장치를 시설하여야 하는가?
- ① 40
- ② 60
- ③ 90
- ④ 120
등록된 댓글이 없습니다.
97. 갑종 풍압하중을 계산할 때 강관에 의하여 구성된 철탑에서 구성재의 수직투영면적 1[m2]에 대한 풍압하중은 몇 [Pa]를 기초로 하여 계산한 것인가? (단, 단주는 제외한다.)
- ① 588
- ② 1117
- ③ 1255
- ④ 2157
등록된 댓글이 없습니다.
98. 터널 등에 시설하는 사용전압이 220[V]인 전압의 전구선으로 방습 코드를 사용하는 경우 단면적은 몇 [mm2] 이상이어야 하는가?
- ① 0.5
- ② 0.75
- ③ 1.0
- ④ 1.25
등록된 댓글이 없습니다.
99. 특별고압 가공전선이 도로 등과 교차하여 도로 상부측에 시설할 경우에 보호망도 같이 시설하려고 한다. 보호망은 제 몇 종 접지공사로 하여야 하는가?
- ① 제1종 접지공사
- ② 제2종 접지공사
- ③ 제3종 접지공사
- ④ 특별 제3종 접지공사
등록된 댓글이 없습니다.
100. 다음 중 고압 옥내배선의 시설로서 알맞은 것은?
- ① 케이블 트레이 공사
- ② 금속관 공사
- ③ 합성수지관 공사
- ④ 가요전선관 공사
등록된 댓글이 없습니다.