전파전자통신기사(2017. 3. 4.) 시험일자 : 2017년 3월 4일
1과목 : 디지털전자회로
1. 전원 주파수 60[Hz]를 사용하는 정류회로에서 120[Hz]의 맥동 주파수를 나타내는 정류방식은?
- ① 단상 반파 정류
- ② 단상 전파 정류
- ③ 3상 반파 정류
- ④ 3상 전파 정류
등록된 댓글이 없습니다.
2. 다음과 같은 정전압 회로에서 입력전압 Vin이 15[V]∼18[V]의 범위로 변동하는 경우 제너다이오드 전류 ID의 변화는 얼마인가? (단, RL=1[kΩ], VL=10[V]이다.)

- ① 20∼50[mA]
- ② 30∼60[mA]
- ③ 40∼60[mA]
- ④ 40∼70[mA]
등록된 댓글이 없습니다.
3. 다음 중 공통 이미터(CE) 증폭기회로에 대한 설명으로 옳은 것은?
- ① 출력신호는 입력신호와 위상이 같다.
- ② 출력신호는 입력신호와 위상이 다르다.
- ③ 출력신호는 입력신호에 비해 작다.
- ④ 출력신호는 입력신호와 크기가 같다.
등록된 댓글이 없습니다.
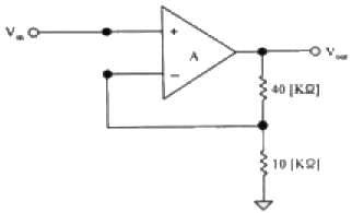
4. 그림과 같은 부궤환 증폭기의 폐루프(Closed-Loop) 차단주파수는? (단, 개루프(Open Loop)일 때, 이득-대역폭 곱은 1×105[Hz]이다.)

- ① 200[kHz]
- ② 100[kHz]
- ③ 50[kHz]
- ④ 10[kHz]
등록된 댓글이 없습니다.
5. 다음 중 차동증폭기의 동상신호제거비(Common-Mode Rejection Radio)에 대한 설명으로 틀린 것은?
- ① 동상신호제거비가 작을수록 간섭신호 제거 특성이 좋다.
- ② 개루프 전압이득이 100,000이고 공통-모드 이득이 0.2인 연산증폭기의 공통신호제거비는 500,000이다.
- ③ 동상신호제거비는 동상신호를 제거할 수 있는 성능척도이다.
- ④ 입력 동상신호에 대한 오차를 나타내는 성능척도이다.
등록된 댓글이 없습니다.
6. 다음 중 푸시 풀(Push-Pull)증폭기에서 출력파형의 찌그러짐이 작아지는 이유는?
- ① 기수고조파가 상쇄되기 때문이다.
- ② 우수고조파가 상쇄되기 때문이다.
- ③ 기수차 및 우수차 고조파가 상쇄되기 때문이다.
- ④ 직류성분이 없어지기 때문이다.
등록된 댓글이 없습니다.
7. 발진회로에서 발진을 지속하기 위해 필요한 과정은?
- ① 출력신호의 일부분을 부궤환시킨다.
- ② 출력신호의 일부분을 정궤환시킨다.
- ③ 외부로부터 지속적으로 전원과 입력신호를 제공한다.
- ④ L과 C성분을 제거한다.
등록된 댓글이 없습니다.
8. 하틀리 발진회로에서 커패시턴스 C=200[pF], 인덕턴스 L1=180[μH], L2=20[μH] 및 상호인덕턴스 M=90[μH]의 값을 가질 떄 발진주파수는 약 얼마인가?
- ① 517[kHz]
- ② 537[kHz]
- ③ 557[kHz]
- ④ 577[kHz]
등록된 댓글이 없습니다.
9. 다음 중 주파수변조(FM)에서 신호대 잡음비(S/N)를 개선하기 위한 방법으로 틀린 것은?
- ① 디엠파시스(De-Emphasas) 회로를 사용한다.
- ② 잡음지수가 낮은 부품을 사용한다.
- ③ 변조지수를 크게 한다.
- ④ 증폭도를 크게 높인다.
등록된 댓글이 없습니다.
10. 다음 중 FM에 대한 특징으로 틀린 것은?
- ① 단파 대역에 적당하지 않다.
- ② 수신의 충실도를 향상시킬 수 있다.
- ③ 잡음을 보다 감소시킬 수 있다.
- ④ 피변조파의 점유주파수대역이 좁아진다.
등록된 댓글이 없습니다.
11. QAM 변조방식은 디지털 신호의 전송 효율향상, 대역폭의 효율적 이용, 낮은 에러율, 변조의 용이성을 위해 어떤 변조 방식을 결합한 것인가?
- ① FSK+PSK
- ② ASK+PSK
- ③ ASK+FSK
- ④ QPSK+FSK
등록된 댓글이 없습니다.
12. 정보 전송에서 800[Baud]의 변조 속도로 4상 차분 위상 변조된 데이터 신호 속도는 얼마인가?
- ① 600[bps]
- ② 1,200[bps]
- ③ 1,600[bps]
- ④ 3,200[bps]
등록된 댓글이 없습니다.
13. 다음 중 높은 주파수 성분에 공진하기 때문에 생기는 펄스 상승부분의 진동 정도를 무엇이라 하는가?
- ① 새그(Sag)
- ② 링킹(Ringing)
- ③ 언더슈트(Undershoot)
- ④ 오버슈트(Overshoot)
등록된 댓글이 없습니다.
14. 멀티바이브레이터의 단안정, 무안정, 쌍안정의 동작은 어떻게 결정되는가?
- ① 전원 전압의 크기
- ② 바이어스 전압의 크기
- ③ 전원 전류의 크기
- ④ 결합 회로의 구성
등록된 댓글이 없습니다.
15. 숫자 0에서 9까지를 나타내기 위해 BCD 코드는 몇 비트가 필요한가?
- ① 4
- ② 3
- ③ 2
- ④ 1
등록된 댓글이 없습니다.
16. 다음 중 드모르간(De Morgan)의 정리를 옳게 나타낸 것은?
- ①

- ② A+B=A·B
- ③

- ④

등록된 댓글이 없습니다.
17. 다음 중 Master-Slave 플립플롭은 어떤 현상을 해결하기 위해 사용되는가?
- ① Race 현상
- ② Toggle 현상
- ③ 펄스 지연 현상
- ④ 반전 현상
등록된 댓글이 없습니다.
18. 다음 중 동기식 카운터와 비동기식 카운터를 설명한 것으로 옳은 것은?
- ① 동기식 카운터를 직렬형, 비동기식 카운터를 병렬형 카운터라고도 한다.
- ② 같은 수의 플립플롭을 갖는 경우 비동기식 카운터보다 동기식 카운터가 더 높은 입력 주파수를 사용하는 곳에 이용된다.
- ③ 비동기식 카운터는 동기식 카운터와는 달리 시간 지연이 누적되지 않는다.
- ④ 비동기식 카운터는 동기식 카운터보다 더 많은 회로 소자가 필요하다.
등록된 댓글이 없습니다.
19. 다음 중 디코더(Decoder)에 대한 설명으로 틀린 것은?
- ① 출력보다 많은 입력을 갖고 있다.
- ② 한번에 하나의 동작을 수행한다.
- ③ N 비트의 2진 코드 입력에 의해 최대 2N개의 출력이 나온다.
- ④ 인코더(Encoder)의 역기능을 수행한다.
등록된 댓글이 없습니다.
20. 다음 중 전가산기(Full Adder)의 구성으로 옳은 것은?
- ① 1개의 반가산기와 1개의 OR 게이트
- ② 1개의 반가산기와 1개의 AND 게이트
- ③ 2개의 반가산기와 1개의 OR 게이트
- ④ 2개의 반가산기와 1개의 AND 게이트
등록된 댓글이 없습니다.
2과목 : 무선통신기기
21. 다음 중 AM 수퍼헤테로다인 수신기의 선택도를 높이는 방법으로 잘못된 것은?
- ① 증폭단간의 전자결합을 밀결합한다.
- ② 동조코일의 Q를 높인다.
- ③ 중간주파수를 낮춘다.
- ④ 고주파 증폭단수를 증가한다.
등록된 댓글이 없습니다.
22. 정현파 신호로 변조된 AM파의 측정시 최대진폭(Vmax)이 20[V]이고 최저진폭(Vmin)이 5[V]일 때 변조도(m)는 얼마인가?
- ① 0.9
- ② 0.8
- ③ 0.6
- ④ 0.4
등록된 댓글이 없습니다.
23. AM파가 VAM=(100+60cos500πt)cos14×105πt로 표시될 때 변조도(m)은 얼마인가?
- ① 0.6
- ② 0.5
- ③ 0.38
- ④ 0.25
등록된 댓글이 없습니다.
24. 변조도가 1인 DSB파를 제곱 검파하면 왜율은 약 몇 [%]인가?
- ① 10[%]
- ② 20[%]
- ③ 25[%]
- ④ 35[%]
등록된 댓글이 없습니다.
25. 다음 중 다중 반송파 변조(Multicarrire Modulation)에 대한 설명으로 틀린 것은?
- ① 전체 대역폭을 작은 대역폭을 갖는 부채널로 분할한다.
- ② 등화기를 사용하여 채널의 왜곡을 보상한다.
- ③ FFT를 이용하여 고속 구현이 가능하다.
- ④ 전송 신호의 크기가 일정하여 전력 효율이 높다.
등록된 댓글이 없습니다.
26. GPS 측정오차로 보기 어려운 것은?
- ① GPS 위성 송신 코드 오류로 인한 오차
- ② 위성과 수신기간 측정된 거리 오차
- ③ 전리층과 대류권 통과시 전파 지연 오차
- ④ 수신기의 전파적 잡음으로 인한 오차
등록된 댓글이 없습니다.
27. 위성방송 TV수신용 안테나와 가장 거리가 먼 것은?
- ① 파라블라안테나
- ② 야기(Yagi) 안테나
- ③ 패치 어레이(Patch array) 안테나
- ④ 오프 세트(Off set) 안테나
등록된 댓글이 없습니다.
28. PN(Pseudo Noise) 코드가 (1 1 1 0 1 0 0)이고, 자기 상관 계열의 지연 수(k)가 0일 때 자기 상관 함수값은 얼마인가?
- ① +1
- ② -1
- ③ +1/7
- ④ -1/7
등록된 댓글이 없습니다.
29. 다음 GMDSS(Global Maritime Distress and Safety System) 시스템 중 해안지구국과 직접 통신하는 것은?
- ① VHF 무선전화
- ② Inmarsat 위성
- ③ MF DSC
- ④ HF 무선텔렉스
등록된 댓글이 없습니다.
30. 다음 중 GMDSS 설비로 406[MHz] 주파수를 사용하는 것은?
- ① VHF DSC
- ② NAVTEX
- ③ Inmarsat-C
- ④ COSPAS-SARSAT EPIRB
등록된 댓글이 없습니다.
31. 다음 중 HF DSC를 이용한 조난경보 수신 메시지 구성에 대한 설명으로 틀린 것은?
- ① J3E : 무선전화로 통화를 원한다.
- ② 12,290.0[kHz] : 무선전화 조난주파수로 통화를 원한다.
- ③ Fire : 선박에 화재가 나있다.
- ④ A3E : 무선 텔렉스로 통신하기를 원한다.
등록된 댓글이 없습니다.
32. 다음 중 디지털 선택 호출 장치를 이용한 조난경보 전송에 대한 설명으로 옳지 않은 것은?
- ① 조난경보의 시작 및 중단이 항상 가능할 것
- ② 조난경보는 전용 조난버튼을 사용하여야만 송출할 수 있을 것
- ③ 조난의 경우에 조난경보를 자동으로 3회 반복하여 송신할 것
- ④ 조난경보를 쉽게 송출할 수 있고 오조작에 의한 송출을 방지하는 장치가 있을 것
등록된 댓글이 없습니다.
33. 축전지 음량 산출에서 허용최저전압(V/Cell)을 구하는 식으로 옳은 것은? (단, V: 허용최저전압(V/Cell), Va: 부하의 허용최저전압, Vc: 축전지와 부하간의 접속 선의 총 전압강하, n: 직렬 접속된 셀 수)
- ①

- ②

- ③

- ④

등록된 댓글이 없습니다.
34. 다음 설명은 무정전 전원장치(Uninterruptible Power Supply: UPS)의 어떤 구동 방식에 해당하는 것인가?

- ① CVCF(Constant Voitage Constant Frequency)
- ② ON-LINE
- ③ OFF-LINE
- ④ LINE INTERACTIVE
등록된 댓글이 없습니다.
35. 무정전 전원장치(Uninterruptible Power Supply: UPS)의 동작원리를 나타내는 다음 [그림]에서 (A)에 들어갈 장치로 적합한 것은?

- ① 필터
- ② 인버터
- ③ 컨버터
- ④ 스위치
등록된 댓글이 없습니다.
36. 오실로스코프로 전압을 측정한 결과 그림과 같은 파형을 얻었다. 실효값은 몇 [V]인가? (단, 오실로스코프의 편향감도는 b[mm/V]이다.)

- ①

- ②

- ③

- ④

등록된 댓글이 없습니다.
37. 다음 중 AM 및 FM수신기에서 공통적인 종합 특성 측정으로 맞는 것은?
- ① 안정도와 충실도의 측정
- ② 감도와 충실도의 측정
- ③ 감도와 안정도의 측정
- ④ 혼변조와 선택도의 측정
등록된 댓글이 없습니다.
38. 안테나 성능 측정 시 원역장(Far Field) 조건을 만족하는 계산식은? (단, D: 피측정 안테나 최대 직경, λ: 파장)
- ① 측정거리=D2/λ
- ② 측정거리=2D2/λ
- ③ 측정거리=3D2/λ
- ④ 측정거리=4D2/λ
등록된 댓글이 없습니다.
39. 급전선의 임피던스가 75[Ω]인 안테나에 특성 임피던스 50[Ω]인 급전선을 연결 시 반사계수는 얼마인가?
- ① 0.1
- ② 0.2
- ③ 0.3
- ④ 0.4
등록된 댓글이 없습니다.
40. 전압 정재파비가 3인 급전선에서 진행파 전압이 10[V]라면 반사파 전압은 몇 [V]인가?
- ① 3[V]
- ② 3.3[V]
- ③ 5[V]
- ④ 15[V]
등록된 댓글이 없습니다.
3과목 : 안테나공학
41. 다음 중 전자파를 이루는 전계와 자계의 관계를 설명한 것으로 틀린 것은?
- ① 전자파는 전계와 자계의 2가지 성분으로 이루어진다.
- ② 전자와 자계는 시간적으로는 역위상이다.
- ③ 전계와 자계는 공간적으로는 서로 직각이다.
- ④ 전자파는 전계와 자계가 항상 같이 존재한다.
등록된 댓글이 없습니다.
42. 다음 중 전파에 대한 설명으로 옳지 않은 것은?
- ① 전파는 종파이다.
- ② 전파는 편파성을 가진다.
- ③ 전파는 회절성을 가진다.
- ④ 인공적인 유도없이 공간을 전파하는 3,000[GHz] 이하 주파수의 전자파를 말한다.
등록된 댓글이 없습니다.
43. 다음의 전계에 관한 파동 방정식 중 Ez 성분을 나타낸 것으로 옳은 것은?
- ①

- ②

- ③

- ④

등록된 댓글이 없습니다.
44. 단위 시간에 단위 면적을 통과하는 전자 에너지를 전략밀도라 하며, 전계의 실효치를 E[V/m], 자계의 실효치를 H[A/m], 자유공간의 특성 임피던스를 Z0[Ω]이라고 할 때, 자유공간에서의 전력밀도[W/m2]를 나타내는 식으로 틀린 것은?
- ① E×H
- ②

- ③

- ④

등록된 댓글이 없습니다.
45. 비동조 급전선의 종류와 그 특징을 바르게 짝지은 것은? (순서대로 종류, 특징)
- ① 도파관, 급전선상에 진행파만 존재한다.
- ② 도파관, 정합장치가 불필요하다.
- ③ 동축케이블, 급전선의 길이와 파장은 일정한 관계가 있다.
- ④ 동축케이블, 외부로부터 전자유도의 방해가 많다.
등록된 댓글이 없습니다.
46. 다음 중 동조 급전선과 비동조 급전선에 대한 설명으로 틀린 것은?
- ① 급전선의 길이가 길 때는 동조 급전선, 길이가 짧을 때는 비동조 급전선을 사용한다.
- ② 비동조 급전선은 동조 급전선보다 전력 손실이 적다.
- ③ 동조 급전선은 정합장치가 불필요하고 비동조 급전선은 필요하다.
- ④ 전송 효율은 급전선의 길이가 길어지면 동조 급전선이 비동조 급전선보다 나쁘다.
등록된 댓글이 없습니다.
47. 동축급전선을 개방하고 임피던스를 측정하였을 때 100[Ω]이고, 단락했을 때의 임피던스가 25[Ω]이라면 이 급전선의 특성임피던스는 얼마인가?
- ① 100[Ω]
- ② 75[Ω]
- ③ 50[Ω]
- ④ 25[Ω]
등록된 댓글이 없습니다.
48. 도파관의 내부에 전자파가 발생하도록 도파관을 여진시키는 방법이 아닌 것은?
- ① 다이폴 여진법(dipole coupling)
- ② 루프 여진법(loop coupling)
- ③ 개구면 여진법(aperture coupling)
- ④ 공동 여진법(cavity coupling)
등록된 댓글이 없습니다.
49. 복사전력이 100[W]인 어떤 안테나로부터 최대복사방향 P점의 전계강도는 500[μV/m]이다. 또 같은 송신점에 복사전력 400[W]인 반파장안테나를 세웠을 때 P점의 전계강도가 100[μV/m]이었다. 피측정안테나의 이득은 약 얼마인가?
- ① 20[dB]
- ② 23[dB]
- ③ 30[dB]
- ④ 41[dB]
등록된 댓글이 없습니다.
50. 안테나의 복사 저항이 25[Ω]이고 손실 저항이 5[Ω]일 때 이 안테나의 복사 효율은 약 얼마인가?
- ① 16[%]
- ② 20[%]
- ③ 30[%]
- ④ 83[%]
등록된 댓글이 없습니다.
51. 수직 다이폴 안테나의 수평면내 지향성이 무지향성을 유지하면서 이득을 얻기 위해서는 어떻게 하여야 하는가?
- ① 반사기와 도파기를 사용한다.
- ② 수직으로 적립하여 콜리니어 안테나 형식으로 만든다.
- ③ 수평으로 적립하여 브로드 사이드 어레이형으로 만든다.
- ④ 직각으로 배치하고 90° 위상차 급전을 한다.
등록된 댓글이 없습니다.
52. 장·중파 통신의 특징이 아닌 것은?
- ① 광대역성을 얻기 어렵다.
- ② 복사효율과 이득이 높다.
- ③ 수직편파 특성을 갖는다.
- ④ 방사상 접지방식을 사용한다.
등록된 댓글이 없습니다.
53. 제펄린 안테나의 특징이 아닌 것은?
- ① 공간적으로 반파장 더블렛의 설치가 곤란한 경우에 사용한다.
- ② 전압급전방식이다.
- ③ 진행파형 안테나이다.
- ④ 평형형 동조급전선을 이용한다.
등록된 댓글이 없습니다.
54. 다음 방식 중 원편파를 발생할 수 없는 것은?
- ① 전자나팔에 원편파 변환기를 사용한다.
- ② 원추형 전자나팔에 렌즈형 안테나를 사용한다.
- ③ 엔드 파이어 헤리컬(End fire helical) 안테나를 사용한다.
- ④ 직교 다이폴 안테나에 90°의 위상차를 두어 급전한다.
등록된 댓글이 없습니다.
55. 극초단파 통신에서 주로 사용하는 전파방식은?
- ① 가시거리의 직접파
- ② 지표파
- ③ 대지 반사파
- ④ 진리층 반사파
등록된 댓글이 없습니다.
56. 다음 중 전자파 투시도에 관한 설명으로 옳지 않은 것은?
- ① 전파통로를 나타내는 지형단면파이다.
- ② 통가 지구반경계수를 고려해서 작성한다.
- ③ 전파통로 상에서 수직방향의 장애물을 살펴볼 때 편리하다.
- ④ 대기의 굴절률이 수평방향으로만 변화한다고 가정한다.
등록된 댓글이 없습니다.
57. 대지반사파에서 자계가 입사평면에 평행하게 경계면에 입사하는 경우 이는 무슨 편파인가?
- ① 수직편파
- ② 평행편파
- ③ 원편파
- ④ 타원편파
등록된 댓글이 없습니다.
58. 다음 중 장파와 중파에 의한 전파(Propagation)에서 가장 감쇠가 큰 매질은?
- ① 해수면
- ② 담수면
- ③ 평야
- ④ 마른땅 위
등록된 댓글이 없습니다.
59. E층의 임계주파수가 4[MHz]일 때 송수신소간 400[km]지점에서 E층 반사로 전파하는데 가장 안정하게 통신할 수 있는 최적 사용주파수(FOT)는 약 얼마인가? (단, E층 높이는 100[km]이다.)
- ① 6.8[MHz]
- ② 7.6[MHz]
- ③ 8.5[MHz]
- ④ 13.6[MHz]
등록된 댓글이 없습니다.
60. 위성통신장치는 송·수신기가 한 시스템 내에 설치되어 있으나 송수신할 때 동일한 주파수를 사용하지 않는다. 그 이유로 가장 타당한 것은?
- ① 강한 송신전력이 수신기에 영향을 미치기 때문에
- ② 송신안테나의 이득이 비교적 낮기 때문에
- ③ 송수신안테나가 일체형으로 하나 밖에 없기 때문에
- ④ 지상에서 발사된 전파가 위성에 도달하는 동안 세력이 약해지므로
등록된 댓글이 없습니다.
4과목 : 통신영어 및 교통지리
61. Choose the mostsuitable word to fill the blank.

- ① Members
- ② Radio stations
- ③ Ships
- ④ States
등록된 댓글이 없습니다.
62. Who shall perform the duties of the secretary-General in the absence of the Union?
- ① the staff of the Union
- ② the Director of the ITU-R
- ③ the Deputy secretary-Greneral
- ④ the vice-chairman of the RRB
등록된 댓글이 없습니다.
63. Choose the wrong Korean version for the underlined parts.

- ① 연합의 목적
- ② 기술 지원
- ③ 발달된 국가
- ④ 재정 자원
등록된 댓글이 없습니다.
64. 괄호 안에 들어갈 가장 적절한 단어 또는 어휘는 무엇인가?

- ① Distress
- ② Urgency
- ③ Rescue
- ④ Safety
등록된 댓글이 없습니다.
65. What kinds of time shall be used for every station of the maritime mobils service?
- ① Greenwich Mean Time
- ② Local Standard Time
- ③ Coordinated Universal Time
- ④ International Standard Time
등록된 댓글이 없습니다.
66. Choose the suitable one in the blanks and complete the following sentence.

- ① slowly, distinctly
- ② fast, distinctly
- ③ exactly, slowly
- ④ moderately, slowly
등록된 댓글이 없습니다.
67. Choose the correct term that has the meaning of the following sentence.

- ① maritime mobile service
- ② coast station service
- ③ mobile station service
- ④ inter-mobile service
등록된 댓글이 없습니다.
68. Which is the Organization to continue its studies of the GMDSS?
- ① IMO
- ② MMO
- ③ ITU-R
- ④ ITU-T
등록된 댓글이 없습니다.
69. Choose the correct one which describes GMDSS.
- ① General Maritime Distress Service System
- ② Global Maritime Distress and Safely System
- ③ General Mobile Distress Service System
- ④ General Mobile Distress and Safely System
등록된 댓글이 없습니다.
70. What do we call the following phase in Korean?

- ① 선수격벽
- ② 선미격벽
- ③ 좌현격벽
- ④ 우현격벽
등록된 댓글이 없습니다.
71. Choose the wrong meaning of each underlined parts of the following sentence.

- ① (1)은 “개원 가능성이 없다”의 뜻이다.
- ② (2)는 “항해하다”의 뜻이다.
- ③ (3)은 “부근이 조용해지면”의 뜻이다.
- ④ (4)는 “추후 본선의 정확한 도착시간”의 뜻이다.
등록된 댓글이 없습니다.
72. 다음 문장의 의미로 옳은 것은?

- ① 요청한 대로 손상된 선수에 50ft2의 동판을 덧붙일 것
- ② 표시된 대로 손상된 격벽에 50ft2의 철판을 덧붙일 것
- ③ 표시된 대로 구멍난 격벽에 50ft2의 철판을 용접할 것
- ④ 요청한 대로 손상된 선미에 50ft2의 철판을 용접할 것
등록된 댓글이 없습니다.
73. AFRICA의 INDIAN OCEAN 연안에 위치해 있는 도시가 아닌 것은?
- ① LUANDA
- ② MOMBASA
- ③ DURBAN
- ④ MOZAMBIQUE
등록된 댓글이 없습니다.
74. 다음 중 The great Lakes에 포함되지 않는 것은?
- ① Orinoco
- ② Superior
- ③ Michigan
- ④ Huron
등록된 댓글이 없습니다.
75. 다음 해협 중 일본의 연근해 해역에 위치해 있지 않는 것은?
- ① Kill Strait
- ② Tsugaru Strait
- ③ Bungo Strait
- ④ Sunda Strait
등록된 댓글이 없습니다.
76. 다음 중 세계 주요 항구명으로 소재국이 틀린 것은?
- ① Rotterdam은 Netherlands에 있다.
- ② Antwerp는 Belgium에 있다.
- ③ Liverpool은 Portugal에 있다.
- ④ Montevideo는 Uruguay에 있다.
등록된 댓글이 없습니다.
77. 다음 중 OCEAN ROUTE에 대한 설명으로 맞지 않는 것은?
- ① 통보의 유료어수에 따라 전보요금을 지불한다.
- ② 반드시 OCEAN ROUTE에 따라서 항해해야 한다.
- ③ 선박의 안전운항과 경제적 운항을 할 수 있도록 항로를 추천한다.
- ④ 대양을 항해하는 선박이 출항 전후에 OCEAN ROUTE에 지정사항을 통보한다.
등록된 댓글이 없습니다.
78. 다음은 어떤 기상현상을 설명한 것인가?

- ① 해륙풍
- ② 무역풍
- ③ 푀엔 현상
- ④ 계절풍
등록된 댓글이 없습니다.
79. 인도의 벵갈만에서 발생하는 열대성 저기압을 무엇이라 부르는가?
- ① Cyclone
- ② Typhoon
- ③ Hurricare
- ④ Willy Willy
등록된 댓글이 없습니다.
80. 다음 중 한랭전선의 설명으로 맞지 않는 것은?
- ① 한기가 우세하여 난기 밑을 파고들면서 진행하는 전선이다.
- ② 기온이 하강하고 돌풍이나 소나기가 따른다.
- ③ 전선의 경사가 비교적 급하여 날씨의 회복이 빠르다.
- ④ 지속적인 강우를 보인다.
등록된 댓글이 없습니다.
5과목 : 전파관계법규
81. 다음 중 전파법의 목적이 아닌 것은?
- ① 전파의 효율적인 이용 및 관리
- ② 전파 관련분야의 진흥과 공공복리의 증진에 이바지
- ③ 전파이용과 전파에 관한 기술의 개발 촉진
- ④ 새로운 전파자원의 개발
등록된 댓글이 없습니다.
82. 다음 중 선박이 입항중인 때에 해당 선박에 개설된 선박국을 운용할 수 없는 경우는?
- ① 무선국의 검사에 필요한 경우
- ② 26,100[kHz] 미만의 주파수에 전파(무선전화에 한한다)에 의하여 통신을 하는 경우
- ③ 선박의 안전을 도모하기 위하여 선박에 설치된 무선항행용 레이다의 운용을 필요로 하는 경우
- ④ 무선통신에 의하지 아니하고는 따로 육상과의 연락수단이 없는 경우로서 긴급한 통보를 해안국에 송신하는 경우
등록된 댓글이 없습니다.
83. 다음 중 전자파 인체보호기준 등에 대한 설명으로 틀린 것은?
- ① 미래창조과학부장관은 무선설비 등에서 발생하는 전자파가 인체에 미치는 영향을 고려하여 전자파인체보호기준을 정하여 고시하여야 한다.
- ② 미래창조과학부장관은 무선설비 등에서 발생하는 전자파가 인체에 미치는 영향을 고려하여 전자파강도측정기준을 정하여 고시하여야 한다.
- ③ 미래창조과학부장관은 무선설비 등에서 발생하는 전자파가 인체에 미치는 영향을 고려하여 전자파반사인증기준을 정하여 고시하여야 한다.
- ④ 미래창조과학부장관은 무선설비 등에서 발생하는 전자파가 인체에 미치는 영향을 고려하여 전자파흡수율측정기준을 정하여 고시하여야 한다.
등록된 댓글이 없습니다.
84. 다음 중 실효복사전력에 대한 설명으로 맞는 것은?
- ① 안테나공급전력에 주어진 방향에서의 반파다이폴의 상대이득을 곱한 것
- ② 안테나공급전력에 주어진 방향에서의 반파다이폴의 절대이득을 곱한 것
- ③ 안테나공급전력에 주어진 방향에서의 다이폴의 상대이득을 곱한 것
- ④ 안테나공급전력에 주어진 방향에서의 다이폴의 절대이득을 곱한 것
등록된 댓글이 없습니다.
85. 방송을 양호하게 수신할 수 있는 구역으로서 전계강도가 미래창조과학부장관이 정하여 고시하는 기준 이상인 구역은?
- ① 양청구역
- ② 방송구역
- ③ 블랭킷에어리어
- ④ 방송양호구역
등록된 댓글이 없습니다.
86. 다음 중 무선국 시설자인 법인이나 개인에 대하여 양벌죄가 적용되는 것은?
- ① 운용이 정지된 무선국을 운용할 경우
- ② 조난통신의 취급을 방해한 경우
- ③ 무선통신 기능에 장해를 주어 무선통신을 방해한 자
- ④ 조난이 없음에도 무선설비로 조난통신을 한 자
ㅇ2022. 10. 8. 08:20삭제
1
87. 다음 중 무선국 개설허가의 유효기간이 3년인 것은?
- ① 공동체라디오 방송국
- ② 항공국
- ③ 실험국 및 실용화시험국
- ④ 우주국
등록된 댓글이 없습니다.
88. 지정된 안테나공급전력이 500와트인 방송국(초단파 방송 또는 텔레비전 방송국 및 위성방송보조국을 제외한다)의 안테나공급전력의 허용범위는?
- ① 425∼525[W]
- ② 425∼550[W]
- ③ 450∼525[W]
- ④ 450∼550[W]
등록된 댓글이 없습니다.
89. 다음 중 청문을 하여야 할 사유가 아닌 것은?
- ① 주파수회수 또는 주파수재배치
- ② 개설 신고한 무선국의 준공
- ③ 무선국 개설허가의 취소
- ④ 주파수한당의 취소
등록된 댓글이 없습니다.
90. 다음 중 필요주파수대폭이 잘못 표시된 것은?
- ① 0.002[Hz]=H002
- ② 400[Hz]=4H00
- ③ 2.4[kHz]=2K40
- ④ 10[MHz]=10M0
등록된 댓글이 없습니다.
91. 무선국 또는 물체의 방향을 결정하기 위하여 전파를 수신하는 무선측위는?
- ① 방향무선탐지
- ② 무선탐지방향
- ③ 무선항행
- ④ 무선방향탐지
등록된 댓글이 없습니다.
92. 다음 중 ITU 조정위원회의 구성원이 아닌 것은?
- ① 사무총장
- ② 부사무총장
- ③ 3명의 국장
- ④ 자문위원
등록된 댓글이 없습니다.
93. 다음 중 GMDSS 적용을 받는 선박이 갖추어야 하는 초단파대 무선전화의 사용주파수가 아닌 것은?
- ① 156.300[MHz]
- ② 156.450[MHz]
- ③ 156.650[MHz]
- ④ 156.800[MHz]
등록된 댓글이 없습니다.
94. 세계전파통신회의(WRC)의 주요 의제의 범위가 아닌 것은?
- ① 전파규칙의 부분적 개정
- ② 전파통신회의의 권한 내에 있는 범세계적인 성격의 문제
- ③ 전파통신총회 조직 통폐합
- ④ 전파규칙위원회(RPB) 활동에 관한 안건 검토
등록된 댓글이 없습니다.
95. 다음 중 ITU 전권위원회가 행하는 임무가 아닌 것은?
- ① ITU의 전략적 정책 및 계획을 준비
- ② ITU의 회계계산서 검토 및 최종 승인
- ③ 이사회를 구성할 연합의 회원국을 선출
- ④ ITU의 목적을 달성하기 위한 전반적인 정책의 결정
등록된 댓글이 없습니다.
96. ITU의 전권위원회는 회원국을 대표하는 대표단으로 구성되어 몇 년마다 개최되는ㄱ?
- ① 1년
- ② 3년
- ③ 4년
- ④ 6년
ㅎ2022. 10. 8. 08:22삭제
4
97. 전파법에 따른 무선국의 운용 등에 관한 규정에서 정하는 “통신보안”에 해당하지 않는 사항은?
- ① 통신수단에 의한 비밀의 누설을 사후 보호 관찰하는 방책
- ② 통신수단에 의한 비밀의 직접적인 누설을 지연시키기 위한 방책
- ③ 통신수단에 의한 비밀의 누설을 방지하기 위한 방책
- ④ 통신수단에 의한 비밀의 간접적인 누설을 방지하기 위한 방책
아깡2023. 3. 4. 15:13삭제
답1
98. 다음 중 감청에 대한 설명으로 알맞은 것은?
- ① 통신운용상태를 도청하기 위해 공개적으로 엿듣는 것
- ② 통신보안의 위반 여부를 감독하기 위해 공개적으로 엿듣는 것
- ③ 통신 내용을 탐지하기 위해 비공개적으로 엿듣는 것
- ④ 통신 제원의 위반사용 여부를 감독하기 위해 비공개적으로 엿듣는 것
아깡2023. 3. 4. 15:10삭제
답 2번 아닌가요
99. 통신수단 중 통신 보안도가 높은 순서대로 바르게 나타낸 것은?
- ① 전령통신 - 우편통신 - 무선통신 - 음향통신
- ② 시호통신 - 전령통신 - 음향통신 - 전파통신
- ③ 우편통신 - 시호통신 - 음향통신 - 무선통신
- ④ 전기통신 - 우편통신 - 시호통신 - 전파통신
등록된 댓글이 없습니다.
100. 다음 중 통신보안의 목적으로 적합하지 않은 것은?
- ① 국가기밀과 산업정보의 누설가능성 사전 제거
- ② 국가기밀 및 정보누설의 최소화
- ③ 정보의 수집에 의한 분석에 대한 연구
- ④ 정보의 수집과 수집된 정보의 분석에 대한 지연책 강구
아깡2023. 3. 4. 15:11삭제
답 3번 아닌가요