기계설계산업기사(2008. 3. 2.) 시험일자 : 2008년 3월 2일
1과목 : 기계가공법 및 안전관리
1. 절삭공구의 구비조건으로 틀린 것은?
- ① 취성이 클 것
 - ② 마찰계수가 작을 것
 - ③ 내마모성이 클 것
 - ④ 고온에서 경도가 감소하지 않을 것
 
등록된 댓글이 없습니다.
2. 구성인성(built-up edge)에 대한 일반적인 설명으로 틀린 것은?
- ① 절삭 저항이 커진다.
 - ② 가공 면을 거칠게 한다.
 - ③ 바이트의 수명을 짧게 한다.
 - ④ 절삭속도를 작게 하면 방지된다.
 
등록된 댓글이 없습니다.
3. 절삭유제의 사용 목적에 대한 일반적인 설명으로 틀린 것은?
- ① 철삭공구를 냉각시켜 공구의 경도저하를 막는다.
 - ② 칩의 제거를 용이하게 하여 절삭작업을 쉽게 한다.
 - ③ 공구의 마모를 줄이고 윤활 및 세척작용으로 가공 표면을 좋게 한다.
 - ④ 공구와 가공물의 친화력 향상으로 정밀도를 높게 한다.
 
등록된 댓글이 없습니다.
4. 터릿 선반(turret lathe) 등에 널리 사용되며, 보통 선반에서는 주축의 테이퍼 구멍에 슬리브를 꽂은 다음 여기에 끼워 사용하는 것은?
- ① 연동척
 - ② 마그네틱척
 - ③ 콜릿척
 - ④ 단동척
 
등록된 댓글이 없습니다.
5. 다음 중 선반 베드의 재질로 가장 적합한 것은?
- ① 고급 구철
 - ② 탄소 공구강
 - ③ 연강
 - ④ 초경합금강
 
등록된 댓글이 없습니다.
6. 수평 밀링 머신의 주축(spindle)에 대한 설명 중 틀린 것은?
- ① 보통 테이퍼 롤러 베어링으로 지지되어 있다.
 - ② 기둥(column)에 설치되어 있으며 아버를 고정한다.
 - ③ 주축 끝에 코터가 장치되어 있어 커터의 중심을 맞춘다.
 - ④ 주축단은 보통 테이퍼진 구멍으로 되어 있으며 크기는 규격으로 정해져 있다.
 
등록된 댓글이 없습니다.
7. 암나사를 가공하는 탭(tap)을 사용하여 가공할 때 일반적으로 최종 다듬질에 사용하는 것은?
- ① 3번 탭
 - ② 2번 탭
 - ③ 1번 탭
 - ④ 0번 탭
 
등록된 댓글이 없습니다.
8. 다음 중 작업자의 복장으로 적당하지 않는 것은?
- ① 기름이 밴 작업복은 입지 않는다.
 - ② 수건은 허리춤에 꼭 맞게 끼거나 목에 감는다.
 - ③ 작업복의 소매와 바지의 단추를 잠근다.
 - ④ 상의의 옷자락이 밖으로 나오지 않도록 한다.
 
등록된 댓글이 없습니다.
9. 한계 게이지 측정방식의 특징 중 잘못된 것은?
- ① 개인차가 없고 측정 시간이 절약된다.
 - ② 경험이 필요치 않다.
 - ③ 측정이 쉽고 대량 생산에 적합하다.
 - ④ 눈금이 없어 측정 실패율이 높다.
 
등록된 댓글이 없습니다.
10. 밀링에서 상향절삭과 비교한 하향절삭 작업의 장점에 대한 설명이다. 틀린 것은?
- ① 공구의 수명이 길다.
 - ② 가공물 고정이 유리하다.
 - ③ 앞으로 가공할 면을 잘 볼 수 있어서 좋다.
 - ④ 백 래시를 제거하지 않아도 된다.
 
등록된 댓글이 없습니다.
11. 세이퍼에서 램의 왕복 속도는 어떠한가?
- ① 일정하다.
 - ② 귀환 행정일 때가 늦다.
 - ③ 절삭 행정일 때가 빠르다.
 - ④ 귀환 행정일 때가 빠르다.
 
등록된 댓글이 없습니다.
12. 일감에 회전운동과 이송을 주며, 숫돌을 일감표면에 약한 압력으로 눌러 대고 다듬질할 면에 따라 매우 작고 빠른 진동을 주어 가공하는 방법은?
- ① 슈퍼피니싱
 - ② 래핑
 - ③ 드릴링
 - ④ 드레싱
 
등록된 댓글이 없습니다.
13. 호방머신에서 호브의 절삭속도를 v(m/min), 호브의 바깥지름을 d(mm)라 하면, 호브의 회전수 n(rpm)을 나타내는 식은?
- ① 

 - ② 

 - ③ 

 - ④ 

 
등록된 댓글이 없습니다.
14. CNC장치의 일반적인 정보 흐름으로 옳은 것은?
- ① NC명령→제어장치→서보기구→NC가공
 - ② 서보기구→NC명령→제어장치→NC가공
 - ③ 제어장치→NC명령→서보기구→NC가공
 - ④ 서보기구→제어장치→NC명령→NC가공
 
등록된 댓글이 없습니다.
15. 드릴작업할 때 절삭속도 25m/min, 그릴지름 22mm, 이송 0.1mm/rev, 드릴 끝의 원추높이가 6mm일 경우 깊이 100mm인 구멍을 뚫을 때 소요시간은 약 몇 분 인가?
- ① 8.76
 - ② 6.43
 - ③ 4.72
 - ④ 2.93
 
등록된 댓글이 없습니다.
16. 연삭 중 어느 정도 숫돌입자가 마멸되면 결합제의 결합도가 저항에 견디지 못하고 숫돌에서 탈락하여 새로운 날로 바뀌는 것이 숫돌의 특징이다. 이러한 현상을 무엇이라고 하는가?
- ① 로딩
 - ② 트루잉
 - ③ 자생작용
 - ④ 글레이징
 
등록된 댓글이 없습니다.
17. 그림과 같은 사인바의 H 값을 구하는 공식은?

- ① 

 - ② 

 - ③ H=Lㆍsinθ
 - ④ H=2(Lㆍsinθ)
 
등록된 댓글이 없습니다.
18. 다음 중 영국식 선반 베드의 단면 형상은?
- ① 산형
 - ② 평형
 - ③ 절충형
 - ④ 벌형
 
등록된 댓글이 없습니다.
19. 연삭 작업에서 연삭 숫돌의 입자가 무디어 지거나 눈 메움이 생기면 연삭 능력이 저하되므로 숫돌의 예리한 날이 나타나도록 가공하는 작업을 무엇이라 하는가?
- ① 시닝
 - ② 드레싱
 - ③ 글레이징
 - ④ 로딩
 
등록된 댓글이 없습니다.
20. 다음 중 금긋기 작업 공구로 가장 거리가 먼 것은?
- ① 서피스게이지
 - ② 콤파스
 - ③ V 블록
 - ④ 광선정반
 
등록된 댓글이 없습니다.
2과목 : 기계제도
21. 다음 중 "KS B 1101 둥근머리 리벳 15×40SV 40“으로 표시된 리벳의 호칭 도면의 해독으로 가장 적합한 것은?
- ① 리벳 구멍 15개, 리벳 지름 40mm
 - ② 리벳 지름 15mm, 리벳 길이 40mm
 - ③ 리벳 지름 40mm, 리벳 길이 15mm
 - ④ 리벳 피치 15mm, 리벳 구멍 지름 40mm
 
등록된 댓글이 없습니다.
22. 구멍과 축이 끼워맞춤 상태에 있을 때 기준치수와 각각의 치수허용차의 기호 기입이 옳은 것은?
- ① 

 - ② 

 - ③ 

 - ④ 

 
등록된 댓글이 없습니다.
23. 다음 중 ø50H7의 기준구멍에 가장 헐거운 끼워맞춤이 되는 축의 공차 기호는?
- ① ø50 f6
 - ② ø50 n6
 - ③ ø50 m6
 - ④ ø50 p6
 
등록된 댓글이 없습니다.
24. 다음 기하 공차 기호 중 데이텀을 적용해야 되는 것은?
- ① ○
 - ② 

 - ③ ∠
 - ④ ▱
 
등록된 댓글이 없습니다.
25. 다음 표면기호를 보고 가공모양의 기호를 올바르게 해독한 것은?

- ① 

 - ② 

 - ③ 

 - ④ 

 
등록된 댓글이 없습니다.
26. 제3각법으로 정투상한 보기 투상도인면의 실제형상 및 작업 내용에 가장 적합한 입체도는?

- ① 

 - ② 

 - ③ 

 - ④ 

 
등록된 댓글이 없습니다.
27. 일반 구조용 압연강재의 KS재료기호는?
- ① SPS
 - ② SBC
 - ③ SS
 - ④ SM
 
등록된 댓글이 없습니다.
28. 가공방법의 기호가 G로 표시된 것은 무엇을 나타내는가?
- ① 연삭
 - ② 선삭
 - ③ 평삭
 - ④ 형삭
 
등록된 댓글이 없습니다.
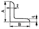
29. 보기 그림과 같은 부등변 ㄱ형강의 치수 표시방법은? (단, 길이는 ℓ이다.)

- ① L A×B×t-l
 - ② L t×A×B×l
 - ③ L B×A+2t-l
 - ④ L A+B×t/2-l
 
등록된 댓글이 없습니다.
30. 보기와 같은 정면도와 평면도에 가장 적합한 우측면도는?

- ① 

 - ② 

 - ③ 

 - ④ 

 
등록된 댓글이 없습니다.
31. 보기 입체도를 3각법으로 정투상한 투상도에 대한 설명으로 올바른 것은?

- ① 모두 올바르다.
 - ② 평면도만 틀렸다.
 - ③ 정면도만 틀렸다.
 - ④ 우측면도만 틀렸다.
 
등록된 댓글이 없습니다.
32. 다음의 가공 방법 중에서 표면 조도가 가장 정밀하게 나오는 가공 방법은?
- ① 단조
 - ② 래핑
 - ③ 밀링
 - ④ 선삭
 
등록된 댓글이 없습니다.
33. 기하 공차의 종류에서 위치 공차에 해당되지 않는 것은?
- ① 등축도 공차
 - ② 위치도 공차
 - ③ 평면도 공차
 - ④ 대칭도 공차
 
등록된 댓글이 없습니다.
34. 보기 도면은 제3각법으로 정투상한 정면도와 평면도이다. 우측면도로 가장 적합한 것은?

- ① 

 - ② 

 - ③ 

 - ④ 

 
등록된 댓글이 없습니다.
35. 보기 도면의 선반작업 설명과 일치하지 않는 것은?

- ① ø16mm를 폭 5mm로 가공
 - ② 전체길이가 50mm 되게 가공
 - ③ 45° 모따기를 2mm 되게 두 곳을 작업
 - ④ 애크미나사의 유효지름 20mm를 두 줄 나사로 가공작업
 
등록된 댓글이 없습니다.
36. 지름이 같은 두 원통을 90°로 교차시킬 경우 상관선은?
- ① 

 - ② 

 - ③ 

 - ④ 

 
등록된 댓글이 없습니다.
37. 보기 입체도를 화살표 방향에서 본 투상 도면으로 가장 적합한 것은?

- ① 

 - ② 

 - ③ 

 - ④ 

 
등록된 댓글이 없습니다.
38. 보기 입체도에서 화살표 방향을 정면도로 할 경우 평면도로 올바른 것은?

- ① 

 - ② 

 - ③ 

 - ④ 

 
등록된 댓글이 없습니다.
39. 스퍼기어에서 피치원의 지름이 150mm이고, 잇수가 50일 때 모듈(module)은?
- ① 5
 - ② 4
 - ③ 3
 - ④ 3
 
정상민2024. 2. 20. 22:07삭제
선택지에 3값이 2개이비다
40. 보기는 제3각 정투상도에서 정면도와 우측면도이다. 평면도로 가장 적합한 것은?

- ① 

 - ② 

 - ③ 

 - ④ 

 
등록된 댓글이 없습니다.
3과목 : 기계설계 및 기계재료
41. 다음 중 절삭 공구용 특수강은?
- ① Ni-Cr 강
 - ② 불변강
 - ③ 내열강
 - ④ 고속도강
 
등록된 댓글이 없습니다.
42. 탄소강에서 적열취성이 원인이 되는 원소는?
- ① 규소
 - ② 망간
 - ③ 인
 - ④ 황
 
등록된 댓글이 없습니다.
43. 열간가공과 비교하여 냉간가공의 장점은 무엇인가?
- ① 작업능률이 양호하다.
 - ② 가공에 필요한 동력이 적게 소모된다.
 - ③ 제품 표면이 아름답다.
 - ④ 단시간 내 완성이 가능하다.
 
등록된 댓글이 없습니다.
44. 탄소가 0.25%인 탄소강의 기계적 성질을 0~500℃ 사이에서 조사하면 200~300℃에서 인장강도가 최대치를, 연신율이 최저치를 나타내며 가장 취약하게 되는 현상은?
- ① 고운취성
 - ② 상온 충격치
 - ③ 청열취성
 - ④ 탄수강 충격값
 
등록된 댓글이 없습니다.
45. 비중이 1.74정도이며, 가벼워 항공기 및 자동차 부품 등에 사용되는 합금의 재료는?
- ① Sn
 - ② Cu
 - ③ Mg
 - ④ Ni
 
등록된 댓글이 없습니다.
46. 다음 회주철에 대한 설명 중 틀린 것은?
- ① 인장력에 약하고 깨지기 쉽다.
 - ② 탄소강에 비해 진동에너지의 흡수가 되지 않는다.
 - ③ 주조와 절삭가공이 쉽다.
 - ④ 유동성이 좋아 복잡한 형태의 주물을 만들 수 있다.
 
등록된 댓글이 없습니다.
47. 순철(α철)의 격자구조는?
- ① 면심입방격자
 - ② 면심정방격자
 - ③ 체심입방격자
 - ④ 조밀육방격자
 
등록된 댓글이 없습니다.
48. 철공용 줄(file)의 재질로 가장 적합한 것은?
- ① 고속도강
 - ② 탄소공구강
 - ③ 세라믹
 - ④ 연강
 
등록된 댓글이 없습니다.
49. 가공용 알루미늄합금 중 항공기나 자동차 몸체용 고강도 Al-Cu-Mg-Mn계의 합금은?
- ① 두랄루민
 - ② 하이드로날륨
 - ③ 라우탈
 - ④ 실루민
 
등록된 댓글이 없습니다.
50. 다음 중 주철의 흑연발생 촉진 원소는 어느 것인가?
- ① Si
 - ② Mn
 - ③ P
 - ④ S
 
등록된 댓글이 없습니다.
51. 다음 중 표준스퍼 기어에서 이의 크기가 가장 큰 것은? (단, m:모듈, P:지름피치이다.)
- ① P=10
 - ② P=12
 - ③ m=2
 - ④ m=2.5
 
등록된 댓글이 없습니다.
52. 다음 그림과 같은 원통코일 스프링의 처짐량 δ=60mm일 때 작용하는 하중 W는 몇 kgf인가? (단, 스프링 상수 k1=6kgf/cm, k2=2kgf/cm이다.)

- ① 4kgf
 - ② 6kgf
 - ③ 9kgf
 - ④ 48kgf
 
등록된 댓글이 없습니다.
53. 축의 홈이 깊게 파여 축의 강도가 약하게 되기는 하나 키와 키홈 등이 모두 가공하기 쉽고 키가 자동적으로 축과 보스 사이에 자리를 잡을 수 있어 자동차, 공작기계등의 축에 널리 사용되며 특히 테이퍼 축에 사용하면 편리한 키는?
- ① 둥근 키
 - ② 접선 키
 - ③ 묻힘 키
 - ④ 반달 키
 
등록된 댓글이 없습니다.
54. V 벨트를 평벨트와 비교한 특징이다. 틀린 것은?
- ① 전동효율이 좋다.
 - ② 출간거리를 더 멀리 할 수 있다.
 - ③ 고속운전이 가능하다.
 - ④ 정숙한 운전이 가능하다.
 
등록된 댓글이 없습니다.
55. 사각형 단면(100mm×60mm)의 기둥에 10kgf/cm2 압축응력이 발생할 때 압축하중은 약 얼마인가?
- ① 6000kgf
 - ② 600kgf
 - ③ 60kgf
 - ④ 60000kgf
 
등록된 댓글이 없습니다.
56. 반복하중을 받는 스프링에서는 그 반복속도가 스프링의 고유진동수에 가까워지면 심한 진동을 일으켜 스프링의 파손 원인이 된다. 이 현상을 무엇이라 하는가?
- ① 자유높이
 - ② 스프링상수
 - ③ 비틀림모멘트
 - ④ 서징
 
등록된 댓글이 없습니다.
57. 재료에 높은 온도로 큰 하중을 일정하게 작용시키면 응력이 일정해도 시간의 경과에 따라 변형률이 증가하는 현상은?
- ① 크리프현상
 - ② 시효현상
 - ③ 응력집중현상
 - ④ 피로파손현상
 
등록된 댓글이 없습니다.
58. 3중 나사에서 나사를 3회전 하였더니 36mm 전진하였다. 이 나사의 피치는?
- ① 12mm
 - ② 6mm
 - ③ 4mm
 - ④ 3mm
 
등록된 댓글이 없습니다.
59. 축을 설게할 때 고려해야 할 사항이 아닌 것은?
- ① 강도 및 변형
 - ② 진동
 - ③ 회전방향
 - ④ 열응력
 
등록된 댓글이 없습니다.
60. 역류를 방지하여 유체를 한쪽 방향으로만 흘러가게 하는 밸브를 무슨 밸브라 하는가?
- ① 콕밸브
 - ② 체크밸브
 - ③ 게이트밸브
 - ④ 안전밸브
 
등록된 댓글이 없습니다.
4과목 : 컴퓨터응용설계
61. CAD의 주변 기기 중 스토리지형 CRT의 장점이 아닌 것은?
- ① 플리커 현상이 발생하지 않는다.
 - ② 고정밀도이며 디스플레이된 영상을 부분적으로 편집할 수 있다.
 - ③ 도형을 화면상에 일정시간 저장이 가능하다.
 - ④ 표시할 수 있는 도형의 양에 제한이 없다.
 
등록된 댓글이 없습니다.
62. 도형 데이터를 입력하기 위하여 화면과 대응된 좌표를 가진 보드 형태의 입력 장치는?
- ① USB메모리
 - ② 무선 키보드
 - ③ 디지타이저
 - ④ 디지털카메라
 
등록된 댓글이 없습니다.
63. 다음 중 CAD/CAM 시스템에서 출력장치는?
- ① 마우스
 - ② 라이트펜
 - ③ 플로터
 - ④ 조이스틱
 
등록된 댓글이 없습니다.
64. 다음 중 BCD코드 체계를 설명한 것이다. 틀린 것은?
- ① 문자를 표현하기 위하여 6개의 비트를 사용한다.
 - ② 하위(오른쪽) 4개의 비트는 문자를 구분하는 디짓비트(digit bit)이다.
 - ③ 컴퓨터 시스템 내부에서 자료를 처리하기 위해 사용되는 2진법 체계이다.
 - ④ BCD 코드 체계에서 표현할 수 있는 문자의 개수는 128개이며, 에러 검출이 가능한 코드이다.
 
등록된 댓글이 없습니다.
65. 다음 중 CAD 그래픽 소프트웨어의 기본 기능이 아닌 것은?
- ① 그래픽 형상 작성 기능
 - ② 데이터 변환 기능
 - ③ 디스플레이 제어 기능
 - ④ 수치제어 가공 기능
 
등록된 댓글이 없습니다.
66. NURBS(Non-Uniform Rational B-Spline)에 관한 설명으로 잘못된 것은?
- ① NURBS 곡선식은 일반적인 B-Spline 곡선식을 포함하는 더 일반적인 형태라고 할 수 있다.
 - ② B-Spline에 비하여 NURBS곡선이 보다 자유로운 변형이 가능하다.
 - ③ 곡선의 변형을 위하여 NURBS곡선에서는 조정점의 x, y, z의 3개의 자유도만 허용한다.
 - ④ NURBS 곡선은 자유곡선뿐만 아니라 원추곡선까지 한 방정식의 형태로 표현이 가능하다.
 
등록된 댓글이 없습니다.
67. 일반적인 CAD 시스템에서 원을 정의하는 방법이 아닌 것은?
- ① 중심과 반지름
 - ② 중심과 원주상의 한점
 - ③ 원주상의 3점
 - ④ 정점과 초점
 
등록된 댓글이 없습니다.
68. 다음 중 y축과의 절편이 10이고, x축과 45°를 이루는 직선의 방정식은?
- ① y=x+10
 - ② y=10-0.5x
 - ③ y=0.7x+10
 - ④ y=0.7+x
 
등록된 댓글이 없습니다.
69. 2X-3Y+7=0과 평행한 직선이 아닌 것은?
- ① 3X-5Y+9=0
 - ② 

 - ③ 4X-6Y+5=0
 - ④ 9Y-6X+11=0
 
등록된 댓글이 없습니다.
70. 행렬 A= 와 B= 의 곱 AB는?
- ① 

 - ② 

 - ③ 

 - ④ 

 
등록된 댓글이 없습니다.
71. 그림과 같은 직선 A, B를 X, Y 방향으로 각각 2배 확대 변환 후 결과를 나타낸 좌표는?

- ① 

 - ② 

 - ③ 

 - ④ 

 
등록된 댓글이 없습니다.
72. 심미적 곡면 중 단면이 안내곡선을 따라 이동하여 형성하는 형태의 곡면을 무엇이라고 하는가?
- ① Sweep형 곡면
 - ② Grid 곡면
 - ③ Patch 곡면
 - ④ Blending 곡면
 
등록된 댓글이 없습니다.
73. 상이한 CAD 시스템 간의 데이터의 교환을 목적으로 개발된 표준데이터 교환 방식이 아닌 것은?
- ① GKS
 - ② HWP
 - ③ STEP
 - ④ IGES
 
등록된 댓글이 없습니다.
74. 원통 좌표계에서 표시된 점의 위치가 (r, θ, z)이다. 이 위치를 직교 좌표계로 표시한 결과는?
- ① x=rㆍcosθ, y=rㆍsinθ, z
 - ② x=rㆍsinθ, y=rㆍcosθ, z
 - ③ x=-rㆍsin2θ, y=rㆍcos2θ, z
 - ④ x=rㆍcos2θ, y=rㆍsin2θ, z
 
등록된 댓글이 없습니다.
75. 공간상에 존재하는 2개의 곡면이 서로 교차하는 경우, 교차되는 부분에서 모서리(edge)가 발생하는데, 이 모서리(edge)를 주어진 반경을 갖고 부드럽게 처리하는 기능을 무엇이라고 하는가?
- ① intersecting
 - ② projecting
 - ③ blending
 - ④ stretching
 
등록된 댓글이 없습니다.
76. 다음 중 서피스 모델링(surface modeling)의 특징을 설명한 것이다. 틀린 것은?
- ① 은선 제거가 가능하다.
 - ② 물리적 성질의 계산이 간단하다.
 - ③ NC 데이터를 생성할 수 있다.
 - ④ 면과 면의 교선을 구할 수 있다.
 
등록된 댓글이 없습니다.
77. 다음 중 불 연산(boolean operation)이 아닌 것은?
- ① Union(합)
 - ② Subtract(차)
 - ③ Intersect(적)
 - ④ Project(투영)
 
등록된 댓글이 없습니다.
78. 주어진 양 끝점만 통과하고 중간의 점은 조정점의 영향에 따라 근사하고 부드럽게 연결되는 선은?
- ① Bezier 곡선
 - ② Spline 곡선
 - ③ Polygonal line
 - ④ 퍼거슨 곡선
 
등록된 댓글이 없습니다.
79. 다음은 공학적 해석(부피, 무게중심, 관성모멘트 등의 계산)을 적용할 때 쓰는 가장 적합한 모델은?
- ① 슬리드 모델
 - ② 서피스 모델
 - ③ 와이어프레임 모델
 - ④ 데이터 모델
 
등록된 댓글이 없습니다.
80. 3차원 솔리드 모델을 구성하는 요소 중 기본 형상(Primitive)이라고 할 수 없는 것은?
- ① 구(Sphere)
 - ② 원통(Cylinder)
 - ③ 직선(Line)
 - ④ 원추(Cone)
 
등록된 댓글이 없습니다.