기계설계산업기사(2005. 9. 4.) 시험일자 : 2005년 9월 4일
1과목 : 기계가공법 및 안전관리
1. 직경이 6Cm이고 길이 1m당 1° 의 비틀림각이 생기는 축이 매분 300회 회전할 때의 전달동력은 몇 KM인가? (단, 전단탄성계수 G=80 Gpa이다.)
- ① 30.2
 - ② 38.4
 - ③ 46.5
 - ④ 55.8
 
등록된 댓글이 없습니다.
2. 길이 L=10m의 단순보에서 그림과 같은 우력이 작용할 때 이 보의 최대 굽힘모멘트(Nㆍm)는 얼마인가?

- ① 60
 - ② 80
 - ③ 100
 - ④ 120
 
등록된 댓글이 없습니다.
3. 전단력이 작용하는 보의 원형단면 지름을 2배로 하면 단면의 최대전단응력은 몇 배로 되는가?
- ① 1/8
 - ② 1/2
 - ③ 1/16
 - ④ 1/4
 
등록된 댓글이 없습니다.
4. 그림과 같은 외팔보에 자유단 A점에 모멘트 M가 작용할 때 반력 RB는?

- ① M
 - ② MㆍL
 - ③ 

 - ④ 0
 
등록된 댓글이 없습니다.
5. σx 와 σy 의 2축 응력상태에서 모아(Mohr) 원의 반경을 나타낸 값은?
- ① (σx-σy)

 - ② (σx+σy)

 - ③ σx-σy
 - ④ σx+σy
 
등록된 댓글이 없습니다.
6. 직경 10Cm의 단순보의 중앙에 1kN의 집중하중이 작용할 때, 최대 굽힘응력을 50Mpa이내가 되도록 하려면 단순보의 길이를 몇 m로 해야 하는가?
- ① 19.6
 - ② 28.8
 - ③ 39.8
 - ④ 44.4
 
등록된 댓글이 없습니다.
7. 단면이 일정한 보에서 곡률반지름에 대한 설명 중 옳은 것은?
- ① 휘어진 보의 각부는 곡률반지름이 모두 같다.
 - ② 굽힘 모멘트가 클수록 곡률반지름은 작게 된다.
 - ③ 곡률반지름은 탄성계수에 반비례한다.
 - ④ 곡률반지름은 하중에 비례한다.
 
등록된 댓글이 없습니다.
8. 직경이 20mm, 길이 2m의 둥근막대의 일단을 고정하고 자유단을 5° 비틀었다면 이 때 생기는 전단응력은 몇 Mpa인가? (단, 전단탄성계수 G=85 Gpa이다.)
- ① 25.2
 - ② 37.1
 - ③ 40.5
 - ④ 57.9
 
등록된 댓글이 없습니다.
9. 그림과 같은 보에서 반력 RB는 얼마인가?

- ① 

 - ② 

 - ③ 

 - ④ 

 
등록된 댓글이 없습니다.
10. 그림과 같이 선형적으로 변하는 분포하중을 받는 단순보의 반력은?

- ① 

 - ② 

 - ③ 

 - ④ 

 
등록된 댓글이 없습니다.
11. 다음 그림과 같은 사각형 단면에서 Z-Z 축에 관한 단면계수를 구하는 식은?

- ① 

 - ② 

 - ③ 

 - ④ 

 
등록된 댓글이 없습니다.
12. 주평면 (Principal plane)에 대한 설명이다. 옳은것은?
- ① 주평면은 전단은력과 수직응력의 합이 작용한다.
 - ② 주평면에는 전단응력이 작용하고 수직응력은 작용하지 않는다.
 - ③ 주평면에는 전단응력은 작용하지 않고 최대 및 최소의 수직응력만이 작용한다.
 - ④ 주평면에는 최대의 수직응력만이 작용하고 최소의 수직응력과 전단응력은 작용하지 않는다.
 
등록된 댓글이 없습니다.
13. 길이 225mm, 탄성계수 180KN/mm2 인 재료에 2KN의 압축하중을 작용시켰더니 400N/mm2 의 응력이 발생하였다. 이 재료에 저장된 탄성에너지는 몇 Nㆍmm인가?
- ① 300
 - ② 400
 - ③ 500
 - ④ 600
 
등록된 댓글이 없습니다.
14. 하단이 고정되고 상단이 자유로운 장주의 임계하중 Pcr을 나타내는 오일러식은? (단. E는 재료의 탄성계수, I는 단면2차 모멘트, l은 장주의 길이이다.)
- ① 

 - ② 

 - ③ 

 - ④ 

 
등록된 댓글이 없습니다.
15. 그림과 같은 황동봉이 있다. 단면적 A 가 1cm2 이고 하중 W1=10RN, W2=5RN이 작용할 때 막대의 늘어난 길이는 몇 cm 인가?

- ① 0.045
 - ② 0.056
 - ③ 0.56
 - ④ 0.45
 
등록된 댓글이 없습니다.
16. 바깥지름 10cm, 안지름이 5cm인 중공(中空)원형 단면의 단면 2차 모멘트는 몇 cm4인가?(단, 축은 언의 중심을 지난다.)
- ① 92
 - ② 210
 - ③ 325
 - ④ 460
 
등록된 댓글이 없습니다.
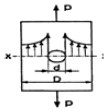
17. 그림과 같은 판재에서 폭 D=20cm, 중앙의 구멍지름 d=8cm이다. 인장하중 P=31360N이 작용할 때 안전율을 10 이라 하면 판의 두께는 몇 cm인가? (단, 판재의 인장강도는 352.8MPa, 응력집중계수는 2.2이다.)

- ① 0.44
 - ② 0.74
 - ③ 1.41
 - ④ 1.63
 
등록된 댓글이 없습니다.
18. 길이가 100cm인 외팔보의 자유단에 4kN의 집중하중이 작용할 때 최대 처침량은 몇 cm인가? (단, 단면2차모멘트 I=300cm4 , 탄성계수 E=210 GPa이다)
- ① 21.16
 - ② 2.116
 - ③ 0.2116
 - ④ 0.02116
 
등록된 댓글이 없습니다.
19. 그림과 같은 단순보에서 최대 전단응력은 얼마인가?(단, 단면은 bxh인 직사각형 단면이다.)

- ① 

 - ② 

 - ③ 

 - ④ 

 
등록된 댓글이 없습니다.
20. 기둥의 가늘고 긴 정도를 나타내는 무차원비(無次元比)를 세장비라 한다. 지름 18cm,길이 4.5m인 기둥의 세장비는 얼마인가?
- ① 20
 - ② 50
 - ③ 80
 - ④ 100
 
등록된 댓글이 없습니다.
2과목 : 기계제도
21. 주물에 기포(또는 기공)가 생기게 하는 가장 큰 원인은?
- ① 너무 높은 주입온도
 - ② 가스배출의 불충분
 - ③ 너무 빠른 주입속도
 - ④ 주형의 표면불량
 
등록된 댓글이 없습니다.
22. 공구에 진동을 주고 공작물과 공구사이에 연삭 입자를 두고 전기적 에너지를 기계적 에너지로 변화함으로써 공작물을 정밀하게 다듬는 방법은?
- ① 전해 연마
 - ② 기어 셰이빙
 - ③ 초음파 가공
 - ④ 방전 가공
 
등록된 댓글이 없습니다.
23. 와이어컷(wire cut) 방전가공과 가장 밀접한 관계가 있는 것은?
- ① 장식품의 절단가공
 - ② 금속주형가공
 - ③ 블랭킹 다이의 구멍가공
 - ④ 다이캐스팅 다이가공
 
등록된 댓글이 없습니다.
24. 호닝머신에서 내면 가공시 공작물에 대한 호운은 어떤 운동을 하는가?
- ① 회전 및 직선 왕복운동
 - ② 회전운동
 - ③ 상하운동
 - ④ 직선 왕복운동
 
등록된 댓글이 없습니다.
25. 다이캐스팅 주조에 대한 설명으로 틀린 것은?
- ① 금형을 사용하므로 제품 크기에 제한이 있다.
 - ② 복잡한 모양과 얇은 주물을 만들 수 있다.
 - ③ 주물제품의 정밀도가 좋다.
 - ④ 용융점이 높은 금속의 주조가 가능하다.
 
등록된 댓글이 없습니다.
26. 맞대기 저항용접법을 분류할 때, 해당되지 않는 것은?
- ① 스텃 용접법
 - ② 업셋 용접법
 - ③ 플래시 용접법
 - ④ 맞대기 심 용접법
 
등록된 댓글이 없습니다.
27. 강재의 화학 조성을 변화시키지 않고, 작은 볼 (shot)을 표면에 고속으로 분사하여 그 표면을 매끈하게 경화시키는 방법은?
- ① 금속 침투법
 - ② 침탄 질화법
 - ③ 질화법
 - ④ 숏피닝법
 
등록된 댓글이 없습니다.
28. 컨테이너(container)를 이용하는 가공법은?
- ① 압출가공
 - ② 인발가공
 - ③ 압연가공
 - ④ 판금가공
 
등록된 댓글이 없습니다.
29. 프레스 가공에서 굽힘가공은?
- ① 컬링(Curling)
 - ② 트리밍(Trimming)
 - ③ 엠보싱(Embossing)
 - ④ 셰이빙(Shaving)
 
등록된 댓글이 없습니다.
30. 내경 측정에만 이용되는 측정기는?
- ① 실린더 게이지
 - ② 블록 게이지
 - ③ 스냅 게이지
 - ④ 측장기
 
등록된 댓글이 없습니다.
31. 표면 거칠기의 측정방식이 아닌 것은?
- ① 촉침식
 - ② 광절단식
 - ③ 광파간섭식
 - ④ 삼침식
 
등록된 댓글이 없습니다.
32. 가공물을 고정할 때, T형홈(T-Slot)이 있는 테이블을 사용하는 기계가 아닌 것은?
- ① 슬로터
 - ② 플레이너
 - ③ 호빙머신
 - ④ 세이퍼
 
등록된 댓글이 없습니다.
33. 유효 단조면적이 500mm2 이고 변형저항이 15.4kgf/mm2 인 단조작업을 하고자 할때, 기계효율이 0.7이면 단조프레스의 용량은?
- ① 11 Ton
 - ② 15 Ton
 - ③ 17 Ton
 - ④ 23 Ton
 
등록된 댓글이 없습니다.
34. 소성가공(塑性加工)이 아닌 것은?
- ① 브로우칭
 - ② 단조
 - ③ 인발
 - ④ 나사전조
 
등록된 댓글이 없습니다.
35. 우연 오차를 줄이는 최선의 방법은?
- ① 측정기 자체의 오차를 없게 한다.
 - ② 개인 오차를 없게 한다.
 - ③ 반복 측정하여 평균한다.
 - ④ 온도에 의한 오차를 없게 한다.
 
등록된 댓글이 없습니다.
36. 직경이 300mm, 날 수 40개인 정면커터로 50mm×380mm×20mm의 공작물을 밀링에서 가공하고자 한다. 이 때 절삭속도는 18m/min이고, 날 1개당 이송을 0.1mm로 한다면 테이블의 이송 속도는 얼마로 해야 하는가?
- ① 76.4mm/min
 - ② 83.5mm/min
 - ③ 95.4mm/min
 - ④ 102.5mm/min
 
등록된 댓글이 없습니다.
37. 절삭공구의 절삭날 결손에 대한 종류 중 틀린 것은?
- ① 브레이킹(breaking)
 - ② 크랙(crack)
 - ③ 시어(shear)
 - ④ 치핑(chipping)
 
등록된 댓글이 없습니다.
38. 구멍용 한계 게이지가 아닌 것은?
- ① 봉 게이지
 - ② 평형 플러그 게이지
 - ③ 스냅 게이지
 - ④ 판 플러그 게이지
 
등록된 댓글이 없습니다.
39. 전단가공의 분류에 속하지 않는 것은?
- ① 피어싱(piercing)
 - ② 세이빙(shaving)
 - ③ 엠보싱(embossing)
 - ④ 노칭(notching)
 
등록된 댓글이 없습니다.
40. 용접부의 검사에서 비파괴 검사법은?
- ① 현미경조직 검사
 - ② 초음파 검사
 - ③ 낙하 검사
 - ④ 화학분석 검사
 
등록된 댓글이 없습니다.
3과목 : 기계설계 및 기계재료
41. 다음 중 주철의 장점이 될 수 없는 것은?
- ① 용융점이 낮고 유동성이 우수하다.
 - ② 연신율이 높은편이다.
 - ③ 압축강도가 크다.
 - ④ 마찰저항이 우수하다.
 
등록된 댓글이 없습니다.
42. 다이캐스팅용 AI 합금으로 요구되는 성질 중 틀린것은?
- ① 유동성이 좋을 것
 - ② 열간 취성이 작을 것
 - ③ 응고 수축에 대한 용탕 보급성이 좋을 것
 - ④ 금형에 대한 점착성이 좋을 것
 
등록된 댓글이 없습니다.
43. 알루미늄의 성질을 설명하였다. 틀린 것은?
- ① 알루미늄은 가볍고 전연성이 우수하다.
 - ② 알루미늄은 전기· 열의 양도체이다.
 - ③ 알루미늄은 대기중에서 내식성이 좋다.
 - ④ 알루미늄은 백색 중금속이다.
 
등록된 댓글이 없습니다.
44. 공작기계 및 자동차 등에 사용되는 소결 마찰 부품의 구비조건으로 맞지 않은 것은?
- ① 내마모성, 내열성이 낮을것
 - ② 마찰계수가 크고 안정될 것
 - ③ 가격이 저렴할 것
 - ④ 열전도성, 내유성이 좋을것
 
등록된 댓글이 없습니다.
45. 다음중 보장재의 형상에 따라 분류된 복합재료가 아닌 것은?
- ① 입자 강화 복합재료
 - ② 자기 강화 복합재료
 - ③ 휘스커 강화 복합재료
 - ④ 섬유 강화 복합재료
 
등록된 댓글이 없습니다.
46. 다음 중 순철의 일반적 성질의 설명중 틀린 것은?
- ① 상온에서 전성 및 연성이 풍부하다.
 - ② 기계적강도가 높고 자기변태가 없다.
 - ③ 온도에 따라 α철, r철 및 δ 철로 동소변태 된다.
 - ④ 전자석이나 자극의 철심에 사용된다.
 
등록된 댓글이 없습니다.
47. 형상기억 효과와 같이 특정한 모양의 제품을 인장 하여 탄성한도를 넘어서 소성변화를 시킨 경우에도 하중을 제거하면 원래상태로 돌아가는 성질을 무엇이라 하는가?
- ① 신소재 효과
 - ② 형상기억 효과
 - ③ 초탄성 효과
 - ④ 초소성 효과
 
등록된 댓글이 없습니다.
48. 다음 철강 재료 중 담금질 열처리에 의해 경화되지않은 것은?
- ① 순철
 - ② 탄소강
 - ③ 탄소 공구강
 - ④ 고속도 공구강
 
등록된 댓글이 없습니다.
49. 다음 중 베어링 합금이 아닌 것은?
- ① 화이트메탈
 - ② Cu-Pb합금
 - ③ W-Ni합금
 - ④ 베빗메탈
 
등록된 댓글이 없습니다.
50. 2개 성분의 금속이 용해된 상태에서는 균일한 용액으로 되나. 응고 후에는 성분 금속이 각각 결정이분리되며, 2개의 성분 금속이 고용체를 만들지 않고 기계적으로 혼합된 조직으로 되는 현상을 무엇이라 하는가?
- ① 공정
 - ② 편정
 - ③ 포정
 - ④ 초정
 
등록된 댓글이 없습니다.
51. 지름 75mm의 강출을 사용하여 250rpm으로 90PS을 전달시키는 성크키의 토크(kgf-mm)를 구하면?
- ① 257832
 - ② 48877.7
 - ③ 488777
 - ④ 25783.2
 
등록된 댓글이 없습니다.
52. 반달기(woordruff key)는 자동차, 공작기계 등의 테이퍼 축에 적합하며, 홈의 깊이 때문에 축의 강도를 감소시키는 단점이 있다. 반달키는 일반적으로 몇mm이하의 축에 적합한가?
- ① 40
 - ② 60
 - ③ 100
 - ④ 200
 
등록된 댓글이 없습니다.
53. 300kgf-m의 비틀림 모멘트를 받고 있는 축의 지름은 얼마인가? (단 허용전단응력은 6kgf/mm2이다.)
- ① 63.4mm
 - ② 85.0mm
 - ③ 40.0mm
 - ④ 25.6mm
 
등록된 댓글이 없습니다.
54. 미끄럼을 방지하기 위하여 접촉면에 치형을 붙여, 맞물림에 의하여 전동하도록 조합한 벨트로서 슬립과 크리프가 거의 없고 속도 변화가 아주 작은 벨트는?
- ① 고무벨트
 - ② 타이밍 벨트
 - ③ 직물벨트
 - ④ 강벨트
 
등록된 댓글이 없습니다.
55. 다음은 스프링에 대한 설명이다. 옳지 않은 것은 어느 것인가?
- ① 탄성이 큰 재료로 만들어지며, 하중의 작용에 따라 변형한다.
 - ② 코일 스프링은 하중의 방향에 따라 압축 코일 스프링과 인장 코일 스프링으로 나뉜다.
 - ③ 겹판 스프링은 볼트의 머리와 중간재 사이 또는 너트와 중간재 사이에서 충격을 흡수한다.
 - ④ 스프링 재료에는 스프링 강재(SPS 6), 피아노선(SWP), 황동선(C 2600 W)등이 있다.
 
등록된 댓글이 없습니다.
56. 관용나사에 대한 설명 중 잘못된 것은?
- ① 기밀을 유지하고 누설을 방지하는데 사용된다.
 - ② 관용 테이퍼나사와 관용 평행나사가 있다.
 - ③ 관용나사의 나사산의 각도는 55°이다.
 - ④ 기밀용에는 관용 테이퍼나사 보다 관용 평행나사가 좋다.
 
등록된 댓글이 없습니다.
57. 자전거의 래칫휠에 사용되는 클러치는?
- ① 맞물림 클러치
 - ② 마찰클러치
 - ③ 일방향 클러치
 - ④ 원심클러치
 
등록된 댓글이 없습니다.
58. 각종 기어에 대한 설명 중 틀리게 설명한 것은?
- ① 스퍼기어는 잇줄이 기어 축에 평행한 기어로서 평행한 두 축 사이의 동력전달에 이용된다.
 - ② 헬리컬 기어는 잇줄이 나선 곡선인 원통기어로서 두 축의 상대적 위치는 평행하다.
 - ③ 베벨기어는 원통의 안쪽에 이가 있는 기어이며 두축의 회전방향이 같으며, 높은 감속비의 경우에 사용된다.
 - ④ 하이포이드기어는 베벨기어의 축을 엇갈리게 한 것으로, 자동차의 차동기어장치의 감속기어로 사용된다.
 
등록된 댓글이 없습니다.
59. V벨트가 널리 쓰이는 이유 중 틀린 것은?
- ① 고무의 굴요성(屈堯性)이 풍부하고. 마찰 전동력이 크다.
 - ② 운전중 진동 소음이 적자.
 - ③ 속조비를 크게 취할 수 없고, 축간거리가 길게 된다.
 - ④ 고속 전동을 할 수 있다.
 
등록된 댓글이 없습니다.
60. 다음 중 주로 전단응력을 받는 것은 어느 것인가?
- ① 로프
 - ② 벨트
 - ③ 압축기
 - ④ 리벳이음
 
등록된 댓글이 없습니다.
4과목 : 컴퓨터응용설계
61. 단면의 무게중심을 표시하는데 사용되는 선은?
- ① 굵은실선
 - ② 가는 1점쇄선
 - ③ 가는 2점쇄선
 - ④ 가는파선
 
등록된 댓글이 없습니다.
62. 기본적인 출력장치 중 하나인 LCD 모니터에 대한 다음 설명 중 틀린 것은?
- ① 일반 CRT 모니터에 비해 전력소모가 적다.
 - ② 전자총으로 색상을 표현한다.
 - ③ 액정의 전기적 성질을 광학적으로 응용한 것이다.
 - ④ 노트북 컴퓨터에는 TFT-LCD를 많이 사용한다.
 
등록된 댓글이 없습니다.
63. 다음 기하공차의 종류 중 위치공차에 속하지 않는 것은?
- ① 위치도 공차
 - ② 동축도 공차
 - ③ 대칭도 공차
 - ④ 원통도 공차
 
등록된 댓글이 없습니다.
64. 선의 대한 설명 중 틀린 것은?
- ① 지시선은 가는실선으로 지시, 기호 등을 표시하기 위하여 끌어내는 쓰인다.
 - ② 수준면선은 수면, 유면의 위치를 표시하는 쓰인다.
 - ③ 기준선은 특히 위치결정의 근거가 된다는 것을 명시할 때 쓰인다.
 - ④ 아주 굵은실선은 특수한 가공을 하는 부분에 쓰인다.
 
등록된 댓글이 없습니다.
65. 그림과 같이 2개의 경계곡선(그림1-에 의해서 하나의 곡면(그림2)을 구성하는 기능을 무엇이라고 하는가?

- ① revolution
 - ② twist
 - ③ loft
 - ④ sweep
 
등록된 댓글이 없습니다.
66. 일반적인 CAD시스템에서 도형을 정의할 때 명령어 LINE과 POLYLINE의 차이점을 정확히 설명한 것은?
- ① LINE은 하나의 직선 세그먼트(segment)만 그릴 수 있고 POLYLINE은 여러 직선 세그먼트를 그릴 수 있다.
 - ② 두 명령어 모두 여러 직선 세그먼트를 그릴 수 있으나 LINE은 각각의 세그먼트를 별개의 객체로 취급하고 POLTLINE은 전체를 하나의 객체로 취급한다.
 - ③ LINE은 2차원에서 사용하는 것이고 POLYLINE은 3차원에서 사용하는 명령어이다.
 - ④ LINE과 POLYLINE은 동일한 명령어이다.
 
등록된 댓글이 없습니다.
67. 도형을 원점에 대한 점대칭에 의하여 그리려고 한다. 변황 Matrix가 옳게 표시된 것은?
- ① 

 - ② 

 - ③ 

 - ④ 

 
등록된 댓글이 없습니다.
68. 컴퓨터의 통신속도를 나타내는 단위는?
- ① BPI
 - ② BPT
 - ③ MIPS
 - ④ BPS
 
등록된 댓글이 없습니다.
69. 다음 변환 행렬식의 요소가 a > l , d < l , b = c = 0 인 경우 나타나는 기하학적 변환으로 알맞은 것은?

- ① x 방향으로 확대, y 방향으로 축소
 - ② x, y 방향으로 확대
 - ③ x 방향으로 축소, y 방향으로 확대
 - ④ x, y 방향으로 축소
 
등록된 댓글이 없습니다.
70. 그림은 어떤 형체의 정면도와 우측면도를 표현한 것이다. 평면도의 투상으로 옳지 않은 것은?

- ① 

 - ② 

 - ③ 

 - ④ 

 
등록된 댓글이 없습니다.
71. 스프링의 제도에 대한 설명으로 옳지 않은 것은?
- ① 스프링의 종류와 모양만을 도시할 경우에는 스프링 재료의 중심을 굵은 실선으로 그린다.
 - ② 겹판 스프링은 스프링판이 수평한 상태에서 그리는 것을 원칙으로 한다.
 - ③ 특별한 단서가 없는 한 모두 오른쪽 감기로 도시한다.
 - ④ 코일 스프링은 하중이 가해진 상태에서 그린다.
 
등록된 댓글이 없습니다.
72. 다음 요소 중 길이방향으로 단면하여 도시할 수 있는 것은?
- ① 풀리
 - ② 작은 나사
 - ③ 볼트
 - ④ 리벳
 
등록된 댓글이 없습니다.
73. 유니파이 나사에서 호칭치수 3/8인치, 1인치 사이에 12산의 보통나사가 있다. 표시방법으로 옳은 것은?
- ① 8/3 - 12 UNC
 - ② 3/8 - 12 UNF
 - ③ 3/8 - 12 UNC
 - ④ 8/3 - 12 UNF
 
등록된 댓글이 없습니다.
74. 축이 이고, 구멍이 인 끼워맞춤에서 최대 죔새는?
- ① 0.01
 - ② 0.02
 - ③ 0.03
 - ④ 0.04
 
등록된 댓글이 없습니다.
75. 점 P1(6.3)을 원점을 중심으로 90° 반시계 방향으로 회전 시킬때 얻어지는 점의 좌표는?
- ① (-3,6)
 - ② (3,-6)
 - ③ (-6,3)
 - ④ (6,-3)
 
등록된 댓글이 없습니다.
76. 직선이나 곡선 등은 화소(pixel)들을 이용하여 컴퓨터 화면에 그려진다. 직선이나 곡선들을 화소들의 접합으로 나타내는 계산을 무엇이라고 부르는가?
- ① Scan-conversion
 - ② Clipping
 - ③ Window-to-viewport transformation
 - ④ Hidden line removal
 
등록된 댓글이 없습니다.
77. 다음 중 Bezier 곡선의 성질에 해당되지 않는 것은?
- ① 곡선의 차수는 (조정점의 개수-1) 이다.
 - ② 곡선은 볼록포 (convex hull) 안에 위치한다.
 - ③ 한 개의 조정점을 움직이면 곡선 일부의 모양만이 변한다.
 - ④ 곡선 시작점에서 접선은 처음 두 개의 조정점을 직선으로 연결한 것과 방향이 같다.
 
등록된 댓글이 없습니다.
78. 축 방향으로 본 모양을 도시할 때 기어의 이뿌리원을 그리는데 사용되는 선의 종류는?
- ① 가는 1점 쇄선
 - ② 가는 파선
 - ③ 가는 실선
 - ④ 굵은 실선
 
등록된 댓글이 없습니다.
79. 제품의 모델(model)과 그에 관련된 데이터 교환에 관한 표준 데이터 형식이 아닌 것은?
- ① STEP
 - ② IGES
 - ③ DXF
 - ④ SAT
 
등록된 댓글이 없습니다.
80. 재료기호의 중간부분 문자이다. 단조품을 뜻한는 것은?
- ① F
 - ② C
 - ③ K
 - ④ 8W
 
등록된 댓글이 없습니다.