전자기사(2019. 9. 21.) 시험일자 : 2019년 9월 21일
1과목 : 전기자기학
1. 평행판 콘덴서의 판 사이가 진공으로 되어 정전 용량이 C0인 콘덴서가 있다. 이 콘덴서에 유전체를 삽입하여 정전 용량 C를 얻었다. 다음 중 틀린 것은?
- ① 유전체를 삽입한 콘덴서의 정전 용량 C는 진공인 때의 정전 용량 C0보다 커진다.
- ② 삽입된 유전체 내의 전계는 판 사이가 진공인 경우의 전계보다 강해진다.
- ③ 두 정전 용량의 비(C/C0)는 유전체 종류에 따라 정해지는 상수이며 비유전율이라 부른다.
- ④ 유전체의 분극의 세기 P는 분극에 의하여 발생된 전하 밀도와 같다.
등록된 댓글이 없습니다.
2. 무한 평면 도체표면에서 수직거리 d(m)만큼 떨어진 곳에 점전하 +Q(C)가 있다. 영상전하(image charge)와 평면도체 간에 작용하는 힘 F(N)는?
- ① , 반발력

- ② , 흡인력

- ③ , 반발력

- ④ , 흡인력

등록된 댓글이 없습니다.
3. 유전체의 경계조건에 대한 설명으로 틀린 것은?
- ① 표면전하 밀도란 구속전하의 표면밀도를 말하는 것이다.
- ② 완전 유전체 내에서는 자유전하는 존재하지 않는다.
- ③ 경계면에 외부 전하가 있으면, 유전체의 내부와 외부의 전하는 평형되지 않는다.
- ④ 특수한 경우를 제외학 경계면에서 표면전하 밀도는 영(zero)이다.
등록된 댓글이 없습니다.
4. 전류에 의한 자계의 방향을 결정해 주는 것은?
- ① 플레밍의 오른손 법칙
- ② 암페어의 오른나사 법칙
- ③ 비오 사바르의 법칙
- ④ 렌츠의 법칙
등록된 댓글이 없습니다.
5. 0.2 Wb/m2의 평등자재 속에 자계와 직각방향으로 놓인 길이 30cm인 도선을 자계와 30도의 방향으로 30m/s의 속도로 이동시킬 때, 도체 양단에 유기되는 기전력은 몇 V 인가?
- ① 0.3
- ② 0.6
- ③ 0.9
- ④ 1.2
등록된 댓글이 없습니다.
6. 그림과 같이 두 개의 코일이 직렬로 연결되어 있다. 이 회로에 0.5A에 전류를 흘릴 때 이 합성코일에 축적되는 에너지는 몇 J 인가? (단, L1= 20mH, L2 = 40mH, 결합계수 k = 0.5 이다.)

- ① 1.1 × 10-4
- ② 2.2 × 10-4
- ③ 1.1 × 10-2
- ④ 2.2 × 10-2
등록된 댓글이 없습니다.
7. 자기인덕턴스 L의 단위는?
- ① V
- ② A
- ③ T
- ④ H
등록된 댓글이 없습니다.
8. 비유전율 εr = 80, 비투자율 μr = 1인 전자파의 고유임피던스는 약 몇 Ω 인가?
- ① 21
- ② 42
- ③ 80
- ④ 160
등록된 댓글이 없습니다.
9. 물(εr=80, μr=1) 속에서 전자파의 속도는 약 몇 m/s인가?
- ① 3.35 × 107
- ② 2.67 × 108
- ③ 3.0 × 109
- ④ 9.0 × 109
등록된 댓글이 없습니다.
10. 영구자석에 관한 설명으로 틀린 것은?
- ① 한번 자화된 다음에는 자기를 영구적으로 보존하는 자석이다.
- ② 보자력이 클수록 자계가 강한 영구자석이 된다.
- ③ 잔류 자속밀도가 클수록 자계가 강한 영구자석이 된다.
- ④ 자석 재료로 폐회로를 만들면 강한 영구자석이 된다.
등록된 댓글이 없습니다.
11. 동심구형 콘덴서의 내외 반지름을 각각 10배로 증가시키면 정전용량은 몇 배로 증가하는가?
- ① 5
- ② 10
- ③ 20
- ④ 100
등록된 댓글이 없습니다.
12. 반경 a인 구도체에 –Q의 전하를 주고 구도체의 중심 O에서 10a되는 점 P에 10Q의 점전하를 놓았을 때, 직선 OP위의 점 중에서 전위가 0이 되는 지점과 구도체의 중심 O와의 거리는?
- ① a/5
- ② a/2
- ③ a
- ④ 2a
등록된 댓글이 없습니다.
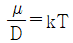
13. 정전류가 흐르고 있는 무한 직선도체로부터 수직으로 0.1m만큼 떨어진 점의 자계의 크기가 100AT/m 이면 0.2m 만큼 떨어진 점의 자계의 크기(AT/m)는?
- ① 50
- ② 40
- ③ 30
- ④ 20
등록된 댓글이 없습니다.
14. 다음 중 무한 솔레노이드에 전류가 흐를 때에 대한 설명으로 가장 알맞은 것은?
- ① 내부 자계는 위치에 상관없이 일정하다.
- ② 내부 자계와 외부 자계는 그 값이 같다.
- ③ 외부 자계는 솔레노이드 근처에서 멀어질수록 그 값이 작아진다.
- ④ 내부 자계의 크기는 0 이다.
등록된 댓글이 없습니다.
15. 면적 A(m2), 간격 d(m)인 평행판 콘덴서의 전극판에 비유전율 εr인 유전체를 가득 채웠을 때 전극판 간에 전압 V(V)를 가하면 전극판을 떼어내는데 필요한 힘은 몇 N 인가?
- ①

- ②

- ③

- ④

등록된 댓글이 없습니다.
16. 변위 전류와 가장 관계가 깊은 것은?
- ① 반도체
- ② 유전체
- ③ 자성체
- ④ 도체
등록된 댓글이 없습니다.
17. 두 개의 자극판이 놓여 있을 때 자계의 세기 H(AT/m), 자속밀도 B(Wb/m2), 투자율 μ(H/m)인 곳의 자계의 에너지밀도(J/m3)는?
- ①

- ②

- ③

- ④

등록된 댓글이 없습니다.
18. 환성철심 코일에 5A의 전류를 흘려 2000AT의 기자력을 생기게 하려면 코일의 권수(회)는?
- ① 10000
- ② 500
- ③ 400
- ④ 250
등록된 댓글이 없습니다.
19. 자성체에 외부의 자계 H0를 가하였을 때 자화의 세기 J와의 관계식은? (단, N은 감자율, μ는 투자율이다.)
- ①

- ②

- ③

- ④

등록된 댓글이 없습니다.
20. 무한장 선전하와 무한평면 전하에서 r(m) 떨어진 점의 전위는 각각 몇 V 인가? (단, ρL은 선전하밀도, ρs는 평면전하밀도이다.)
- ① 무한직선 : ∞, 무한평면도체 : ∞
- ② 무한직선 : , 무한평면도체 :

- ③ 무한직선 : , 무한평면도체 :

- ④ 무한직선 : , 무한평면도체 : ∞

등록된 댓글이 없습니다.
2과목 : 회로이론
21. 코일과 콘덴서에서 실제로 급격히 변화할 수 없는 것은?
- ① 코일에서 전류, 콘덴서에서 전류
- ② 코일에서 전압, 콘덴서에서 전압
- ③ 코일에서 전압, 콘덴서에서 전류
- ④ 코일에서 전류, 콘덴서에서 전압
등록된 댓글이 없습니다.
22. L1 = 20H, L2 = 5H인 전자 결합회로에서 결합계수 K = 0.5일 때 상호인덕턴스 M은 몇 H 인가?
- ① 5
- ② 7.5
- ③ 8
- ④ 9
등록된 댓글이 없습니다.
23. 오버슈트(overshoot)의 정의로 옳은 것은?
- ① 최종치의 90%에 도달하는 시간
- ② 과도 시간 중 최초의 피크치와 최종치의 차이
- ③ 응답이 최초로 목표값이 50%가 되는데 필요한 시간
- ④ 응답이 요구되는 오차 이내로 정착되는데 필요한 시간
등록된 댓글이 없습니다.
24. 다음 회로망은 T형 회로 및 π형 회로의 종속 접속으로 이루어졌다. 이 회로망의 ABCD 파라미터 중 틀린 것은?

- ① A = 7
- ② B = 48
- ③ C = 6
- ④ D = 7
등록된 댓글이 없습니다.
25. 선형 회로에서 시변 용량을 갖는 커패시터의 전류 i(t)는?
- ①

- ②

- ③

- ④

등록된 댓글이 없습니다.
26. RL 직렬회롤에서 t=0일 때 직류 전압 100V를 인가하면, 흐르는 전류 i(t)는 몇 A 인가? (단, R = 50Ω, L = 10, i(0) = 0 이다.)
- ①

- ②

- ③

- ④

등록된 댓글이 없습니다.
27. te-t의 Laplace 변환값은?
- ①

- ②

- ③

- ④

등록된 댓글이 없습니다.
28. 입력신호가 감쇠되지 않고 잘 통과되는 주파수 범위를 나타내는 용어는?
- ① 저지 대역
- ② 상한 차단 주파수
- ③ 통과 내역
- ④ 하한 차단 주파수
등록된 댓글이 없습니다.
29. 이상적인 전류원의 내부 임피던스 Z는?
- ① Z = 0
- ② Z = 1Ω
- ③ Z = ∞
- ④ Z는 정해지지 않는다.
등록된 댓글이 없습니다.
30. 다음 회로에서 전류 i1은 약 몇 A 인가?

- ① 0.12
- ② 0.32
- ③ 0.62
- ④ 0.92
등록된 댓글이 없습니다.
31. 그림과 같은 저역통과 RC회로에 스텝입력전압(step input voltage)을 가했을 때 출력전압의 설명으로 옳은 것은? (단, 커패시터 C의 초기전압은 0 이다.)

- ① 계단파형이 나타난다.
- ② 0부터 지수적으로 증가한다.
- ③ 처음에는 계단전압으로 변했다가 지수적으로 감쇠한다.
- ④ 직류성분이 나타나지 않는다.
등록된 댓글이 없습니다.
32. 0.4mH인 코일에 흐르는 전류가 mA라 하면 t = 0 일 때 코일 양단전압의 절대치는 몇 V 인가?
- ① 0.2
- ② 2
- ③ 5
- ④ 50
등록된 댓글이 없습니다.
33. 다음 전류파형의 실효치(RMS)는?

- ①

- ②

- ③

- ④

등록된 댓글이 없습니다.
34. 전압 e(t) = e-t + 2e-2t의 라플라스 변환 E(s)는?
- ①

- ②

- ③

- ④

등록된 댓글이 없습니다.
35. 다음의 단위 임펄스 함수(unit impulse function) δ(t)에 관한 설명으로 옳은 것은?
- ① 폭은 거의 0이고 높이는 거의 무한대가 되며 면적은 1이 되는 펄스이다.
- ② 임의 회로망의 입력전압으로 δ(t)를 가하면 출력 전압은 입력전압과 같게 된다.
- ③

- ④ 단위 램프 함수(unit ramp function)를 미분한 것이다.
등록된 댓글이 없습니다.
36. 어떤 코일에 흐르는 전류가 0.01s 사이에 일정하게 50A로부터 30A로 변할 때, 20V의 기전력이 발생한다고 하면 자기인덕턴스는 몇 mH인가?
- ① 5
- ② 10
- ③ 15
- ④ 20
등록된 댓글이 없습니다.
37. 다음 신호 에 대한 라플라스 변환은?
- ①

- ②

- ③

- ④

등록된 댓글이 없습니다.
38. RLC 병렬공진회로에 대한 양호도(Qo : Quality factor)의 표현으로 옳은 것은?
- ①

- ②

- ③

- ④

등록된 댓글이 없습니다.
39. 1000mH인 코일의 리액턴스가 377Ω일 때 주파수는 약 몇 Hz인가?
- ① 6
- ② 36
- ③ 60
- ④ 360
등록된 댓글이 없습니다.
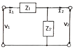
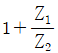
40. 다음 그림과 같은 4단자 회로망에서 4단자 정수를 ABCD 파라미터로 나타낼 때 A는? (단, A는 개방 역방향 전압이득이다.)

- ①

- ② Z1
- ③

- ④ 1
등록된 댓글이 없습니다.
3과목 : 전자회로
41. 레큘레이터 IC의 정전압조정기가 무부하 출력전압 10.55V, 최대 부하 출력전압 10.49V 일 때, 백분율로 표현된 부하전압 변동률은 약 몇 % 인가?
- ① 0.384
- ② 0.572
- ③ 0.716
- ④ 0.924
등록된 댓글이 없습니다.
42. 다이오드에 대한 설명 중 틀린 것은?
- ① 다이오드에 역방향 전압을 가하면 공핍영역은 넓어진다.
- ② 다이오드의 항복(breakdown)현상은 순방향 전압이 과도하면 발생한다.
- ③ P형 반도체는 3가 원소를 도핑함으로써 얻을 수 있다.
- ④ 다이오드에 순방향 전압을 가했을 때 흐르는 전류는 주로 포화전류에 의한 것이다.
등록된 댓글이 없습니다.
43. 다음의 단상반파 정류회로에서 입력신호가 e = √2·100·sin(50×2πt) V일 때, 직류 전압 평균치 Edc는 약 몇 V 인가? (단, R = 10Ω이고, 다이오드는 이상적인 소자)

- ① 141
- ② 90
- ③ 70
- ④ 45
등록된 댓글이 없습니다.
44. 펄스 반복주파수 600Hz, 펄스폭 1.5μs인 펄스의 충격계수 D(Duty factor)는?
- ① 3×10-4
- ② 6×10-4
- ③ 9×10-4
- ④ 12×10-4
등록된 댓글이 없습니다.
45. 다음 연산증폭기 회로에서 출력 임피던스는 약 몇 Ω인가? (단, 개루프 전압증폭도 A는 10000이고, 출력임피던스는 50Ω 이다.)

- ① 0.1
- ② 0.5
- ③ 1.0
- ④ 5.0
등록된 댓글이 없습니다.
46. 슬루 레이트(slew rate)의 단위는?
- ① μs/V
- ② μs/A
- ③ V/μs
- ④ A/μs
등록된 댓글이 없습니다.
47. 연산증폭기를 이용한 가중가산기(weighted-sum)에서 Rf=30kΩ이고, vo = -(v1+2v2+3v3)일때 R1, R2, R3는 각각 얼마인가?

- ① R1 = 30kΩ, R2 = 15kΩ, R3 = 10kΩ
- ② R1 = 10kΩ, R2 = 15kΩ, R3 = 30kΩ
- ③ R1 = 60kΩ, R2 = 30kΩ, R3 = 15kΩ
- ④ R1 = 15kΩ, R2 = 30kΩ, R3 = 60kΩ
등록된 댓글이 없습니다.
48. 발진 회로의 발진의 조건을 옳은 것은?
- ① 귀환 루프의 위상 천이가 0°이다.
- ② 귀환 루프의 위상 천이가 180°이다.
- ③ 귀환 루프의 이득이 0 이다.
- ④ 귀환 루프의 이득이 1/2 이다.
등록된 댓글이 없습니다.
49. 단위이득주파수 fT가 125MHz인 트랜지스터가 대역폭 주파수 영역에서 전압이득이 26dB인 증폭기로 사용될 때 이상적으로 가질 수 있는 대역폭은 약 몇 MHz인가? (단, 저역 차단주파수는 없다.)
- ① 9.6
- ② 6.25
- ③ 4.8
- ④ 12.5
등록된 댓글이 없습니다.
50. 다음은 이상적인 연산 증폭기를 사용한 차동증폭기이다. 출력전압 Vo는 몇 V 인가?

- ① 5
- ② 5/2
- ③ 5/4
- ④ 2
등록된 댓글이 없습니다.
51. 다음의 트랜지스터 회로에서 VCC가 10V, RB가 300kΩ이고 RC가 1kΩ일 때, 베이스전류 IB 컬렉터-이미터 전압 VCE로 옳은 것은? (단, VBE = 0.7V이고, β = 100 이다.)

- ① IB = 31 μA, VCE = 6.9V
- ② IB = 310 μA, VCE = 6.9V
- ③ IB = 3.1 mA, VCE = 9.3V
- ④ IB = 3.1 μA, VCE = 9.3V
등록된 댓글이 없습니다.
52. 출력 전압파형이 입력파형과 똑같은 형태를 갖는 증폭기는? (단, 위상 무시)
- ① A급 증폭기
- ② B급 증폭기
- ③ C급 증폭기
- ④ AB급 증폭기
등록된 댓글이 없습니다.
53. 이 회로의 동작으로 적절한 논리식은?

- ①

- ②

- ③

- ④

등록된 댓글이 없습니다.
54. 전가산기를 반가산기 몇 개와 어떤 논리게이트 몇 개로 구성하는 것이 가장 적당한가?
- ① 반가산기 2개, AND 게이트 1개
- ② 반가산기 2개, OR 게이트 2개
- ③ 반가산기 3개, OR 게이트 1개
- ④ 반가산기 2개, OR 게이트 1개
등록된 댓글이 없습니다.
55. 부궤환 증폭기에 대한 설명 중 옳은 것은?
- ① 이득만 감소되고 기타 특성에는 변화가 없다.
- ② 이득이 커지고, 잡음, 왜율, 대역폭 특성이 개선된다.
- ③ 이득이 감소되는 반면 잡음, 왜율, 대역폭은 증가된다.
- ④ 이득, 잡음, 왜율은 감소되는 반면 대역폭이 넓어진다.
등록된 댓글이 없습니다.
56. 아래는 7 세그면트 LED 디스플레이의 진리표이다. a~g의 세그먼트 중에서 d세그먼트를 동작시키기 위한 출력 Yd의 논리회로의 식은? (단, 1010 ~ 1111은 don't care 조건이다.)

- ①

- ②

- ③

- ④

등록된 댓글이 없습니다.
57. 트랜지스터 회로가 선형영역에서 동작할 때의 관계식으로 틀린 것은?

- ①

- ②

- ③

- ④

등록된 댓글이 없습니다.
58. B급 푸시풀(push-pull) 증폭기의 직류 공급 전력은? (단, VCC는 공급 전압, Im은 최대 컬렉터 전류이다.)
- ①

- ②

- ③

- ④

등록된 댓글이 없습니다.
59. 어떤 차동증폭기의 차동이득은 1000이며, 동상이득은 0.1일 때, 동상신호 제거비 CMRR은 몇 dB인가?
- ① 10,000
- ② 1000
- ③ 80
- ④ 60
등록된 댓글이 없습니다.
60. 다음 회로의 입출력 특성곡선으로 적절한 것은? (단, R = 10Ω, 다이오드는 이상적인 소자이며, slope은 절댓값이다.)

- ①

- ②

- ③

- ④

등록된 댓글이 없습니다.
4과목 : 물리전자공학
61. 접합형 트랜지스터에서 스위칭 작업에 필요한 동작영역은?
- ① 포화 영역, 활성 영역
- ② 활성 영역, 차단 영역
- ③ 포화 영역, 차단 영역
- ④ 활성 영역, 역활성 영역
등록된 댓글이 없습니다.
62. 다음 중 에너지밴드에 속하지 않는 것은?
- ① 전도대
- ② 금지대
- ③ 가전자대
- ④ 전기대
등록된 댓글이 없습니다.
63. 진성 반도체에 대한 설명 중 틀린 것은?
- ① 반도체의 저항 온도계수는 양(+)이다.
- ② 운반체(carrier)의 밀도는 온도가 상승하면 증가한다.
- ③ Fermi 준위는 어떤 온도와 관계없이 금지대의 중앙에 위치한다.
- ④ 전자의 농도와 정공의 농도는 같다.
등록된 댓글이 없습니다.
64. 물질에서 직접적으로 전자가 방출될 수 있는 조건이 아닌 것은?
- ① 열을 가한다.
- ② 빛을 가한다.
- ③ 전계를 가한다.
- ④ 압축을 한다.
등록된 댓글이 없습니다.
65. 열전자 방출을 할 때 전계에 의해서 일함수가 적어져서 열전자 방출이 쉬워지는 현상을 무엇이라 하는가?
- ① Schottk 효과
- ② Zeemann 효과
- ③ Seebeck 효과
- ④ Hall 효과
등록된 댓글이 없습니다.
66. 터널 효과의 가능성을 나타내는 원리는 어느 것인가?
- ① 제벡 효과
- ② 상대성 원리
- ③ 드브로이 방정식
- ④ 슈뢰딩거의 파동방정식
등록된 댓글이 없습니다.
67. 어느 열음극의 일함수(work functuon)의 값이 1/2로 되면 열전자 전류밀도는 어떻게 되는가?
- ① 배

- ② 배

- ③ 배

- ④ 배

등록된 댓글이 없습니다.
68. 순방향 바이어스전압이 PN접합 다이오드 양단에 인가될 때 공핍층 가까이에서 소수캐리어의 농도의 변화는 어떻게 되는가?
- ① P형 영역과 N형 영역에서 동시에 증가한다.
- ② P형 영역과 N형 영역에서 동시에 감소한다.
- ③ P형 영역에서 증가하고, N형 영역에서 감소한다.
- ④ N형 영역에서 증가하고, P형 영역에서 감소한다.
등록된 댓글이 없습니다.
69. 터널 다이오드(tunnel diode)의 설명 중 틀린 것은?
- ① 부성 저항 특성을 나타낸다.
- ② 마이크로파 발진용으로 사용된다.
- ③ 공간 전하층이 일반 다이오드 보다 넓다.
- ④ 역바이어스 상태에서 전도성이 양호하다.
등록된 댓글이 없습니다.
70. 트랜지스터 제조시 컬렉터 내부용량과 베이스 저항을 작게 하는 이유로 가장 적절한 것은?
- ① 순방향 특성을 개선하기 위하여
- ② 고주파 특성을 개선하기 위하여
- ③ 역방향 내전압을 증가시키기 위하여
- ④ 구조를 간단히 하고 소형화시키기 위하여
등록된 댓글이 없습니다.
71. 광도전 반도체 소자는?
- ① 터널(tunnel) 다이오드
- ② 버렉터(varactor) 다이오드
- ③ 서미스터(thermistor)
- ④ CdS 셀
등록된 댓글이 없습니다.
72. 다음 중 플라즈마(Plasma)와 같은 기체 상태의 경우 적용될 수 있는 분포식은?
- ① Einstein의 관계식
- ② Schrödinger 방정식
- ③ Maxwell-Boltzmann 방정식
- ④ 1차원의 Poisson 방정식
등록된 댓글이 없습니다.
73. 5600Å의 파장을 가진빛이 광전면에 투사되어 방출된 광전자의 최대 에너지가 0.68eV 이라고 하면 광전면의 일함수는 약 얼마인가? (단, 플랑크 상수 = 6.6×10-34 [J·S], 광속도 = 3×108m/s, e = 1.6×10-19 [C])
- ① 1.5V
- ② 2.6V
- ③ 3.6V
- ④ 4.0V
등록된 댓글이 없습니다.
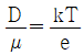
74. 학산 정수 D, 이동도 μ, 절대온도 T 간의 관계식으로 옳은 것은? (단, k는 볼츠만의 상수이고, e는 캐리어의 전하이다.)
- ①

- ②

- ③

- ④

등록된 댓글이 없습니다.
75. 균등전계 내 전자의 운동에 관한 설명 중 틀린 것은?
- ① 전자는 전계와 반대 방향의 일정한 힘을 받는다.
- ② 전자의 운동 속도는 인가된 전위차 V의 제곱근에 반비례한다.
- ③ 전계 E에 의한 전자의 운동 에너지는 1/2 mv2[J]이다.
- ④ 전위차 V에 의한 가속전자의 운동 에너지는 eV[J]이다.
등록된 댓글이 없습니다.
76. 어떤 도체의 단면을 1A의 전류가 흐를 때 이 단면을 0.1초 동안에 통과하는 전자 수는? (단, 전자의 전하량 Q = 1.6×10-19[C]이다.)
- ① 6.25×1017 개
- ② 6.25×1019 개
- ③ 6.25×1021 개
- ④ 6.25×1023 개
등록된 댓글이 없습니다.
77. P채널 전계효과 트랜지스터(FET)에 흐르는 전류는 주로 어느 현상에 의한 것인가?
- ① 전자의 확산 현상
- ② 정공의 확산 현상
- ③ 전자의 드리프트 현상
- ④ 정공의 드리프트 현상
등록된 댓글이 없습니다.
78. Fermi-Dirac 분포함수 f(E)에 대한 설명으로 틀린 것은? (단, Ef는 페르미준위이다.)
- ① T = 0 K 일 때 E>Ef 이면 f(E) = 0 이다.
- ② T = 0 K 일 때 E<Ef 이면 f(E) = 1 이다.
- ③ 절대온도에 따라 전자가 채워질 확률은 일정하다.
- ④ T = 0 K Ef 보다 낮은 에너지준위는 전부 전자로 채워져 있으며, Ef 이상의 에너지준위는 전부 비어 있다.
등록된 댓글이 없습니다.
79. 바리스터의 동작원리에 관한 설명 중 옳은 것은?
- ① 걸린 전압이 높을수록 저항이 커져서 전류의 크기를 제한할 수 있다.
- ② 걸린 전압이 높아지면 절연파괴가 일어나 단락(short)이 된다.
- ③ 걸린 전압에 따라 정전용량이 달라져서 충격전류를 흡수한다.
- ④ 걸린 전압이 높을수록 저항이 작아져서 과잉전를 흡수한다.
등록된 댓글이 없습니다.
80. 홀(hall) 효과와 가장 관계가 깊은 것은?
- ① 자장계
- ② 고저항 측정기
- ③ 전류계
- ④ 분압계
등록된 댓글이 없습니다.
5과목 : 전자계산기일반
81. 서브루핀을 호출하는 “CALL” 명령어가 실행되는 동안에 수행되는 동작이 아닌 것은?
- ① 스택포인터 내용을 감소시킨다.
- ② 복귀할 주소를 스택에 저장한다.
- ③ 호출할 주소를 PC에 적재한다.
- ④ 호출할 주소를 스택으로부터 인출한다.
등록된 댓글이 없습니다.
82. 시프트레지스터에 대한 설명 중 틀린 것은?
- ① 시프트레지스터의 가능한 입축력 방식에는 직렬입력-직렬출력, 직렬입력-병렬출력, 병렬입력-직렬출력, 병렬입력-병렬출력이 있다.
- ② n비트 시프트레지스터는 n개의 플립플롭과 시프트 동작을 제어하는 게이트로 구성되어 있다.
- ③ 레지스터는 왼쪽 시프트, 오른쪽 시프트 중에 하나일 수 있고, 둘을 겸할 수도 있다.
- ④ 시프트레지스터를 왼쪽으로 한 번 시프트하면 2로 나눈 결과가 되고 오른쪽으로 한 번 시프트하면 2로 곱한 결과가 된다.
등록된 댓글이 없습니다.
83. 어셈블리어 프로그램을 기계어로 바꾸어 주는 것은?
- ① 어셈블러
- ② 인터프리터
- ③ 로더
- ④ 컴파일러
등록된 댓글이 없습니다.
84. 고급 프로그래밍 언어가 기계어가 되기까지의 처리 순서로 적절한 것은?
- ① 컴파일러 → 어셈블러 → 로더 → 링커
- ② 컴파일러 → 어셈블러 → 링커 → 로더
- ③ 어셈블러 → 컴파일러 → 로더 → 링커
- ④ 어셈블러 → 컴파일러 → 링커 → 로더
등록된 댓글이 없습니다.
85. 8진수 (375.24)8를 10진수의 표현으로 옳은 것은?
- ① 254.3126
- ② 253.3125
- ③ 252.3124
- ④ 251.3123
등록된 댓글이 없습니다.
86. 다음 중 시스템버스에 속하지 않는 것은?
- ① 제어 버스
- ② 주소 버스
- ③ 데이터 버스
- ④ I/O 버스
등록된 댓글이 없습니다.
87. 서브루틴의 리턴(복귀) 어드레스를 저장하기 위해 사용되는 자료 구조는?
- ① STACK
- ② QUEUE
- ③ Linked List
- ④ Tree 구조
등록된 댓글이 없습니다.
88. interrupt 중에서 타이머, 정전 등의 외부 신호에 의하여 발생되는 것은?
- ① I/O interrupt
- ② program interrupt
- ③ external interrupt
- ④ supervisor call interrupt
등록된 댓글이 없습니다.
89. 홀수 패리티 발생기에 대한 식으로 옳은 것은? (단, 입력은 x, y, z 이다.)
- ① (x ⊙ y) ⊙ z
- ② (x ⊕ y) ⊕ z
- ③ (x + y) · z
- ④ (x ⊕ y) ⊙ z
등록된 댓글이 없습니다.
90. 다음 프로그램을 수행했을 때 그의 결과는 무엇인가?

- ① x=0, y=1, z=3
- ② x=0, y=2, z=2
- ③ x=0, y=2, z=3
- ④ x=1, y=2, z=3
등록된 댓글이 없습니다.
91. 분기 명령어 길이가 3바이트 명령어이고 상대주소모드인 경우 분기명령어가 저장되어 있는 기억장치 위치의 주소가 256AH이고, 명령어에 지정된 변위값이 –75H인 경우 분기되는 주소의 위치는?
- ① 24F2H 번지
- ② 24F5H 번지
- ③ 24F8H 번지
- ④ 256DH 번지
등록된 댓글이 없습니다.
92. 다음 중 에러를 찾아서 교정을 할 수 있는 코드는?
- ① hamming code
- ② ring counter code
- ③ gray code
- ④ 8421 code
등록된 댓글이 없습니다.
93. 중앙처리장치(CPU)의 3대 구성요소가 아닌 것은?
- ① 제어장치
- ② 연산장치
- ③ 입력장치
- ④ 기억장치
등록된 댓글이 없습니다.
94. RISC(Reduced Instruction Set Computer)와 CISC(Complex Instruction Set Computer)에 대한 설명 중 잘못된 것은?
- ① RISC는 실행 빈도가 적은 하드웨어를 제거하여 자원 이용률을 높이는 장점이 있다.
- ② RISC는 프로그램의 길이가 길어지므로 수행속도가 느린 단점이 있다.
- ③ CISC는 고급언어를 이용하여 알고리즘을 쉽게 표현할 수 있는 장점이 있다.
- ④ CISC는 복잡한 명령어군을 제공하므로 컴퓨터 설계 및 구현 시 많은 시간을 필요로 하는 단점이 있다.
등록된 댓글이 없습니다.
95. 다음 중 순차 논리 회로에 해당되는 것은?
- ① 부호기
- ② 반가산기
- ③ 멀티플렉서
- ④ 플립플롭
등록된 댓글이 없습니다.
96. 주기억장치에서 캐시 메모리로 데이터를 전송하는 매핑 방법이 아닌 것은?
- ① 어소시어티브 매핑(Associative Mapping)
- ② 직접 매핑(Direct Mapping)
- ③ 간접 매핑(Idirect Mapping)
- ④ 세트-어소시어티브 매핑(Set-Associative Mapping)
등록된 댓글이 없습니다.
97. 다음의 C 프로그램을 무엇을 입력한 것인가?

- ① 실수입력
- ② 정수입력
- ③ 문자열입력
- ④ 문자입력
등록된 댓글이 없습니다.
98. 16개의 레지스터를 가진 CPU는 몇 비트의 레지스터 지정 필드를 가져야 하는가?
- ① 1
- ② 4
- ③ 8
- ④ 16
등록된 댓글이 없습니다.
99. 우선순위에 의한 중재 방식 중 중재 동작이 끝날 때마다 모든 마스터들의 우선순위가 한단계씩 낮아지고 가장 낮았던 마스터가 최상위 우선순위를 가지는 방식은?
- ① 임의 우선순위
- ② 동등 우선순위
- ③ 회전 우선순위
- ④ 최소-최근사용 우선순위
등록된 댓글이 없습니다.
100. 다음 중 RAM에 대한 설명으로 적합하지 않은 것은?
- ① DRAM은 대용량 구성이 가능하고 가격도 SRAM과 비교하여 낮기 때문에 보조기억장치로 사용된다.
- ② SRAM은 메모리 리프레시(Refresh) 동작이 필요하지 않다.
- ③ SRAM은 DRAM과 비교하여 동작속도가 빠르다.
- ④ DDRAM, SDRAM은 DRAM의 한 종류이다.
등록된 댓글이 없습니다.