9급 지방직 공무원 기계설계(2013. 8. 24.) 시험일자 : 2013년 8월 24일
1. 후크의 법칙에 대한 설명으로 옳은 것은?
- ① 탄성계수의 값은 모든 재료에서 동일하다.
- ② 비례한도 이내에서 응력과 변형률은 비례한다.
- ③ 비례한도 이내에서 변형량과 단면적은 비례한다.
- ④ 비례한도 이내에서 변형량과 탄성계수는 비례한다.
등록된 댓글이 없습니다.
2. 회전하는 축에 2개의 회전체를 설치하였다. 축의 자중만에 의한 위험속도는 N0[rpm], 각 회전체를 단독으로 축에 설치했을 경우 축의 자중을 무시한 위험속도는 각각 N1[rpm], N2[rpm]이다. 이때, 축의 위험속도 Nc[rpm]를 구하기 위한 던커레이(Dunkerley) 공식은?
- ① Nc=N0+N1+N2
- ②

- ③

- ④

등록된 댓글이 없습니다.
3. 유체를 한 방향으로만 흐르도록 하고 역류를 방지할 목적으로 사용하는 밸브는?
- ① 체크 밸브
- ② 슬루스 밸브
- ③ 스톱 밸브
- ④ 안전 밸브
등록된 댓글이 없습니다.
4. 다음 설명에 해당하는 커플링은?

- ① 올덤 커플링
- ② 슬리브 커플링
- ③ 플랜지 커플링
- ④ 유니버설 커플링
등록된 댓글이 없습니다.
5. 두께 2 [mm]인 강판 2장을 지름 20 [mm]인 리벳을 이용하여 2줄 겹치기 이음을 하고자 한다. 1 피치 내의 하중은 20 [kN]이고 판효율이 60%라면 피치는 몇 [mm]인가?
- ① 40
- ② 50
- ③ 60
- ④ 70
등록된 댓글이 없습니다.
6. 그림과 같이 하중 P가 용접선에 평행하게 작용할 때, 용접부에 발생하는 최대 전단응력은?

- ①

- ②

- ③

- ④

등록된 댓글이 없습니다.
7. 벨트전동에서 인장측 장력이 이완측 장력의 3배이고 벨트의 유효장력이 100 [kgf]일 때, 인장측 장력[kgf]은? (단, 원심력의 영향은 무시함)
- ① 50
- ② 67
- ③ 150
- ④ 200
등록된 댓글이 없습니다.
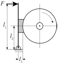
8. 그림과 같은 단식 블록 브레이크에서 드럼의 지름이 360 [mm]이고 브레이크 레버의 조작력 F가 200 [N]일 때, 드럼이 우회전할 경우 제동 토크[N·mm]는? (단, l1=500 [mm], l2=190 [mm], l3=50 [mm], 마찰계수 μ=0.2 )

- ① 9,000
- ② 10,000
- ③ 18,000
- ④ 20,000
등록된 댓글이 없습니다.
9. 내경과 외경의 비가 2인 중공축에 작용할 수 있는 허용 비틀림 모멘트는 T이다. 만약 내경을 고정한 상태에서 내경과 외경의 비를 4로 설계할 경우, 허용 비틀림 모멘트는? (단, 축 재료의 허용응력은 동일함)
- ① 4.5T
- ② 6.5T
- ③ 8.5T
- ④ 10.5T
등록된 댓글이 없습니다.
10. 일정한 축방향 하중이 작용하는 원통형 코일스프링에서 소선의 지름과 스프링 전체의 평균지름을 모두 2배로 증가시킬 경우 스프링의 처짐량은 몇 배인가?
- ① 0.5
- ② 1
- ③ 2
- ④ 4
등록된 댓글이 없습니다.
11. 볼트에 축방향의 정하중 W[kgf]가 작용할 때, 허용인장응력 σa[kgf/mm2]를 만족시키기 위한 볼트의 최소 바깥지름 d [mm]는? (단, 골지름 d1=0.8d)
- ①

- ②

- ③

- ④

등록된 댓글이 없습니다.
12. 미터나사 M 30 × 3에 대한 설명으로 옳은 것은?
- ① 미터 보통 나사 유효지름 30 [mm], 산수 3
- ② 미터 가는 나사 바깥지름 30 [mm], 산수 3
- ③ 미터 보통 나사 유효지름 30 [mm], 피치 3 [mm]
- ④ 미터 가는 나사 바깥지름 30 [mm], 피치 3 [mm]
등록된 댓글이 없습니다.
13. 삼각나사에 작용하는 축방향 하중을 Q, 마찰계수를 μ, 나사산의 각을 2β라고 할 때, 나사면에 발생하는 마찰력은?
- ① μQ
- ② μQcosβ
- ③ μQ/cosβ
- ④ μQ/sinβ
등록된 댓글이 없습니다.
14. 서로 맞물려 회전하는 보통이의 표준 평기어가 다음 규격과 같을 때, 작은 기어와 큰 기어의 이끝원 지름[mm]은 각각 얼마인가?

- ① 120, 480
- ② 128, 480
- ③ 120, 488
- ④ 128, 488
등록된 댓글이 없습니다.
15. 평균 반지름 r, 두께 t인 원통의 압력용기에 내압이 작용할 때, 축방향 응력은 원주방향 응력의 몇 배인가? (단, t/r는 0.1이내로 두께가 얇음)
- ① 0.5
- ② 1.0
- ③ 1.5
- ④ 2.0
등록된 댓글이 없습니다.
16. 체인에서 원동축 스프로킷 휠의 피치가 24 [mm], 잇수가 25개, 분당 회전수가 200 [rpm], 체인의 전체 링크 수가 100개일 때, 체인의 평균 속도[m/s]는?
- ① 2
- ② 2.4
- ③ 20
- ④ 24
등록된 댓글이 없습니다.
17. 지름 100 [mm]인 축에 평행키를 설치하였다. 분당 회전수 487 [rpm]으로 2 [kW]의 동력을 전달할 때, 키에 발생하는 전단응력[kgf/mm2]은? (단, 키의 폭, 높이, 길이는 각각 10 [mm], 8 [mm], 80 [mm])
- ① 0.1
- ② 0.125
- ③ 0.25
- ④ 1
등록된 댓글이 없습니다.
18. 다음 그림과 같은 원통 마찰차에서, 원동차(A)의 직경 DA=120 [mm], 중간차(B)의 직경 DB=50 [mm], 종동차(C)의 직경 Dc=240 [mm]이고, 원동차(A)의 분당 회전수가 700 [rpm]이면, 종동차(C)의 분당 회전수[rpm]는? (단, 마찰차 사이에서 미끄럼이 전혀 없으며 회전속도비 손실은 무시한다)

- ① 270
- ② 350
- ③ 700
- ④ 1,400
등록된 댓글이 없습니다.
19. 회전속도 450 [rpm]에서 1,000시간의 정격수명시간을 갖는 단열 레이디얼 볼베어링을 선정하고자 한다. 베어링 하중 200 [kgf], 하중계수 fw=1일 때, 기본 동정격하중 C[kgf]는?
- ① 400
- ② 600
- ③ 800
- ④ 1,000
등록된 댓글이 없습니다.
20. 헬리컬기어의 잇수가 Z일 때, 상당 평기어의 잇수는? (단, β는 헬리컬기어의 나선각임)
- ① Z/cosβ
- ② Z/cos2β
- ③ Z/cos3β
- ④ Z/cos4β
등록된 댓글이 없습니다.