무선설비기사(2017. 6. 10.) 시험일자 : 2017년 6월 10일
1과목 : 디지털 전자회로
1. 다음과 같은 정류회로에 대한 설명으로 틀린 것은?

- ① (+) 반주기에는 D1과 D3가 On되어 정류작용을 한다.
- ② 고압 정류회로에 적합하다.
- ③ Tap형 전파정류회로에 비해 정류효율이 낮고 전압 변동률이 크다.
- ④ 중간 Tap이 있어 대형 변압기로 사용할 수 있다.
등록된 댓글이 없습니다.
2. 다음 중 직류 전압 또는 직류 전류의 맥동률을 감소시키기 위한 회로가 아닌 것은?
- ①

- ②

- ③

- ④

등록된 댓글이 없습니다.
3. 고주파 증폭회로에서 중화 조정을 수행하는 목적은?
- ① 이득의 증가
- ② 주파수의 안정
- ③ 전력 효율의 증대
- ④ 자기 발진의 방지
등록된 댓글이 없습니다.
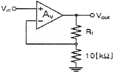
4. 다음은 궤환율이 0.04인 부궤환 증폭기 회로이다. 저항 Rf의 값은?

- ① 120[kΩ]
- ② 180[kΩ]
- ③ 220[kΩ]
- ④ 240[kΩ]
등록된 댓글이 없습니다.
5. 다음과 같은 연산증폭기 회로의 출력 전압은?

- ① -8.4[V]
- ② -4.6[V]
- ③ -2.3[V]
- ④ -1.6[V]
등록된 댓글이 없습니다.
6. 다음 중 푸시풀(Push-Pull) 전력증폭회로의 가장 큰 장점은?
- ① 우수 고조파 상쇄로 왜곡이 감소한다.
- ② 직류성분이 없어지기 때문에 효율이 크다.
- ③ A급 동작시 크로스오버(Cross Over) 왜곡이 감소한다.
- ④ 기수와 우수 고조파 상쇄로 효율이 증가한다.
등록된 댓글이 없습니다.
7. 다음 회로는 빈-브릿지(Wien-Bridge) 발진회로이다. R1, R2 값이 감소할 경우 발진주파수의 변화는?

- ① 증가한다.
- ② 감소한다.
- ③ 변화없다.
- ④ 발진이 되지 않는다.
등록된 댓글이 없습니다.
8. 병렬저항형 이상형 발진회로에서 1.6[kHz]의 주파수를 발진하는데 필요한 저항 값은 약 얼마인가? (단, C=0.01[μF])
- ① 2[kΩ]
- ② 4[kΩ]
- ③ 6[kΩ]
- ④ 8[kΩ]
등록된 댓글이 없습니다.
9. 1,000[kHz]의 반송파를 5[kHz]의 신호주파수로 진폭 변조할 경우 출력 측에 나타나는 주파수가 아닌 것은?
- ① 995[kHz]
- ② 1,000[kHz]
- ③ 1,005[kHz]
- ④ 1,990[kHz]
등록된 댓글이 없습니다.
10. 진폭 변조파의 전압이 e=(200+50sin2π100t)sin2π×108t[V]로 표시되었을 때 변조도는 약 몇 [%]인가?
- ① 25
- ② 50
- ③ 75
- ④ 95
등록된 댓글이 없습니다.
11. 다음 중 디지털 복조에 대한 설명으로 틀린 것은?
- ① ASK(Amplitude Shift Keying)에 대한 복조는 비동기식 포락선 검파만을 이용한다.
- ② 동기 검파는 송신신호의 주파수와 위상에 동기된 국부발진 신호와 입력 신호를 곱하게 하는 곱셈 검파기이다.
- ③ 비동기식 포락선 검파방식은 PSK(Phase Shift Keying)의 복조에는 이용되지 않는다.
- ④ 비동기식 검파는 동기 검파보다 시스템은 간단하지만 효율이 떨어진다.
등록된 댓글이 없습니다.
12. 정보 전송 기술에서 다음 그림과 같은 변조 파형을 얻을 수 있는 변조 방식은?

- ① ASK(Amplitude Shift Keying)
- ② PSK(Phase Shift Keying)
- ③ FSK(Frequency Shift Keying)
- ④ QASK(Quadrature Amplitude Shift Keying)
등록된 댓글이 없습니다.
13. 다음 중 트랜지스터의 스위칭 작용에 의해서 발생된 펄스 파형에서 링깅(Ringing) 현상이 생기는 이유는?
- ① 낮은 주파수 성분 때문이다.
- ② 직류분이 잘 통하지 않기 때문이다.
- ③ 높은 주파수 성분에 공진하기 때문이다.
- ④ 증폭기의 저역 특성이 나쁘기 때문이다.
등록된 댓글이 없습니다.
14. 다음 중 슈미트 트리거회로(Schmitt Trigger Circuit)에 대한 설명으로 틀린 것은?
- ① 구형파 펄스 발생회로로 사용된다.
- ② 비안정 멀티바이브레이터 회로이다.
- ③ 입력전압의 크기가 출력의 On, Off 상태를 결정해 준다.
- ④ 두 개의 안정상태를 갖는 회로이다.
등록된 댓글이 없습니다.
15. RS 플립플롭 회로의 출력 Q 및 Q는 리셋(Reset) 상태에서 어떠한 논리 값을 가지는가?
- ①

- ②

- ③

- ④

등록된 댓글이 없습니다.
16. 다음 그림과 같은 RS 플립플롭에서 R 입력과 S 입력 사이에 NOT 게이트를 추가하면 어떤 기능을 갖는 플립플롭인가?

- ① T형 플립플롭
- ② N형 플립플롭
- ③ JK형 플립플롭
- ④ D형 플립플롭
등록된 댓글이 없습니다.
17. J-K 플립플롭은 두 개의 입력 데이터(Data)에 의하여 출력에서 몇 개의 조합(Combination)을 얻을 수 있는가?
- ① 2
- ② 4
- ③ 8
- ④ 16
등록된 댓글이 없습니다.
18. 25진 리플 카운터를 설계할 경우 최소한 몇 개의 플립플롭이 필요한가?
- ① 3개
- ② 4개
- ③ 5개
- ④ 6개
등록된 댓글이 없습니다.
19. 서로 다른 2개 이상의 신호를 하나의 통신 채널로 전송하는데 필요한 장치는?
- ① 멀티플렉서
- ② 비교기
- ③ 인코더
- ④ 디코더
등록된 댓글이 없습니다.
20. 반가산기(Half Adder)에서 A = 1, B = 1일 경우 S(Sum)의 값은?
- ① -1
- ② 1
- ③ 0
- ④ 2
등록된 댓글이 없습니다.
2과목 : 무선통신 기기
21. 어떤 AM송신기의 안테나 전류가 무변조되었을 때 11.75[A]이지만 변조되었을 때는 14.14[A]까지 증가하였다면 변조율은 약 몇 [%] 인가?
- ① 54[%]
- ② 74[%]
- ③ 84[%]
- ④ 94[%]
등록된 댓글이 없습니다.
22. 다음 중 영상 주파수를 개선하기 위한 방법으로 틀린 것은?
- ① 중간 주파수를 낮게 정함으로써 영상 주파수에 의한 혼신을 감소시킨다.
- ② 특정한 영상 주파수에 대한 Trap 회로를 입력회로에 넣는다.
- ③ 고주파 증폭단을 두고 동조회로 Q를 크게 한다.
- ④ 고주파 동조 증폭단을 증설한다.
등록된 댓글이 없습니다.
23. 다음 중 DPSK(Differential Phase Shift Keying) 방식에 대한 설명으로 틀린 것은?
- ① BPSK(Binary Phase Shift Keying) 방식에 비해 S/N 값이 우수하다.
- ② 회로가 간단해 무선 LAN(Local Area Network) 분야의 변조 방식으로 사용된다.
- ③ PSK 동기 검파만 가능한 단점을 보완한 차동 위상 검파 방식이다.
- ④ Delay 회로가 필요하다.
등록된 댓글이 없습니다.
24. 다음 중 BPSK(Binary Phase Shift Keying) 변조방식에 대한 설명으로 틀린 것은?
- ① 정보 데이터의 심볼값에 따라 반송파의 위상이 변경되는 변조 방법이다.
- ② 이진 신호의 S1(t)와 S2(t)의 위상차기 180[°]가 될 때 성능이 최대가 된다.
- ③ 점유대역폭은 ASK(Amplitude shift keying)와 같으나 심볼 오류 확률은 낮다.
- ④ M진 PSK 방식의 대역폭 효율은 변조방식의 영향을 받는다.
등록된 댓글이 없습니다.
25. QPSK(Quadrature Shift Keying) 신호의 보(Baud)속도가 400[bps]이면 데이터 전송속도는 얼마인가?
- ① 100[bps]
- ② 400[bps]
- ③ 800[bps]
- ④ 1,600[bps]
등록된 댓글이 없습니다.
26. 진폭 변조와 위상 변조를 결합하여 위상선도 상에서 점들의 위치를 달리하는 변조 방식은?
- ① QAM(Quadrature Amplitude Modulation)
- ② DPSK(Differential Phase Shift Keying)
- ③ CPFSK(Continuous Phase Frequency Shift Keying)
- ④ GMSK(Gaussian Filtered Minimum Shift Keying)
등록된 댓글이 없습니다.
27. 다중접속 기술 방식 중 OFDM(Orthogonal Frequency Division Multiple Access) 방식의 단점으로 옳은 것은?
- ① 타임슬롯 동기화가 어렵다.
- ② 주파수 자원의 이용 효율이 낮다.
- ③ 복잡한 전력제어 알고리즘이 필요하다.
- ④ 시간동기와 주파수동기에서 오류가 발생하면 성능저하가 심각하다.
등록된 댓글이 없습니다.
28. 전송할 신호의 주파수에 비해 높은 주파수의 반송파를 이용하여 1과 0을 진폭, 주파수 및 위상에 대응하여 전송하는 방식은?
- ① 문자 동기 전송 방식
- ② 대역 전송 방식
- ③ 차분 방식
- ④ 다이코드 방식
등록된 댓글이 없습니다.
29. 다음 중 표본화 오차의 발생 원인에 해당되지 않는 것은?
- ① 반올림(Round-Off) 오차
- ② 절단(Truncation) 오차
- ③ 엘리어싱(Aliasing) 오차
- ④ 과부하(Overload) 오차
등록된 댓글이 없습니다.
30. 다음 중 GPS(Global Positioning System)를 이용하여 위치 측정 시 발생하는 오차가 아닌 것은?
- ① 위성 시계의 오차
- ② 위성 궤도의 오차
- ③ 온도 상승의 오차
- ④ 다중경로 등으로 인한 거리 오차
등록된 댓글이 없습니다.
31. 다음 중 축전지 취급상의 주의할 점에 대한 설명으로 틀린 것은?
- ① 방전한 상태로 방치하지 말 것
- ② 충전은 규정 전류로 규정 시간에 할 것
- ③ 축전지의 전압이 약 1.0[V], 비중 0.5가 되면 방전을 정지시키고 곧 충전할 것
- ④ 극판이 전해액 면에서 노출하지 않을 정도로 전해액을 보충해 둘 것
등록된 댓글이 없습니다.
32. 다음 중 쵸크 입력형 평활회로에 대한 설명으로 틀린 것은?
- ① 정류기에 충격전류의 모양으로 전류가 흐르지 않는다.
- ② 큰 직류출력을 얻을 수 있다.
- ③ 전압 변동률이 작다.
- ④ 높은 출력전압과 작은 맥동률이 요구될 때 사용된다.
등록된 댓글이 없습니다.
33. 무부하시 직류 출력전압이 10[V]인 정류회로의 전압 변동률이 10[%]일 경우, 부하시 직류 출력전압은 약 얼마인가?
- ① 7.09[V]
- ② 8.09[V]
- ③ 9.09[V]
- ④ 10.09[V]
등록된 댓글이 없습니다.
34. 다음 전원 공급 장치의 설비 중 수 변전설비의 종류에 적합하지 않은 것은?
- ① 단로기
- ② 피뢰기
- ③ 분전반
- ④ 배전용 변압기
등록된 댓글이 없습니다.
35. 기본파 전압이 10[V], 제2고조파 전압이 4[V], 제3고조파 전압이 3[V]일 때 전압왜율은 몇 [%]인가?
- ① 10[%]
- ② 25[%]
- ③ 50[%]
- ④ 80[%]
등록된 댓글이 없습니다.
36. 다음 중 계수형 주파수계에 대한 설명으로 잘못된 것은?
- ① ±1 Count 오차는 계수시간과 피측정 신호의 상대 위상 관계 때문에 발생한다.
- ② ±1 Count 오차를 작게 하기 위해 게이트 시간을 짧게 한다.
- ③ 매초당 반복되는 파의 수를 펄스로 변환하여 계수한 후 표시하는 방식이다.
- ④ 측정범위를 확대하기 위해서는 비트다운(Beat Down)방식을 사용한다.
등록된 댓글이 없습니다.
37. 전원회로의 부하에 병렬로 블러더(Bleeder) 저항을 사용하면 전원특성은 어떻게 되는가?
- ① 전압변동률이 개선된다.
- ② 리플함유율이 개선된다.
- ③ 정류효율이 저하된다.
- ④ 최대역전압이 증가한다.
등록된 댓글이 없습니다.
38. 정재파 전압의 최대치를 Vmax, 정재파 전압의 최소치를 Vmin이라 할 때 정재파비를 구하는 식을 바르게 나타낸 것은?
- ① Vmax/Vmin
- ② Vmin/Vmax
- ③ (Vmax+Vmin)/(Vmax-Vmin)
- ④ (Vmax-Vmin)/(Vmax+Vmin)
등록된 댓글이 없습니다.
39. 단상 전파 정류회로의 직류 출력전압과 직류 출력전력은 단상 반파 정류회로와 비교하여 각각 몇 배인가?
- ① 1배, 2배
- ② 1배, 4배
- ③ 2배, 2배
- ④ 2배, 4배
등록된 댓글이 없습니다.
40. 평활회로는 어떤 필터의 역할을 수행하는가?
- ① LPF(Low Pass Filter)
- ② HPF(High Pass Filter)
- ③ BPF(Band Pass Filter)
- ④ BRF(Band Rejection Filter)
등록된 댓글이 없습니다.
3과목 : 안테나 공학
41. 두 개의 금속판을 마주보게 놓고 전압을 인가했을 때 극판 사이의 전속밀도(D)는 얼마인가?(단, 극판에 축적된 전하를 Q[C], 극판 면적을 S[m2], 극판 사이의 유전율을 ε[F/m]라 한다.
- ①

- ②

- ③

- ④

등록된 댓글이 없습니다.
42. 다음 중 포인팅 벡터의 크기를 나타내는 것은? (단, E : 전계의 세기, H : 자계의 세기, μ : 투자율, ε : 유전율)
- ① EH
- ② με
- ③ H/E
- ④ √μ/E
등록된 댓글이 없습니다.
43. 다음 중 거리에 따라 가장 감쇠가 급격하게 발생하는 것은?
- ① 정전계
- ② 유도계
- ③ 복사전계
- ④ 복사자계
등록된 댓글이 없습니다.
44. 다음 중 분포정수형 평형-불평형 변환회로가 아닌 것은?
- ① 위상변환형
- ② 분기 도체
- ③ 반파장 우회선로
- ④ 스페르토프(Sperrtopf)
등록된 댓글이 없습니다.
45. 복사저항이 450[Ω]인 폴디드다이폴 안테나 두 개를 λ/4 임피던스 변환기를 사용하여 100[Ω]의 평행 2선식 급전선에 정합시키고자 한다. 이 때 변환기의 임피던스 값은?
- ① 212[Ω]
- ② 275[Ω]
- ③ 300[Ω]
- ④ 424[Ω]
등록된 댓글이 없습니다.
46. 다음 중 산란행렬(Scattering Matrix)의 구성요소인 S-파라미터의 설명으로 옳은 것은?
- ① 반사 계수와 전송 계수를 나타낸다.
- ② 전압과 전류의 관계로 4단자 회로의 특성을 나타낼 수 있다.
- ③ 입ㆍ출력 단자를 개방하거나 단락해서 파라미터를 정의한다.
- ④ 고주파 회로에서 사용할 수 없다.
등록된 댓글이 없습니다.
47. 다음 중 마이크로파의 전송선로로서 도파관을 사용하는 이유로 가장 적합한 것은?
- ① 취급 전력이 작고 방사손실이 없다.
- ② 유전체 손실이 적다.
- ③ 부하와의 정합상태가 불량하여도 정재파가 발생하지 않는다.
- ④ 저역 여파기(LPF) 역할을 한다.
등록된 댓글이 없습니다.
48. 다음 중 도파관의 여진의 종류가 아닌 것은?
- ① 정전적 결합에 의한 여진
- ② 분기적 결합에 의한 여진
- ③ 작은 루프 안테나에 의한 여진
- ④ 전자적 결합에 의한 여진
등록된 댓글이 없습니다.
49. 미소다이폴을 수직으로 놓았을 때 수평면의 지향성 계수는?
- ① 1
- ② 1.5
- ③ 2
- ④ 2.5
등록된 댓글이 없습니다.
50. 접지저항이 큰 순서로 올바르게 나열한 것은?

- ① ㄱ>ㄴ>ㄷ
- ② ㄷ>ㄱ>ㄴ
- ③ ㄴ>ㄱ>ㄷ
- ④ ㄱ>ㄷ>ㄴ
등록된 댓글이 없습니다.
51. 복사저항이 200[Ω]이고, 손실저항이 35[Ω]인 안테나의 복사효율은 약 얼마인가?
- ① 65[%]
- ② 75[%]
- ③ 85[%]
- ④ 95[%]
등록된 댓글이 없습니다.
52. 같은 전력을 급전할 때 λ/4수직 접지 안테나에서 발생되는 전계는 λ/2다이폴 안테나에 비하여 약 몇 배인가?
- ① 0.4
- ② 1.4
- ③ 1.9
- ④ 2.5
등록된 댓글이 없습니다.
53. 다음 중 진행파형 안테나로서 예리한 지향특성을 가지며 주로 단파 고정국 또는 해안국의 송?수신용으로 사용되는 안테나는?
- ① 루프(Loop) 안테나
- ② 더블렛(Doublet) 안테나
- ③ 디스콘(Discone) 안테나
- ④ 롬빅(Rhombic) 안테나
등록된 댓글이 없습니다.
54. 장ㆍ중파대의 송신안테나 중 수분이 많고 대지의 도전율이 양호한 경우에 사용하고 소전력의 송신 안테나에 사용되는 가장 적합한 접지방식은?
- ① 다중 접지
- ② 심굴 접지
- ③ 가상 접지
- ④ 방사상 접지
등록된 댓글이 없습니다.
55. 다음 중 지표파에 대한 설명으로 틀린 것은?
- ① 장중파대에서는 지표파가 직접파에 비해 우세하다.
- ② 대지의 도전율이 작을수록, 유전율이 클수록 감쇠가 커진다.
- ③ 수평 편파의 지표파가 수직 편파에 비해 감쇠가 적다.
- ④ 주파수가 낮을수록 감쇠가 적다.
등록된 댓글이 없습니다.
56. 다음 중 수정 굴절률에 대한 설명으로 틀린 것은?
- ① 수정 굴절률을 사용하면 구면 대기층에 대해서도 평면 대기층에 대한 스넬의 법칙을 적용할 수 있다.
- ② 표준대기에서 높이 h에 대한 M단위 수정 굴절률의 비 dM/dh는 음수이다.
- ③ 수정 굴절률의 값은 높이와 비례 관계에 있다.
- ④ 수정 굴절률의 값은 굴절률과 비례 관계에 있다.
등록된 댓글이 없습니다.
57. 다음 중 전리층에 대한 설명으로 틀린 것은? (문제 오류로 실제 시험에서는 2, 4번이 정답처리 되었습니다. 여기서는 2번을 누르면 정답 처리 됩니다.)
- ① 임계주파수보다 낮은 주파수는 단파의 근거리통신에 사용할 수 있다.
- ② 야간에는 D층이 높아지고 E층 반사파가 강해진다.
- ③ 단파통신은 주간과 야간의 주파수를 다르게 사용하는 것이 좋다.
- ④ MUF(Maximum Usable Frequency)는 임계주파수보다 낮고 입사각과 관계가 있다.
등록된 댓글이 없습니다.
58. 이동통신 채널의 특징은 반사, 회절, 산란에 의한 다경로 페이딩채널의 특징을 가진다. 이 다경로 페이딩 상황하에서 수신 성능을 개선하기 위한 방법이 아닌 것은?
- ① RAKE Receiver
- ② Transmit Diversity
- ③ Quick Paging
- ④ Adaptive Equalizer
등록된 댓글이 없습니다.
59. 전리층을 이용한 통신에서 자동이득 조절장치(AGC)를 활용하여 방지할 수 있는 페이딩으로 가장 적합한 것은?
- ① 도약성 페이딩
- ② 선택성 페이딩
- ③ 간섭성 페이딩
- ④ 흡수성 페이딩
등록된 댓글이 없습니다.
60. 다음 중 전자파적합(EMC)에 대한 설명으로 가장 적합한 것은?
- ① 전자파 양립성이라고도 한다.
- ② 전자파내성(EMS) 분야와 전자파기록(EMR) 분야로 구분할 수 있다.
- ③ 전기?전자기기가 외부로부터 전자파 간섭을 받을 때 영향 받는 정도를 나타낸다.
- ④ 발생 원인으로는 자연적인 발생원인(대기잡음, 우주잡음, 태양방사 등)과 인공적인 발생원인(의도적인 잡음, 비의도적인 잡음)으로 크게 구분한다.
등록된 댓글이 없습니다.
4과목 : 무선통신 시스템
61. 다음 중 도체 내 자유전자의 랜덤 운동에 의해 발생하며, 전 주파수 대역에 걸쳐 나타나므로 백색잡음이라고 불리는 잡음은?
- ① 충격성 잡음(Impulse Noise)
- ② 열 잡음(Thermal Noise)
- ③ 누화(Crosstalk)
- ④ 상호변조왜곡(Inter-Modulation Distortion)
등록된 댓글이 없습니다.
62. 슈퍼헤테로다인 수신기에서 수신하고자 하는 주파수가 612[kHz]이고, 중간주파수가 455[kHz]일 경우 영상주파수(Image Frequency)는? (단, 상측 헤테로다인 방식으로 동작한다.)
- ① 1,067[kHz]
- ② 1,224[kHz]
- ③ 1,522[kHz]
- ④ 1,679[kHz]
등록된 댓글이 없습니다.
63. 다음 중 PCM(Pulse Code Modulation) 다중통신의 특징이 아닌 것은?
- ① 전송로의 잡음이나 누화 등의 방해가 적다.
- ② 중계시마다 잡음이 누적되지 않는다.
- ③ 경로(Route) 변경이나 회선 변환이 쉽다.
- ④ 협대역 전송로가 필요하다.
등록된 댓글이 없습니다.
64. 다음 중 송신측에서 코볼루션 채널 코딩률을 결정할 때, 수신자의 전파 상태가 좋은 경우 가장 많은 정보 비트를 보낼 수 있는 코딩률은? (단, CC : Convolution Code)
- ① 4/5 CC
- ② 3/5 CC
- ③ 2/5 CC
- ④ 1/5 CC
등록된 댓글이 없습니다.
65. 다음 중 레이다의 탐지 거리를 결정하는 요인이 아닌 것은?
- ① 유효 반사 면적이 큰 목표일수록 멀리 탐지된다.
- ② 레이다 송신기 출력의 2승근에 비례하여 멀리 탐지된다.
- ③ 출력 및 수신감도를 올리면 탐지 거리가 증대된다.
- ④ 이득이 큰 안테나를 사용하고 짧은 파장을 사용한다.
등록된 댓글이 없습니다.
66. 다음 중 위성통신에 대한 설명으로 틀린 것은?
- ① 정지궤도 위성통신의 경우 도플러 주파수 천이에 대한 보상이 매우 중요하다.
- ② 이동 위성 서비스도 정지궤도 위성을 이용할 수 있다.
- ③ 저궤도 위성통신의 경우는 지연시간이 매우 짧다.
- ④ VSAT(Very Small Aperture Terminal)은 고정 위성 서비스의 일종이다.
등록된 댓글이 없습니다.
67. 다음 중 CDMA(Code Division Multiple Access) 방식의 장점은?
- ① 전력효율과 회선효율이 타 방식에 비해 가장 양호하다.
- ② 접속국의 수가 증가하여도 전송용량은 감소하지 않는다.
- ③ 신호의 전송속도가 달라도 회선 설정과 변경이 용이하다.
- ④ 전파의 간섭이나 변동, 혼신방해에 강하며 비화성이 있다.
등록된 댓글이 없습니다.
68. DS(Direct Sequence)는 코드분할다중접속(CDMA)을 구현하기 위해 사용되는 대역확산 통신방식 중의 하나이다. 다음 중 DS방식을 수행하기 위해 필요한 구성요소가 아닌 것은?
- ① BPSK(Binary Phase Shift Keying) 변조기
- ② 상관검파기
- ③ 주파수합성기
- ④ PN(Pseudo Noise)부호 발생기
등록된 댓글이 없습니다.
69. VHF(Very High Frequency)대역 2개 채널을 사용하여 국내 지상파 DMB(Digital Multimedia Broadcasting)를 송출할 때 사용할 수 있는 채널 블록의 수는?
- ① 2블록
- ② 4블록
- ③ 6블록
- ④ 12블록
등록된 댓글이 없습니다.
70. 다음 중 브로드밴드(Broad Band) 전송 방식의 특징이 아닌 것은?
- ① 통신경로를 여러 개의 주파수 대역으로 나누어 이용한다.
- ② 디지털 신호로 변조하여 전송하는 방식이다.
- ③ Audio/Video 등에 대한 전송도 가능하다.
- ④ 주파수 분할 다중화 방식을 이용한다.
등록된 댓글이 없습니다.
71. 다음 프로토콜 중 사용되는 기술(HomeRF, Bluetooth)이 다른 1개의 프로토콜은?
- ① LMP(Link Manager Protocol)
- ② L2CAP(Logical Link Control and Adaptation Protocol)
- ③ SDP(Service Delivery Protocol)
- ④ SWAP(Shared Wireless Access Protocol)
등록된 댓글이 없습니다.
72. 다음의 설명에 해당되는 프로토콜 기능은 어느 것인가?

- ① 분리(Separation)와 캡슐화(Encapsulation)
- ② 세분화(Segmentation)와 재합성(Reassembly)
- ③ 분할(Division)과 재결합(Recombination)
- ④ 분리(Separation)와 연결(Connection)
등록된 댓글이 없습니다.
73. 다음의 설명에 해당되는 프로토콜 요소는?

- ① 의미(Semantics)
- ② 구문(Syntax)
- ③ 순서(Timing)
- ④ 연결(Connection)
등록된 댓글이 없습니다.
74. 다음 중 계층과 관련기술을 잘못 짝지은 것은?
- ① 물리 계층 - DTE/DCE
- ② 데이터링크 계층 - HDLC
- ③ 네트워크 계층 - LDPA
- ④ 트랜스포트 계층 - TCP
등록된 댓글이 없습니다.
75. 위성통신에서 각 지구국에 채널을 할당하는 방식이 아닌 것은?
- ① 고정(사전) 할당 방식
- ② 요구(동적) 할당 방식
- ③ 임의 할당 방식
- ④ 적응 할당 방식
등록된 댓글이 없습니다.
76. 다음 중 무선 랜의 전송방식에 해당하지 않는 것은?
- ① 적외선 방식
- ② 확산 스펙트럼 방식
- ③ 초 광대역 무선통신 방식
- ④ 협대역 마이크로웨이브 방식
등록된 댓글이 없습니다.
77. 다음 중 무선통신시스템 설계 시 단파가 중장파보다 불리한 점으로 옳은 것은?
- ① 복사효율이 나쁘다.
- ② 페이딩의 영향이 더 크다.
- ③ 안테나 설치가 어렵다.
- ④ 원거리 통신에 불리하다.
등록된 댓글이 없습니다.
78. 전파가 자유공간에서 전파할 때 거리가 2배로 증가하면 손실은 약 얼마나 증가하는가?
- ① 2[dB]
- ② 3[dB]
- ③ 6[dB]
- ④ 9[dB]
등록된 댓글이 없습니다.
79. 다음 표에서 정의하는 것은 무엇인가?

- ① 공사감독
- ② 공사안전관리자
- ③ 공사현장소장
- ④ 공사현장대리인
등록된 댓글이 없습니다.
80. 통신망시스템이 고장이 난 시점부터 수리가 완료되는 시점까지의 평균시간을 의미하는 것을 무엇이라 하는가?
- ① MTTF(Mean Time To Failure)
- ② MTTR(Mean Time To Repair)
- ③ MTBF(Mean Time Between Failure)
- ④ MTBS(Mean Time Between System Incident)
등록된 댓글이 없습니다.
5과목 : 전자계산기 일반 및 무선설비기준
81. 기억된 내용의 일부를 이용하여 기억되어 있는 데이터에 직접 접근하여 정보를 읽어내는 장치는?
- ① 가상기억장치(Virtual Memory)
- ② 연관기억장치(Associative Memory)
- ③ 캐시 메모리(Cache Memory)
- ④ 보조기억장치(Auxiliary Memory)
등록된 댓글이 없습니다.
82. 다음 중 동적 RAM(Dynamic RAM)의 특징에 대한 설명으로 틀린 것은?
- ① 전하의 양을 측정하여 저장 논리 값을 판단한다.
- ② 전하의 방전 때문에 주기적으로 재충전(Refresh)해야 한다.
- ③ 1비트를 구성하는 소자가 적어서 단위 면적에 많은 저장장소를 만들 수 있다.
- ④ 1비트를 구성하는 소자가 적어서 메모리 액세스 속도가 정적 RAM(Static RAM)보다 빠르다.
등록된 댓글이 없습니다.
83. 다음 중 순차파일(Sequential File)의 특징이 아닌 것은?
- ① 레코드가 키 순서로 편성되므로 처리 속도가 빠르다.
- ② 어떠한 입ㆍ출력 매체에서도 처리가 가능하다.
- ③ 이전의 레코드를 탐색하려면 파일을 되돌리면 된다.
- ④ 필요한 레코드를 추가하는 경우 파일 전체를 복사해야 한다.
등록된 댓글이 없습니다.
84. 다음 논리회로에 의해 계산된 결과 X는?

- ①

- ②

- ③

- ④ AㆍB
등록된 댓글이 없습니다.
85. 효율적인 입ㆍ출력을 위하여 고속의 CPU와 저속의 입ㆍ출력장치가 동시에 독립적으로 동작하게 하여 높은 효율로 여러 작업을 병행 수행할 수 있도록 해줌으로써 다중 프로그래밍 시스템의 성능 향상을 가져올 수 있게 하는 방법은?
- ① 페이징(Paging)
- ② 버퍼링(Buffering)
- ③ 스풀링(Spooling)
- ④ 인터럽트(Interrupt)
등록된 댓글이 없습니다.
86. 다음 중 선점형 스케줄링(Preemptive Process Scheduling)에 해당하지 않는 것은?
- ① SJF(Shortest Job First) 스케줄링
- ② RR(Round Robin)스케줄링
- ③ SRT(Shortest Remaining Time) 스케줄링
- ④ MFQ(Multi-level Feedback Queue) 스케줄링
등록된 댓글이 없습니다.
87. 다음 중 파일(File)의 개념을 바르게 표현한 것은?
- ① Code의 집합을 말한다.
- ② Character의 수를 말한다.
- ③ Database의 수를 말한다.
- ④ Record의 집합을 말한다.
등록된 댓글이 없습니다.
88. 다음 명령의 수행 결과값은?

- ① 1.75
- ② 3
- ③ 11
- ④ 28
등록된 댓글이 없습니다.
89. 마이크로프로세서는 구성된 중앙처리장치는 명령어의 구성방식에 따라 2가지로 나눌 수 있다. 이 중 연산 속도를 높이기 위해 처리할 수 있는 명령어 수를 줄였으며, 단순화된 명령구조로 속도를 최대한 높일 수 있도록 한 것은?
- ① SCSI(Small Computer System Interface)
- ② MISC(Micro Instruction Set Computer)
- ③ CISC(Complex Instruction Set Computer)
- ④ RISC(Reduced Instruction Set Computer)
등록된 댓글이 없습니다.
90. 다음 중 컴퓨터 프로그램의 명령에서 연산자의 기능이 아닌 것은?
- ① 함수연산 기능
- ② 전달 기능
- ③ 제어 기능
- ④ 인터럽트 기능
등록된 댓글이 없습니다.
91. 다음 중 무선국에 대한 설명으로 틀린 것은?
- ① 실험국은 외국의 실험국과 통신을 하여서는 아니 된다.
- ② 아마추어국은 비상?재난구조를 위한 중계통신을 할 수 있다.
- ③ 아마추어국은 제3자를 위한 통신을 하여서는 아니 된다.
- ④ 실험국이 통신을 하는 때에는 암어를 사용하여야 한다.
등록된 댓글이 없습니다.
92. 전파사용료 납부기한이 1주일 경과된 경우 추가되는 가산금의 비율은?
- ① 체납된 전파사용료의 100분의 1
- ② 체납된 전파사용료의 100분의 2
- ③ 체납된 전파사용료의 100분의 3
- ④ 체납된 전파사용료의 100분의 5
등록된 댓글이 없습니다.
93. 무선통신업무에 종사하는 자는 원칙적으로 몇 년마다 통신보안교육을 받아야 하는가?
- ① 10년
- ② 5년
- ③ 3년
- ④ 2년
등록된 댓글이 없습니다.
94. 다음 문장의 괄호 안에 들어갈 내용으로 가장 적합한 것은?

- ① 도급업자
- ② 수급인
- ③ 용역업자
- ④ 공사업자
등록된 댓글이 없습니다.
95. 공사를 설계한 용역업자는 그가 작성한 실시설계도서를 해당공사가 준공된 후 몇 년간 보관하여야 하는가?
- ① 1년
- ② 3년
- ③ 5년
- ④ 7년
등록된 댓글이 없습니다.
96. 다음 중 정보통신공사업자 외의 자가 시공할 수 있는 경미한 공사가 아닌 것은?
- ① 간이무선국의 무선설비설치공사
- ② 건축물에 설치되는 5회선 이하의 구내통신선로 설비공사
- ③ 연면적 3천 제곱미터 이하의 건축물의 구내방송설비공사
- ④ 아마추어국 무선설비설치공사
등록된 댓글이 없습니다.
97. 다음 중 적합인증 대상기자재가 아닌 것은?
- ① 물체감시센서용 무선기기
- ② 광통신용 회선종단장치
- ③ 과학용 고주파이용기기
- ④ 주파수변조기(전송망 기자재)
등록된 댓글이 없습니다.
98. 적합성평가의 취소처분을 받은 자는 취소처분을 받은 날로부터 얼마의 범위에서 해당 기자재에 대한 적합성평가를 받을 수 없는가?
- ① 6개월
- ② 1년
- ③ 1년 6개월
- ④ 2년
등록된 댓글이 없습니다.
99. 전파형식이 F3E인 초단파 방송국의 무선설비의 점유주파수대역폭의 허용치는?
- ① 16[kHz]
- ② 180[kHz]
- ③ 200[kHz]
- ④ 400[kHz]
등록된 댓글이 없습니다.
100. 다음 무선설비의 안전시설에 대한 설명 중 괄호 안에 들어갈 내용으로 가장 적합한 것은?

- ① 1.5
- ② 2
- ③ 2.5
- ④ 3
등록된 댓글이 없습니다.