일반기계기사(2021. 3. 7.) 시험일자 : 2021년 3월 7일
1과목 : 재료역학
1. 길이 500mm, 지름 16mm의 균일한 강봉의 양 끝에 12kN의 축 방향 하중이 작용하여 길이는 300μm가 증가하고 지름은 2.4μm가 감소하였다. 이 선형 탄성 거동하는 봉 재료의 프와송 비는?
- ① 0.22
- ② 0.25
- ③ 0.29
- ④ 0.32
등록된 댓글이 없습니다.
2. 지름 20mm인 구리합금 봉에 30kN의 축 방향 인장하중이 작용할 때 체적 변형률은 약 얼마인가? (단, 세로탄성계수는 100GPa, 프와송 비는 0.3 이다.)
- ① 0.38
- ② 0.038
- ③ 0.0038
- ④ 0.00038
등록된 댓글이 없습니다.
3. 그림과 같이 균일단면 봉이 100kN의 압축하중을 받고 있다. 재료의 경사 단면 Z-Z에 생기는 수직응력 σn, 전단응력 τn의 값은 각각 몇 MPa 인가? (단, 균일 단면 봉의 단면적은 1000 mm2 이다.)

- ① σn = -38.2, τn = 26.7
- ② σn = -68.4, τn = 58.8
- ③ σn = -75.0, τn = 43.3
- ④ σn = -86.2, τn = 56.8
등록된 댓글이 없습니다.
4. 단면계수가 0.01m3인 사각형 단면의 양단 고정보가 2m의 길이를 가지고 있다. 중앙에 최대 몇 kN의 집중하중을 가할 수 있는가? (단, 재료의 허용굽힘응력은 80MPa 이다.)
- ① 800
- ② 1600
- ③ 2400
- ④ 3200
등록된 댓글이 없습니다.
5. 지름 6mm인 곧은 강선을 지름 1.2m의 원통에 감았을 때 강선에 생기는 최대 굽힘 응력은 약 몇 MPa 인가? (단, 세로탄성계수는 200GPa 이다.)
- ① 500
- ② 800
- ③ 900
- ④ 1000
등록된 댓글이 없습니다.
6. 직사각형(b×h)의 단면적 A를 갖는 보에 전단력 V가 작용할 때 최대 전단응력은?
- ①

- ②

- ③

- ④

등록된 댓글이 없습니다.
7. 그림에서 고정단에 대한 자유단의 전 비틀림각은? (단, 전단탄성계수는 100GPa 이다.)

- ① 0.00025 rad
- ② 0.0025 rad
- ③ 0.025 rad
- ④ 0.25 rad
등록된 댓글이 없습니다.
8. 그림과 같이 균일분포 하중을 받는 보의 지점 B에서의 굽힘모멘트는 몇 kN·m인가?

- ① 16
- ② 10
- ③ 8
- ④ 1.6
등록된 댓글이 없습니다.
9. 두께 10mm인 강판으로 직경 2.5m의 원통형 압력용기를 제작하였다. 최대 내부 압력이 1200kPa 일 때 축방향 응력은 몇 MPa 인가?
- ① 75
- ② 100
- ③ 125
- ④ 150
등록된 댓글이 없습니다.
10. 단면적이 각각 A1, A2, A3이고, 탄성계수가 각각 E1, E2, E3인 길이 ℓ인 재료가 강성판 사이에서 인장하중 P를 받아 탄성변형 했을 때 재료 1, 3 내부에 생기는 수직응력은? (단, 2개의 강성판은 항상 수평을 유지한다.)

- ①

- ②

- ③

- ④

등록된 댓글이 없습니다.
11. 지름 20mm, 길이 50mm의 구리 막대의 양단을 고정하고 막대를 가열하여 40℃ 상승했을 때 고정단을 누르는 힘은 약 몇 kN인가? (단, 구리의 선팽창계수 a=0.16×10-4/℃, 세로탄성계수는 110GPa 이다.)
- ① 52
- ② 30
- ③ 25
- ④ 22
등록된 댓글이 없습니다.
12. 지름 10mm, 길이 2m 인 둥근 막대의 한끝을 고정하고 타단을 자유로이 10°만큼 비틀었다면 막대에 생기는 최대 전단응력은 약 몇 MPa 인가? (단, 재료의 전단탄성계수는 84GPa 이다.)
- ① 18.3
- ② 36.6
- ③ 54.7
- ④ 73.2
등록된 댓글이 없습니다.
13. 지름이 2cm이고 길이가 1m인 원통형 중실기둥의 좌굴에 관한 임계하중을 오일러 공식으로 구하면 약 몇 kN인가? (단, 기둥의 양단은 회전단이고, 세로탄성계수는 200GPa 이다.)
- ① 11.5
- ② 13.5
- ③ 15.5
- ④ 17.5
등록된 댓글이 없습니다.
14. 그림과 같이 등분포하중 w가 가해지고 B점에서 지지되어 있는 고정 지지보가 있다. A점에 존재하는 반력 중 모멘트는?

- ① (시계방향)

- ② (반시계방향)

- ③ (시계방향)

- ④ (반시계방향)

등록된 댓글이 없습니다.
15. 그림과 같은 일단고정 타단지지보의 중앙에 P=4800N의 하중이 작용하면 지지점의 반력(RB)은 약 몇 kN인가?

- ① 3.2
- ② 2.6
- ③ 1.5
- ④ 1.2
등록된 댓글이 없습니다.
16. 반원 부재에 그림과 같이 0.5R지점에 하중 P가 작용할 때 지지점 B에서의 반력은?

- ① P/4
- ② P/2
- ③ 3P/4
- ④ P
등록된 댓글이 없습니다.
17. 두 변의 길이가 각각 b, h인 직사각형의 A점에 관한 극관성 모멘트는?

- ①

- ②

- ③

- ④

등록된 댓글이 없습니다.
18. 상단이 고정된 원추 형체의 단위체적에 대한 중량을 γ라 하고 원추 밑면의 지름이 d, 높이가 ℓ일 때 이 재료의 최대 인장응력을 나타낸 식은? (단, 자중만을 고려한다.)

- ①

- ②

- ③

- ④

등록된 댓글이 없습니다.
19. 보의 길이 ℓ에 등분포하중 w를 받는 직사각형 단순보의 최대 처짐량에 대한 설명으로 옳은 것은? (단, 보의 자중은 무시한다.)
- ① 보의 폭에 정비례한다.
- ② ℓ의 3승에 정비례한다.
- ③ 보의 높이의 2승에 반비례한다.
- ④ 세로탄성계수에 반비례한다.
등록된 댓글이 없습니다.
20. 원통형 코일스프링에서 코일 반지름 R, 소선의 지름 d, 전단탄성계수를 G라고 하면 코일스프링 한 권에 대해서 하중 P가 작용할 때 소선의 비틀림 각 ø를 나타내는 식은?
- ①

- ②

- ③

- ④

등록된 댓글이 없습니다.
2과목 : 기계열역학
21. 다음 중 가장 낮은 온도는?
- ① 104℃
- ② 284°F
- ③ 410K
- ④ 684R
등록된 댓글이 없습니다.
22. 증기터빈에서 질량유량이 1.5kg/s 이고, 열손실률이 8.5kW이다. 터빈으로 출입하는 수증기에 대한 값은 아래 그림과 같다면 터빈의 출력은 약 몇 kW 인가?

- ① 273 kW
- ② 656 kW
- ③ 1357 kW
- ④ 2616 kW
등록된 댓글이 없습니다.
23. 온도 15℃, 압력 100kPa 상태의 체적이 일정한 용기 안에 어떤 이상 기체 5kg이 들어있다. 이 기체가 50℃가 될 때까지 가열되는 동안의 엔트로피 증가량은 약 몇 kJ/K인가? (단, 이 기체의 정압비열과 정적비열은 각각 1.001 kJ/(kg·K), 0.7171 kJ/(kg·K) 이다.)
- ① 0.411
- ② 0.486
- ③ 0.575
- ④ 0.732
등록된 댓글이 없습니다.
24. 어떤 냉동기에서 0℃의 물로 0℃의 얼음 2ton을 만드는데 180 MJ의 일이 소요된다면 이 냉동기의 성적계수는? (단, 물의 융해열은 334 kJ/kg 이다.)
- ① 2.05
- ② 2.32
- ③ 2.65
- ④ 3.71
등록된 댓글이 없습니다.
25. 계가 비가역 사이클을 이룰 때 클라우지우스(Clausius)의 적분을 옳게 나타낸 것은? (단, T는 온도, Q는 열량이다.)
- ①

- ②

- ③

- ④

등록된 댓글이 없습니다.
26. 비열비가 1.29, 분자량이 44인 이상 기체의 정압비열은 약 몇 kJ/(kg·K)인가? (단, 일반기체상수는 8.314 kJ/(kmol·K) 이다.)
- ① 0.51
- ② 0.69
- ③ 0.84
- ④ 0.91
등록된 댓글이 없습니다.
27. 과열증기를 냉각시켰더니 포화영역 안으로 들어와서 비체적이 0.2327 m3/kg이 되었다. 이 때 포화액과 포화증기의 비체적이 각각 1.079×10-3 m3/kg, 0.5243 m3/kg 이라면 건도는 얼마인가?
- ① 0.964
- ② 0.772
- ③ 0.653
- ④ 0.443
등록된 댓글이 없습니다.
28. 증기동력 사이클의 종류 중 재열사이클의 목적으로 가장 거리가 먼 것은?
- ① 터빈 출구의 습도가 증가하여 터빈 날개를 보호한다.
- ② 이론 열효율이 증가한다.
- ③ 수명이 연장된다.
- ④ 터빈 출구의 질(quality)을 향상시킨다.
등록된 댓글이 없습니다.
29. 온도 20℃에서 계기압력 0.183 MPa의 타이어가 고속주행으로 온도 80℃로 상승할 때 압력은 주행 전과 비교하여 약 몇 kPa 상승하는가? (단, 타이어의 체적은 변하지 않고, 타이어 내의 공기는 이상기체로 가정하며, 대기압은 101.3 kPa 이다.)
- ① 37 kPa
- ② 58 kPa
- ③ 286 kPa
- ④ 445 kPa
등록된 댓글이 없습니다.
30. 온도가 127℃, 압력이 0.5MPa, 비체적이 0.4m3/kg인 이상기체가 같은 압력 하에서 비체적이 0.3m3/kg으로 되었다면 온도는 약 몇 ℃가 되는가?
- ① 16
- ② 27
- ③ 96
- ④ 300
등록된 댓글이 없습니다.
31. 수소(H2)가 이상기체라면 절대압력 1MPa, 온도 100℃에서의 비체적은 약 몇 m3/kg인가? (단, 일반기체상수는 8.3145 kJ/(kmol·K) 이다.)
- ① 0.781
- ② 1.26
- ③ 1.55
- ④ 3.46
등록된 댓글이 없습니다.
32. 증기를 가역 단열과정을 거쳐 팽창시키면 증기의 엔트로피는?
- ① 증가한다.
- ② 감소한다.
- ③ 변하지 않는다.
- ④ 경우에 따라 증가도 하고, 감소도 한다.
등록된 댓글이 없습니다.
33. 밀폐용기에 비내부에너지가 200 kJ/kg인 기체가 0.5kg 들어있다. 이 기체를 용량이 500W인 전기가열기로 2분 동안 가열한다면 최종상태에서 기체의 내부에너지는 약 몇 kJ 인가? (단, 열량은 기체로만 전달된다고 한다.)
- ① 20 kJ
- ② 100 kJ
- ③ 120 kJ
- ④ 160 kJ
등록된 댓글이 없습니다.
34. 10℃에서 160℃까지 공기의 평균 정적비열은 0.7315 kJ/(kg·K)이다. 이 온도 변화에서 공기 1kg의 내부에너지 변화는 약 몇 kJ인가?
- ① 101.1 kJ
- ② 109.7 kJ
- ③ 120.6 kJ
- ④ 131.7 kJ
등록된 댓글이 없습니다.
35. 한 밀폐계가 190 kJ의 열을 받으면서 외부에 20 kJ의 일을 한다면 이 계의 내부에너지의 변화는 약 얼마인가?
- ① 210 kJ 만큼 증가한다.
- ② 210 kJ 만큼 감소한다.
- ③ 170 kJ 만큼 증가한다.
- ④ 170 kJ 만큼 감소한다.
등록된 댓글이 없습니다.
36. 완전가스의 내부에너지(u)는 어떤 함수인가?
- ① 압력과 온도의 함수이다.
- ② 압력만의 함수이다.
- ③ 체적과 압력의 함수이다.
- ④ 온도만의 함수이다.
등록된 댓글이 없습니다.
37. 열펌프를 난방에 이용하려 한다. 실내 온도는 18℃이고, 실외 온도는 –15℃이며 벽을 통한 열손실은 12kW 이다. 열펌프를 구동하기 위해 필요한 최소 동력은 약 몇 kW 인가?
- ① 0.65 kW
- ② 0.74 kW
- ③ 1.36 kW
- ④ 1.53 kW
등록된 댓글이 없습니다.
38. 이상적인 카르노 사이클의 열기관이 500℃인 열원으로부터 500kJ을 받고, 25℃에 열을 방출한다. 이 사이클의 일(W)과 효율(ηth)은 얼마인가?
- ① W = 307.2kJ, ηth = 0.6143
- ② W = 307.2kJ, ηth = 0.5748
- ③ W = 250.3kJ, ηth = 0.6143
- ④ W = 250.3kJ, ηth = 0.5748
등록된 댓글이 없습니다.
39. 오토사이클의 압축비(ε)가 8일 때 이론열효율은 약 몇 % 인가? (단, 비열비(k)는 1.4이다.)
- ① 36.8%
- ② 46.7%
- ③ 56.5%
- ④ 66.6%
등록된 댓글이 없습니다.
40. 계가 정적 과정으로 상태 1에서 상태 2로 변화할 때 단순압축성 계에 대한 열역학 제1법칙을 바르게 설명한 것은? (단, U, Q, W는 각각 내부에너지, 열량, 일량이다.)
- ① U1 - U2 = Q12
- ② U2 - U1 = W12
- ③ U1 - U2 = W12
- ④ U2 - U1 = Q12
등록된 댓글이 없습니다.
3과목 : 기계유체역학
41. 유체역학에서 연속방정식에 대한 설명으로 옳은 것은?
- ① 뉴턴의 운동 제2법칙이 유체 중의 모든 점에서 만족하여야 함을 요구한다.
- ② 에너지와 일 사이의 관계를 나타낸 것이다.
- ③ 한 유선 위에 두 점에 대한 단위 체적당의 운동량의 관계를 나타낸 것이다.
- ④ 검사체적에 대한 질량 보존을 나타내는 일반적인 표현식이다.
등록된 댓글이 없습니다.
42. 그림과 같은 탱크에서 A 점에 표준대기압이 작용하고 있을 때, B점의 절대압력은 약 몇 kPa 인가? (단, A점과 B점의 수직거리는 2.5m 이고 기름의 비중은 0.92이다.)

- ① 78.8
- ② 788
- ③ 179.8
- ④ 1798
등록된 댓글이 없습니다.
43. 기준면에 있는 어떤 지점에서의 물의 유속이 6m/s, 압력이 40kPa일 때 이 지점에서의 물의 수력기울기선의 높이는 약 몇 m 인가?
- ① 3.24
- ② 4.08
- ③ 5.92
- ④ 6.81
등록된 댓글이 없습니다.
44. 2차원 직각좌표계(x, y) 상에서 x방향의 속도 u = 1, y방향의 속도 v = 2x인 어떤 정상상태의 이상유체에 대한 유동장이 있다. 다음 중 같은 유선 상에 있는 점을 모두 고르면?

- ① ㄱ, ㄴ
- ② ㄴ, ㄷ
- ③ ㄱ, ㄷ
- ④ ㄱ, ㄴ, e
ㅇ2021. 4. 27. 21:37삭제
유선의 방정식 공식 dx/u=dy/v, u=1이고 v=2x 이므로
dx/1=dy/2x, 2xdx=dy , 적분하여 대입하면 답은 ㄱ,ㄷ
45. 경계층의 박리(separation)가 일어나는 주 원인은?
- ① 압력이 증기압 이하로 떨어지기 때문에
- ② 유동방향으로 밀도가 감소하기 때문에
- ③ 경계층의 두께가 0으로 수렴하기 때문에
- ④ 유동과정에 역압력 구배가 발생하기 때문에
등록된 댓글이 없습니다.
46. 표면장력이 0.07N/m인 물방울의 내부압력이 외부압력보다 10Pa 크게 되려면 물방울의 지름은 몇 cm 인가?
- ① 0.14
- ② 1.4
- ③ 0.28
- ④ 2.8
me2022. 8. 20. 00:47삭제
장력 = 압력x지름/4
47. 가스 속에 피토관을 삽입하여 압력을 측정하였더니 정체압이 128Pa, 정압이 120Pa 이었다. 이 위치에서의 유속은 몇 m/s 인가? (단, 가스의 밀도는 1.0 kg/m3 이다.)
- ① 1
- ② 2
- ③ 4
- ④ 8
등록된 댓글이 없습니다.
48. 평면 벽과 나란한 방향으로 점성계수가 2×10-5 Pa·s인 유체가 흐를 때, 평면과의 수직거리 y[m]인 위치에서 속도가 u = 5(1-e-0.2y)[m/s]이다. 유체에 걸리는 최대 전단응력은 약 몇 Pa 인가?
- ① 2×10-5
- ② 2×10-6
- ③ 5×10-6
- ④ 10-4
ME2022. 8. 20. 00:46삭제
전단응력 = 점성계수Xdu/dy
49. 안지름 1cm인 원관 내를 유동하는 0℃의 물의 층류 임계 레이놀즈수가 2100일 때 임계속도는 약 몇 cm/s인가? (단, 0℃ 물의 동점성계수는 0.01787 cm2/s 이다.)
- ① 37.5
- ② 375
- ③ 75.1
- ④ 751
ME2022. 8. 20. 00:45삭제
레이놀즈 수 = 임계속도X지름/동점성계수
50. 다음 중 정체압의 설명으로 틀린 것은?
- ① 정체압은 정압과 같거나 크다.
- ② 정체압은 액주계로 측정할 수 없다.
- ③ 정체압은 유체의 밀도에 영향을 받는다.
- ④ 같은 정압의 유체에서는 속도가 빠를수록 정체압이 커진다.
등록된 댓글이 없습니다.
51. 어떤 물체가 대기 중에서 무게는 6N이고 수중에서 무게는 1.1N이었다. 이 물체의 비중은 약 얼마인가?
- ① 1.1
- ② 1.2
- ③ 2.4
- ④ 5.5
me2022. 8. 20. 00:52삭제
수중무게 = 대기중무게 - 부력 = 밀도x부피 - 물밀도x잠긴부피
52. 지름 4m의 원형수문이 수면과 수직방향이고 그 최상단이 수면에서 3.5m만큼 잠겨있을대 수문에 작용하는 힘 F와, 수면으로부터 힘의 작용점까지의 거리 x는 각각 얼마인가?

- ① 638kN, 5.68m
- ② 677kN, 5.68m
- ③ 638kN, 5.57m
- ④ 677kN, 5.57m
me2022. 8. 20. 01:37삭제
힘 = 밀도x중력xYc xA
me2022. 8. 20. 01:04삭제
Yp= Yc + Ixx,c/YcA
53. 지름 D1=30cm의 원형 물제트가 대기압 상ㅌ에서 V의 속도로 중앙부분에 구멍이 뚫린 고정 원판에 충돌하여, 원판 뒤로 지름 D2=10cm의 원형 물제트가 같은 속도로 흘러나가고 있다. 이 원판의 받는 힘이 100N이라면 물제트의 속도 V는 약 몇 m/s 인가?

- ① 0.95
- ② 1.26
- ③ 1.59
- ④ 2.35
등록된 댓글이 없습니다.
54. 길이 600m이고 속도 15km/h인 선박에 대해 물속에서의 조파 저항을 연구하기 위해 길이 6m인 모형선의 속도는 몇 km/h으로 해야 하는가?
- ① 2.7
- ② 2.0
- ③ 1.5
- ④ 1.0
me2022. 8. 20. 02:35삭제
Fd = 1/2x밀도x속도^2x항력계수x면적
55. 동점성계수가 1×10-4 m2/s인 기름이 안지름 50mm의 관을 3m/s의 속도로 흐를 때 관의 마찰계수는?
- ① 0.015
- ② 0.027
- ③ 0.043
- ④ 0.061
me2022. 8. 20. 02:40삭제
f= 64/레이놀즈수
레이놀즈수 = vd/동점성계수
56. 일률(power)을 기본 차원인 M(질량), L(길이), T(시간)로 나타내면?
- ① L2T-2
- ② MT-2L-1
- ③ ML2T-2
- ④ ML2T-3
등록된 댓글이 없습니다.
57. 수평으로 놓은 지름 10cm, 길이 200m 인 파이프에 완전히 열린 글로브 밸브가 설치되어 있고, 흐르는 물의 평균속도는 2m/s 이다. 파이프의 관 마찰계수는 0.02이고, 전체 수두 손실이 10m 이면, 글로브 밸브의 손실계수는 약 얼마인가?
- ① 0.4
- ② 1.8
- ③ 5.8
- ④ 9.0
me2022. 8. 20. 02:56삭제
수두손실 = 손실계수x관길이/관지름x속도^2/2g
밸브손실 = 밸브계수x속도^2/2g
58. 유동장에 미치는 힘 가운데 유체의 압축성에 의한 힘만이 중요할 때에 적용할 수 있는 무차원수로 옳은 것은?
- ① 오일러수
- ② 레이놀즈수
- ③ 프루드수
- ④ 마하수
me2022. 8. 20. 03:00삭제
마하수가 1보다 작은 흐름에서는 유체의 밀도변화를 무시하고 압축되지 않은 유체로 간주해도 되지만 초음속류에서는 흐름 속에 충격파가 발생하는 등 흐름 상태가 복잡하다. 공기 속을 운동하는 물체에 잇대어진 주변의 흐름에서도 마하수가 1을 넘으면 충격파가 발생하고 공기저항은 급격히 커진다
59. (x, y)좌표계의 비회전 2차원 유동장에서 속도포텐셜(potential) ø는 ø = 2x2y 로 주어졌다. 이 때 점(3, 2)인 곳에서 속도 벡터는? (단, 속도포텐셜 ø는 로 정의된다.)
- ①

- ②

- ③

- ④

me2022. 8. 20. 03:07삭제
상단 식 = 2x^2y 편미분이용
60. Stokes의 법칙에 의해 비압축성 점성유체에 구(sphere)가 낙하될 때 항력(D)을 나타낸 식으로 옳은 것은? (단, μ : 유체의 점성계수, a : 구의 반지름, V : 구의 평균속도, CD : 항력계수, 레이놀즈수가 1보다 작아 박리가 존재하지 않는다고 가정한다.)
- ① D = 6πaμV
- ② D = 4πaμV
- ③ D = 2πaμV
- ④ D = CDπaμV
등록된 댓글이 없습니다.
4과목 : 기계재료 및 유압기기
61. 과냉 오스테나이트 상태에서 소성가공을 한 다음 내애각하여 마텐자이트화하는 열처리 방법은?
- ① 오스포밍
- ② 크로마이징
- ③ 심랭처리
- ④ 인덕션하드닝
me2022. 8. 20. 14:57삭제
오스포밍 -소성가공과 열처리 혼합
크로마이징 - 크롬을 확산침투
심랭처리 - 잔류하는 오스테나이트를 마텐자이트화 하기위해 영하에서 처리
인덕션하드닝 - 고주파열처리
62. 다음 중 열경화성 수지가 아닌 것은?
- ① 페놀 수지
- ② ABS 수지
- ③ 멜라민 수지
- ④ 에폭시 수지
ㅡㄷ2022. 8. 20. 15:02삭제
열경화성 수지
축 중합형 : 페놀수지 요소수지 멜라민수지
첨가중합형 : 에폭시수지 폴리에스테르수지
열가소성수지
결정성 : 폴리에틸렌수지 나일론수지 폴리아세탈수지
비결정성 : abs수지 폴리스티렌수지 아크릴수지 염화비닐수지
63. Fe-Fe3C계 평형 상태도에서 나타날 수 있는 반응이 아닌 것은?
- ① 포정반응
- ② 공정반응
- ③ 공석반응
- ④ 편정반응
em2022. 8. 20. 15:06삭제
포정 : 하나의 고체에 다른 융체(액상의 금속)가 작용하여 다른 고체를 형성하는 반응
공정 :두 개의 성분금속이 용융되어 있을 때는 융합이 되어 균일한 액체를 형성하나 응고 후에는 성분금속이 각각 결정으로 분리되는데 이 2개의 금속이 기계적으로 혼합된 조직(공정)을 형성하는 반응이다. (공정(eutectic): 한 종류의 액상으로부터 2종류의 고체가 정출된 결정혼합물.)
공석 : 고체 상태에서 고용체(고체이면서 용액과 같은 성질을 갖는 물질로서 완전하게 균일한 상을 이룬 고체의 혼합물)가 어느 일정 온도에서 동시에 2개가 석출되는 상태를 말한다.
편정 : 하나의 용액에서 고상과 다른 종류의 용액을 동시에 생성하는 반응을 말하며 이 때의 결정을 편정이라 한다.
64. 가열 과정에서 순철의 A3변태에 대한 설명으로 틀린 것은?
- ① BCC가 FCC로 변한다.
- ② 약 910℃ 부근에서 일어난다.
- ③ α-Fe 가 γ-Fe로 변화한다.
- ④ 격자구조에 변화가 없고 자성만 변한다.
등록된 댓글이 없습니다.
65. 표점거리가 100mm, 시험편의 평행부 지름이 14mm인 인장 시험편을 최대하중 6400kgf로 인장한 후 표점거리가 120mm로 변화 되었을 때 인장강도는 약 몇 kgf/mm2 인가?
- ① 10.4 kgf/mm2
- ② 32.7 kgf/mm2
- ③ 41.6 kgf/mm2
- ④ 166.3 kgf/mm2
등록된 댓글이 없습니다.
66. 주철의 성질에 대한 설명으로 옳은 것은?
- ① C, Si 등이 많을수록 용융점은 높아진다.
- ② C, Si 등이 많을수록 비중은 작아진다.
- ③ 흑연편이 클수록 자기 감응도는 좋아진다.
- ④ 주철의 성장 원인으로 마텐자이트의 흑연화에 의한 수축이 있다.
등록된 댓글이 없습니다.
67. 마텐자이트(martensite) 변태의 특징에 대한 설명으로 틀린 것은?
- ① 마텐자이트는 고용체의 단일상이다.
- ② 마텐자이트 변태는 확산 변태이다.
- ③ 마텐자이트 변태는 협동적 원자운동에 의한 변태이다.
- ④ 마텐자이트의 결정 내에는 격자결함이 존재한다.
등록된 댓글이 없습니다.
68. Al-Cu-Ni-Mg 합금으로 시효경화하며, 내열합금 및 피스톤용으로 사용되는 것은?
- ① Y 합금
- ② 실루민
- ③ 라우탈
- ④ 하이드로날륨
등록된 댓글이 없습니다.
69. 냉간압연 스테인리스강판 및 강대(KSD 3698)에서 석출경화계 종류의 기호로 옳은 것은?
- ① STS305
- ② STS410
- ③ STS430
- ④ STS630
등록된 댓글이 없습니다.
70. 구리 및 구리합금에 대한 설명으로 옳은 것은?
- ① Cu+Sn 합금을 황동이라 한다.
- ② Cu+Zn 합금을 청동이라 한다.
- ③ 문쯔메탈(muntz metal)은 60%Cu + 40%Zn 합금이다.
- ④ Cu의 전기 전도율은 금속 중에서 Ag보다 높고, 자성체이다.
등록된 댓글이 없습니다.
71. 개스킷(gasket)에 대한 설명으로 옳은 것은?
- ① 고정부분에 사용되는 실(seal)
- ② 운동부분에 사용되는 실(seal)
- ③ 대기로 개방되어 있는 구멍
- ④ 흐름의 단면적을 감소시켜 관로 내 저항을 갖게 하는 기구
등록된 댓글이 없습니다.
72. 자중에 의한 낙하, 운동물체의 관성에 의한 액추에이터의 자중 등을 방지하기 위해 배압을 생기게 하고 다른 방향의 흐름이 자유로 흐르도록 한 밸브는?
- ① 풋 밸브
- ② 스풀 밸브
- ③ 카운터 밸런스 밸브
- ④ 변환 밸브
등록된 댓글이 없습니다.
73. 유압에서 체적탄성계수에 대한 설명으로 틀린 것은?
- ① 압력의 단위와 같다.
- ② 압력의 변화량과 체적의 변화량은 관계있다.
- ③ 체적탄성계수의 역수는 압축률로 표현한다.
- ④ 유압에 사용되는 유체가 압축되기 쉬운 정도를 나타낸 것으로 체적탄성계수가 클수록 압축이 잘 된다.
등록된 댓글이 없습니다.
74. 오일의 팽창, 수축을 이용한 유압 응용장치로 적절하지 않은 것은?
- ① 진동 개폐 밸브
- ② 압력계
- ③ 온도계
- ④ 쇼크 업소버
등록된 댓글이 없습니다.
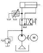
75. 그림과 같은 유압회로의 명칭으로 적합한 것은?

- ① 어큐뮬레이터 회로
- ② 시퀀스 회로
- ③ 블리드 오프 회로
- ④ 로킹(로크) 회로
등록된 댓글이 없습니다.
76. 토출량이 일정한 용적형 펌프의 종류가 아닌 것은?
- ① 기어 펌프
- ② 베인 펌프
- ③ 터빈 펌프
- ④ 피스톤 펌프
등록된 댓글이 없습니다.
77. 유압 모터의 효율에 대한 설명으로 틀린 것은?
- ① 전효율은 체적효율에 비례한다.
- ② 전효율은 기계효율에 반비례한다.
- ③ 전효율은 축 출력과 유체 입력의 비로 표현한다.
- ④ 체적효율은 실제 송출유량과 이론 송출유량의 비로 표현한다.
등록된 댓글이 없습니다.
78. 펌프의 효율을 구하는 식으로 틀린 것은? (단, 펌프에 손실이 없을 때 토출 압력은 P0, 실제 펌프 토출 압력은 P, 이론 펌프 토출량은 Q0, 실제 펌프 토출량은 Q, 유체동력은 Lh, 축동력은 Ls이다.)
- ① 용적효율 =

- ② 압력효율 =

- ③ 기계 효율 =

- ④ 전 효율 = 용적 효율×압력 효율×기계 효율
등록된 댓글이 없습니다.
79. 그림과 같은 기호의 밸브 명칭은?

- ① 스톱 밸브
- ② 릴리프 밸브
- ③ 체크 밸브
- ④ 가변 교축 밸브
등록된 댓글이 없습니다.
80. 압력 제어 밸브에서 어느 최소 유량에서 어느 최대 유량까지의 사이에 증대하는 압력은?
- ① 오버라이드 압력
- ② 전량 압력
- ③ 정격 압력
- ④ 서지 압력
등록된 댓글이 없습니다.
5과목 : 기계제작법 및 기계동력학
81. 강체의 평면운동에 대한 설명으로 틀린 것은?
- ① 평면운동은 병진과 회전으로 구분할 수 있다.
- ② 평면운동은 순간중심점에 대한 회전으로 생각할 수 있다.
- ③ 순간중심점은 위치가 고정된 점이다.
- ④ 곡선경로를 움직이더라도 병진운동이 가능하다.
등록된 댓글이 없습니다.
82. 자동차 B, C가 브레이크가 풀린 채 정지하고 있다. 이때 자동차 A가 1.5m/s의 속력으로 B와 충돌하면, 이후 B와 C가 다시 충돌하게 되어 결국 3대의 자동차가 연쇄 충돌하게 된다. 이때 B와 C가 충돌한 직후 자동차 C의 속도는 약 몇 m/s인가? (단, 모든 자동차 간 반발계수는 e=0.75이고, 모든 자동차는 같은 종류로 질량이 같다.)

- ① 0.16
- ② 0.39
- ③ 1.15
- ④ 1.31
등록된 댓글이 없습니다.
83. 질량 m=100kg인 기계가 강성계수 k=1000kN/m, 감쇠비 ξ=0.2인 스프링에 의해 바닥에 지지되어 있다. 이 기계에 F=485sin(200t)N의 가진력이 작용하고 있다면 바닥에 전달되는 힘은 약 몇 N 인가?

- ① 100
- ② 200
- ③ 300
- ④ 400
등록된 댓글이 없습니다.
84. 그림과 같은 진동시스템의 운동방정식은?

- ①

- ②

- ③

- ④

등록된 댓글이 없습니다.
85. 20g의 탄환이 수평으로 1200m/s이 속도로 발사되어 정지해 있던 300g의 블록에 박힌다. 이후 스프링에 발생한 최대 압축 길이는 약 몇 m 인가? (단, 스프링상수는 200N/m 이고 처음에 변형되지 않은 상태였다. 바닥과 블록 사이의 마찰은 무시한다.)

- ① 2.5
- ② 3.0
- ③ 3.5
- ④ 4.0
me2022. 8. 20. 16:08삭제
운동량보존법칙 , 에너지보존법칙(블록의 에너지 = 스프링의 에너지) 사용
86. 북극과 남극이 일직선으로 관통된 구멍을 통하여, 북극에서 지구 내부를 향하여 초기속도 vo=10m/s로 한 질점을 던졌다. 그 질점이 A점(S=R/2)을 통과할 때의 속력은 약 몇 km/s 인가? (단, 지구내부는 균일한 물질로 채워져 있으며, 중력가속도는 O점에서 0이고, O점으로 부터의 위치 S에 비례한다고 가정한다. 그리고 지표면에서 중력가속도는 9.8m/s2, 지구 반지름은 R=6371km 이다.)

- ① 6.84
- ② 7.90
- ③ 8.44
- ④ 9.81
me2022. 8. 20. 16:28삭제
adx = vdv (정적분사용)
87. 진동수(f), 주기(T), 각진동수(ω)의 관계를 표시한 식으로 옳은 것은?
- ①

- ②

- ③

- ④

등록된 댓글이 없습니다.
88. 물체의 위치가 x가 x = 6t2 - t3[m]로 주어졌을 때 최대 속도의 크기는 몇 m/s인가? (단, 시간의 단위는 초이다.)
- ① 10
- ② 12
- ③ 14
- ④ 16
등록된 댓글이 없습니다.
89. 경사면에 질량 M의 균일한 원기둥이 있다. 이 원기둥에 감겨 있는 실을 경사면과 동일한 방향인 위쪽으로 잡아당길 때, 미끄럼이 일어나지 않기 위한 실의 장력 T의 조건은? (단, 경사면의 각도는 α, 경사면과 원기둥사이의 마찰계수를 μs, 중력가속도를 g라 한다.)

- ① T ≤ Mg(3μssinα + cosα)
- ② T ≤ Mg(3μssinα - cosα)
- ③ T ≤ Mg(3μscosα + sinα)
- ④ T ≤ Mg(3μscosα - sinα)
등록된 댓글이 없습니다.
90. 직선 진동계에서 질량 98kg의 물체가 16초간에 10회 진동하엿다. 이 진동계의 스프링 상수는 몇 N/cm 인가?
- ① 37.8
- ② 15.1
- ③ 22.7
- ④ 30.2
등록된 댓글이 없습니다.
91. 용접부의 시험검사 방법 중 파괴시험에 해당하는 것은?
- ① 외관시험
- ② 초음파 탐상시험
- ③ 피로시험
- ④ 음향시험
등록된 댓글이 없습니다.
92. 담금질된 강의 마텐자이트 조직은 경도는 높지만 취성이 매우 크고 내부적으로 잔류응력이 많이 남아 있어서 A1 이하의 변태점에서 가열하는 열처리 과정을 통하여 인성을 부여하고 잔류응력을 제거하는 열처리는?
- ① 풀림
- ② 불림
- ③ 침탄법
- ④ 뜨임
등록된 댓글이 없습니다.
93. 방전가공의 특징으로 틀린 것은?
- ① 무인가공이 불가능하다.
- ② 가공 부분에 변질층이 남는다.
- ③ 전극의 형상대로 정밀하게 가공할 수 있다.
- ④ 가공물의 경도와 관계없이 가공이 가능하다.
등록된 댓글이 없습니다.
94. 단체모형, 분할모형, 조립모형의 종류를 포괄하는 실제 제품과 같은 모양의 모형은?
- ① 고르게 모형
- ② 회전 모형
- ③ 코어 모형
- ④ 현형
등록된 댓글이 없습니다.
95. 압연에서 롤러의 구동은 하지 않고 감는 기계의 인장 구동으로 압연을 하는 것으로 연질재의 박판 압연에 사용되는 압연기는?
- ① 3단 압연기
- ② 4단 압연기
- ③ 유성 압연기
- ④ 스테켈 압연기
등록된 댓글이 없습니다.
96. 압연가공에서 가공 전의 두께가 20mm이던 것이 가공 후의 두께가 15mm로 되었다면 압하율은 몇 % 인가?
- ① 20
- ② 25
- ③ 30
- ④ 40
등록된 댓글이 없습니다.
97. 스프링 등과 같은 기계요소의 피로강도를 향상시키기 위해 작은 강구를 공작물의 표면에 충돌시켜서 가공하는 방법은?
- ① 숏 피닝
- ② 전해가공
- ③ 전해연삭
- ④ 화학연마
등록된 댓글이 없습니다.
98. 브라운샤프형 분할대로 의 각도를 분할할 때, 분할 크랭크의 회전을 어떻게 하면 되는가?
- ① 27구멍 분할판으로 14구멍씩
- ② 18구멍 분할판으로 11구멍씩
- ③ 21구멍 분할판으로 7구멍씩
- ④ 24구멍 분할판으로 15구멍씩
등록된 댓글이 없습니다.
99. 전기 아크용접에서 언더컷의 발생 원인으로 틀린 것은?
- ① 용접속도가 너무 빠를 때
- ② 용접전류가 너무 높을 때
- ③ 아크길이가 너무 짧을 때
- ④ 부적당한 용접봉을 사용했을 때
등록된 댓글이 없습니다.
100. 절삭가공 시 발생하는 절삭온도 측정방법이 아닌 것은?
- ① 부식을 이용하는 방법
- ② 복사고온계를 이용하는 방법
- ③ 열전대에 의한 방법
- ④ 칼로리미터에 의한 방법
등록된 댓글이 없습니다.