무선설비산업기사(2019. 3. 9.) 시험일자 : 2019년 3월 9일
1과목 : 디지털 전자회로
1. 전파 정류회로의 맥동률은 얼마인가?
- ① 약 0.482%
- ② 약 1.21%
- ③ 약 11.1%
- ④ 약 48.2%
등록된 댓글이 없습니다.
2. 다음 중 직류 전원회로의 구성 순서로 옳은 것은?
- ① 정류회로 → 변압회로 → 평활회로 → 정전압회로
- ② 변압회로 → 정류회로 → 평활회로 → 정전압회로
- ③ 변압회로 → 평활회로 → 정류회로 → 정전압회로
- ④ 변압회로 → 정류회로 → 정전압회로 → 평활회로
등록된 댓글이 없습니다.
3. 다음 중 정전압회로의 파라미터에 속하지 않는 것은?
- ① 전압안정계수(SV)
- ② 온도안정계수(ST)
- ③ 출력저항(RO)
- ④ 최대제너전류(IZ)
등록된 댓글이 없습니다.
4. 다음 중 2단 이상의 증폭기에서 잡음을 줄일 수 있는 가장 효과적인 방법은?
- ① 종단 증폭기의 이득은 첫단 증폭기에 비해 가능한 낮게 설계한다.
- ② 첫단 증폭기는 가능한 이득이 작은 증폭기로 구성한다.
- ③ 첫단 증폭기를 트랜지스터(쌍극성 트랜지스터) 증폭기로 구성한다.
- ④ 첫단 증폭기를 잡음지수(Noise Figure)가 낮은 증폭기로 구성한다.
등록된 댓글이 없습니다.
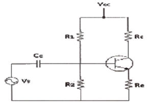
5. 다음 회로에서 Re의 값과 관계가 없는 것은?

- ① Re가 크면 클수록 입력 임피던스는 커진다.
- ② Re가 크면 클수록 안정계수 S는 적어진다.
- ③ Re가 크면 클수록 증폭된 컬렉터 전류는 적어진다.
- ④ Re가 크면 클수록 전압 증폭도는 커진다.
등록된 댓글이 없습니다.
6. 다음 중 궤한증폭기의 특성에 관한 설명으로 틀린 것은?

- ① 궤환으로 입력 임피던스 Ri는 감소한다.
- ② 궤환으로 출력 임피던스 Ro는 감소한다.
- ③ 궤환으로 전류이득 Io/Is는 감소한다.
- ④ RF가 작을수록 출력전압 VO는 커진다.
등록된 댓글이 없습니다.
7. 전압궤환증폭기에서 무궤한 시 이득이 A, 궤환율이 β일 때 궤환 시 전압 이득은 Af=A/(1-βA)이다. βA=1인 경우 어떠한 회로로 동작한 것인가?
- ① 부궤환회로이다.
- ② 파형정형회로이다.
- ③ 발진회로이다.
- ④ 궤환회로도 아니고 발진회로도 아니다.
등록된 댓글이 없습니다.
8. 수정 발진회로에서 수정 진동자의 전기적 직렬 공진 주파수를 fS, 병렬 공진 주파수를 fP라 할 때, 가장 안정된 발진을 하기 위한 조건은? (단, fa는 발진 주파수이다.)
- ① fP<fa<fS
- ② fa=fS
- ③ fS<fa<fP
- ④ fa=fP
등록된 댓글이 없습니다.
9. 다음 중 클랩(Clapp)발진기의 설명으로 틀린 것은?
- ① 콜피츠 발진기를 변형한 것이다.
- ② 발진주파수가 안정하다.
- ③ 발진주파수 범위가 작다.
- ④ 발진출력이 크다.
등록된 댓글이 없습니다.
10. 다음의 회로에서 발진기 명칭과 C3의 역할이 맞는 것은?

- ① 클랩 발진기, 발진 주파수 안정화
- ② 컬렉터 동조형 발진기, 발진 이득의 안정화
- ③ 콜피츠 발진기, 위상 안정화
- ④ 하틀리 발진기, 왜율 개선
등록된 댓글이 없습니다.
11. 진폭변조 회로에서 피변조파 전력이 30[kW]이고 변조도가 100[%]라면 반송파 전력은 얼마인가?
- ① 10[kW]
- ② 20[kW]
- ③ 30[kW]
- ④ 40[kW]
등록된 댓글이 없습니다.
12. 다음 중 DSB-LC(DSB-TC) 변조 후에 발생되는 (피)변조 신호를 구성하는 성분이 아닌 것은?
- ① 반송파
- ② USB
- ③ LSB
- ④ FSB
등록된 댓글이 없습니다.
13. 다음 중 간접 FM 변조회로에서 변조용으로 사용되는 다이오드는?
- ① 가변용량 다이오드
- ② 터널 다이오드
- ③ 제너 다이오드
- ④ 쇼트키 다이오드
등록된 댓글이 없습니다.
14. 진폭변조(AM)에서 반송파 주파수(fc)가 1,000[kHz]이고, 신호파 주파수(fs)가 2[kHz]일 때 필요한 주파수대역폭(BW)은?
- ① 1[kHz]
- ② 4[kHz]
- ③ 1,000[kHz]
- ④ 4,000[kHz]
등록된 댓글이 없습니다.
15. 다음 중 멀티바이브레이터의 단안정회로와 쌍안전회로는 어떻게 결정되는가?
- ① 결합회로의 구성에 따라 결정된다.
- ② 출력전압의 부궤환율에 따라 결정된다.
- ③ 입력전류의 크기에 따라 결정된다.
- ④ 바이러스 전압 크기에 따라 결정된다.
등록된 댓글이 없습니다.
16. 다음 중 클리핑 레벨의 위 레벨과 아래 레벨 사이의 간격을 좁게하여 입력파형의 특정 부분을 잘라내는 회로는?
- ① 클램핑 회로(Clamping Circuit)
- ② 슬라이서 회로(Slicer Circuit)
- ③ 적분 회로(Integral Circuit)
- ④ 클리핑 회로(Clipping Circuit)
등록된 댓글이 없습니다.
17. 다음 중 이진수 101011을 십진수로 표시한 것은?
- ① 37
- ② 41
- ③ 43
- ④ 45
등록된 댓글이 없습니다.
18. 다음 회로에서 Y는 어떤 파형이 출력되는가? (단, 입력은 64[kHz]구형파이다.)

- ① 32[kHz] 구형파
- ② 24[kHz] 구형파
- ③ 16[kHz] 구형파
- ④ 8[kHz] 구형파
등록된 댓글이 없습니다.
19. 다음 중 동기식 카운터와 가장 관계가 없는 것은?
- ① 리플 카운터라고도 한다.
- ② 동일 클록으로 동작한다.
- ③ 고속 카운팅에 적합하다.
- ④ 회로 설계 시 주의를 요한다.
등록된 댓글이 없습니다.
20. 다음 중 마스터-슬레이브 플립플롭으로 해결할 수 있는 현상으로 알맞은 것은?
- ① Toggle 현상
- ② Race 현상
- ③ Storage 현상
- ④ Hogging 현상
등록된 댓글이 없습니다.
2과목 : 무선통신 기기
21. 슈퍼헤테로다인 수신기에 있어서 고주파 증폭회로의 역할이 아닌 것은?
- ① S/N비 개선
- ② 주파수 안정도 개선
- ③ 영상혼신 개선
- ④ 수신기 감도 향상
등록된 댓글이 없습니다.
22. 중간주파수가 500[kHz]인 슈퍼헤테로다인 수신기에서 희망파 1,000[kHz]에 대한 영상주파수는 얼마인가? (단, 상측 헤테로다인 방식으로 동작한다.)
- ① 1,500[kHz]
- ② 2,000[kHz]
- ③ 2,200[kHz]
- ④ 3,200[kHz]
등록된 댓글이 없습니다.
23. 100[MHz]의 반송파를 최대 주파수 편이 75[kHz]로 하고 5[kHz]의 신호 주파수로 변조하였다. 변조지수는?
- ① 20
- ② 15
- ③ 10
- ④ 5
등록된 댓글이 없습니다.
24. 다음의 그림은 어떤 변조 파형인가?

- ① 각 편이 변조
- ② 진폭 편이 변조
- ③ 주파수 편이 변조
- ④ 위상 편이 변조
등록된 댓글이 없습니다.
25. 다음 그림은 OFDM 변조 파형을 심볼로 나타낸 것이다. OFDM의 직교 특징을 표현한 심볼구간은?

- ① 심볼 (a)와 심볼 (b)의 사이
- ② 심볼 (a)와 심볼 (c)의 사이
- ③ 심볼 (b)와 심볼 (d)의 사이
- ④ 심볼 (a)와 심볼 (d)의 사이
등록된 댓글이 없습니다.
26. 다음 중 QAM과 OFDM을 비교 설명한 것으로 옳은 것은?
- ① QAM은 단일 반송파를 사용하고 OFDM은 다중 반송파를 사용한다.
- ② QAM은 멀티캐리어의 일종이고, OFDM은 진폭변조의 개량형이다.
- ③ QAM은 멀티패스에 강하고 OFDM은 멀티패스에 약하다.
- ④ QAM은 레벨이 일정하고 OFDM은 레벨이 변동된다.
등록된 댓글이 없습니다.
27. 다음 중 변조 방식과 복조 방식의 조합이 잘못된 것은?
- ① ASK - 포락선 검파
- ② FSK - 포락선 검파
- ③ DPSK - 동기 검파
- ④ QPSK - 동기 검파
등록된 댓글이 없습니다.
28. 다음 중 위성통신의 장점이 아닌 것은?
- ① 동보통신(Broadcasting)이 가능하다.
- ② 전송 손실 및 지연이 없다.
- ③ 광역성 통신이 가능하다.
- ④ 고속 대용량 통신이 가능하다.
등록된 댓글이 없습니다.
29. 등방성 안테나 이득을 표현할 때의 단위는?
- ① dBi
- ② dBm
- ③ dBw
- ④ dB
등록된 댓글이 없습니다.
30. 다음 중 위성의 다원접속기술에서 회선할당방식에 속하지 않는 것은?
- ① 고정할당방식
- ② 요구할당방식
- ③ 개방할당방식
- ④ 랜덤할당방식
등록된 댓글이 없습니다.
31. 다음 중 이동통신용 송신기의 각 모듈에 대한 설명으로 틀린 것은?
- ① 발진부(Oscillator) : 반송파를 발생하는 장치이다.
- ② 증폭부(Amplifier) : 변조를 위하여 반송파를 증폭하는 장치이다.
- ③ 저주파 증폭부(Audio Frequency Amplifier) : 반송파 신호와 정보 신호가 혼합된 신호를 증폭하는 장치이다.
- ④ 변조부(Modulator) : 반송파 신호와 정보 신호를 혼합하는 장치이다.
등록된 댓글이 없습니다.
32. 지상파 DMB 송신시스템에서 DQPSK 신호로 다중캐리어를 처음 생성하는 구성요소는?
- ① 변조기
- ② 증폭기
- ③ 안테나
- ④ 급전선
등록된 댓글이 없습니다.
33. 다음 중 영상방송용 송ㆍ수신 중계시스템의 전송방식이 아닌 것은?
- ① 마이크로웨이브 전송방식
- ② SSB-SC(Single Side Band Suppressed Carrier) 전송방식
- ③ SNG(Satellite News Gathering) 전송방식
- ④ 광케이블 전송방식
등록된 댓글이 없습니다.
34. 다음 중 수신기의 S/N 비를 개선하기 위한 방법으로 틀린 것은?
- ① 주파수 변환 이득을 크게 한다.
- ② 수신기 대역폭을 넓힌다.
- ③ 믹서 전단에 저잡음 증폭기를 설치한다.
- ④ 국부 발진기의 출력에 필터를 설치한다.
등록된 댓글이 없습니다.
35. 다음 중 정류장치에 대한 특성을 해석하는데 이용되는 파라미터가 아닌 것은?
- ① 맥동률
- ② 전압변동률
- ③ 정류효율
- ④ 변조도
등록된 댓글이 없습니다.
36. 다음 중 태양전지에 대한 설명으로 틀린 것은?
- ① 태양전지의 기판 종류에는 단결정 실리콘 웨이퍼가 있다.
- ② 태양전지는 태양광의 광전효과를 이용하여 전기를 생산한다.
- ③ 태양전지의 양단에 외부도선을 연결하면 P형 쪽의 전자가 도선을 통해 N형 쪽으로 이동하게 되면서 전류가 흐르게 된다.
- ④ 태양전지 에너지원은 청정, 무제한이다.
등록된 댓글이 없습니다.
37. 포락선 검파기에서 Diagonal Clipping이 발생하는 이유로 가장 적합한 것은?
- ① 검파기 회로의 시정수가 너무 작은 경우
- ② 검파기 회로의 시정수가 너무 큰 경우
- ③ 검파기의 부하가 콘덴서만으로 구성된 경우
- ④ 검파기의 부하가 저항만으로 구성된 경우
등록된 댓글이 없습니다.
38. 다음 중 무선 송신기의 신호대잡음비(S/N) 측정시 필요하지 않은 측정기는?
- ① 변조도계
- ② 오실로스코프
- ③ 직선 검파기
- ④ 저주파 발진기
등록된 댓글이 없습니다.
39. 어떤 시스템의 출력 전력이 20[dBm]이면 이 시스템의 출력 전력은 몇 [mW]인가?
- ① 400[mW]
- ② 300[mW]
- ③ 200[mW]
- ④ 100[mW]
등록된 댓글이 없습니다.
40. 오실로스코프를 이용하여 다음 회로의 부하 저항 양단의 파형을 측정하였다. 만일 D3의 리드가 단선되었을 때 출력파형은 어떻게 되겠는가? (단, Vi=Vmsin(ωt)이다.)

- ①

- ②

- ③

- ④

등록된 댓글이 없습니다.
3과목 : 안테나 개론
41. 비유전율(εs)이 4이고 비투자율(μs)이 1인 매질 내를 전파하는 전자파의 속도는 자유공간을 전파할 때와 비교하여 몇 배의 속도가 되는가?
- ① 1/2배
- ② 2배
- ③ 4배
- ④ 9배
등록된 댓글이 없습니다.
42. 자유 공간에서 단위 면적을 단위 시간에 통과하는 전파 에너지가 3[μW/m2]이었다. 이때 자유공간의 전계강도는 약 얼마인가?
- ① 6.45[mV/m]
- ② 16.81[mV/m]
- ③ 33.63[mV/m]
- ④ 45.65[mV/m]
등록된 댓글이 없습니다.
43. λ/4 수직 안테나의 길이가 5[m]일 때 전파의 주파수는?
- ① 5[MHz]
- ② 10[MHz]
- ③ 15[MHz]
- ④ 20[MHz]
등록된 댓글이 없습니다.
44. 다음 중 안테나의 도파관에 금속봉(Stub)을 삽입하는 이유로서 바르게 설명된 것은?
- ① 리액턴스 성분을 제거한다.
- ② 반사파를 만들기 위함이다.
- ③ 안테나 길이를 단축한다.
- ④ 고주파 전압의 파복을 낮춘다.
등록된 댓글이 없습니다.
45. 다음 중 스미스 도표를 사용하여 구할 수 없는 것은?
- ① 반사계수
- ② 위상속도
- ③ 정재파비
- ④ 정규화 입력임피던스
등록된 댓글이 없습니다.
46. 가로 10[cm], 세로 5[cm]의 구형 도파관을 TELSUB10로 사용할 때 사용 파장이 1500[MHz]인 경우 위상 속도?
- ① ∞
- ② 0
- ③ 1
- ④ 3×108
등록된 댓글이 없습니다.
47. 다음 중 마이크로파대 주파수의 전송선로로 도파관을 사용하는 이유가 아닌 것은?
- ① 취급할 수 있는 전력이 크다.
- ② 외부 전자계와 완전히 결합된다.
- ③ 방사손실이 적다.
- ④ 유전체 손실이 적다.
등록된 댓글이 없습니다.
48. 다음 중 도파관의 손실 및 전송 가능한 주파수 범위를 결정하는 요소가 아닌 것은?
- ① 도파관 단면의 형상
- ② 도파관 단면의 길이
- ③ 도파관내 저역통과필터(LPF)의 설계
- ④ 도파관내 전송파의 Mode
등록된 댓글이 없습니다.
49. 실효 높이가 15[m]인 안테나에 0.06[V]의 전압이 유기되면 이곳의 전계강도는 몇 [dB]인가? (단, 기준 전계강도는 1[μV/m]이다.)
- ① 약 27[dB]
- ② 약 50[dB]
- ③ 약 72[dB]
- ④ 약 96[dB]
등록된 댓글이 없습니다.
50. 주파수 200[MHz]용 반파장 다이폴 안테나에서 10[kW]의 전력이 방사될 때, 최대 방사 방향으로 10[km] 떨어진 지점에서 전계의 세기는?
- ① 7[mV/m]
- ② 70[mV/m]
- ③ 700[mV/m]
- ④ 7[V/m]
등록된 댓글이 없습니다.
51. 베르니-토시 안테나의 특징 중 틀린 것은?
- ① 루프 안테나를 회전시키지 않고 고니오미터의 탐색코일을 회전함으로써 전파의 도래방향을 측정할 수 있다.
- ② 탐색(수색, 회전, 가동)코일을 회전시켜 8자형 지향특성을 나타낸다.
- ③ 평형형 동조급전선을 사용하기 때문에, 임피던스 정합회로는 필요없다.
- ④ 단일방향을 결정하기 위하여 수직 안테나가 필요하며, 감도 0일 때 탐색코일 회전각의 직각방향이 전파의 도래방향이다.
등록된 댓글이 없습니다.
52. 반파장 다이폴 안테나의 실효고(길이)는?
- ① λ/2π
- ② λ/π
- ③ λ/π2
- ④ (λ/2π)2
등록된 댓글이 없습니다.
53. 다음 중 야기 안테나의 이득을 증가시키는 방법으로 가장 적합한 것은?
- ① 투사기의 수를 증가시킨다.
- ② 도파기의 수를 증가시킨다.
- ③ 투사기의 길이를 증가시킨다.
- ④ 도파기의 길이를 증가시킨다.
등록된 댓글이 없습니다.
54. 초단파 대역용 안테나로 정합장치가 불필요하며, 실효길이가 반파장 다이폴 안테나의 약 2배가 되는 안테나는?
- ① 루프(Loop) 안테나
- ② 롬빅(Rhombic) 안테나
- ③ 폴디드(Folded) 안테나
- ④ 턴스타일(Turen Style) 안테나
등록된 댓글이 없습니다.
55. 다음 중 지상파에 대한 설명으로 틀린 것은?
- ① 송수신점의 안테나 높이와 직접파의 가시거리는 직접적인 관계가 없다.
- ② 직접파는 송신점에서 수신점에 직접 도달하는 전파이다.
- ③ 지표파는 도전성인 지구 표면을 따라서 전파하는 전파이다.
- ④ 회절파는 대지의 융기부나 지상에 있는 전파 장애물을 넘어서 수신점에 도달하는 전파이다.
등록된 댓글이 없습니다.
56. 다음 중 대류권 산란파에 대한 설명으로 틀린 것은?
- ① 소출력의 송신기가 필요하다.
- ② 지리적 조건에 영향을 받지 않는다.
- ③ 수신전계는 불규칙하게 변하나 비교적 안정하다.
- ④ 기본 전파 손실은 매우 크다.
등록된 댓글이 없습니다.
57. 대기층의 동요, 소기단의 통과 등 기상상태의 소변화에 의하여 발생하는 신틸레이션 페이딩의 설명으로 틀린 것은?
- ① 주기가 빠르고 불규칙하다.
- ② 송수진점 간의 거리가 멀수록 변동주기가 길어진다.
- ③ 하계보다 동계에 더 많이 발생한다.
- ④ AGC, AVC를 이용하여 방지할 수 있다.
등록된 댓글이 없습니다.
58. 전계강도의 변동폭이 커서 특히 마이크로파대역에서 실용상 문제가 되는 페이딩은?
- ① K형
- ② 신틸레이션형
- ③ 선택형
- ④ 덕트(Duct)형
등록된 댓글이 없습니다.
59. 다음 중 사용주파수가 큰 순서로 나열한 것은? (단, LUF: 최저 사용주파수, MUF: 최고 사용 주파수, FOT: 최적 사용 주파수이다.)
- ① FOT < MUF < LUF
- ② LUF < FOT < MUF
- ③ FOT < LUF < MUF
- ④ LUF < MUF < FOT
등록된 댓글이 없습니다.
60. 다음 중 전파의 도약거리(Skip Distance)에 대한 설명으로 틀린 것은?
- ① 전리층의 높이가 높으면 도약거리도 멀어진다.
- ② 사용하는 주파수가 임계주파수보다 높을 때 생긴다.
- ③ 정할의 법칙을 이용하여 구할 수 있다.
- ④ 불감지대는 도약거리보다 약 2배 먼 곳에 위치한다.
등록된 댓글이 없습니다.
4과목 : 전자계산기 일반 및 무선설비기준
61. 다음 중 RAM에 관한 설명으로 틀린 것은?
- ① RAM은 반도체 기억 소자를 물리적으로 배열함으로써 이루어진 8X8 크기를 갖는 구조를 나타내고 있다.
- ② MBR은 기억 장치의 주소선에 연결되어 있으며, 특정한 기억공간을 지정하기 위한 주소들을 기억한다.
- ③ 한 개의 RAM에 집적할 수 있는 기억 용량에는 한계가 있으므로 보통 여러 개의 RAM을 이용하여 원하는 용량의 기억장치를 구성한다.
- ④ RAM의 동작은 기억 장치를 중심으로 MAR(Memory Address Register), MBR(Memory Buffer Register) 그리고 RAM의 동작을 제어하기 위한 선택 신호(CS), 읽기/쓰기(R/W) 신호들에 의해 이루어진다.
등록된 댓글이 없습니다.
62. 2진수 11001-10001을 2의 보수를 이용하여 연산할 경우 (가)와 (나)의 표현으로 옳은 것은?

- ① 01110, 00111
- ② 01111, 01000
- ③ 01110, 01000
- ④ 10000, 01001
등록된 댓글이 없습니다.
63. 논리 연산 동작을 수행한 후 결과를 축적하는 레지스터는?
- ① 어큐뮬레이터(Accumulator)
- ② 인덱스 레지스터(Index register)
- ③ 플래그 레지스터(Flag register)
- ④ 시프트 레지스터(Shift register)
등록된 댓글이 없습니다.
64. 다음 중 2진수 1011을 0100으로 각 비트의 값을 반전시키거나 보수를 구할 때 사용하는 연산은?
- ① AND 연산
- ② OR 연산
- ③ NOT 연산
- ④ XOR 연산
등록된 댓글이 없습니다.
65. 다음 중 운영체제의 역할이 아닌 것은?
- ① 사용자와의 인터페이스 정의
- ② 사용자 간의 데이터 공유
- ③ 사용자 간의 자원 스케줄링
- ④ 파일 구조 설계
등록된 댓글이 없습니다.
66. 다음 중 스택(Stack)에 대한 설명으로 옳은 것은?
- ① 1-주소(번지) 명령어 형식에 주로 사용된다.
- ② 복귀번지를 저장할 때 유용하게 사용된다.
- ③ FIFO(First In First Out) 구조를 갖는다.
- ④ 팝(POP)은 스택에 새로운 자료를 추가하는 연산이다.
등록된 댓글이 없습니다.
67. 다음 중 운영체제의 기능에서 프로세서 관리에 대한 설명으로 틀린 것은?
- ① 프로세서 실행 중이란 반드시 중앙처리장치에서 실행(Running)되고 있음을 의미한다.
- ② 프로세서란 컴퓨터 시스템에 입력되어 운영체제의 관리하에 들어갔으며, 아직 수행이 종료되지 않은 상태를 의미한다.
- ③ 각 프로세서들에 대해 지금까지의 총 실행시간이 얼마인지 등에 대한 정보를 기억하고 있어야 한다.
- ④ 프로세서들을 관리하는 과정에서 자원을 동시에 사용하고자 할 경우 이를 중재하여 데이터의 무결성(Integrity)을 잃지 않도록 한다.
등록된 댓글이 없습니다.
68. 다음 중 병렬처리 시스템의 설명으로 틀린 것은?
- ① 병렬처리는 다수의 프로세서들이 여러 개의 프로그램들 또는 한 프로그램의 분할된 부분들을 분담하여 동시에 처리하는 기술이다.
- ② 컴퓨터 시스템의 계산속도 향상이 목적이다.
- ③ 시스템의 비용 증가가 없고 별도의 하드웨어가 필요하지 않다.
- ④ 분할된 부분들을 병렬로 처리한 결과가 전체 프로그램을 순차적으로 처리한 경우와 동일한 결과를 얻을 수 있다.
등록된 댓글이 없습니다.
69. 소프트웨어 프로세스 품질보증에서 CMM의 성숙 단계로 맞는 것은?
- ① 초보단계 - 정의단계 - 반복단계 - 관리단계 - 최적화단계
- ② 초보단계 - 반복단계 - 관리단계 - 정의단계 - 최적화단계
- ③ 초보단계 - 반복단계 - 최적화단계 - 관리단계 - 정의단계
- ④ 초보단계 - 반복단계 - 정의단계 - 관리단계 - 최적화단계
등록된 댓글이 없습니다.
70. 입출력 주소지정방식에 있어 메모리 주소와 입출력 주소가 단일 주소공간으로 구성되어 주소관리는 용이하나, 메모리 주소공간이 입출력 주소공간에 의해 축소되는 단점을 갖는 주소지정방식은 무엇인가?
- ① Programmed I/O
- ② Interrupt I/O
- ③ Memory-Mapped I/O
- ④ I/O-Mapped I/O
등록된 댓글이 없습니다.
71. 다음 괄호 안에 들어갈 내용으로 알맞은 것은?

- ① 15일
- ② 20일
- ③ 30일
- ④ 40일
등록된 댓글이 없습니다.
72. 다음 중 전파법에서 규정한 “심사에 의한 주파수할당” 시 고려할 사항이 아닌 것은?
- ① 전파자원 이용의 효율성
- ② 신청자의 주파수 이용 실적
- ③ 신청자의 기술적 능력
- ④ 할당하려는 주파수의 특성
등록된 댓글이 없습니다.
73. 정기검사 유효기간이 1년인 무선국의 정기검사 시기는 유효기간 만료일 전후 몇 개월 이내인가?
- ① 1개월
- ② 2개월
- ③ 3개월
- ④ 6개월
등록된 댓글이 없습니다.
74. 과학기술정보통신부장관이 무선설비 등에서 발생하는 전자파가 인체에 미치는 영향을 고려하여 고시하는 기준이 아닌 것은?
- ① 전자파 인체보호기준
- ② 전자파 강도 측정기준
- ③ 전자파 흡수율 측정기준
- ④ 전자파 자원 개발기준
등록된 댓글이 없습니다.
75. 다음 중 법령에서 정하는 무선국 검사의 종류가 아닌 것은?
- ① 준공검사
- ② 정기검사
- ③ 수시검사
- ④ 사용전검사
등록된 댓글이 없습니다.
76. 다음 중 방송통신기자재 등의 적합인증 신청 시 구비서류가 아닌 것은?
- ① 사용자 설명서
- ② 외관도
- ③ 회로도
- ④ 주요 부품명세서
등록된 댓글이 없습니다.
77. 다음 중 무선국 주파수 허용 편차에서 허용치가 10[Hz]가 아닌 무선국은 어느 것인가?
- ① 535[kHz] ~ 1,605.5[kHz] 범위의 방송국
- ② 9kHz] ~ 535[kHz] 범위의 방송국
- ③ 4[MHz] ~ 29.7[MHz] 범위의 F1B전파발사 고정국
- ④ 4[MHz] ~ 29.7[MHz] 범위의 우주국
등록된 댓글이 없습니다.
78. 국제향해에 종사하는 총톤수 1,600톤 이상의 선박에 설치하는 중파 무선방위측정기는 전원접속 후 몇 분 이내에 동작할 수 있어야 하는가?
- ① 1분
- ② 2분
- ③ 3분
- ④ 4분
등록된 댓글이 없습니다.
79. 전파형식이 R3E, H3E, J3E인 무선국의 무선설비 점유주파수대폭의 허용치는?
- ① 0.5[kHz]
- ② 3[kHz]
- ③ 6[kHz]
- ④ 15[kHz]
등록된 댓글이 없습니다.
80. 108[MHz] 내지 118[MHz] 주파수의 전파를 전 방향에 발사하는 회전식 무선표지업무를 행하는 무선설비는?
- ① 글라이드 패스(Glide Path)
- ② 마아커 비콘(Marker Radio Beacon)
- ③ 전방향표지시설(폴 Omni-directional Range)
- ④ Z 마아커(Zone Marker)
등록된 댓글이 없습니다.