9급 국가직 공무원 전기기기(2021. 4. 17.) 시험일자 : 2021년 4월 17일
1. 직권 직류전동기에 대한 설명으로 옳지 않은 것은?
- ① 자속이 포화되기 전까지 토크는 전기자 전류의 제곱에 비례한다.
- ② 크레인용 전동기와 같이 매우 큰 토크가 필요한 곳에 적합하다.
- ③ 무부하 상태로 연결하여 동작하는 것을 피해야 한다.
- ④ 토크가 커질수록 높은 속도를 얻을 수 있다.
등록된 댓글이 없습니다.
2. V-V 결선에 대한 설명으로 옳지 않은 것은?
- ① 소용량 3상 부하에 사용할 수 있다.
- ② △-△ 결선에서 1대의 변압기가 고장 나면 V-V 결선으로 운전할 수 있다.
- ③ △-△ 결선의 출력에 비하여 부하용량은 86.6[%], 이용률은 57.7[%]로 줄어든다.
- ④ 부하의 상태에 따라 2차 단자전압이 불평형이 될 수 있다.
등록된 댓글이 없습니다.
3. 다음 그림의 DC-DC 컨버터 명칭과 정상상태에서의 입출력전압의 관계는? (단, TD는 SW의 duty ratio이다)

- ① 벅 컨버터,

- ② 벅 컨버터,

- ③ 부스트 컨버터,

- ④ 부스트 컨버터,

등록된 댓글이 없습니다.
4. 8극, 60[Hz], 12[kW]인 3상 유도전동기가 전부하 시 720[rpm]으로 회전할 때, 옳은 것은? (단, 기계손은 무시한다)
- ① 회전자 전류의 주파수는 12[Hz]이다.
- ② 회전자 효율은 90[%]이다.
- ③ 공극전력(회전자 입력전력)은 13.3[kW]이다.
- ④ 회전자 동손은 1.3[kW]이다.
등록된 댓글이 없습니다.
5. 다음의 동기기 등가회로와 벡터도에 대한 설명으로 옳지 않은 것은? (단, Xs는 동기리액턴스이다)

- ① 전동기로 동작하고 있다.
- ② 전류 Ia의 위상이 단자전압 Vt의 위상보다 뒤진다.
- ③ 무효전력이 발생한다.
- ④ 전류 Ia가 줄어들면 유기기전력 Ea와 단자전압 Vt의 크기 차이는 감소한다.
등록된 댓글이 없습니다.
6. 다음은 전력변환시스템의 전력단을 역할에 따라 블록으로 구분한 그림이다. 각 블록에 대한 설명으로 옳은 것은?

- ① A블록은 3상 교류입력전압을 정류하는 3상 다이오드 반파정류기이다.
- ② B블록은 A블록의 출력전압을 평활화하기 위한 목적으로 사용된다.
- ③ C블록은 교류신호를 직류신호로 변환하는 인버터를 나타낸다.
- ④ 선형변조 시 C블록의 PWM 스위칭주파수가 출력전압의 주파수보다 높을수록 출력전압의 고조파 제거가 어렵다.
등록된 댓글이 없습니다.
7. 유도전동기에 대한 설명으로 옳지 않은 것은?
- ① 회전자에 흐르는 전류는 지상전류이다.
- ② 정격속도로 운전할 때보다 기동 시의 2차측 누설리액턴스가 크다.
- ③ 슬립 s에서 유도전동기의 이론적인 최고효율은 1-s 이다.
- ④ 변압기에 비하여 일반적으로 누설리액턴스가 작다.
등록된 댓글이 없습니다.
8. 직류전동기의 기동 방법에 대한 설명으로 옳은 것은?
- ① 전기자 저항은 크게 하고 계자 저항은 최소로 한다.
- ② 전기자 저항은 크게 하고 계자 저항은 최대로 한다.
- ③ 전기자 저항은 작게 하고 계자 저항은 최소로 한다.
- ④ 전기자 저항은 작게 하고 계자 저항은 최대로 한다.
등록된 댓글이 없습니다.
9. 15,000/200[V], 10[kVA]인 변압기의 등가회로는 다음과 같다. 변압기의 출력전압이 정격전압이라 가정하고 0.8 지상역률 정격부하에서 운전되고 있을 때, 전압변동률[%]은? (단, 1차측 권선저항과 누설리액턴스는 무시한다)

- ① 5
- ② -5
- ③ 6
- ④ -6
등록된 댓글이 없습니다.
10. 타여자 직류발전기 A와 B가 병렬운전으로 130[A]의 부하전류를 공급하고 있다. 전기자 저항이 RA=0.2[Ω]와 RB=0.3[Ω]일 때, 각 발전기의 분담전류 IA[A]와 IB[A]는? (단, A와 B의 유기기전력은 같다.)

- ① ①
- ② ②
- ③ ③
- ④ ④
등록된 댓글이 없습니다.
11. 그림과 같은 3상 유도전동기의 토크 속도 특성 곡선에서 정상 운전 범위로 옳은 것은?

- ① Ts-Tm구간
- ② Tm-Tn구간
- ③ Tn-Tr구간
- ④ Tr-Te구간
등록된 댓글이 없습니다.
12. 변압기유에 대한 설명으로 옳지 않은 것은?
- ① 절연 내력이 커야 한다.
- ② 인화점이 낮아야 한다.
- ③ 절연재료 및 금속과 접하여도 화학작용을 일으키지 않아야 한다.
- ④ 유동성이 풍부하고 비열이 커서 냉각효과가 커야 한다.
등록된 댓글이 없습니다.
13. 유도기의 기동 및 운전에 대한 설명으로 옳지 않은 것은?
- ① 농형 유도전동기의 속도 제어 방법에는 주파수 제어, 극수 변환, 2차 저항법, 전압 제어 등이 있다.
- ② 유도전동기를 신속히 정지시키기 위해서 역상 제동법을 사용할 수 있다.
- ③ 농형 유도전동기의 기동 특성과 운전 특성을 조정하기 위해 이중농형, 심구형 회전자가 사용된다.
- ④ 순수한 단상 유도전동기는 기동토크가 없어 기동 보조장치가 필요하다.
등록된 댓글이 없습니다.
14. 변압기의 1차측 전압은 220[V]이다. 다음의 변압기 등가회로에서 무부하전류가 0.5[A]이고 철손이 66[W]일 때, 자화전류[A]는? (단, 1차측 권선저항과 누설리액턴스는 무시한다)

- ① 0.3
- ② 0.4
- ③ 0.5
- ④ 0.6
등록된 댓글이 없습니다.
15. 동기발전기의 권선법에 대한 설명으로 옳은 것은?
- ① 분포권은 집중권에 비하여 합성 유기기전력이 크다.
- ② 단절권은 전절권에 비하여 합성 유기기전력이 크다.
- ③ 단절권은 전절권에 비하여 고조파성분이 감소한다.
- ④ 분포권은 집중권에 비하여 코일에서 발생하는 열이 일부분에 집중된다.
등록된 댓글이 없습니다.
16. 브러시리스 직류전동기의 특징으로 옳지 않은 것은?
- ① 수명이 길고 잡음이 적다.
- ② 전기자가 회전하는 구조를 가진다.
- ③ 구동전류는 구형파 또는 준구형파 형태이다.
- ④ 회전자 위치 검출 용도로 홀 센서가 사용된다.
등록된 댓글이 없습니다.
17. 마그네틱 토크와 릴럭턴스 토크 모두 사용 가능한 전동기는?
- ① 스위치드 릴럭턴스 전동기
- ② 릴럭턴스 동기전동기
- ③ 표면부착형 영구자석 동기전동기
- ④ 매입형 영구자석 동기전동기
등록된 댓글이 없습니다.
18. 무부하 상태에서 분권 직류발전기의 계자 저항이 80[Ω], 계자 전류가 1.5[A], 전기자 저항이 2[Ω]일 때, 단자전압 Vt[V]와 유기기전력 E[V]는?

- ① ①
- ② ②
- ③ ③
- ④ ④
등록된 댓글이 없습니다.
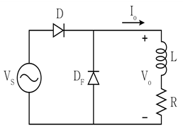
19. 그림과 같은 단상 다이오드 정류회로에 대한 설명으로 옳지 않은 것은? (단, 정류회로는 정상상태이며 시정수 L/R 은 충분히 크다)

- ① 유도성 부하에 축적된 에너지 소모를 위한 경로가 있다.
- ② DF는 부하전류 Io를 평활화하는 역할을 한다.
- ③ DF를 제거 시, 출력전압 Vo의 평균값이 증가한다.
- ④ 교류전압 한 주기 동안의 인덕터 전압의 평균값은 0이다.
등록된 댓글이 없습니다.
20. 동기전동기가 동기속도로 운전되기 위한 기동법으로 옳지 않은 것은? (단, 계자 권선에는 전원이 인가되어 있다)
- ① 주파수 제어에 의한 기동법
- ② 원동기에 의한 기동법
- ③ 제동권선에 의한 기동법
- ④ 전압 증가에 의한 기동법
등록된 댓글이 없습니다.