무선설비기사(2021. 3. 13.) 시험일자 : 2021년 3월 13일
1과목 : 디지털 전자회로
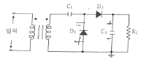
1. 다음 회로에서 RL 양단에 나타나는 정류출력전압은? (단, 입력에는 최대치 Vm인 사인파가 인가된다.)

- ① -Vm
- ② Vm
- ③ -2Vm
- ④ 2Vm
등록된 댓글이 없습니다.
2. 반도체 다이오드의 두 가지 바이어스(Bias) 조건으로 맞는 것은?
- ① 발진과 증폭
- ② 블록과 비블록
- ③ 유도와 비유도
- ④ 순방향과 역방향
등록된 댓글이 없습니다.
3. 다음 그림과 같은 평활회로에서 출력 맥동률을 최소화하기 위한 방법으로 틀린 것은?

- ① 정류파형의 주파수를 높인다.
- ② L값을 크게 한다.
- ③ C값을 크게 한다.
- ④ RL값을 작게 한다.
등록된 댓글이 없습니다.
4. 증폭기와 정궤환 회로를 이용한 발진회로에서 증폭기의 이득을 A, 궤환율을 β라고 할 때, βA<1이면 출력되는 파형은?
- ①

- ②

- ③

- ④

등록된 댓글이 없습니다.
5. 다음 콜피츠 발진회로가 발진하는 조건은?

- ① jX1<0, jX2>0, jX3>0
- ② jX1<0, jX2<0, jX3<0
- ③ jX1>0, jX2<0, jX3>0
- ④ jX1<0, jX2<0, jX3>0
등록된 댓글이 없습니다.
6. 병렬저항 이상형 RC발진회로에서 C=0.01[㎌]일 때 1500[Hz]의 발진주파수를 얻기 위한 R값은 약 얼마인가?
- ① 1.51[kΩ]
- ② 2.52[kΩ]
- ③ 3.23[kΩ]
- ④ 4.33[kΩ]
등록된 댓글이 없습니다.
7. 다음 회로의 종류는?

- ① 반파정류회로
- ② 전파정류회로
- ③ 피크검출기
- ④ 대수 증폭기회로
등록된 댓글이 없습니다.
8. 다음 중 드레인 접지형FET 증폭기에 대한 특성으로 틀린 것은? (단, FET의 파라미터 Am은 상호 전도도이다.)
- ① 입력 임피던스는 매우 크다.
- ② 전압 이득은 약 1이다.
- ③ 출력은 입력과 역위상이다.
- ④ 출력 임피던스는 약 1/Am이다.
등록된 댓글이 없습니다.
9. 계단(Step)입력에 대한 연산증폭기의 출력파형이 아래 그림과 같다. 슬루율(Slew Rate)은?

- ① 15[V/μS]
- ② 7.5[V/μS]
- ③ 10[V/μS]
- ④ 30[V/μS]
등록된 댓글이 없습니다.
10. 다음 바이어스로 회로에서 전류 궤환 회로로 변경하려 한다. 어느 부분이 추가 또는 수정되어야 하나?

- ① RC
- ② RE
- ③ RB
- ④ RC, RE
등록된 댓글이 없습니다.
11. AM 복조(검파) 회로에서 직선 검파회로의 RC(시정수)가 반송파의 주기보다 짧은 경우에 일어나는 현상은?
- ① 충방전 특성이 늦어진다.
- ② 출력은 입력 전압의 반송파 진폭의 제곱에 비례하게 되며, 검파 감도가 높아지게 된다.
- ③ 방전이 빨리 일어나서 저항 R의 단자 전압변동이 크게 일어난다.
- ④ 포락선의 변화에 추종하지 못한다.
등록된 댓글이 없습니다.
12. 다음 중 단측파대 변조 방식의 특징으로 틀린 것은?
- ① 점유주파수대역폭이 매우 작다.
- ② 변복조기 사이에 반송파의 동기가 필요하다.
- ③ 송신출력이 비교적 작게 된다.
- ④ 전송 도중에 복조되는 경우가 있다.
등록된 댓글이 없습니다.
13. 변조도 80%로 진폭 변조한 피변조파에서 반송파의 전력 Pc와 상측파대 또는 하측파대의 전력 Ps와의 비율은?
- ① 1:0.8
- ② 1:0.55
- ③ 1:0.33
- ④ 1:0.16
등록된 댓글이 없습니다.
14. 정보 전송에서 800[Baud]의 변조 속도로 4상 차분 위상 변조된 데이터 신호 속도는 얼마인가?
- ① 600[bps]
- ② 1200[bps]
- ③ 1600[bps]
- ④ 3200[bps]
등록된 댓글이 없습니다.
15. 다음 회로와 등가인 회로는 어느 것인가?

- ① RS 플립플롭
- ② JK 플립플롭
- ③ D 플립플롭
- ④ T 플립플롭
등록된 댓글이 없습니다.
16. 멀티플렉서의 설명이 아닌 것은?
- ① 특정한 입력을 몇 개의 코드화된 신호의 조합으로 바꾼다.
- ② N개의 입력 데이터에서 1개의 입력만 선택하여 단일 통로로 송신하는 장치이다.
- ③ 멀티플렉서는 전환 스위치의 기능을 갖는다.
- ④ 데이터 선택기라고도 한다.
등록된 댓글이 없습니다.
17. 다음 중 Flip-Flop 회로를 쓰지 않는 것은?
- ① 리미터 회로
- ② 분주 회로
- ③ 기억 회로
- ④ 2진 계수 회로
등록된 댓글이 없습니다.
18. 다음 회로에서 기전력 E를 가하고 S/W를 ON하였을 때 저항 양단의 전압 VR은 t초 후 어떻게 표시되는가?

- ①

- ②

- ③

- ④

등록된 댓글이 없습니다.
19. 다음 그림은 T F/F을 이용한 비동기 10진 상향계수기이다. 계수값이 10 이 되었을 때 계수기를 0으로 하기 위해서는 전체 F/F을 clear 시켜야 하는데 이렇게 하기 위해 (가)에 알맞은 게이트는?

- ① OR
- ② AND
- ③ NOR
- ④ NAND
등록된 댓글이 없습니다.
20. 다음 중 BCD 코드란?
- ① byte
- ② bit
- ③ 2진화 10진 코드
- ④ 10진화 2진 코드
등록된 댓글이 없습니다.
2과목 : 무선통신 기기
21. 다음 중 높은 주파수에서도 발진이 가장 안정적인 것은?
- ① 수정 발진기
- ② 콜피츠 발진기
- ③ 하틀리 발진기
- ④ 동조형 발진기
등록된 댓글이 없습니다.
22. AM(Ampltude Modulation)에서 반송파 전압이 10[V], 변조도가 80[%]일 때 상측파대 전압은 몇 [V]인가?
- ① 2[V]
- ② 4[V]
- ③ 6[V]
- ④ 8[V]
등록된 댓글이 없습니다.
23. 페이딩(Fading)에 의한 수신전계강도 변화에 대해 수신기 출력을 일정하게 하기 위한 회로는?
- ① 자동주파수제어회로(AFC)
- ② 자동이득조정회로(AGC)
- ③ 자동잡음제어회로(ANL)
- ④ 자동전력제어회로(APC)
등록된 댓글이 없습니다.
24. L 입력형 필터 정류기를 사용하다가 이보다 높은 출력전압을 얻기 위해 π형 정류기로 변환하였다. 이때 리플 함유율을 개선하기 위한 방법이 아닌 것은?
- ① L 값을 크게 한다.
- ② 입력측 C값을 크게 한다.
- ③ RL값을 크게 한다.
- ④ 출력측 C값을 작게 한다.
등록된 댓글이 없습니다.
25. 다중접속 기술 방식 중 OFDMA 방식의 단점으로 가장 적합한 것은?
- ① 운용 유연성이 부족하다.
- ② 복잡한 수신기가 필요하다.
- ③ 다중경로 페이딩에 의한 보호구간이 필요하다.
- ④ 전송된 신호의 평균전력과 최대전력과의 비율을 나타내는 PAR 값이 높다.
등록된 댓글이 없습니다.
26. CPFSK에 대한 설명으로 부적절한 것은?
- ① 위상이 연속적인 FSK 변조방식이다.
- ② 1과 0에 각기 다른 주파수를 할당하여 두 개의 신호를 발생시키고, 스위치를 통해 데이터에 따라 신호를 선택하는 방법이다.
- ③ VCO를 사용하여 신호의 주파수를 변경하는 방식으로 신호를 생성할 수 있다.
- ④ CPFSK 신호는 일반 FSK 신호와 비교하여 부대엽(Sidelobe)이 적어지는 장점이 있다.
등록된 댓글이 없습니다.
27. 다음의 변조방식 중 복조시에 반송파의 위상정보를 정확히 알아야만 하는 변조방식은?
- ① BPSK
- ② FSK
- ③ DPSK
- ④ OOK 혹은 ASK
등록된 댓글이 없습니다.
28. 다음 중 무선통신 시스템의 수신신호 전력에 대한 설명으로 틀린 것은?
- ① 송신전력의 크기에 비례한다.
- ② 안테나 유효 개구면(Aperture)에 비례한다.
- ③ 자유공간에서 송신부까지의 거리 제곱에 반비례한다.
- ④ 신호 파장에 비례한다.
등록된 댓글이 없습니다.
29. QAM(Quadrature Amplitude Modulation) 복조기에서 In-Phase 기준신호가 I 성분을 뽑아내는데 사용되는 것은?
- ① 동조회로
- ② 위상검출기
- ③ 저역통과필터
- ④ 전압제어 발진기
등록된 댓글이 없습니다.
30. 무선항행 운용 장비로 사용되는 레이더의 구조 중 스캐너에 대한 설명으로 가장 적합한 것은?
- ① 펄스 전파를 송신하고 물표의 반사 신호를 수신하는 장비이다.
- ② 일정한 반복 주기를 가진 직류펄스(Trigger Pulse)를 발생시키는 장치이다.
- ③ 트리거(Trigger) 신호에 의하여 짧고 강력한 펄스 형태의 전파를 발생시키는 장치이다.
- ④ 수신기로부터 온 영상 신호를 브라운관 또는 LCD 창에 영상으로 나타내어 물표의 거리와 방위를 측정하는 장치이다.
등록된 댓글이 없습니다.
31. 다음 중 GPS에 대한 설명으로 틀린 것은?
- ① 여러 개의 위성으로부터 시간 정보를 받는다.
- ② GPS 수신기는 위성의 거리에 대한 데이터를 받는다.
- ③ 삼각 측량법에 의해 자신의 위치를 계산하는 원리이다.
- ④ GPS 서비스는 다수의 위성 중 4개 이상의 위성으로부터 정보를 받는다.
등록된 댓글이 없습니다.
32. 다음 중 계기 착륙방식인 ILS(Instrument Landing System)의 구성 요소가 아닌 것은?
- ① Localizer(방위각 제공 시설)
- ② Glide Path(활공각 제공 시설)
- ③ MLS(초고주파 착륙 시설)
- ④ Marker Beacon(마커 비콘)
등록된 댓글이 없습니다.
33. 무선 항행 장비 중 자동식별 장치(AIS: Automatic Identification System)의 정보에 적합하지 않은 것은?
- ① 정적 정보
- ② 동적 정보
- ③ 입선 정보
- ④ 항행 관련 정보
등록된 댓글이 없습니다.
34. 브리지형 정류회로에서 직류 출력전압이 10[V]이고, 부하가 10[Ω]이라고 하면 각 정류소자에 흐르는 첨두 전류값은?
- ① π/2 [A]
- ② π [A]
- ③ 2π [A]
- ④ 4π [A]
등록된 댓글이 없습니다.
35. 다음 중 납 축전지의 성분을 맞게 짝 지은 것은?
- ① (납 + 이산화납)을 묽은 황산과 결합 시킨 것을 납 축전지라 한다.
- ② (납 + 묽은 황산)을 이산화납에 결합 시킨 것을 납 축전지라 한다.
- ③ 이산화납을 묽은 황산에 결합 시킨 것을 납 축전지라 한다.
- ④ (납 + 이산화납)을 증류수에 결합 시킨 것을 납 축전지라 한다.
등록된 댓글이 없습니다.
36. 무선 수신기에 수신되는 신호 중 원하는 신호를 골라내는 능력에 해당하는 것은?
- ① 선택도
- ② 이득
- ③ 잡음
- ④ 감도
등록된 댓글이 없습니다.
37. 다음 중 AM(Amplitude Modulation) 송신기의 신호대 잡음비 측정에 필요하지 않는 것은?
- ① 저주파 발진기
- ② 감쇠기
- ③ 전려계
- ④ 직선 검파기
등록된 댓글이 없습니다.
38. 오실로스코프의 수직축에는 피변조파, 수평축에는 이상기를 거친 변조신호를 인가하면 사다리꼴의 출력 파형이 나타난다. A가 B의 3배일 때 변조도는 몇[%]인가?

- ① 50[%]
- ② 60[%]
- ③ 80[%]
- ④ 100[%]
등록된 댓글이 없습니다.
39. 다음 중 계수형 주파수계에 대한 설명으로 잘못된 것은?
- ① ±1 Count 오차는 계수시간과 피측정 신호의 상대 위상 관계 때문에 발생한다.
- ② ±1 Count 오차를 작게 하기 위해 게이트 시간을 짧게 한다.
- ③ 매초당 반복되는 파의 수를 펄스로 변환하여 계수한 후 표시하는 방식이다.
- ④ 측정범위를 확대하기 위해서는 비트다운(Beat Down)방식을 사용한다.
등록된 댓글이 없습니다.
40. 무선통신망의 전파품질 특성시험에서 물리적 특성시험으로 가장 적합한 것은?
- ① TSE(Tramitter Spurious Emissions)
- ② OBUE(Operation Band Unwanted Emissions)
- ③ ACLR(Adjacent Channel Leakage Power Ratio)
- ④ VSWR/DTF 안테나, 급전선 정재파비 측정
등록된 댓글이 없습니다.
3과목 : 안테나 공학
41. 주간에 20[MHz]의 신호로 원양에서 조업 중인 선박과 통신을 하고자 할 때 이용되는 전리층은?
- ① D층
- ② Es층
- ③ E층
- ④ F층
등록된 댓글이 없습니다.
42. 다음 중 무선 전송에서 페이딩의 영향을 최소화 하기 위한 기법으로 적합하지 않은 것은?
- ① 상관기
- ② 편파 다이버시티
- ③ 시간 다이버시티
- ④ 주파수 다이버시티
등록된 댓글이 없습니다.
43. 다음 중 전자파 잡음 방해의 개선방법으로 적합하지 않은 것은?
- ① 인공잡음을 경감 시킨다.
- ② 내부잡음 전력을 감소시킨다.
- ③ 수신기의 대역폭을 넓힌다.
- ④ 지향성 안테나의 사용 등에 의한 수신 신호전력을 크게 한다.
등록된 댓글이 없습니다.
44. 다음 중 델린저 현상에 대한 특징으로 맞는 것은?
- ① 소실현상이라고 한다.
- ② 저위도보다 고위도 지방이 심하다.
- ③ 지속 시간은 2일에 5일간 계속된다.
- ④ 15일 주기로 발생하고 전자밀도가 증가한다.
등록된 댓글이 없습니다.
45. 다음 중 전파예보 곡선으로부터 알 수 없는 정보는?
- ① MUF(Maximum Usable Frequency)
- ② 주파수의 사용 가능 시간
- ③ 사용 가능 주파수
- ④ 임계 주파수
등록된 댓글이 없습니다.
46. 다음 중 제1종 전리층 감쇠에 대한 설명으로 틀린 것은?
- ① 감쇠량은 주파수에 비례한다.
- ② 야간 보다는 주간에 감쇠가 크다.
- ③ E층 반사파는 주간에 D층에서 감쇠를 겪는다.
- ④ 전리층에서 반사된 파가 지상으로 돌아오면서 전리층을 통과할 때 생기는 손실이다.
등록된 댓글이 없습니다.
47. 송수신점 사이의 거리가 37.62[km]이고 사용주파수가 6[GHz]일 때 두 점 사이에서의 자유공간 손실은 약 얼마인가?
- ① 125.5[dB]
- ② 139.5[dB]
- ③ 200.7[dB]
- ④ 225.7[dB]
등록된 댓글이 없습니다.
48. 는 어떤 안테나의 전계강도를 구하는 공식인가?
- ① 등방성 안테나
- ② 반파장 다이폴 안테나
- ③ λ/4 비접지 안테나
- ④ λ/4 수직접지 안테나
002021. 9. 26. 11:03삭제
E=루트30P
49. 다음 중 무선 시스템 링크에서 수신 안테나의 수신전력을 나타내는 Friis의 전달공식에 대한 설명으로 틀린 것은?
- ① 수신전력을 송신전력, 안테나 이득, 거리, 주파수로 표현한 것으로 모든 무선 시스템 설계를 위한 기본식이다.
- ② 송신기와 수신기 간의 거리가 멀어질수록 수신전력은 거리의 제곱근으로 비례하여 감소한다.
- ③ 실제 무선 시스템에서 수신전력을 감소시키는 여러 가지 요소가 있는 것을 고려할 때 최대 수신전력이라 볼 수 있다.
- ④ 수신전력을 감소시키는 요소는 송수신 안테나 임피던스 부정합, 송수신 안테나 간의 편파 부정합 등이 있다.
등록된 댓글이 없습니다.
50. 전압정재파비(VSWR)와 반사계수에 대한 설명으로 옳은 것은?
- ① 임피던스 정합의 정도를 알 수 있다.
- ② 동조급전방식에서 동조점을 찾는데 꼭 필요하다.
- ③ 반사계수는 에 가까울수록 양호한 것이다.

- ④ 전압정재파비가 1에 가까울수록 반사손실이 크다.
등록된 댓글이 없습니다.
51. 다음 중 안테나의 급전선에 스터브(Stub)를 부착하는 이유는?
- ① 안테나의 서셉턴스 성분을 제거하여 대역폭을 증가시키기 위하여
- ② 복사전력을 증폭시키기 위하여
- ③ 안테나의 지향성을 높이기 위하여
- ④ 안테나 리액턴스 성분을 제거하여 임피던스를 정합시키기 위하여
등록된 댓글이 없습니다.
52. 특성임피던스가 각각 200[Ω]과 800[Ω]인 선로를 λ/4 임피던스 변환기를 이용하여 정합하고자 할 경우 삽입선로의 특성임피던스 값은?
- ① 600[Ω]
- ② 500[Ω]
- ③ 400[Ω]
- ④ 300[Ω]
등록된 댓글이 없습니다.
53. 다음 중 도파관의 종류가 아닌 것은?
- ① 구형 도파관
- ② 원형 도파관
- ③ 타원형 도파관
- ④ 루프형 도파관
등록된 댓글이 없습니다.
54. 다음 도파관의 정합방법 중 비가역성 회로를 사용하여 정합시키는 방법은?
- ① 아이솔레이터
- ② 도파관의 창
- ③ 테이퍼 변성기
- ④ 무반사종단기
등록된 댓글이 없습니다.
55. 전자파 흡수율(SAR)의 적합성 평가시험 수치와 실생활 동화시 수치의 차이점에 대한 설명으로 틀린 것은?
- ① 적합성평가를 위한 SAR시험 시에는 휴대폰 출력이 최소인 상태에 측정하나, 실제 통화 시에는 기지국과의 통신에 필요한 최대한의 출력만 사용하도록 설계되어 있다.
- ② 실생활에서 휴대폰 통화 시에는 전화기를 잡는 방법과 기지국과의 거리 및 특성에 따라 SAR값이 달라질 수 있다.
- ③ 일상적인 통화시의 SAR값은 휴대폰 적합성평가 시험시의 SAR값에 비해 매우 적다.
- ④ 한국은 국제권고기준(2W/kg)보다 엄격한 1.6W/kg으로 정하고 있다.
등록된 댓글이 없습니다.
56. 장해전자파 한계치에 대한 설명으로 틀린 것은?
- ① 장해전자파의 한계치를 결정하기 위해서는 장해전자파의 파형과 주파수 스펙트럼, 전파특성 및 장해를 받는 통신 및 방송시스템의 내성을 고려해야 한다.
- ② 가정용 전기, 전자기기와 자동차 등에서 발생하는 장해전자파는 주파수 스펙트럼이 광대역이며 파형도 불규칙한 펄스 형태의 장해전자파가 많다.
- ③ 전자기기에서 발생되는 장해전자파의 형태를 구별하여 펄스 형태는 정현파 형태보다 엄격한 한계치를 적용해야 한다.
- ④ 전기, 전자, 정보처리 장치 등의 장해전자파 한계치는 통신 및 방송시스템에 장해를 주지 않도록 정해져 있다.
등록된 댓글이 없습니다.
57. 전자파장해 수신기는 전송선로의 부하에 나타나는 전압을 측정하게 되는데, 우리가 필요로 하는 측정량은 피측정기기로부터 방출되는 전기장의 세기이다. 아래 측정 환경조건에서 전기장의 세기(E)는 얼마인가? (조건: 안테나에 연결된 전송선로를 거쳐서 전자파장해 수신기에 나타난 전압(VL)=20[dBμV], 안테나인자(K)=5[dB/m])
- ① 15[dBμV/m]
- ② 20[dBμV/m]
- ③ 25[dBμV/m]
- ④ 30[dBμV/m]
등록된 댓글이 없습니다.
58. 다음 중 전자파장해(EMI)에 대한 설명으로 가장 적합한 것은?
- ① 전자파 양립성이라고도 한다.
- ② 전자파내성(EMS) 분야와 전자파적합(EMC) 분야로 구분할 수 있다.
- ③ 전기·전자기기가 외부로부터 전자파 간섭을 받을 때 영향 받는 정도를 나타낸다.
- ④ 발생 원인으로는 자연적인 발생 원인(대기잡음, 우주잡음, 대양방사 등)과 인공적인 발생원인(의도적인 잡음, 비의도적인 잡음)으로 크게 구분한다.
등록된 댓글이 없습니다.
59. 다음 중 단파용 안테나의 특징으로 적합하지 않은 것은?
- ① 수직편파를 이용한다.
- ② 설치비가 비교적 저렴하다.
- ③ 고유파장의 안테나를 얻기 쉽다.
- ④ 안테나의 이득을 높게 할 수 있다.
등록된 댓글이 없습니다.
60. 다음 중 가상접지에 대한 설명으로 틀린 것은?
- ① 대지의 도전율이 나쁜 곳에서 사용된다.
- ② 지상고 2.5[m] 이상에 도체망을 설치하는 방식이다.
- ③ 도체망과 대지사이에 변위전위가 흐르게 하여 접지한다.
- ④ 도체망의 가설 면적을 작게 해야 좋은 효과를 얻을 수 있다.
등록된 댓글이 없습니다.
4과목 : 무선통신 시스템
61. 다음 중 FM 수신기에서 수신신호가 없거나 약한 경우 발생하는 잡음을 자동으로 억제하는 기능은?
- ① 진폭제한기능
- ② 주파수변별기능
- ③ 디엠퍼시스기능
- ④ 스켈치회로
등록된 댓글이 없습니다.
62. 입력 신호대 잡음비가 10[dB]이고 시스템의 잡음지수가 1.65일 경우의 출력 신호 대 잡음비는 약 얼마인가?
- ① 7.8[dB]
- ② 8.8[dB]
- ③ 9.5[dB]
- ④ 10[dB]
등록된 댓글이 없습니다.
63. 이동통신시스템의 다원접속방식 중 주파수 스펙트럼을 여러 개의 구간으로 구분하여 다수의 사용자가 또 다른 사용자와 겹치지 않도록 각기 주어진 주파수의 대역을 사용하는 방식은 무엇인가?
- ① CDMA
- ② CSMNA
- ③ FDMA
- ④ TDMA
등록된 댓글이 없습니다.
64. 다음 중 GPS의 측위 오차가 아닌 것은?
- ① 구조적인 요인에 의한 거리 오차(Range Error)
- ② 위성의 배치상황에 따른 기하학적 오차
- ③ C/A 코드(Coarse Acquisition) 오차
- ④ 선택적 이용성에 의한 오차(SA: Selective Availability)
등록된 댓글이 없습니다.
65. 다음 중 이동통신시스템에서 전파음영지역을 해소하기 위한 방법이 아닌 것은?
- ① 안테나 수를 줄인다.
- ② 반사기를 사용한다.
- ③ 우산형 복사패턴을 갖는 Discone 안테나를 사용한다.
- ④ 누설 급전선을 사용한다.
등록된 댓글이 없습니다.
66. 통합공공망 주파수 700[MHz] 대역을 공동으로 사용하는 공공망(재난안전통신망, 초고속해상무선통신망 및 철도통합무선망 등)간 무선망 중첩 지역에서의 간섭 해소를 위한 기지국 공유 기술은?
- ① RAN Sharing
- ② GCSE(Group Call System Enabler)
- ③ MCPTT(Mission Critical Push To Talk)
- ④ IOPS(Isolated EUTRAN Operation Public Safety)
등록된 댓글이 없습니다.
67. 공공안전통신망의 국가 재난안전통신망과 상호연계를 위한 철도통신망은 다음 중 어느 것인가?
- ① LTE-PS
- ② LTE-M
- ③ LTE-T
- ④ LTE-R
등록된 댓글이 없습니다.
68. 지상파 UHD(Ultra High Definition) TV(4K)는 지상파 HD(High Definition) TV(Full HD)보다 몇 배의 해상도인가?
- ① 2배
- ② 4배
- ③ 8배
- ④ 16배
등록된 댓글이 없습니다.
69. WPAN(Wireless Personal Area Network)을 위한 전송 기술이 아닌 것은?
- ① Zigbee
- ② Bluetooth
- ③ UWB
- ④ PLC
등록된 댓글이 없습니다.
70. 다음 중 NFC에 대한 설명으로 틀린 것은?
- ① 사용 주파수는 13.56[MHz]이다.
- ② 보안성이 우수하여 결재와 인증에 사용된다.
- ③ 사용 거리가 10[cm] 이내인 근거리무선통신 기술이다.
- ④ Bluetooth, Wi-Fi, RFID 등과 호환이 안된다.
등록된 댓글이 없습니다.
71. 다음 중 Wi-Fi 세대별 해당하는 기술 규칙이 틀린 것은?
- ① Wi-Fi 3: 802.11g
- ② Wi-Fi 4: 802.11n
- ③ Wi-Fi 5: 802.11a
- ④ Wi-Fi 6: 802.11ax
등록된 댓글이 없습니다.
72. 무선랜의 장점이 아닌 것은?
- ① 효율성
- ② 확장성
- ③ 이동성
- ④ 보안성
등록된 댓글이 없습니다.
73. 다음 중 IEEE802.11 무선랜에서 사용하는 보안기술이 아닌 것은?
- ① WEP
- ② WPA1
- ③ WPA2
- ④ IPSec
등록된 댓글이 없습니다.
74. 다음 중 SGW(Signaling Gateway) 기능에 대해 맞게 설명한 것은?
- ① IMS와 PSTN 간의 호 제어 시그널링에 의해서 생성되는 호의 실질적인 베어러의 연결을 위해서 MGW를 제어한다.
- ② 주요한 기능으로는 멀티미디어 메시지 재생, 음성메일 서비스, 미디어 변환/믹싱 서비스, Transcoding 서비스를 한다. 또한 기존의 MSC가 가지고 있던 Tone 생성 및 안내방송 기능도 담당한다.
- ③ 망내에 HSS가 두 개 이상 운영되고 각각 별도의 주소로 인식될 때 CSCF에게 적절한 HSS의 주소를 제공한다.
- ④ 시그널링 프로토콜의 전송계층을 변환하는 기능을 수행한다. 즉, ISUP나 MAP과 같은 프로토콜 자체는 변환하지 않고 IP망과 PSTN, IP망과 기존망(2G 및 2.5G)의 전송계층을 변환하는 기능을 한다.
등록된 댓글이 없습니다.
75. 통신 프로토콜은 ISO/OSI 7 계층 중 전달 계층(Transport Layer)을 중심으로 상위계층과 하위계층 프로토콜로 구분한다. 다음 중 하위계층의 프로토콜이 아닌 것은?
- ① 무 순서 프로토콜
- ② 문자 방식 프로토콜
- ③ 문자 계수식 프로토콜
- ④ XNS (Xerox Network System) 프로토콜
등록된 댓글이 없습니다.
76. 다음 중 안테나 시설 설계 시 작성하여야 할 도면에 해당되지 않는 것은?
- ① 부지 평면도
- ② 운용실 배치도
- ③ 철탑 시설도
- ④ 접지도 및 피뢰침도
등록된 댓글이 없습니다.
77. 다음 중 무선통신 전송시스템이 설치될 건물(국사)의 부대설비로 적합하지 않은 것은?
- ① 비상발전기
- ② 항온항습기
- ③ NMS(Network Management System)
- ④ UPS(Uninterruptible Power Supply)
등록된 댓글이 없습니다.
78. 계측기와 중 측정 항목의 연결로 틀린 것은?
- ① Power Meter – 송신출력 측정
- ② 스펙트럼분석기 – Channel Power
- ③ 절연저항계 – DC 루프저항
- ④ 네트워크 분석기 – 안테나 VSWR
엉감호띠2021. 6. 25. 03:39삭제
야야 아닌것들좀 해설좀 달아라 공부 열심히 하는 애들아
79. 절연저항의 측정에 대한 설명으로 가장 거리가 먼 것은?
- ① 직류 전압을 인가한 1분 후의 전류 값에 의해, 전기적 절연저항 측정
- ② 주로 광케이블 선로에서 사용
- ③ 측정계측기는 절연저항계 또는 메거(Megger)를 사용
- ④ 측정 단위는 통상[MΩ] 단위를 사용
등록된 댓글이 없습니다.
80. 다음 중 이동통신 모바일 DM(Diagnastic Monitor)장비 기반으로 시행하는 품질 시험 항목이 아닌 것은?
- ① Cell Throughut 시험
- ② 호 접속 성공률
- ③ Handover 시험
- ④ 교환시스템에 대한 모니터링
등록된 댓글이 없습니다.
5과목 : 전자계산기 일반 및 무선설비기준
81. 메모리 인터리빙(Memory Interleaving)의 사용 목적은?
- ① 메모리의 저장 공간을 높이기 위해서
- ② CPU의 Idle Time을 없애기 위해서
- ③ 메모리의 Access 횟수를 줄이기 위해서
- ④ 명령들의 Memory Access 충돌을 막기 위해서
등록된 댓글이 없습니다.
82. 다음 내용이 의미하는 소프트웨어는 무엇인가?

- ① 유틸리티
- ② 디바이스 드라이버
- ③ 응용소프트웨어
- ④ 미들웨어
등록된 댓글이 없습니다.
83. 다음 중 네트워크 계층에서 전달되는 데이터 전송 단위로 옳은 것은?
- ① 비트(Bit)
- ② 프레임(Frame)
- ③ 패킷(Packet)
- ④ 데이터그램(Datagram)
등록된 댓글이 없습니다.
84. 다음 중 OSI 참조모델의 네트워크 계층과 같은 역할을 하는 TCP/IP의 계층은?
- ① 인터넷 계층
- ② 전송 계층
- ③ 응용 계층
- ④ 표현 계층
등록된 댓글이 없습니다.
85. 송신측에서 만들지 않은 메시지를 수신측으로 전송하는 문제가 발생하는 네트워크 보안 위협 요소는?
- ① 전송 차단
- ② 가로채기
- ③ 변조
- ④ 위조
등록된 댓글이 없습니다.
86. C 클래스의 네트워크 주소가 ‘192.168.1.0’이고, 서브넷 마스크가 ‘255.255.255.248’일 때, 최대 사용 가능한 호스트 수는? (단, 네트워크 주소와 브로드캐스트 호스트는 제외한다.)
- ① 6개
- ② 10개
- ③ 14개
- ④ 30개
등록된 댓글이 없습니다.
87. 2진수 (100110.100101)를 8진수로 맞게 변환한 값은?
- ① 26.91
- ② 26.45
- ③ 46.91
- ④ 46.45
등록된 댓글이 없습니다.
88. 10진수 45를 2진수로 맞게 변환한 값은?
- ① 100110
- ② 100101
- ③ 101101
- ④ 011001
등록된 댓글이 없습니다.
89. 클라우드 컴퓨팅 기술에 대한 설명으로 틀린 것은?
- ① 아마존은 2005년에 자사의 웹 서비스를 통해 유틸리티 컴퓨팅을 기반으로 하는 클라우드컴퓨팅 서비스를 시작
- ② 2005년부터 2007년까지 클라우드컴퓨팅은 SaaS 서비스로 대세를 이루다가 2008년부터는 IaaS, PaaS 등의 서비스 기법으로 영역을 넓혀나감
- ③ 1960년대 미국의 컴퓨터 학자인 존 맥카시(John McCarthy)가 “컴퓨팅 환경은 공공시설을 사용하는 것과 동일한 것”이라고 한 데에서 시작
- ④ 클라우드로 옮겨간 형태의 네트워크라는 뜻으로 모든 사물에 칩을 넣어 언제 어디서나 사물에 대한 인식 및 제어를 할 수 있도록 구현한 컴퓨팅 환경
등록된 댓글이 없습니다.
90. 클라우드 컴퓨팅의 서비스 유형과 적용 서비스가 맞지 않게 연결된 것은?
- ① IaaS : AWS(AmazonWeb Service)
- ② SaaS : 전자메일서비스, CRM, ERP
- ③ PaaS : Google AppEngine, Microsoft Asure
- ④ BPaaS : 컴퓨팅 리소스, 서버, 데이터센터 패브릭, 스토리지
등록된 댓글이 없습니다.
91. 무선국 정기검사 시 대조검사 사항이 아닌 것은?
- ① 시설자
- ② 설치장소
- ③ 무선종사자의 배치
- ④ 점유주파수대폭
등록된 댓글이 없습니다.
92. 과학기술정보통부장관 허가를 받아야 하는 전력선통신설비의 주파수 대역과 고주파출력이 맞게 짝지어진 것은?
- ① 9[kHz]이상 30[MHz]까지, 10와트 이하
- ② 3[kHz]이상 60[MHz]까지, 50와트 이상
- ③ 9[kHz]이상 30[MHz]까지, 10와트 이상
- ④ 3[MHz]이상 60[MHz]까지, 50와트 이하
등록된 댓글이 없습니다.
93. 산업용 전파응용설비는 고주파출력이 몇 와트를 초과하는 경우 과학 기술정보통신부장관의 허가를 받아야 하는가?
- ① 10[W] 초과
- ② 20[W] 초과
- ③ 30[W] 초과
- ④ 50[W] 초과
등록된 댓글이 없습니다.
94. 다음 사항 중 위탁운용 또는 공동사용할 수 있는 무선설비에 해당되지 않는 것은?
- ① 송신설비 및 수신설비
- ② 방송통신위원회가 정하는 실험국의 무선설비
- ③ 무선국의 안테나설치대
- ④ 시설자가 동일한 무선국의 무선설비
등록된 댓글이 없습니다.
95. 무선국의 분류에 의한 방송국의 종류에 해당되지 않는 것은?
- ① 지상파방송국
- ② 위성방송국
- ③ 지상파방송보조국
- ④ 이동방송국
등록된 댓글이 없습니다.
96. 충파방송을 행하는 방송국의 개설조건 중 블랭킷에어리어 내의 가구수는 그 방송국의 방송구역 내 가구 수의 몇 퍼센트 이하여야 하는가?
- ① 0.15
- ② 0.25
- ③ 0.35
- ④ 0.5
등록된 댓글이 없습니다.
97. 다음 괄호 안에 들어갈 내용으로 가장 적합한 것은?

- ① 6
- ② 12
- ③ 24
- ④ 48
등록된 댓글이 없습니다.
98. 아마추어국의 송신설비의 전력은 무엇으로 표시하는가?
- ① 첨두전력
- ② 평균전력
- ③ 규격전력
- ④ 반송파전력
등록된 댓글이 없습니다.
99. 전파응용설비의 고주파출력측정 및 산출방법은 누가 정하여 고시하는 바에 의하는가?
- ① 과학기술정보통신부장관
- ② 한국전자통신연구원장
- ③ 중앙전파관리소장
- ④ 한국방송통신전파진흥원장
등록된 댓글이 없습니다.
100. 무선설비의 안전시설기준에서 정하는 발전기, 정류기 등에 인입되는 고압전기는 절연차폐체 내에 수용하여야 한다. 다음 중 고압전기에 포함되는 것은?
- ① 220 볼트를 초과하는 교류전압
- ② 220 볼트를 초과하는 직류전압
- ③ 500 볼트를 초과하는 교류전압
- ④ 750 볼트를 초과하는 직류전압
등록된 댓글이 없습니다.