9급 지방직 공무원 서울시 전자공학개론(2021. 6. 5.) 시험일자 : 2021년 6월 5일
1. 인덕턴스가 각각 L1=20[μH], L2=80[μH]인 두 코일이 있다. 결합 계수가 0.9이고 그들의 자기장은 서로를 상쇄시키도록 두 인덕터를 직렬로 연결했을 때, 총 인덕턴스 L의 값[μH]은?
- ① 28
- ② 64
- ③ 136
- ④ 172
등록된 댓글이 없습니다.
2. 100[Ω]의 저항과 100[μF]의 커패시터가 직렬로 연결되어 있는 회로에 교류전압 vs(t)=100cos(100t+10°)을 입력으로 가할 때 얻어지는 역률의 값은?
- ① 1/2
- ② 1/√3
- ③ √3/2
- ④ 1/√2
등록된 댓글이 없습니다.
3. <보기> 회로에서 V1의 값[V]은?

- ① 0
- ② 8
- ③ 12
- ④ 16
등록된 댓글이 없습니다.
4. <보기> 점선 안의 선형회로와 등가회로인 테브난(Théhvenin)회로(1개의 전압원과 1개의 저항의 직렬연결)의 테브난전압 Vth[V]와 테브난저항 Rth[Ω]의 값은?

- ① Vth: 3, Rth: 1
- ② Vth: 6, Rth: 4
- ③ Vth: 3, Rth: 4
- ④ Vth: 6, Rth: 1
등록된 댓글이 없습니다.
5. <보기>와 같은 회로에서 입력 임피던스 Zi의 값은?

- ① 100[Ω]
- ② 200[Ω]
- ③ 1[kΩ]
- ④ 2[kΩ]
등록된 댓글이 없습니다.
6. <보기>와 같이 입력신호 x(t)의 전력스펙트럼밀도 Sx(f)와 선형 시불변(LTI) 필터 H(f)의 주파수 응답이 주어졌을 때, 필터 출력 신호 y(t)의 신호 대 잡음비(SNR)는? (단, n(t)는 전력스펙트럼밀도(power spectral density)의 크기가 주파수에 상관없이 4[W/Hz]인 백색잡음이다.)

- ① 1.25
- ② 2
- ③ 1.5
- ④ 1
등록된 댓글이 없습니다.
7. <보기> 회로에서 스위치1(SW1)은 오랫동안 열려있다가 t=0에서 닫히고, 스위치2(SW2)는 오랫동안 닫혀있다가 t=0에서 열린다. t>0일 때 커패시터 양단의 전압 v0(t)[V]를 나타낸 식으로 가장 옳은 것은?

- ① v0(t)=10e-t/2000
- ② v0(t)=10(e-t/2000+1)
- ③ v0(t)=20(e-t/2000+1)
- ④ v0(t)=10(e-t/200+1)
등록된 댓글이 없습니다.
8. R=4[Ω], L=20[mH], C=2[μF]로 구성된 RLC직렬회로에서 공진현상이 일어났다. 이때 L과 C에서의 전압확대율 Q는?
- ① 10
- ② 25
- ③ 50
- ④ 100
등록된 댓글이 없습니다.
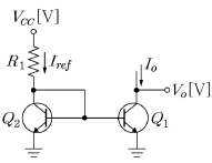
9. <보기>의 전류거울회로에서 TR Q1, Q2는 동일한 소자이다. 전류증폭율 β0=140이고, 출력저항 r=∞(무한대), VEE=0.7[V], V0>VEE, R1=50[kΩ]로 주어진 경우, I0=0.4[mA]가 되기 위한 VCC의 값[V]은?

- ① 10.4
- ② 12.2
- ③ 20.7
- ④ 15
등록된 댓글이 없습니다.
10. 폐루프제어계통의 특성방정식이 s3+3Ks2+(K+1)s+6=0 일 때, 이 계통이 안정하게 되기 위한 K의 범위로 가장 옳은 것은?
- ① K>-2
- ② K>-1
- ③ K>0
- ④ K>1
등록된 댓글이 없습니다.
11. <보기>에서 전류 I의 값[A]은?

- ① 1
- ② 2
- ③ 3
- ④ 4
등록된 댓글이 없습니다.
12. <보기> F(s)의 역변환 f(t)로 옳은 것은?

- ① [-e-t-2e-2t+3e-3t]u(t)
- ② [-0.5e-t-3e-2t+12.5e-3t]u(t)
- ③ [-0.5e-t-6e-2t+11.5e-3t]u(t)
- ④ [-0.5e-t-2e-2t+5e-3t]u(t)
등록된 댓글이 없습니다.
13. x좌표 0과 2에서 x축에 수직으로 놓인 두 개의 무한직선 도선에 각각 I, 3I의 전류가 <보기>와 같이 반대 방향으로 흐른다. 자계의 세기가 0인 지점의 x좌표로 가장 옳은 것은?

- ① -1
- ② 2/3
- ③ 1/3
- ④ 3
등록된 댓글이 없습니다.
14. <보기> 회로의 출력 Vo에 대해서, 이 회로의 차단주파수(fc) 값[Hz]은? (단, RC=1/10π 이다.)

- ① 2
- ② 5
- ③ 10
- ④ 20
등록된 댓글이 없습니다.
15. 4비트 8421 BCD 코드 중에서 입력값(ABCD)이 10진수로 홀수일 때만 출력(Y)이 1인 회로를 설계하고자 한다. 간략화된 부울함수로 가장 옳은 것은? (단, A가 MSB, D가 LSB이다.)
- ① Y=+C

- ② Y=D
- ③ Y=AB
- ④ Y=A+

등록된 댓글이 없습니다.
16. <보기>의 이상적인 연산증폭기 회로에서 LED_1이 켜지기(on) 위한 전압 V1[V]과 R1[kΩ]의 값으로 가장 옳은 것은?

- ① V1: 40, R1 : 1
- ② V1: 30, R1 : 5
- ③ V1: 20, R1 : 1
- ④ V1: 10, R1 : 5
등록된 댓글이 없습니다.
17. <보기> 논리회로의 기능은?

- ① OR
- ② XOR(exclusive OR)
- ③ NAND
- ④ XNOR(exclusive NOR)
등록된 댓글이 없습니다.
18. <보기> 회로에서 한 상의 임피던스가 Z=6+j8[Ω]인 평형 △부하에 대칭인 선간전압 200[V]를 인가하였을 때, 상전류 Ⅰp[A]와 선전류 Ⅰl[A] 값은?

- ① Ⅰp: 20√3, Ⅰl: 20
- ② Ⅰp: 20, Ⅰl: 20√3
- ③ Ⅰp: 20, Ⅰl: 20/√3
- ④ Ⅰp: 20/√3, Ⅰl: 20
등록된 댓글이 없습니다.
19. <보기> 디지털 논리회로의 3bit 입력 ABC(최상위 비트는 A, 최하위비트는 C)에 대한 출력 F의 값으로 가장 옳은 것은?

- ① 입력 A=0, B=0, C=0일 때, F=1
- ② 입력 A=1, B=0, C=1일 때, F=1
- ③ 입력 A=1, B=1, C=0일 때, F=1
- ④ 입력 A=1, B=1, C=1일 때, F=1
등록된 댓글이 없습니다.
20. <보기>의 출력제한 비교기 회로에서 출력 Vout의 최소, 최대 전압값[V]으로 제일 근삿값을 나타낸 것은? (단, 제너다이오드 D1, D2는 동일소자로 제너전압은 4.7[V], 순방향커트인 전압은 0.7[V]이고, VR은 진폭 5[V]의 정현파이다.)

- ① 최소: -2.72, 최대: +2.72
- ② 최소: -5.40, 최대: +5.40
- ③ 최소: -7.65, 최대: +7.65
- ④ 최소: -8.72, 최대: +8.72
등록된 댓글이 없습니다.