9급 지방직 공무원 서울시 전자공학개론(2016. 6. 25.) 시험일자 : 2016년 6월 25일
1. 두 평행판 사이에 공기가 채워져 있는 정전용량(Capacitance)이 1[μF]인 커패시터에 전극 간격의 1/3 두께를 가지는 유리판을 전극에 평행하게 넣는 경우 그 결과 얻어지는 정전용량은 얼마인가? (단, 유리의 비유전율은 2라고 가정한다.)
- ① 1[μF]
- ② 1.2[μF]
- ③ 1.5[μF]
- ④ 6[μF]
등록된 댓글이 없습니다.
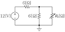
2. 다음에 주어진 회로의 부하에서 소비되는 전력이 최대가 되는 부하저항 RL[Ω]의 값으로 옳은 것은?

- ① 3[Ω]
- ② 6[Ω]
- ③ 9[Ω]
- ④ 12[Ω]
등록된 댓글이 없습니다.
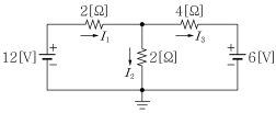
3. 다음 주어진 회로에서 각 저항에 흐르는 전류 I1[A], I2[A], I3[A] 값으로 옳은 것은?

- ① I1=3[A], I2=3[A], I3=0[A]
- ② I1=3[A], I2=2[A], I3=1[A]
- ③ I1=3[A], I2=1[A], I3=2[A]
- ④ I1=3[A], I2=0[A], I3=3[A]
등록된 댓글이 없습니다.
4. 아래 왼쪽 그림의 회로에 대하여 테브난(Thevenin)정리, 노턴(Norton)의 정리, 중첩의 원리를 이용하여 오른쪽 그림과 같은 테브난 등가회로를 구하고자 한다. v[V]와 R[Ω]의 값은 얼마인가?

- ① v=6[V], R=3[Ω]
- ② v=9[V], R=3[Ω]
- ③ v=6[V], R=5[Ω]
- ④ v=9[V], R=5[Ω]
등록된 댓글이 없습니다.
5. <보기>의 연산 증폭기 회로에서 구형파 전압(vi)이 인가될 때, 출력 전압(vo)의 파형을 옳게 그림으로 나타낸 것은? (단, 콘덴서의 초기전압은 0이며, 연산 증폭기는 이상적이고 입력신호의 동작주파수 범위에서 선형 동작을 한다고 가정한다.)

- ①

- ②

- ③

- ④

등록된 댓글이 없습니다.
6. 다음의 BJT 증폭기 회로에 대한 설명 중 옳지 않은 것은?

- ① 에미터 저항 RE는 증폭기의 동작점을 안정화 한다.
- ② 바이패스 콘덴서 CE를 제거하면 증폭기의 전압이득이 증가한다.
- ③ 바이패스 콘덴서 CE를 제거하면 증폭기의 입력 임피던스가 증가한다.
- ④ 증폭기의 입력(vi)과 출력(vo)은 서로 역위상이다.
등록된 댓글이 없습니다.
7. 다음 그림은 권선 수 비가 10:1(N1:N2)인 변압기 2차 측에 20[Ω]의 부하를 연결한 모습을 나타낸 것이다. 변압기 1차측에서 바라본 임피던스(Zi)로 옳은 것은? (단, 변압기는 이상적 변압기로 가정한다.)

- ① 2[Ω]
- ② 20[Ω]
- ③ 200[Ω]
- ④ 2,000[Ω]
등록된 댓글이 없습니다.
8. 다음과 같은 회로에서 에미터 전류 IE는? (단, 전류이득 β=100이고 실리콘 트랜지스터이며, VBE=0.7[V]이다.)

- ① 0.04[mA]
- ② 4.0[mA]
- ③ 4.04[mA]
- ④ 4.4[mA]
등록된 댓글이 없습니다.
9. 다음의 독립 전압원과 독립 전류원으로 주어진 회로에서 2[Ω]의 저항에 흐르는 전류(I)는?

- ① 1.67[A]
- ② 2.50[A]
- ③ 3.33[A]
- ④ 5.00[A]
등록된 댓글이 없습니다.
10. 접합 트랜지스터에서 α와 β의 관계는? (단, )
- ① β=(1-α)/α
- ② β=α/(1-α)
- ③ β=(1+α)/α
- ④ β=α/(1+α)
등록된 댓글이 없습니다.
11. PN접합에서 순방향으로 전압을 걸어줄 때 나타나는 현상으로 옳은 것은?
- ① 다수의 캐리어가 서로 다른 쪽에 주입된다.
- ② P형 쪽의 전자만이 N형 쪽으로 주입된다.
- ③ P형 쪽의 정공만이 N형 쪽으로 주입된다.
- ④ 전류가 거의 흐르지 않는다.
등록된 댓글이 없습니다.
12. 다음 회로에서 v1=2[V], v2=1[V]일 때, 출력단의 전압 vo[V]는?

- ① 3[V]
- ② 4[V]
- ③ 5[V]
- ④ 6[V]
등록된 댓글이 없습니다.
13. R1=R2=1[kΩ], R3=R4=2[kΩ]일 때, 아래 회로의 관계식은?

- ① Vo=V1-2V2
- ② Vo=V2-V1
- ③ Vo=2V2-V1
- ④ Vo=2(V2-V1)
등록된 댓글이 없습니다.
14. 이상적인 연산증폭기의 특성이 아닌 것은?
- ① 전압 이득이 무한대
- ② 대역폭이 무한대
- ③ 출력저항이 무한대
- ④ 오프셋이 0
등록된 댓글이 없습니다.
15. <보기>의 부울 함수를 간소화한 결과로 옳은 것은?

- ①

- ②

- ③ F=C+B
- ④

등록된 댓글이 없습니다.
16. 한 변의 길이가 a[m]인 정사각형의 꼭짓점에 다음과 같이 +Q[C] 또는 +2Q[C]의 전하량을 가지는 전하를 놓을 때 정사각형의 중심에서의 전계[V/m]의 세기는?

- ① 0
- ② Q/(4πε0a2)
- ③ Q/(2πε0a2)
- ④ Q/(√2πε0a2)
등록된 댓글이 없습니다.
17. 다음의 회로가 XNOR(exclusive NOR)로 동작하기 위해 ㉠ 안에 하나의 논리 게이트(logic gate)소자만 들어갈 경우, 해당 논리 게이트 소자로 옳은 것은?

- ① AND
- ② NAND
- ③ OR
- ④ NOR
등록된 댓글이 없습니다.
18. 다음 논리회로에서 A=0, B=1, C=1, D=0일 때, 출력 X, Y의 논리 상태로 옳은 것은?

- ① X=1, Y=0, Z=0
- ② X=0, Y=1, Z=0
- ③ X=0, Y=0, Z=1
- ④ X=1, Y=1, Z=0
등록된 댓글이 없습니다.
19. 그림과 같은 교류 브리지(bridge)의 평형조건은?

- ① R2/R1 = L/C
- ② R1L = R2/C
- ③ R1C= L/R2
- ④ R1R2 = CL
등록된 댓글이 없습니다.
20. 다음 회로에서 교류 전압원 vs(t)=1000sin(1000t)[V]가 인가될 때 흐르는 전류 i(t)를 구한 것으로 옳은 것은?

- ① √2sin(1000t-45°)[A]
- ② (1000/√2)sin(1000t+45°)[A]
- ③ (1000/√2)sin(1000t-45°)[A]
- ④ (1/√2)sin(1000t+45°)[A]
등록된 댓글이 없습니다.