9급 지방직 공무원 전기이론(2021. 6. 5.) 시험일자 : 2021년 6월 5일
1. 일반적으로 도체의 전기 저항을 크게 하기 위한 방법으로 옳은 것만을 모두 고르면?

- ① ㄱ, ㄷ
- ② ㄱ, ㄹ
- ③ ㄴ, ㄷ
- ④ ㄷ, ㄹ
등록된 댓글이 없습니다.
2. 평등 자기장 내에 놓여 있는 직선의 도선이 받는 힘에 대한 설명으로 옳은 것은?
- ① 도선의 길이에 반비례한다.
- ② 자기장의 세기에 비례한다.
- ③ 도선에 흐르는 전류의 크기에 반비례한다.
- ④ 자기장 방향과 도선 방향이 평행할수록 큰 힘이 발생한다.
등록된 댓글이 없습니다.
3. 환상 솔레노이드의 평균 둘레 길이가 50 [cm], 단면적이 1 [cm2], 비 투자율 μr=1,000이다. 권선수가 200회인 코일에 1 [A]의 전류를 흘렸을 때, 환상 솔레노이드 내부의 자계 세기[AT/m]는?
- ① 40
- ② 200
- ③ 400
- ④ 800
등록된 댓글이 없습니다.
4. 그림과 같은 평형 3상 회로에서 Van=Vbn=Vcn=200/√3 [V], Z=40+j30 [Ω]일 때, 이 회로에 흐르는 선전류[A]의 크기는? (단, 모든 전압과 전류는 실횻값이다)

- ① 4√3
- ② 5√3
- ③ 6√3
- ④ 7√3
등록된 댓글이 없습니다.
5. 그림의 회로에서 전압 v2 [V]는?

- ① 0
- ② 13
- ③ 20
- ④ 26
등록된 댓글이 없습니다.
6. 그림과 같이 미세공극 lg가 존재하는 철심회로의 합성자기저항은 철심부분 자기저항의 몇 배인가?

- ①

- ②

- ③

- ④

등록된 댓글이 없습니다.
7. 그림의 직류 전원공급 장치 회로에 대한 설명으로 옳지 않은 것은? (단, 다이오드는 이상적인 소자이고, 커패시터의 초기 전압은 0 [V]이다)

- ① 일반적으로 서지전류가 발생한다.
- ② 다이오드를 4개 사용한 전파 정류회로이다.
- ③ 콘덴서에는 정상상태에서 12.5 [mJ]의 에너지가 축적된다.
- ④ C와 같은 용량의 콘덴서를 직렬로 연결하면 더 좋은 직류를 얻을 수 있다.
등록된 댓글이 없습니다.
8. 2 [μF] 커패시터에 그림과 같은 전류 i(t)를 인가하였을 때, 설명으로 옳지 않은 것은? (단, 커패시터에 저장된 초기 에너지는 없다)

- ① t=1에서 커패시터에 저장된 에너지는 25 [J]이다.
- ② t > 2 구간에서 커패시터의 전압은 일정하게 유지된다.
- ③ 0 < t < 2 구간에서 커패시터의 전압은 일정하게 증가한다.
- ④ t=2에서 커패시터에 저장된 에너지는 t=1에서 저장된 에너지의 2배이다.
등록된 댓글이 없습니다.
9. 그림의 교류회로에서 저항 R에서의 소비하는 유효전력이 10 [W]로 측정되었다고 할 때, 교류전원 v1(t)이 공급한 피상전력[VA]은? (단, v1=10√2sin(377t) [V], v2=9√2sin(377t) [V]이다)

- ① √10
- ② 2√5
- ③ 10
- ④ 10√2
등록된 댓글이 없습니다.
10. 그림의 (가)회로를 (나)회로와 같이 테브난(Thevenin) 등가변환하였을 때, 등가 임피던스 ZTH [Ω]와 출력전압 V(s) [V]는? (단, 커패시터와 인덕터의 초기 조건은 0이다)

- ①

- ②

- ③

- ④

등록된 댓글이 없습니다.
11. 그림의 (가)회로와 (나)회로가 등가관계에 있을 때, 부하저항 RL [Ω]은?

- ① 1
- ② 2
- ③ 3
- ④ 4
등록된 댓글이 없습니다.
12. 그림의 회로에서 전압 Vab [V]는?

- ① 1
- ② 2
- ③ 4
- ④ 8
등록된 댓글이 없습니다.
13. R-L 직렬회로에 대한 설명으로 옳은 것은?
- ① 주파수가 증가하면 전류는 증가하고, 저항에 걸리는 전압은 증가한다.
- ② 주파수가 감소하면 전류는 증가하고, 저항에 걸리는 전압은 감소한다.
- ③ 주파수가 증가하면 전류는 감소하고, 인덕터에 걸리는 전압은 증가한다.
- ④ 주파수가 감소하면 전류는 감소하고, 인덕터에 걸리는 전압은 감소한다.
등록된 댓글이 없습니다.
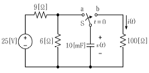
14. 그림의 회로에서 스위치 S가 충분히 긴 시간 동안 접점 a에 연결되어 있다가 t=0에서 접점 b로 이동하였다. 회로에 대한 설명으로 옳지 않은 것은?

- ① v(0)=10 [V]이다.
- ② t > 0에서 i(t)=10e-t [A]이다.
- ③ t > 0에서 회로의 시정수는 1 [sec]이다.
- ④ 회로의 시정수는 커패시터에 비례한다.
등록된 댓글이 없습니다.
15. 그림과 같이 주기적으로 변하는 전압 v(t)의 실횻값[V]은?

- ① 10/√5
- ② 10/√3
- ③ 10/√2
- ④ 10
등록된 댓글이 없습니다.
16. R-L-C 직렬공진회로, 병렬공진회로에 대한 설명으로 옳지 않은 것은?
- ① 직렬공진, 병렬공진 시 역률은 모두 1이다.
- ② 병렬공진회로일 경우 임피던스는 최소, 전류는 최대가 된다.
- ③ 직렬공진회로의 공진주파수에서 L과 C에 걸리는 전압의 합은 0이다.
- ④ 직렬공진 시 선택도 Q는 이고, 병렬공진 시 선택도 Q는 이다.

등록된 댓글이 없습니다.
17. 그림의 회로에서 전류 I [A]의 크기가 최대가 되기 위한 Xo에 대한 소자의 종류와 크기는? (단, v(t)=100√2sin100t[V]이다)

- ① 소자의 종류: 인덕터, 소자의 크기: 50 [mH]
- ② 소자의 종류: 인덕터, 소자의 크기: 100 [mH]
- ③ 소자의 종류: 커패시터, 소자의 크기: 1,000 [F]
- ④ 소자의 종류: 커패시터, 소자의 크기: 2,000 [F]
등록된 댓글이 없습니다.
18. 그림의 회로에서 스위치 S를 t=0에서 닫았을 때, 전류 ic(t)[A]는? (단, 커패시터의 초기 전압은 0 [V]이다)

- ① e-t
- ② 2e-t
- ③ e-2t
- ④ 2e-2t
등록된 댓글이 없습니다.
19. 그림 (가)의 입력전압이 (나)의 정류회로에 인가될 때, 입력전압 v(t)와 출력전압 vo(t)에 대한 설명으로 옳지 않은 것은? (단, 다이오드는 이상적인 소자이고, 출력전압의 평균값은 200 [V]이다)

- ① 입력전압의 주파수는 4 [Hz]이다.
- ② 출력전압의 최댓값은 100π [V]이다.
- ③ 출력전압의 실횻값은 100π√2 [V]이다.
- ④ 입력전압 v(t)=Asin(ωt-30°) [V]이다.
등록된 댓글이 없습니다.
20. 그림의 Y-Y 결선 불평형 3상 부하 조건에서 중성점 간 전류 InN [A]의 크기는? (단, ω=1 [rad/s], Van=100∠0° [V], Vbn=100∠-120° [V], Vcn=100∠-240° [V]이고, 모든 전압과 전류는 실횻값이다)

- ① 100√3
- ② 200√3
- ③ 100+50√3
- ④ 100+100√3
등록된 댓글이 없습니다.