방송통신기사(2011. 10. 9.) 시험일자 : 2011년 10월 9일
1과목 : 디지털 전자회로
1. 교류입력에 대해 브리지 정류기의 다이오드 동작 조건에 대한 설명으로 적절한 것은?
- ① 한 개의 다이오드가 순방향 바이어스이다.
- ② 두 개의 다이오드가 순방향 바이어스이다.
- ③ 모든 다이오드가 순방향 바이어스이다.
- ④ 모든 다이오드가 역방향 바이어스이다.
등록된 댓글이 없습니다.
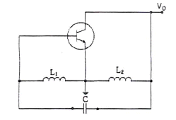
2. 다음 회로에서 맥동률을 개선하고자 한다. 가장 관련 있는 것은?

- ① RL
- ② N
- ③ Vi
- ④ Vm
등록된 댓글이 없습니다.
3. 정류회로의 부하에 병렬로 연결한 용량성 평활회로에서 부하저항의 감소에 따른 리플 전압의 변화로 적절한 것은?
- ① 리플의 증가
- ② 리플의 감소
- ③ 리플의 증가와 감소가 반복
- ④ 변화가 없다.
등록된 댓글이 없습니다.
4. 다음 등가회로와 관련된 트랜지스터 증폭기 회로의 특징으로 틀린 것은?

- ① 전압이득은 공통 이미터 증폭기 회로와 동일하다.
- ② 전류이득은 공통 이미터 증포기 회로와 동일하다.
- ③ 입력저항 Ri가 매우 크다.
- ④ 출력저항 Ro가 매우 크다.
등록된 댓글이 없습니다.
5. 이상적인 차동증폭기의 동상제거비(CMRR)는?
- ① 0
- ② 1
- ③ -1
- ④ ∞
등록된 댓글이 없습니다.
6. 다음은 BJT 증폭기 회로를 나타내었다. 커패시터 CE를 사용한 목적으로 적절한 것은?

- ① 증폭기의 이득을 증가시킨다.
- ② 리플성분을 감소시킨다.
- ③ 직류성분을 통과시킨다.
- ④ 병렬궤환을 발생한다.
등록된 댓글이 없습니다.
7. 다음은 궤환율이 0.04인 부궤환 증폭기 회로이다. 저항 Rf는?

- ① 200[kΩ]
- ② 20[kΩ]
- ③ 24[kΩ]
- ④ 240[kΩ]
등록된 댓글이 없습니다.
8. 그림과 같은 회로에 대한 설명 중 옳은 것은?

- ① 콜피츠 발진회로이다.
- ② VHF대나 UHF대에서 많이 사용된다.
- ③ 부궤환을 적용하였다.
- ④ 하틀리 발진회로이다.
등록된 댓글이 없습니다.
9. 다음 그림은 콜피츠 발진회로를 변형한 클랩 발진회로이다. 안정한 주파수를 얻기 위해 C1,C2를 C3에 비해 매우 크게 하였을 때, 이 발진회로의 발진주파수는? (단, C3=0.001[μF], L=1[mH])

- ① 약 150[kHz]
- ② 약 153[kHz]
- ③ 약 156[kHz]
- ④ 약 159[kHz]
등록된 댓글이 없습니다.
10. 변조도 80[%]로 진폭변조한 피변조파에서 반송파의 전력 Pc와 상측파대 또는 하측파대의 전력 Ps와의 비율은?
- ① 1 : 0.8
- ② 1 : 0.55
- ③ 1 : 0.33
- ④ 1 : 0.16
등록된 댓글이 없습니다.
11. DPSK 복조에 주로 이용되는 방식은?
- ① 포락선 검파
- ② 동기 검파
- ③ 비동기식 검파
- ④ 차동위상 검파
등록된 댓글이 없습니다.
12. 다음 회로 중 결합상태가 직류로 구성된 멀티바이브레이터 회로는?
- ① 비안정 멀티바이브레이터
- ② 단안정 멀티바이브레이터
- ③ 쌍안정 멀티바이브레이터
- ④ 비쌍안정 멀티바이브레이터
등록된 댓글이 없습니다.
13. 그림과 같은 클램핑 회로의 출력 파형은?

- ①

- ②

- ③

- ④

등록된 댓글이 없습니다.
14. 다음 중 플립플롭과 관계가 없는 것은?
- ① Decoder
- ② RAM
- ③ Register
- ④ Counter
등록된 댓글이 없습니다.
15. 불 대수식 를 간단히 하면?
- ① A
- ② B
- ③ AB
- ④ A+B
등록된 댓글이 없습니다.
16. 그림과 같은 다이오드 게이트의 출력값은?

- ① 0[V]
- ② 5[V]
- ③ 약 4.3[V]
- ④ 10[V]
등록된 댓글이 없습니다.
17. 다음 논리도는 무슨 회로인가?

- ① 멀티플렉서(multiplexer)
- ② 디멀티플렉서(demultiplexer)
- ③ 인코더(encoder)
- ④ 디코더(decoder)
등록된 댓글이 없습니다.
18. 다음 중 보수 발생기가 필요한 회로는?
- ① 일치 회로
- ② 가산 회로
- ③ 나눗셈 회로
- ④ 곱셈 회로
등록된 댓글이 없습니다.
19. 8[MHz] 구형파를 카운터의 입력으로 인가할 때, 250[kHz]를 얻기 위해 필요한 카운터의 비트수 얼마인가?
- ① 2비트
- ② 3비트
- ③ 5비트
- ④ 4비트
등록된 댓글이 없습니다.
20. 다음 회로는 무엇을 가리키는가?

- ① 배타적 논리합 회로(Exclusive-OR)
- ② 감산기(Subtracter)
- ③ 반가산기(Half adder)
- ④ 전가산기(Full adder)
등록된 댓글이 없습니다.
2과목 : 방송통신 기기
21. 다음 중 방송국의 부조정실 기기 구성품이 아닌 것은?
- ① 편집기
- ② 자동송출장비
- ③ CCU, VCR, CG
- ④ 파형측정기, 믹서
등록된 댓글이 없습니다.
22. 다음 중 비디오 조명의 조건으로 틀린 것은?
- ① 밝기가 충분할 것
- ② 플리커(flicker)가 있을 것
- ③ 조명의 효율이 좋을 것
- ④ 연출의도에 따라 상황이나 분위기를 만들어 낼 것
등록된 댓글이 없습니다.
23. HDTV, DMB 등 디지털방송에도 사용하는 영상압축방식이 아닌 것은?
- ① AC-3
- ② H.264
- ③ MPEG-4
- ④ MPEG-2
등록된 댓글이 없습니다.
24. 다음 중 송신 신호파의 고역을 강조해서 높은 주파수에 대한 S/N비를 개선시키는 회로는?
- ① 프리엠퍼시스(Pre-emphasis) 회로
- ② 순시 주파수 편이 제어회로
- ③ 자동 주파수 제어회로
- ④ 지연 이득 제어회로
등록된 댓글이 없습니다.
25. 다음 중 아날로그 신호에서 디지털 신호를 변환 시 주요 과정이 아닌 것은?
- ① 표본화
- ② 복호화
- ③ 양자화
- ④ 부호화
등록된 댓글이 없습니다.
26. 주사선수가 1,125개, 필드 주파수를 60[Hz]라 할 때, 수평 주파수[Hz]는?
- ① 15,750[Hz]
- ② 33,750[Hz]
- ③ 49,710[Hz]
- ④ 68,680[Hz]
등록된 댓글이 없습니다.
27. 다음 중 변조된 신호의 한쪽 측파대의 대부분과 다른 쪽 측파대의 일부를 전송하는 TV 신호전송 방식은?
- ① 양측파대 방식
- ② 잔류측파대 방식
- ③ 단측파대 방식
- ④ 상측파대 방식
등록된 댓글이 없습니다.
28. 다음 안테나 중 쌍곡면 반사면을 이용하여 두 번 반사시켜 신호를 초점에 모아주는 방식의 안테나는?
- ① 카세그레인(Bassegrain) 안테나
- ② 구면 반사경 안테나
- ③ 평면 안테나
- ④ 그레고리안(Gregorian) 안테나
등록된 댓글이 없습니다.
29. 위성방송에서 정지궤도의 설명 중 틀린 것은?
- ① 지구자전과 동일한 방향과 속도로 공전하는 궤도이다.
- ② 24시간 한 지점에서 통신이 가능하다.
- ③ 궤도가 한 개뿐이므로 위성수가 제한된다.
- ④ 고도가 약 36,000[km] 정도로서 전파지연은 나타나지 않는다.
등록된 댓글이 없습니다.
30. 인터넷 방송을 위하여 필요한 핵심 기술로 가장 거리가 먼 것은?
- ① 비디오/오디오 압축 및 복원 기술
- ② 미러링(Mirroring) 기술
- ③ OP 멀티캐스팅(IP Multicasting) 기술
- ④ 푸시(Push) 및 스트리밍(Streaming) 기술
등록된 댓글이 없습니다.
31. IPTV의 디지털 영상 압축 기술로 사용되는 것은?
- ① MPEG-1
- ② MPEG-2
- ③ H.261
- ④ H.264
등록된 댓글이 없습니다.
32. 다음 중 국내 케이블 TV 시스템의 주된 설치 방식은?
- ① LMDS 방식
- ② LMDS 방식
- ③ STAR 방식
- ④ HFC 방식
등록된 댓글이 없습니다.
33. 한국형 DMB 방송은 6[MHz]밴드에서 3개의 블록으로 나누어진다. 1블럭의 대역폭은?
- ① 1.536[MHz]
- ② 1.537[MHz]
- ③ 1.538[MHz]
- ④ 1.539[MHz]
등록된 댓글이 없습니다.
34. 위성 DMB 방송 시스템에서 지상 중계기가 송출하는 주파수대는?
- ① Ka Band
- ② S Band
- ③ Ku Band
- ④ L Band
등록된 댓글이 없습니다.
35. SCS(Sub Carrier System) 음성다중방식 중에서 우리나라에서 사용하는 아날로그 방식은?
- ① AM-FM 방식
- ② FM-FM 방식
- ③ One-carrier 방식
- ④ Two-carrier 방식
등록된 댓글이 없습니다.
36. 다음 중 주파수 응답, 과도현상, 포락선 지연 및 위상 등의 판독에 가장 많이 사용되는 테스트 신호는?
- ① Sine-squared Test Signal
- ② Vertical Interval Signal
- ③ Window Signal
- ④ Monoburst Signal
등록된 댓글이 없습니다.
37. 다음 중 벡터스코프에서 확인할 수 없는 것은?
- ① 크로미넌스 레벨
- ② 블랙 밸런스
- ③ 휘도 레벨
- ④ 화이트 밸런스
등록된 댓글이 없습니다.
38. 음향 측정을 위한 무향실과 잔향실의 특성이 잘못 설명된 것은?
- ① 무향실은 벽, 천정, 마루에 두꺼운 흡음재의 층을 만들어 주위로부터 음의 반사가 없는 자유공간을 근사적으로 만든다.
- ② 무향실은 스피커나 마이크 등 음원의 특성르 측정하는데 사용된다.
- ③ 잔향실은 벽면을 완전 반사에 가깝게 처리하며 정재파가 발생되지 않도록 마주보는 벽이 평행하게 만든다.
- ④ 잔향실은 실내 모든 지점의 음압 레벨이 같은 값이 되도록 만든다.
등록된 댓글이 없습니다.
39. 다음 중 스펙트럼분석기의 용도가 아닌 것은?
- ① 전송률(Bit rate) 측정
- ② FM 편차 측정
- ③ RF 간섭 측정
- ④ RF Power 측정
등록된 댓글이 없습니다.
40. 광섬유 케이블은 물질 사이에서 일어나는 빛의 어떤 성질을 이용한 것인가?
- ① 전반사
- ② 회절
- ③ 파동성
- ④ 입자성
등록된 댓글이 없습니다.
3과목 : 방송미디어 공학
41. 다음 중 디지털 변조방식과 가장 거리가 먼 것은?
- ① PM
- ② ASK
- ③ FSK
- ④ PSK
등록된 댓글이 없습니다.
42. 지상파 디지털 TV 방송에서 19.4[Mbps]에 해당하는 전송스트림(Transport Stream) 신호를 이루는 구성요소가 아닌 것은?
- ① MPEG-2로 압축된 영상신호
- ② AC-3로 압축된 음성신호
- ③ PSIP 데이터신호
- ④ 8-VSB 변조신호
등록된 댓글이 없습니다.
43. NTSC TV 신호의 신호대역폭인 6[MHz] 내에 있는 신호 중 가장 높은 주파수에 위치하는 신호는 무엇인가?
- ① Picture carrier
- ② Color Video 신호
- ③ Color subcarrier
- ④ Audio carrier
등록된 댓글이 없습니다.
44. 라디오방송 편성에서 단일포맷 편성의 장점과 관련 없는 것은?
- ① 다양한 청취층 확보
- ② 프로그램 제작의 용이
- ③ 고정 청취율 확보
- ④ 광고주 확보 용이
등록된 댓글이 없습니다.
45. 여러 음원이 존재할 때 인간은 자신이 듣고 싶은 음을 선별해서 들을 수 있는 능력을 갖는다. 이 음향효과를 무엇이라고 부르는가?
- ① 칵테일 파티 효과
- ② 하스 효과
- ③ 마스킹 효과
- ④ 바이노럴 효과
등록된 댓글이 없습니다.
46. 원통자석 둘레에 가동 코일을 놓고 이 코일을 진동판으로 진동시켜 코일에 발생하는 전류를 이용한 마이크는 다음 중 어는 것인가?
- ① 콘덴서 마이크로폰
- ② 무빙코일 마이크로폰
- ③ 크리스털 마이크로폰
- ④ 카본 마이크로폰
등록된 댓글이 없습니다.
47. 다음 중 텔레비전 비디오 스위칭 기법의 종류에 속하지 않는 것은?
- ① 필라이트(Fill Light)
- ② 페이드인/아웃(Fade In/Out)
- ③ 디졸브(Dissolve)
- ④ 슈퍼임포즈(super Impose)
등록된 댓글이 없습니다.
48. HDTV 방식의 규격을 기술한 것 중 잘못된 것은?
- ① 주사선수 : 1,125
- ② 베이스밴드 대역 : 30[MHz]
- ③ 어스펙트비 : 16:9
- ④ 음성신호 변조방식 : FM
등록된 댓글이 없습니다.
49. 다음의 카메라 shot 중 전경(全景)을 찍기 위한 shot으로 가장 적절한 것은?
- ① full shot
- ② pull figure
- ③ up figure
- ④ close-up shot
등록된 댓글이 없습니다.
50. 다음 CIE 색상 도표에서 A, B, C 점에 해당하는 색상들이 순서대로 올바르게 나열된 것은?

- ① 적생, 청색, 녹색
- ② 녹색, 적색, 청색
- ③ 녹색, 청색, 적색
- ④ 적색, 녹색, 청색
등록된 댓글이 없습니다.
51. 다음 무대 조명에 의한 전환 기법 중 순간적으로 무대 조명에 불을 켜는 기교를 의미하며 매우 강한 인상을 주는 기법으로 가장 적절한 것은?
- ① 스위치 인(Switch In)
- ② 라이트 커튼(Light Curtain)
- ③ 페이드 인(Fade In)
- ④ 라이트 오픈(Light Open)
등록된 댓글이 없습니다.
52. 1분 동안 16비트, 44.1[kHz]로 스테레오 사운드를 저장한다면 약 얼마의 공간이 필요한가?
- ① 2,646,000[byte]
- ② 5,292,000[byte]
- ③ 10,584,000[byte]
- ④ 21, 168,000[byte]
등록된 댓글이 없습니다.
53. 디지털방송 시스템 정보를 포함하여 가상채널 정보, 자막, 데이터방송과 같은 기타 부가서비스 정보 그리고 EPG 정보 등 DTV 서비스에 필요한 정보를 관리하는 것을 무엇이라고 하는가?
- ① STT
- ② VCT
- ③ DVB-SI
- ④ PSIP
등록된 댓글이 없습니다.
54. 레스터 방식이라고도 하며, 여러 개의 점들로 이미지를 구성하는 것을 무엇이라고 하는가?
- ① 비트맵 이미지
- ② 벡터 이미지
- ③ 스칼라 이미지
- ④ 포스트스크립트 이미지
등록된 댓글이 없습니다.
55. LZW 압축방식을 사용하고 256색상까지 지원하며, 인터레이싱 이미지 기능을 사용할 수 있는 이미지 저장방식은 무엇인가?
- ① BMP
- ② PCX
- ③ JPEG
- ④ GIF
등록된 댓글이 없습니다.
56. 다음 영상미디어 압축방식 중 인접화소 사이의 상관성이 높은 특징을 이용하는 공간적 중복성 압축방식으로 대표적인 방법은 무엇인가?
- ① PCM 방식
- ② DCT 변환 부호화
- ③ ADPCM 방식
- ④ 호프만 부호화
등록된 댓글이 없습니다.
57. 다음 문장의 빈칸에 들어갈 알맞은 것은?

- ① 채널 부호화
- ② 신호원 부호화
- ③ MPEG 부호화
- ④ AC-3 부호화
등록된 댓글이 없습니다.
58. MPEG-2의 프레임 구조 중 순방향 프레임간 예측화면은 무엇인가?
- ① I 프레임
- ② S 프레임
- ③ P 프레임
- ④ B 프레임
등록된 댓글이 없습니다.
59. 다음 중 지상파 디지털 텔레비전 방송(ATSC, DVB-T 등) 방식에서 가장 널리 사용하는 비디오압축(Encoding) 방식은?
- ① MPEG-1
- ② MPEG-2
- ③ MPEG-4
- ④ MPEG-7
등록된 댓글이 없습니다.
60. 단위 면적당 압력으로 측정된 음압이 기준음압의 2배일 때 음압레벨은 얼마인가?
- ① 12[dB]
- ② 9[dB]
- ③ 6[dB]
- ④ 3[dB]
등록된 댓글이 없습니다.
4과목 : 방송통신 시스템
61. 표본화 주파수가 Nyquist 주파수보다 낮을 경우에 왜곡이 발생하게 된다. Aliasing을 제거하는 방법으로 올바른 것은?
- ① 입력단에 Low pass FILTER를 단다.
- ② 출력단에 Low pass FILTER를 단다.
- ③ 입력단에 Hight pass FILTER를 단다.
- ④ 출력단에 Hight pass FILTER를 단다.
등록된 댓글이 없습니다.
62. 다음 중 가입자 100명에 대한 연결을 매쉬형 회선망으로 구성시 필요한 최소 회선수는?
- ① 4,950개
- ② 6,950개
- ③ 8,900개
- ④ 9,900개
등록된 댓글이 없습니다.
63. 다음 중 PCM(Pulse Code Modulation)의 장점이 아닌 것은?
- ① 점유 대역폭이 넓다.
- ② 잡음에 강하다.
- ③ 고급 여파기를 사용하지 않아도 된다.
- ④ 전송 중 잡음이 축적되지 않는다.
등록된 댓글이 없습니다.
64. 중파 송신기에 사용되는 고주파 출력회로 중 탱크회로에 대한 설명으로 틀린 것은?
- ① 안테나의 임피던스를 전력증폭기가 필요로 하는 최적 부하로 변환한다.
- ② 전력 증폭기의 고주파 전력을 급전선 또는 안테나에 전송한다.
- ③ 전력 증폭기에서 발생하는 대역 이외의 고주파를 막을 수 있다.
- ④ 연주소에서 보내온 적은 음성신호가 큰 전압증폭도를 얻도록 한다.
등록된 댓글이 없습니다.
65. 다음 중 라디오 방송을 송출하기 위한 구성요소로 옳지 않은 것은?
- ① 주조정실
- ② 송신소
- ③ 촬영카메라
- ④ 부조정실
등록된 댓글이 없습니다.
66. 다음 중 AM 방송국 송신기의 주파수 허용편차로 옳은 것은?
- ① 10[Hz]
- ② 100[Hz]
- ③ 1[kHz]
- ④ 2[kHz]
등록된 댓글이 없습니다.
67. 컬러 TV 방송의 국제 표준이 아닌 것은?
- ① SECAM 방식
- ② NTSC 방식
- ③ PAL 방식
- ④ FDM 방식
등록된 댓글이 없습니다.
68. 다음 중 디지털 전송시스템의 등화기(Equalizer) 기능을 설명한 것으로 옳은 것은?
- ① 디지털 신호의 전송에서 입력의 잡음을 제거하여 신호의 출력 레벨을 높게하는 장치
- ② 디지털 신호의 전소에서 신호의 왜곡을 줄여 비트오류를 줄이는 장치
- ③ 디지털 신호의 전송에서 신호의 비선형성을 줄여 비트오류를 증가시키는 장치
- ④ 디지털 신호의 전송에서 신호의 대역폭 효율을 최대화하는 장치
등록된 댓글이 없습니다.
69. 색을 전송하는데 필요한 3가지 정보가 아닌 것은?
- ① 색상
- ② 포화도
- ③ 밝기
- ④ 압축
등록된 댓글이 없습니다.
70. 다음 중 CATV 방송국에서 가입자까지의 전송로를 옳게 구성한 것은?
- ① 초간선 → 간선 → 분배선 → 인입선
- ② 간선 → 초간선 → 분배선 → 인입선
- ③ 인입선 → 초간선 → 간선 → 분배선
- ④ 인입선 → 간선 → 초간선 → 분배선
등록된 댓글이 없습니다.
71. 다음 중 CATV 센터계 설비인 헤드엔드의 기능에 해당하지 않는 것은?
- ① 수신 설비로부터 입력된 신호의 채널변환
- ② 다수의 주파수 분할된 신호 분리 및 혼합기능
- ③ 전송로에 신호를 송출하는 기능
- ④ 도청방지를 위한 비화신호의 해독기능
등록된 댓글이 없습니다.
72. CATV 광단국 장치 중 AM 광전송 장치를 설치하면 개별 특성시험과 종합시험을 해야 한다. 다음 중 개별특성 시험이 아닌 것은?
- ① 광원의 파장측정
- ② 광수신감도 측정
- ③ 주파수 응답 시험
- ④ RF 송신조정 및 시험
등록된 댓글이 없습니다.
73. 다음은 지상국 안테나를 위해 안테나 서브시스템에 요구되는 사양을 열거한 것이다. 틀린 것은?
- ① 안테나의 중심방향으로 높은 지향성(directivity)을 가지고 목적하는 위성의 위치를 가리켜야 한다.
- ② 원하는 위성 이외의 방향에 대하여는 높은 지향성을 유지하여야 한다.
- ③ 업링크와 다운링크 모두에 대하여 가능한 한 높은 안테나 효율을 가져야 한다.
- ④ 직각 방향 편파에 대하여 높음 고립도를 유지하여야 한다.
등록된 댓글이 없습니다.
74. 다음 방송방식 중 방송신호를 전송하는데 가장 넓은 신호대역폭을 필요로하는 방식은 무엇인가?
- ① 지상파방송
- ② 위성방송
- ③ 케이블방송
- ④ DMB방송
등록된 댓글이 없습니다.
75. 다음 설명으로 맞는 것은?
- ① 빔 안테나
- ② 다이폴 안테나
- ③ 탑재형 안테나
- ④ 탑재형 안테나
등록된 댓글이 없습니다.
76. 지상파 DMB 방송의 오디오신호 부호화 중 맞는 것은?

- ① 오디오 신호의 대역은 20,300[kHz] 이하로 할 것
- ② 오디오 신호의 표본화 주파수는 최대 48,000[Hz]로 할 것
- ③ 오디오 신호의 표본당 비트 수는 최대 28 이하일 것
- ④ 오디오 신호의 표본당 비트 수는 초대 25 이하일 것
등록된 댓글이 없습니다.
77. 위성 디지털 미디어방송에 있어 변조 및 송신조건과 관련한 기술기준으로 적합하지 않은 것은?
- ① 변조는 QPSK 및 BPSK 방식으로, 전송은 CDM 방식으로 할 것
- ② 변조된 신호의 주파수 대역폭은 30[MHz]로 할 것
- ③ 펄스정형 필터의 롤-오프 계수는 0.22로 할 것
- ④ 송신장치의 방송파 신호 주파수 허용 편차는 50[ppm]으로 할 것
등록된 댓글이 없습니다.
78. 다음 중 종합 유선 방송국의 예비전원 설비는 전원 공급이 중단된 경우, 최대 부하를 기준으로 몇 시간 이상 공급할 수 있어야 하는가?
- ① 1시간 이상
- ② 2시간 이상
- ③ 3시간 이상
- ④ 4시간 이상
등록된 댓글이 없습니다.
79. 다음 중 지상파 방송 송신용 급전선의 선택시 고려할 주요사항으로 옳지 않은 것은?
- ① 특성 임피던스
- ② 철탑의 부하
- ③ 동작 주파수
- ④ 송신기의 접지상태
등록된 댓글이 없습니다.
80. 공동시청 안테나 시설의 설비구성 중 단독주택의 설비에 해당되지 않는 것은?
- ① 안테나
- ② 분배(분기)기
- ③ 혼합기
- ④ 직렬단자
등록된 댓글이 없습니다.
5과목 : 전자계산기 일반 및 방송설비기준
81. 액정 디스플레이(LCD)에 대한 설명 중 틀린 것은?
- ① 네온 전구와 아르곤 가스를 이용한 플라즈마 현상에 의해 정보를 표시한다.
- ② 디지털 계산기나 노트북, 컴퓨터 등의 표시장치에 사용된다.
- ③ 비발광체이기 때문에 눈의 피로가 적고 전력소모가 적다.
- ④ CRT에 비해 표시속도가 느리고, 보는 각도에 따라 선명도가 달라진다.
등록된 댓글이 없습니다.
82. 다음 중 중앙처리장치의 구성요소가 아닌 것은?
- ① 시스템 버스(System Bus)
- ② 제어 장치(Control Unit)
- ③ 논리 연산 장치(ALU)
- ④ 레지스터(Register)
등록된 댓글이 없습니다.
83. 현 상태에서 다음 상태로 코드의 그룹이 변화할 때 단지 하나의 비트만이 변화되는 최소 변화 코드의 일종이며, 또한 비트의 위치가 특별한 가중치를 갖지 않는 비가중치 코드로서 산술 연산에는 부적합하고 응용장치에 많이 사용하는 코드는?
- ① 패리티 체크
- ② 해밍 코드
- ③ 3초과 코드
- ④ 그레이 코드
등록된 댓글이 없습니다.
84. 주기억장치에 데이터를 기억할 수 있는 각 byte의 위치를 지정해 주는 것을 무엇이라 하는가?
- ① register
- ② base register
- ③ index register
- ④ address
등록된 댓글이 없습니다.
85. 명령어 자체의 기억장소를 기준으로 하여 유효 주소를 계산한 후 연산수의 위치를 지정하는 것은?
- ① 기본 어드레스
- ② 간접 어드레스
- ③ 직접 어드레스
- ④ 상대 어드레스
등록된 댓글이 없습니다.
86. 다음 중 채널(channel)이 위치하는 곳은 어디인가?
- ① 중앙처리장치와 연산장치 양쪽
- ② 주기억장치와 입출력장치 사이
- ③ 주기억장치와 보조기억장치 사이
- ④ 연산장치와 레지스터 중간
등록된 댓글이 없습니다.
87. 다음 중 자료의 병렬전송을 직렬전송으로 변경하는 레지스터는?
- ① 명령 레지스터(IR)
- ② 메모리 주소 레지스터(MAR)
- ③ 메모리 버퍼 레지스터(MBR)
- ④ 쉬프트 레지스터(Shift Register)
등록된 댓글이 없습니다.
88. 다음 중 분산 처리 시스템에 관한 설명으로 옳지 않은 것은?
- ① 중앙 집중식 운영체제의 개념과는 반대되는 시스템이다.
- ② 한 업무를 여러 컴퓨터로 작업을 분담시킴으로써 처리량을 높일 수 있다.
- ③ 보안성이 매우 높다.
- ④ 업무량 증가에 따른 점진적인 확장이 용이하다.
등록된 댓글이 없습니다.
89. 다음 중 운영시스템(Operating System)의 목적이 아닌 것은?
- ① 처리능력 향상
- ② 응답시간 단축
- ③ 신뢰도 향상
- ④ 사용자 편의 극소화
등록된 댓글이 없습니다.
90. 다음 중 오퍼레이팅 시스템에서 제어 프로그램에 속하는 것은?
- ① 데이터관리 프로그램
- ② 어셈블러
- ③ 컴파일러
- ④ 서브루틴
등록된 댓글이 없습니다.
91. 종합유선방송국설비에서 주파수변조방식에 의해 광케이블로 전송하는 경우 분계점은?
- ① 진폭변조기와 동축케이블의 최초 접속점
- ② 주파수변조기와 무선송신기의 최초 접속점
- ③ 주파수변조기와 광송신기의 최초 접속점
- ④ 텔레비전 인코더와 광송신기의 최초 접속점
등록된 댓글이 없습니다.
92. 유선방송설비 및 전송설비의 기호로 잘못 연결된 것은?
- ① 채널변환장치(Convertor) :

- ② 수신공중선(Antenna) :

- ③ 증폭기(Amplifier) :

- ④ 주 전송장치(Head End) :

등록된 댓글이 없습니다.
93. 방송프로그램을 종합유선방송국으로부터 시청자에게 전송하기 위하여 유ㆍ무선전송ㆍ선로설비를 설치ㆍ운영하는 사업은?
- ① 전송망사업
- ② 종합유선방송사업
- ③ 중계유선방송사업
- ④ 음악유선방송사업
등록된 댓글이 없습니다.
94. 방송통신위원회가 전파자원의 공평하고 효율적인 이용을 촉직하기 위하여 시행해야 할 사항이 아닌 것은?
- ① 주파수분배의 변경
- ② 주파수 회수 또는 주파수 재배치
- ③ 새로운 기술방식으로의 전환
- ④ 무선국 공동 운영
등록된 댓글이 없습니다.
95. 입력신호 에너지를 간선에서 지선으로 불균등하게 분리시키는 장치는?
- ① 분기기
- ② 분배기
- ③ 합파기
- ④ 분파기
등록된 댓글이 없습니다.
96. 다음 중 종합유선방송국의 진폭변조기의 출력 특성임피던스는 몇 [Ω]인가?
- ① 30[Ω]
- ② 50[Ω]
- ③ 75[Ω]
- ④ 600[Ω]
등록된 댓글이 없습니다.
97. 다음 중 방송법의 목적에 해당되지 않는 것은?
- ① 방송의 자유와 독립을 보장
- ② 시청자의 권익 보호와 민주적 여론형성
- ③ 방송의 발전과 공공복리의 증진
- ④ 국민경제 발전 도모와 자율적 방송편성 보장
등록된 댓글이 없습니다.
98. 다음 중 방송법에 의한 방송사업의 종류가 아닌 것은?
- ① 지상파방송사업
- ② 위성방송사업
- ③ 방송채널사용사업
- ④ 중계유선사업
등록된 댓글이 없습니다.
99. 다음의 용어 정의에서 괄호 안에 알맞은 것은?

- ① 신고ㆍ등록ㆍ승인ㆍ허가
- ② 인증ㆍ등록ㆍ승인ㆍ허가
- ③ 신고ㆍ공인ㆍ승인ㆍ허가
- ④ 신고ㆍ등록ㆍ인가ㆍ허가
등록된 댓글이 없습니다.
100. 중계유선방송에서 해당 채널의 채널잡음에 대한 반송파의 비율을 데시벨로 나타낸 것을 무엇이 라 하는가?
- ① S/N
- ② C/N
- ③ CTB
- ④ D/U
등록된 댓글이 없습니다.