방송통신기사(2011. 3. 13.) 시험일자 : 2011년 3월 13일
1과목 : 디지털 전자회로
1. 평활회로의 기능에 대해 바르게 설명한 것은?
- ① 콘덴서나 인덕터를 통해 파형을 평탄하게 하여 일정한 크기의 전압을 만든다.
- ② 트랜지스터를 통해 (-)성분을 제거시켜서 평균값을 발생시킨다.
- ③ 제너다이오드를 통해 출력전압을 안정화 시켜준다.
- ④ 트랜지스터를 통해 출력전압을 안정화 시켜준다.
등록된 댓글이 없습니다.
2. 정류회로를 평가하는 파라미터에 해당되지 않는 것은?
- ① 최대역전압
- ② 궤환율
- ③ 전압변동률
- ④ 정류효율
등록된 댓글이 없습니다.
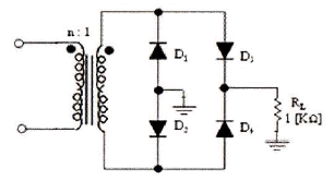
3. 다음 주어진 회로는 어떤 종류의 회로인가?

- ① 클리핑 회로
- ② 중간탭 전파정류회로
- ③ 브릿지 전파정류회로
- ④ 전압체배회로
등록된 댓글이 없습니다.
4. 트랜지스터가 정상적으로 동작하기 위해서는 컬렉터(collector)와 베이스(base) 단자 사이의 바이어스는?
- ① 순방향 바이어스 되어야 한다.
- ② 역방향 바이어스 되어야 한다.
- ③ 도통하지 않아야 한다.
- ④ 항복영역에서 동작하지 않아야 한다.
등록된 댓글이 없습니다.
5. 공통 베이스(common base) 증폭기 회로에서 컬렉터 전류가 4.9[mA]이고, 에미터 전류가 5[mA]이었을 때 직류전류 증폭률은?
- ① 0.98
- ② 0.99
- ③ 98
- ④ 99
등록된 댓글이 없습니다.
6. 다음 중 증폭기의 종류에 해당되지 않는 것은?
- ① A급 증폭기
- ② AB급 증폭기
- ③ C급 증폭기
- ④ AC급 증폭기
등록된 댓글이 없습니다.
7. 다음 B급 SEPP 증폭기에서 트랜지스터 1개당 최대전력 손실은 약 몇 [W] 인가?

- ① 1.5[W]
- ② 2.5[W]
- ③ 3.5[W]
- ④ 4.5[W]
등록된 댓글이 없습니다.
8. 정현파 발진기로서 부적합한 것은?
- ① LC 발진기
- ② 수정 발진기
- ③ 멀티바이브레이터
- ④ CR 발진기
등록된 댓글이 없습니다.
9. 그림과 같은 발진회로에서 높은 주파수의 동작에 적절한 발진회로 구현을 위한 리액턴스 조건은 무엇인가?

- ① Z1= 용량성, Z2=용량성, Z3=용량성
- ② Z1= 유도성, Z2=유도성, Z3=유도성
- ③ Z1= 유도성, Z2=용량성, Z3=용량성
- ④ Z1= 용량성, Z2=용량성, Z3=유도성
등록된 댓글이 없습니다.
10. 궤환에 의한 발진회로에서 증폭기의 이득을 A, 궤환 회로의 궤환율을 β라고 할 때, 발진이 지속되기 위한 조건은?
- ① βA = 1
- ② βA < 1
- ③ βA > 1
- ④ βA = 0
등록된 댓글이 없습니다.
11. FM 검파 방식 중에서 주파수 변화에 의한 전압 제어 발진기의 제어 신호를 이용하여 복조하는 방식은 다음 중 어떤 것인가?
- ① 계수형 검파기
- ② PLL형 검파기
- ③ 포스터-실리 검파기
- ④ 비 검파기
등록된 댓글이 없습니다.
12. 주파수 변조에서 S/N 비를 높이기 위한 방법이 아닌 것은?
- ① 주파수 대역폭을 크게 한다.
- ② 변조지수를 크게 한다.
- ③ 프리엠퍼시스 회로를 사용한다.
- ④ 주파수 변별회로를 사용한다.
등록된 댓글이 없습니다.
13. 트랜지스터의 스위칭 작용에 의해서 발생된 펄스 파형에서 턴-오프 시간(turn-off time)은 무엇인가?
- ① 하강시간+축적시간
- ② 상승시간+지연시간
- ③ 축적시간+상승시간
- ④ 지연시간+상승시간
등록된 댓글이 없습니다.
14. 그림의 회로는 어떤 동작을 하는가?

- ① OR
- ② NOR
- ③ AND
- ④ NAND
등록된 댓글이 없습니다.
15. 그림과 같은 회로의 출력은?

- ①

- ②

- ③

- ④

등록된 댓글이 없습니다.
16. 입력 주파수 512[kHz]를 T형 플립플롭 7개 종속 접속한 회로에 인가했을 때 출력 주파수는 얼마인가?
- ① 256[kHz]
- ② 8[kHz]
- ③ 4[kHz]
- ④ 2[kHz]
등록된 댓글이 없습니다.
17. 비동기식 카운터의 설명으로 틀린 것은?
- ① 리플 카운터라고도 한다.
- ② 고속 카운팅에 주로 사용된다.
- ③ 전단의 출력이 다음 단의 트리거 입력이 된다.
- ④ 매우 높은 주파수에는 사용하지 않는다.
등록된 댓글이 없습니다.
18. 플립플롭 4개로 구성된 계수기가 가질 수 있는 최대의 2진 상태는 몇 가지인가?
- ① 8가지
- ② 12가지
- ③ 16가지
- ④ 20가지
등록된 댓글이 없습니다.
19. n개의 입력으로부터 2진 정보를 2n개의 독자적인 출력으로 변환이 가능한 것은?
- ① 멀티플렉서
- ② 디코더
- ③ 계수기
- ④ 비교기
등록된 댓글이 없습니다.
20. 다음 계수형 전자계산기(digital computer)의 기억장치 중 보조기억장치가 아닌 것은?
- ① 자기 드럼(magnetic drum)
- ② 자기 테이프(magnetic tape)
- ③ 자기 디스크(magnetic disk)
- ④ 자기 코어(magnetic core)
등록된 댓글이 없습니다.
2과목 : 방송통신 기기
21. 다음 중 음향설비가 갖추어야 할 조건 중 틀린 것은?
- ① 외부에 대한 누음이 잘 될 것
- ② 사용목적에 적합한 울림의 길이와 음질을 갖출 것
- ③ 조용한 환경일 것
- ④ 저음역의 고유진동에 부밍(Booming)이나 울림 등이 없을 것
등록된 댓글이 없습니다.
22. 다음 중 방송에 사용될 영상소재를 컴퓨터 영상장치에 의하여 입력받아 스토리지(Storage)에 저장, 인코딩, 방송소재 검색, 미디어 관리, 캡처 등의 기능을 수행하는 것은?
- ① Betacam System
- ② Master Control System
- ③ ADC System
- ④ Capture System
등록된 댓글이 없습니다.
23. 디지털 HDTV 스튜디오 규격의 영상신호의 표본화 주파수가 가장 적절한 것은?
- ① 휘도신호(Y): 74.25[MHz], 색차신호(R-Y): 37.125[MHz], 색차신호(B-Y): 37.125[MHz]
- ② 휘도신호(Y): 148.5[MHz], 색차신호(R-Y): 74.25[MHz], 색차신호(B-Y): 74.25[MHz]
- ③ 휘도신호(Y): 13.5[MHz], 색차신호(R-Y): 6.75[MHz], 색차신호(B-Y): 6.75[MHz]
- ④ 휘도신호(Y): 13.5[MHz], 색차신호(R-Y): 13.5[MHz], 색차신호(B-Y): 13.5[MHz]
등록된 댓글이 없습니다.
24. 다음 중 우리나라 아날로그 라디오 방송에 사용하지 않는 주파수대는?
- ① 중파
- ② 단파
- ③ 초단파
- ④ 극초단파
등록된 댓글이 없습니다.
25. 변조방식 중 주파수변조(FM) 방식의 특성이 아닌 것은?
- ① AM 방식보다 레벨 변동의 영향을 많이 받는다.
- ② AM 방식보다 손호대 잡음비(S/N)가 좋다.
- ③ AM 방식에 비하여 넓은 주파수 대역이 필요하다.
- ④ AM 방식에 비하여 잡음이나 혼신에 강하다.
등록된 댓글이 없습니다.
26. 라디오 송신 안테나의 근처에는 강한 전파로 인하여 다른 방송의 수신이 방해를 받게 되는 지역을 무엇이라고 하는가?
- ① 페이딩(Pading) 지역
- ② 블랭킷(Blanket) 지역
- ③ 리전(Region) 지역
- ④ 오버랩(Overlap) 지역
등록된 댓글이 없습니다.
27. 다음 중 수직 귀선시간 0.08H를 [μs]단위로 환산한 값에 가장 근사한 것은?
- ① 3[μs]
- ② 5[μs]
- ③ 7[μs]
- ④ 9[μs]
등록된 댓글이 없습니다.
28. 다음 중 TV의 음성회로에 디엠퍼시스 회로를 넣어 사용하는 목적은?
- ① 저주파 영역의 특성을 보정하기 위하여
- ② 버즈음을 제거하기 위하여
- ③ 고주파 영역의 특성을 보정하기 위하여
- ④ 음성신호를 강하게 하기 위하여
등록된 댓글이 없습니다.
29. 다음 중 위성방송의 특징에 대한 설명으로 거리가 먼 것은?
- ① 위성 DMB 서비스는 L, S밴드로 서비스한다.
- ② 실시간 방송 서비스시 신호 지연이 발생한다.
- ③ Ku 밴드보다 C 밴드에서 강우 감쇄 영향이 크다.
- ④ 정지궤도의 유한성으로 위성 수가 제한된다.
등록된 댓글이 없습니다.
30. 디지털 방송용 위성 전송로의 특징이 아닌 것은?
- ① 넓은 지역을 동시에 서비스할 수 있다.
- ② 광대역 신호를 취급할 수 있다.
- ③ 고스트 방해가 크다.
- ④ 강우에 의한 신호의 감쇠를 받는다.
등록된 댓글이 없습니다.
31. 디지털 유선방송 송수신 정합표준은 어떤 방식을 기본으로 제정되었는가?
- ① NTSC
- ② ATSC
- ③ Open Cable
- ④ Packet Cable
등록된 댓글이 없습니다.
32. CATV 시스템 중 헤드엔드 설비에 속하지 않는 것은?
- ① 위성방송 재송신시설
- ② 자체방송시설
- ③ 중계시설
- ④ 모니터 및 제어시설
등록된 댓글이 없습니다.
33. HFC(Hybrid Fiber Coaxial)에 대한 설명으로 바른 것은?
- ① 광케이블로 구성된 유선 방송망을 말한다.
- ② 방송국에서 가입자까지의 선로는 동축케이블로 연결된다.
- ③ 광케이블과 동축케이블이 혼합된 선로를 말한다.
- ④ 광분배점에서 가입자 댁까지는 광케이블을 사용한다.
등록된 댓글이 없습니다.
34. TV 자막방송 방식으로 라인21 시스템에 대한 설명으로 맞지 않는 것은?
- ① 1초에 60글자의 속도로 전송한다.
- ② 각 가정의 VCR로 녹화, 재생이 가능하다.
- ③ 청각 장애인용으로 개발된 시스템이다.
- ④ 방송국가는 영국, 호주 등이 있다.
등록된 댓글이 없습니다.
35. 데이터 방송의 특성이 아닌 것은?
- ① 제한적 지역 서비스
- ② 단방향/양방향 모두 가능
- ③ 이용자 요구의 콘텐츠 제공
- ④ 최신 자료의 누적
등록된 댓글이 없습니다.
36. 다음은 재난방송의 특성 및 역할에 대한 설명이다. 틀린 것은?
- ① 재난방송은 휴머니즘에 기초를 둔 인명중시사상에 가장 중심적인 가치를 두고 있다.
- ② 방송사에도 재난발생시 보도기관임과 동시에 국가 방재기관으로 어느 공공기관보다도 책임과 역 이 중대하다.
- ③ 공영방송인 KBS의 경우 수신료에 의해서 운영되기 때문에 이러한 막강한 소구력으로 시청자에 대한 공적의무를 다해야 한다.
- ④ 공영방송을 제외함 매체는 재난방송의 매체가 아니기 때문에 재난방송의 기능 중 보도기능, 방재기능, 부흥기능면에서 다소 약하다.
등록된 댓글이 없습니다.
37. 영상신호의 DG(Differential Gain) 측정으로 Modulated 5-Stairstep 신호에서 모든 Burst가 40[IRE]이고, 가장 높은 Step Burst가 38[IRE]이다. 몇 [%]가 되는가?
- ① 5[%]
- ② -5.26[%]
- ③ 3.26[%]
- ④ 5.26[%]
등록된 댓글이 없습니다.
38. 다음 중 공진회로 이외의 다른 회로가 원인이 되어 목적 이외의 다른 주파수 성분이 정궤환에 의해 발진되는 현상은?
- ① 기생발진
- ② 궤환발진
- ③ 공진발진
- ④ 여진발진
등록된 댓글이 없습니다.
39. 다음 중 웨이브폼 모니터에서 확인할 수 없는 것은?
- ① 크로미넌스 위상
- ② 크로미넌스 레벨
- ③ 휘도 레벨
- ④ 동기 신호
등록된 댓글이 없습니다.
40. 다음 중 ATSC 방식의 DTV 송신기의 구성요소가 아닌 것은?
- ① R/S Encoder
- ② CIN diplexer
- ③ Data Interleaver
- ④ Trellis Encoder
등록된 댓글이 없습니다.
3과목 : 방송미디어 공학
41. 국내 FM 방송의 주파수대역은 얼마인가?
- ① 75[MHz]~99[MHz]
- ② 80[MHz]~100[MHz]
- ③ 88[MHz]~108[MHz]
- ④ 90[MHz]~110[MHz]
등록된 댓글이 없습니다.
42. FM 대역에서 디지털 라디오 방송을 위한 주요 전송방식의 종류에 속하지 않는 것은?
- ① DRM
- ② IBOC
- ③ Eureka-147
- ④ DVB-T
등록된 댓글이 없습니다.
43. NTSC 영상신호를 디지털로 변환한 Composite Digital Video 신호의 샘플링주파수로 가장 적절한 것은?
- ① 14.3[MHz]
- ② 27[MHz]
- ③ 6.25[MHz]
- ④ 6[MHz]
등록된 댓글이 없습니다.
44. 지상파 방송시스템에서 갖추어야 될 필수 설비로 볼 수 없는 것은?
- ① 송ㆍ수신 설비
- ② 프로그램제작 설비
- ③ 편집 설비
- ④ 수신제한 설비
등록된 댓글이 없습니다.
45. 다음 중 Doppler 효과를 바르게 설명한 것은?
- ① 주파수가 조금 다른 두 소리가 겹쳐졌을 때, 두 소리가 서로 간섭하여 또 다른 주파수를 발생하며 주기적으로 강약을 되풀이 하는 현상
- ② 파동원과 관측자가 상대적으로 운동할 때 진동수가 정지해 있을 때와 다르게 관측되는 현상
- ③ 음파의 압력으로 어떤 물체가 그 음파와 동일한 진동수의 소리를 내는 현상
- ④ 어떤 물체에 음파가 부딪쳤다가 되돌아오거나 진행방향이 변하는 현상
등록된 댓글이 없습니다.
46. 다음 중 유럽 지역에서 광범위하게 사용되는 디지털 방식의 이동전화 접속방식은 무엇인가?
- ① CDMA
- ② GSM
- ③ CDMA2000
- ④ FDMA
등록된 댓글이 없습니다.
47. 다음 중 디지털 음향분야에서 주로 사용하는 표준 샘플링(Sampling) 주파수와 거리가 먼 것은?
- ① 32[kHz]
- ② 44.1[kHz]
- ③ 48[kHz]
- ④ 86[kHz]
등록된 댓글이 없습니다.
48. NTSC 방식에서 색신호인 I 신호 EI와 Q 신호 EQ의 대역폭을 각각 바르게 설명한 것은?
- ① EI : 1.2[MHz], EQ : 0.2[MHz]
- ② EI : 1.3[MHz], EQ : 0.3[MHz]
- ③ EI : 1.4[MHz], EQ : 0.4[MHz]
- ④ EI : 1.5[MHz], EQ : 0.5[MHz]
등록된 댓글이 없습니다.
49. 다음 중 색의 3요소로 적합한 것은?
- ① 밝기, 크기, 색조
- ② 밝기, 채도, 크기
- ③ 조도, 채도, 색조
- ④ 밝기, 채도, 색조
등록된 댓글이 없습니다.
50. NTSC 방식에서 휘도신호는 컬러(color) 카메라로부터 원색신호를 어떻게 혼합하여 만드는가?
- ① Ey = 0.11ER +0.59EG +0.30EB
- ② Ey = 0.11ER +0.30EG +0.59EB
- ③ Ey = 0.30ER +0.11EG +0.59EB
- ④ Ey = 0.30ER +0.59EG +0.11EB
등록된 댓글이 없습니다.
51. 다음 중 사람이 직접 교체하지 않아도 원격 조작에 의해 다양한 색상의 컬러 필터를 교체하여 다양한 색상의 조명을 구현하는 전기식 장치를 지칭하는 용어는?
- ① 고보 로테이터(gobo rotator)
- ② 빔 벤더(beam bender)
- ③ 컬러 스크롤러(color scroller)
- ④ 매트 박스(matte box)
등록된 댓글이 없습니다.
52. 광량을 조정하기 위해 렌즈의 F-stop 수치를 F/2.8에서 F/5.6으로 증가시키면 광량은 몇 배 증가하는가?
- ① 2배
- ② 4배
- ③ 8배
- ④ 16배
등록된 댓글이 없습니다.
53. 다음의 오디오 효과기의 기능 중에서 주파수 영역을 변화시키는 것은 무엇인가?
- ① Equalizer
- ② Limiter
- ③ Digital Delay
- ④ Compressor
등록된 댓글이 없습니다.
54. 다음 중 디지털 방송의 송신과정으로 가장 적절한 것은?
- ① 프로그램 정보의 압축부호화 → 복수정보의 다중화 → 정정부호의 부가 → 디지털 변조
- ② 복수정보의 다중화 → 프로그램 정보의 압축부호화 → 정정부호의 부가 → 디지털 변조
- ③ 정정부호의 부가 → 프로그램 정보의 압축부호화 → 복수정보의 다중화 → 디지털 변조
- ④ 프로그램 정보의 압축부호화 → 복수정보의 다중화 → 디지털 변조 → 정정부호의 부가
등록된 댓글이 없습니다.
55. 다음 저장 미디어 중 저장 매체의 형태가 다른 하나는?
- ① CD-R
- ② DVD
- ③ Blu-ray
- ④ DAT
등록된 댓글이 없습니다.
56. 다음 중 우리나라의 위성 DMB 사업자와 가장 관련 깊은 것은?
- ① KT
- ② TU 미디어
- ③ U1
- ④ LG 유플러스
등록된 댓글이 없습니다.
57. 비디오나 애니메이션 데이터 파일의 저장 포맷이 아닌 것은?
- ① JPEG
- ② MPEG
- ③ AVI
- ④ FLC
등록된 댓글이 없습니다.
58. 다음 중 양자화를 가장 잘 표현한 것은?
- ① 샘플링 주파수의 선정
- ② 샘플링 된 신호를 디지털 양으로 표시
- ③ 디지털 신호의 아날로그화
- ④ 원신호의 디지털 코드화
등록된 댓글이 없습니다.
59. 다음 중 국내 지상파 디지털 TV 방송의 오디오 압축방식 규격으로 적절한 것은?
- ① QPSK
- ② MPEG-3
- ③ Dolby AC-3
- ④ 8-VSB
등록된 댓글이 없습니다.
60. 우리나라에서 시판되는 DVD(Digital Video Disk)에서 적용되는 일반적인 음성 및 영상 압축 방식으로 가장 적절하게 짝지어진 것은?
- ① AC-3, MPEG II
- ② MP3, AVI
- ③ QCELP, MPEG IV
- ④ EVRC, JPEG
등록된 댓글이 없습니다.
4과목 : 방송통신 시스템
61. 국내 지상파 아날로그 텔레비전 방송에 널리 사용되는 변조방식은?
- ① VSB 방식
- ② SSB 방식
- ③ DSB 방식
- ④ 8-VSB 방식
등록된 댓글이 없습니다.
62. 어떤 신호가 0~25[kHz]로 주파수 대역이 제한되어 있을 때, 나이퀴스트율을 만족하는 최소 표본화 주기는 얼마인가?
- ① 20[μs]
- ② 30[μs]
- ③ 40[μs]
- ④ 45[μs]
등록된 댓글이 없습니다.
63. 다음 중 아날로그 변조방식이 아닌 것은?
- ① 주파수변조 방식
- ② 위상변조 방식
- ③ 펄스변조 방식
- ④ 진폭변조 방식
등록된 댓글이 없습니다.
64. 아래의 그림은 DAB(Digital Audio Broadcasting) 송신 설비의 내부 구조 중 일부이다. 다음 중 빈칸에 들어갈 기능으로 옳은 것은?

- ① 부호화기(Encoder)
- ② 역다중화기(Demultiplexer)
- ③ 변조기(Modulator)
- ④ 복조기(Demodulator)
등록된 댓글이 없습니다.
65. 다음 중 라디오 방송시스템에 속하지 않는 것은?
- ① 마이크
- ② 믹서
- ③ 송신기
- ④ 조명장치
등록된 댓글이 없습니다.
66. FM 스테레오 방송의 원리로 적합하지 않은 것은?
- ① L 채널과 R 채널을 합한 L+R 신호를 주신호로 한다.
- ② L 채널과 R 채널의 차 L-R 신호를 부채널로 한다.
- ③ 부반송파와 19[kHz]의 파일럿 신호를 하나의 전파로 송신한다.
- ④ 수신부에서 L 채널과 R 채널을 함께 증폭한 후 수신한다.
등록된 댓글이 없습니다.
67. 우리나라 지상파 아날로그 텔레비전 방송에서 음성신호의 변조방식은?
- ① 주파수변조
- ② 진폭변조
- ③ 위상변조
- ④ 디지털변조
등록된 댓글이 없습니다.
68. 지상파 DTV 전송특징이 아닌 것은?
- ① 적절한 에러정정부호 방식을 채용함으로써 스튜디오와 동일한 화질과 음성을 보장한다.
- ② 에러정정부호 방식을 사용하기 때문에 S/N비가 커서 데이터 복원 가능하여 송신전력 효율이 낮다.
- ③ 압축기술과 디지털 전송기술 발전으로 한정된 대역폭에서 영상, 음성, 데이터 등을 고품질로 전송이 가능하다.
- ④ 아날로그와 달리 데이터를 Randomizer하고 캐리어를 억압하여 전송하므로 에너지 집중화를 막을 수 있어 상호간섭이 적다.
등록된 댓글이 없습니다.
69. 다음 아날로그(NTSC) 영상 신호 중 수평동기신호의 레벨은 얼마인가?

- ① 0[IRE]
- ② -10[IRE]
- ③ -20[IRE]
- ④ -40[IRE]
등록된 댓글이 없습니다.
70. 다음 중 CATV 시스템에서 Head end 의 주요 기능으로 옳지 않은 것은?
- ① 변복조 기능
- ② 감시제어 기능
- ③ 자체방송 송신 기능
- ④ 중계전송 기능
등록된 댓글이 없습니다.
71. 텔레비전 송신설비 중 VHF 송신 안테나의 종류로 슬롯 안테나(slot antenna)계에 해당되는 것은?
- ① 야기 안테나
- ② 쌍루프 안테나
- ③ 진행파형 안테나
- ④ 다소자 ring antenna
등록된 댓글이 없습니다.
72. 광섬유 케이블의 전송특성은 광섬유의 손실과 밀접한 관계가 있다. 다음 중 광섬유 손실에 해당하지 않는 것은?
- ① 산란손실
- ② 흡수손실
- ③ 접속손실
- ④ 차폐손실
등록된 댓글이 없습니다.
73. 다음 중 무궁화위성에서 적용하는 TV 방송의 변조방식으로 옳은 것은?
- ① 8VSB
- ② 16VSB
- ③ MPEG-2
- ④ QPSK
등록된 댓글이 없습니다.
74. 다음 중 디지털 위성방송 송신시스템의구성요소가 아닌 것은?
- ① MPEG-2 인코더
- ② 다중화기
- ③ 등화기
- ④ 저잡음증폭기
등록된 댓글이 없습니다.
75. 다음 중 국내 무궁화위성 3호 방송용 중계기의 대역폭으로 옳은 것은?
- ① 24[MHz]
- ② 27[MHz]
- ③ 32[MHz]
- ④ 36[MHz]
등록된 댓글이 없습니다.
76. 위성 DMB 서비스에서 오디오 신호의 압축기본 알고리즘은 어떤 방식을 사용하는가?
- ① ISO/IEC 13818-3(MPEG-2 Audio Layer II)
- ② ISO/IEC 11172-3(MPEG-1 Audio Layer II)
- ③ ISO/IEC 14496-10(MPEG-4 Part 10) | ITU-T Rec. H.264 Baseline Profile@L1.3
- ④ ISO/IEC 13818-7(MPEG-2 AAC) +SBR 방식
등록된 댓글이 없습니다.
77. 위성 DMB 서비스 관련하여 위성은 DMB 주파수인 S밴드를 통해 지상의 단말기로 신호를 전송하는데, 이때 S밴드의 주파수는 얼마인가?
- ① 1.630 ~ 2.655[GHz]
- ② 1.232 ~ 1.568[GHz]
- ③ 13.824 ~ 13.883[GHz]
- ④ 12.214 ~ 12.239[GHz]
등록된 댓글이 없습니다.
78. 다음 설명에 해당되는 장비는?

- ① 오실로스코프(Oscilloscope)
- ② DVMCI(Digital Video Media Control Interface)
- ③ 벡터 스코프(Vector Scope)
- ④ 벡터 모니터(Vector Monitor)
등록된 댓글이 없습니다.
79. 낙뢰나 전력설비의 누설에 의한 옥외의 선로 계통에 생긴 이상전압의 진입을 막고 옥내의 전력 계통으로부터 누설된 전력이 CATV 시설로 유출되는 것을 방지하기 위해 보안기를 설치한다. 보안기 설치 위치가 맞는 것은?
- ① CATV의 내선설비와 가입자댁내 설비 사이
- ② CATV의 외선설비와 가입자댁내 설비 사이
- ③ CATV의 외선설비와 CATV의 내선설비 사이
- ④ CATV의 전원공급기
등록된 댓글이 없습니다.
80. 다음은 케이블의 종류 및 전송속도를 나타낸 것이다. 이 중 동축케이블에 해당하는 것은?
- ① 10 Base T
- ② 10 Base FL
- ③ 10 Base 2
- ④ 10 Base T2
등록된 댓글이 없습니다.
5과목 : 전자계산기 일반 및 방송설비기준
81. 다음 중 중앙처리장치(CPU)에 대한 설명 중 올바르지 않은 것은?
- ① 인간의 두뇌에 해당하는 역할을 수행하는 장치이다.
- ② 각종 프로그램을 해독한 내용에 따라 실제 연산을 수행한다.
- ③ 연산장치와 기억장치로 구성된다.
- ④ 컴퓨터 내의 각 장치들을 제어, 지시, 감독하는 기능을 수행한다.
등록된 댓글이 없습니다.
82. 다음 중 DMA(Direct Memory Access) 제어 방식에 대한 설명 중 틀린 것은?
- ① DMA 장치가 입출력 동작을 수행할 때 CPU는 주프로그램을 수행하므로 입출력 전송에 따른 CPU의 부하를 줄일 수 있다.
- ② DMA 장치는 블록으로 대용량의 데이터를 전송할 수 있다.
- ③ 직접 제어 방식보다는 고속으로 데이터 전송을 할 수 있다.
- ④ DMA 장치와 CPU가 주기억장치를 동시에 사용할 때는 DMA 장치의 우선순위가 낮으므로 CPU가 주기억장치를 접근하며, 이 경우 DMA 장치의 동작은 중지된다.
등록된 댓글이 없습니다.
83. 다음 중 페이징(Paging) 기법에 대한 설명으로 바르지 않은 것은?
- ① 가상 기억장치 관리 기법의 하나이다.
- ② 기억장소를 일정한 블록 크기의 단위로 분할하여 사용하는 방법이다.
- ③ 페이지의 크기가 클수록 기억 공간의 낭비가 적어진다.
- ④ 페이지의 크기가 작을수록 페이지 테이블의 공간이 더 많이 필요하다.
등록된 댓글이 없습니다.
84. 하나의 프로세스가 자주 참조하는 페이지들의 집합을 무엇이라고 하는가?
- ① 페이징(Paging)
- ② 에이징(Ageing)
- ③ 워킹 셋(Working Set)
- ④ 스래싱(Thrashing)
등록된 댓글이 없습니다.
85. 마이크로컴퓨터의 구성 요소가 아닌 것은?
- ① 마이크로프로세서
- ② 입력장치
- ③ 출력장치
- ④ Modem
등록된 댓글이 없습니다.
86. 다음 중 자기디스크의 구성 요소가 아닌 것은?
- ① 읽기 쓰기 헤더(Read Write Head)
- ② 실린더(Cylinder)
- ③ 기록 층(Recording layer)
- ④ 액세스 암(Access Arm)
등록된 댓글이 없습니다.
87. 광 채널 SAN에서 IP-SAN으로 이전하기 위하여 제안된 IP 스토리지 프로토콜에 속하지 않는 것 ?
- ① FCIP(Fibre Channel over IP)
- ② iFCP(Internet Fibre Channel Protocol)
- ③ iSCSI(Internet SCSI)
- ④ ICMP(Internet Control Message Protocol
등록된 댓글이 없습니다.
88. 인터넷과 같은 공중 네트워크를 마치 전용회선처럼 사용하여 사설 네트워크에서 요구하는 서비스를 제공하는 기술 및 네트워크를 말하는 것은?
- ① VPN
- ② ISDN
- ③ VAN
- ④ PSDN
등록된 댓글이 없습니다.
89. 다음 중 UDP 프로토콜의 특징이 아닌 것은?
- ① 비연결 지향형(Connectionless) 프로토콜이다.
- ② 순차적인 전송을 보장한다.
- ③ 데이터 전송 후 확인(Acknowledgements) 과정이 없다.
- ④ 흐름제어가 없다.
등록된 댓글이 없습니다.
90. 다음 중 가상 회선(Virtual Circuit) 방식의 특징 중 옳지 않은 것은?
- ① 패킷교환 방식(Packet Switching)의 한 종류이다.
- ② 송신지에서 수신지로 패킷을 보내기 전에 전달될 패킷이 이용할 경로를 미리 예약한다.
- ③ 모든 패킷의 송수신 순서가 네트워크 내에서 동일하게 유지된다.
- ④ 네트워크 내에서 장애가 발생하면 패킷 별로 상이한 경로를 채택한다.
등록된 댓글이 없습니다.
91. 유선방송의 “수신설비”에 대한 설명으로 가장 적합한 것은?
- ① 입력신호 에너지를 간선에서 지선으로 불균등하게 분리시키는 장치를 말한다.
- ② 유선방송을 수신하기 위하여 수신자가 구내에 설치하는 선로, 관로, 증폭기 등을 말한다.
- ③ 유선방송을 수신하기 위한 분배기 및 분기기 등을 말한다.
- ④ 유선방송국에서 텔레비전 방송신호를 수신하기 위한 수신안테나, 케이블 및 증폭장치 등을말한다.
등록된 댓글이 없습니다.
92. 종합유선방송사업을 하고자 하는 자는 어느 기관에 허가를 받아야 하는가?
- ① 교육과학기술부
- ② 방송통신위원회
- ③ 문화체육관광부
- ④ 국토해양부
등록된 댓글이 없습니다.
93. 초단파(FM) 방송용 무선설비의 최대 주파수편이는?
- ① ±50[kHz]
- ② ±65[kHz]
- ③ ±70[kHz]
- ④ ±75[kHz]
등록된 댓글이 없습니다.
94. 종합유선방송국시설에서 음성신호의 특성에 해당하지 않는 것은?
- ① 기저대역 주파수는 50[Hz]에서 15[kHz] 범위 이내일 것
- ② 동기레벨은 40±2[IRE] 이내일 것
- ③ 출력의 레벨은 0[dBm]을 기준으로 하여 ±5[dB]이내일 것
- ④ 출력임피던스는 600[Ω] 평형일 것
등록된 댓글이 없습니다.
95. 디지털 유선방송국설비에서 영상신호의 압축방식과 음성신호의 압축방식의 형식은 각각 무엇인가?
- ① 영상신호의 압축방식은 ISO/IEC 13818-2(MPEG-1 Part 2), 음성신호의 압축방식은 AC-3(돌비 디지털 방식)
- ② 영상신호의 압축방식은 ISO/IEC 13818-2(MPEG-2 Part 2), 음성신호의 압축방식은 AC-3(돌비 디지털 방식)
- ③ 영상신호의 압축방식은 ISO/IEC 13818-2(MPEG-3 Part 2), 음성신호의 압축방식은 AC-4(돌비 디지털 방식)
- ④ 영상신호의 압축방식은 ISO/IEC 13818-2(MPEG-4 Part 2), 음성신호의 압축방식은 AC-4(돌비 디지털 방식)
등록된 댓글이 없습니다.
96. 정보통신공사업에서 시ㆍ도지사가 공고하여야 하는 사항이 아닌 것은?
- ① 공사업의 대표자가 파산 선고를 받았을 때
- ② 공사업의 양도 및 법인합병의 신고를 받은 때
- ③ 공사업의 상속으로 대표자가 변경된 때
- ④ 공사업의 등록을 취소하거나 영업의 정지처분을 한 때
등록된 댓글이 없습니다.
97. 가입자 3만 이상의 종합유선방송사업자가 확보하여야 할 종사자의 자격과 인원은?
- ① 전파통신기사, 정보통신산업기사, 통신선로산업기사, 무선설비산업기사, 방송통신산업기사 또는 정보통신기술자(초급이상) 2명 이상
- ② 전파통신기사, 정보통신산업기사, 통신선로산업기사, 무선설비산업기사, 방송통신산업기사 또는 정보통신기술자(초급이상) 1명 이상
- ③ 정보통신산업기사, 통신선로산업기사, 무선설비기능사, 방송통신기능사 또는 통신기기기능사 1명 이상
- ④ 자격 또는 경력인정자 1명 이상
등록된 댓글이 없습니다.
98. 유선방송신호를 증폭ㆍ조정ㆍ변환 및 혼합하여 선로에 전송하는 장치 및 이에 부가된 장치를 무엇이라 하는가?
- ① 유선방송국설비
- ② 전송선로설비
- ③ 주 전송장치
- ④ 수신설비
등록된 댓글이 없습니다.
99. 종합유선방송 국내전송선로설비에서 동축케이블의 절연저항은 얼마인가?
- ① 1[MΩ/km] 이상
- ② 10[MΩ/km] 이상
- ③ 100[MΩ/km] 이상
- ④ 1000[MΩ/km] 이상
등록된 댓글이 없습니다.
100. 종합유선방송 사업자별 시설 중 망사업자(NO) 시설이 아닌 것은?
- ① 광 송ㆍ수신기
- ② 분배센터 설비
- ③ 주 전송설비(H/E)
- ④ 망 감시시스템
등록된 댓글이 없습니다.