9급 지방직 공무원 응용역학개론(2011. 6. 13.) 시험일자 : 2011년 6월 13일
1. 그림과 같은 게르버보에서 지점 A의 휨모멘트[kN⋅m]는? (단, 게르버보의 자중은 무시한다)

- ① -10
- ② -12
- ③ -14
- ④ -16
등록된 댓글이 없습니다.
2. 그림과 같이 양단이 고정된 균일한 단면의 강봉이 온도하중(△T=30℃)을 받고 있다. 강봉의 탄성계수 E=200 GPa, 열팽창 계수 α=1.2×10-6/℃ 일 때, 강봉에 발생하는 응력[MPa]은? (단, 강봉의 자중은 무시한다)

- ① 3.6
- ② 7.2
- ③ 9.6
- ④ 14.4
등록된 댓글이 없습니다.
3. 무게가 W인 구가 그림과 같이 마찰이 없는 두 벽면사이에 놓여있을 때, 반력 R의 크기는? (단, 구의 재질은 균질하며 무게중심은 구의 중앙에 위치한다)

- ① (1/2)W
- ② (√2/2)W
- ③ (√3/2)W
- ④ W
등록된 댓글이 없습니다.
4. 그림과 같은 단순보에서 C점의 처짐은? (단, 단순보의 자중은 무시한다)

- ①

- ②

- ③

- ④

등록된 댓글이 없습니다.
5. 그림과 같은 선분 AB를 Y축을 중심으로 하여 360° 회전 시켰을 때 생기는 표면적[cm2]은?

- ① 30π
- ② 40π
- ③ 50π
- ④ 60π
등록된 댓글이 없습니다.
6. 다음 그림은 동일한 재료인 두 개의 단면으로 이루어진 봉이다. PA=10MN의 힘이 그림과 같이 작용하는 경우, B점의 위치가 움직이지 않기 위한 힘 PB[MN]는? (단, 탄성계수는 100GPa, A점과 B점에 작용하는 힘은 단면 중심에 작용하고, 봉의 자중은 무시한다)

- ① 10
- ② 20
- ③ 5
- ④ 15
등록된 댓글이 없습니다.
7. 그림과 같이 B점에 내부힌지를 배치한 게르버보에서 D점에 소성힌지가 발생하는 경우 작용한 분포하중 w는? (단, 부재 단면의 수직항복응력은 σy이며, 보의 자중은 무시한다)

- ①

- ②

- ③

- ④

등록된 댓글이 없습니다.
8. 그림과 같은 트러스의 내적 부정정 차수는?

- ① 4차
- ② 5차
- ③ 6차
- ④ 7차
등록된 댓글이 없습니다.
9. 그림은 지간 10m인 단순보의 전단력도를 나타내고 있다. 다음의 설명 중 옳지 않은 것은?

- ① 보에 발생하는 최대 휨모멘트의 값은 21 kN⋅m이다.
- ② 지점반력의 크기는 5.8 kN과 4.2 kN이다.
- ③ 보에 발생하는 최대 전단력의 크기는 5.8 kN이다.
- ④ C점에는 집중하중 1.8 kN이 작용하고 있다.
등록된 댓글이 없습니다.
10. 그림과 같이 휨강성 EI, 길이 L인 단순보의 지점 B에 모멘트하중 M0가 작용할 경우, 임의의 점 x에서 단순보의 연직 처짐은 v(x), 곡률은 v''(x)로 표시한다면, 단순보 구간 0<x<L에서 곡률에 대한 처짐의 비 v(x)/v''(x)는? (단, 단순보의 자중, 축변형 및 전단변형은 무시하며, EI값은 일정하다)

- ① (x-L)/2
- ② (x2-L2)/4
- ③ (x2-L2)/6
- ④ (x3-L3)/24
등록된 댓글이 없습니다.
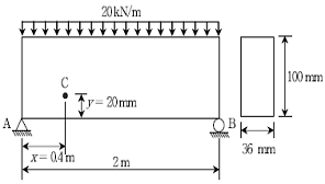
11. 그림과 같이 직사각형 단면을 갖는 단순보내의 C점(x=0.4m, y=20mm)에 작용하는 수직응력 σ[MPa]는? (단, 단순보의 자중은 무시한다)

- ① 42.7
- ② 64
- ③ 106.7
- ④ 128
등록된 댓글이 없습니다.
12. 그림과 같은 봉에 인장력 P가 작용하여 길이방향으로 0.02 m 늘어났고 두께방향으로 0.0003 m 줄어들었을 경우, 이 재료의 포아송 비 ν는? (단, 봉의 자중은 무시한다)

- ① 0.3
- ② 0.4
- ③ 0.5
- ④ 0.6
등록된 댓글이 없습니다.
13. 그림과 같은 정정 라멘 구조물에서 BC 부재에 발생하는 최대 휨모멘트[kN⋅m]는? (단, 라멘 구조물의 자중은 무시한다)

- ① 31.25
- ② 31.5
- ③ 31.75
- ④ 32.0
등록된 댓글이 없습니다.
14. 그림과 같이 간접 하중을 받는 단순보에서 C점의 휨모멘트[N⋅m]는? (단, 모든 보의 자중은 무시한다)

- ① 11
- ② 12
- ③ 13
- ④ 14
등록된 댓글이 없습니다.
15. 그림과 같은 부정정보에서 지점 A의 휨모멘트가 0이 발생할 가능성이 있는 경우는? (단, P와 M은 (+)값을 갖고 보의 자중은 무시한다)

- ①

- ②

- ③

- ④

등록된 댓글이 없습니다.
16. 그림과 같은 기둥에 축방향 하중이 도심축으로 부터 편심 e=100mm 떨어져서 작용할 때 발생하는 최대 압축응력[MPa]은? (단, 기둥은 단주이며 자중은 무시한다)

- ① 1.25
- ② 2.188
- ③ 3.125
- ④ 5
등록된 댓글이 없습니다.
17. 그림과 같이 트러스 A의 내부에 설치되어 있는 경사부재를 트러스 B와 같이 설치할 경우, 옳은 것은?

- ① 트러스 A에서 부재 FG의 부재력은 트러스 B에서 부재 FG의 부재력의 1/2 이다.
- ② 트러스 A에서 부재 AF의 부재력과 트러스 B에서 부재 AF의 부재력은 상이하다.
- ③ 트러스 A에서 부재 FB의 부재력과 트러스 B에서 부재 FB의 부재력은 동일하다.
- ④ 트러스 A에서 부재 BG와 트러스 B에서 부재 FC는 모두 압축부재이다.
등록된 댓글이 없습니다.
18. 두께가 얇은 원통형 압력용기가 10MPa의 내부압력을 받고 있다. 이 압력용기의 바깥지름은 30 cm 이며, 허용응력이 90MPa 일 경우 필요로 하는 최소 두께[mm]는?
- ① 12
- ② 15
- ③ 18
- ④ 20
등록된 댓글이 없습니다.
19. 그림과 같이 단면계수 Z =2 × 106㎣ 인 단순보가 등분포하중 w를 받고 있다. 최대 휨응력(σmax)이 40MPa일 때 등분포하중 w의 크기[kN/m]는? (단, 단순보의 자중은 무시한다)

- ① 10
- ② 20
- ③ 30
- ④ 40
등록된 댓글이 없습니다.
20. 그림과 같은 등분포하중을 받고 있는 양단고정보에서 발생되는 최대 휨응력[MPa]은? (단, 보의 자중은 무시한다)

- ① 1
- ② 8
- ③ 10
- ④ 80
등록된 댓글이 없습니다.