9급 지방직 공무원 전기기기(2012. 5. 12.) 시험일자 : 2012년 5월 12일
1. 단상변압기 2대로 V-V결선하여 3상에서 사용하는 경우, V-V결선의 특징으로 옳지 않은 것은?
- ① 변압기의 이용률이 86.6 [%]로 저하된다.
- ② 유효 출력용량은 △-△결선일 경우의 57.7 [%]로 된다.
- ③ 부하측에 대칭 3상 전압을 공급할 수 있다.
- ④ 다른 결선에 비해 설치 방법이 복잡하다.
등록된 댓글이 없습니다.
2. 직류기의 전기자반작용에 대한 설명으로 옳지 않은 것은?
- ① 전기자 전류 값이 매우 큰 경우는 반작용에 대한 보상을 할 필요가 없다.
- ② 전기자반작용으로 정류자와 브러시의 조기마모를 가져올 수 있다.
- ③ 발전기의 경우 유효공극자속을 감소시켜 출력전압의 크기를 저하하는 원인이 된다.
- ④ 전기자반작용을 보상하기 위하여 보상권선과 보극을 설치한다.
등록된 댓글이 없습니다.
3. 50 [Hz]에 사용되도록 한 변압기를 60 [Hz]의 전원환경에서 사용한다면 자속밀도는 50 [Hz]일 때의 몇 배인가? (단, 주파수를 제외한 모든 조건은 동일하다)
- ① 6/5
- ② 5/6
- ③ (6/5)2
- ④ (5/6)3
등록된 댓글이 없습니다.
4. 변압기의 여자전류와 철손을 측정하기 위하여 실시하는 시험은?
- ① 무부하시험
- ② 단락시험
- ③ 가압시험
- ④ 유도시험
등록된 댓글이 없습니다.
5. 동기기의 안정도를 개선하기 위해 설치하는 것은?
- ① 슬립링과 브러시
- ② 브러시와 전기자 권선
- ③ 제동권선
- ④ 계자권선
등록된 댓글이 없습니다.
6. 4[kVA], 2,000[V]/200[V]의 단상변압기를 2차측으로 환산했을 때 등가 저항은 0.2[Ω], 등가 리액턴스는 0.3[Ω]이다. 이 변압기에 역률 0.8(뒤짐)의 전부하를 걸었을 때, 전압변동률[%]은?
- ① 0.2
- ② 1.6
- ③ 2.8
- ④ 3.4
등록된 댓글이 없습니다.
7. 전기자저항이 0.1[Ω]인 직류 분권발전기의 단자에 부하를 연결하였더니, 단자전압이 200[V], 부하전류가 90[A], 계자전류가 10[A]로 각각 측정되었다. 이 분권발전기의 유기기전력[V]은?
- ① 190
- ② 199
- ③ 201
- ④ 210
등록된 댓글이 없습니다.
8. 교류기에서 고정자 권선의 유기기전력에 대한 설명으로 옳지 않은 것은?
- ① 유기기전력은 고정자 주파수에 비례한다.
- ② 유기기전력은 회전자계의 동기속도에 비례한다.
- ③ 유기기전력은 고정자 극수에 반비례한다.
- ④ 유기기전력은 공극 자속에 비례한다.
등록된 댓글이 없습니다.
9. 정격출력 1,732[kVA], 정격전압 1,000[V]인 3상 동기발전기가 계자전류 500[A]에서 무부하 단자전압 1,000[V]로 측정되었고, 단락전류는 1,250[A]라고 한다. 이 발전기의 백분율 동기 임피던스 [%]는?
- ① 60
- ② 70
- ③ 80
- ④ 90
등록된 댓글이 없습니다.
10. 정지상태에서 2차측 권선에 400[V], 60[Hz]의 상전압이 나타나는 3상 유도전동기가 있다. 이 유도전동기가 어떤 부하 조건에서 회전하고 있을 때 2차측 권선에서는 8[V]의 전압이 측정되었다. 이때 2차측 전압이 갖는 주파수[Hz]는?
- ① 1.2
- ② 6.0
- ③ 12
- ④ 60
등록된 댓글이 없습니다.
11. 380[V]의 입력전압을 갖는 직류 초퍼회로가 저항부하에 전력을 공급하기 위해 일정한 스위칭주파수로 작동되고 있다. 스위치의 온-시간이 15[ms], 오프-시간이 5[ms]일 때, 출력 전압의 평균값[V]은?
- ① 95
- ② 285
- ③ 320
- ④ 507
등록된 댓글이 없습니다.
12. 60[Hz], 6극의 3상 유도전동기가 전부하에서 1,140[rpm]으로 회전하고 있다. 이때 전동기의 슬립[%]은?
- ① 2.5
- ② 3.5
- ③ 5.0
- ④ 7.0
등록된 댓글이 없습니다.
13. 동기전동기를 유도전동기로 기동시키는 경우 유도전동기의 극수를 동기전동기에 비해 통상 2극 정도 적게 한다. 동일 극수로 하면 안 되는 이유로 옳은 것은? (단, Ns는 동기속도, s는 슬립이다)
- ① 유도기가 동기기보다 속도가 sNs만큼 느리므로
- ② 유도기가 동기기보다 속도가 (1-s)Ns만큼 느리므로
- ③ 유도기가 동기기보다 속도가 sNs만큼 빠르므로
- ④ 유도기가 동기기보다 속도가 (1-s)Ns만큼 빠르므로
등록된 댓글이 없습니다.
14. 다음은 전동기의 전류와 회전수의 관계를 나타내고 있다. 이 중 직류 직권전동기의 특성을 나타내는 곡선은?

- ① ⓐ
- ② ⓑ
- ③ ⓒ
- ④ ⓓ
등록된 댓글이 없습니다.
15. 직류 타여자전동기에서 토크 T를 나타낸 관계로 옳은 것은? (단, 자속은 Φ, 전기자 전류는 Ia, 회전속도는 N이다)
- ① T∝IaΦN
- ② T∝IaN
- ③ T∝ΦN
- ④ T∝IaΦ
등록된 댓글이 없습니다.
16. 정격용량 30[kW], 6극, 60[Hz]의 3상 권선형 유도전동기가 1,164[rpm]에서 어떤 2차 총 저항으로 운전 중에 있다. 부하토크를 일정하게 유지한 상태에서 2차 총 저항을 5배로 증가시켰을 때 가장 근접한 회전수[rpm]는?
- ① 960
- ② 1,020
- ③ 1,080
- ④ 1,140
등록된 댓글이 없습니다.
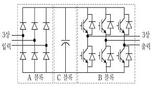
17. 다음과 같은 교류전동기의 가변속 구동시스템에서 전력회로에 대한 설명으로 옳지 않은 것은?

- ① A 블록은 전파정류기로서 직류측 리플성분의 주파수는 전원 주파수의 2배이다.
- ② B 블록은 직류입력을 교류로 변환 출력하는 인버터를 나타낸다.
- ③ C 블록은 정류기 출력전압을 평활화하기 위한 필터를 나타낸다.
- ④ B 블록은 구형파구동방식 및 PWM방식 등의 방법으로 제어할 수 있다.
등록된 댓글이 없습니다.
18. 가변전압-가변주파수 인버터(Variable Voltage-Variable Frequency Inverter)를 사용하여 가변속 운전이 가능하지 않은 전동기는?
- ① 농형 유도전동기
- ② 권선형 유도전동기
- ③ 직류전동기
- ④ 동기전동기
등록된 댓글이 없습니다.
19. 60[Hz]의 교류전압 또는 일정한 직류전압의 어느 조건에서도 전전압기동방식으로 기동이 불가능한 전동기는?
- ① 영구자석형 동기전동기
- ② 3상 유도전동기
- ③ 직류 분권전동기
- ④ 직류 직권전동기
등록된 댓글이 없습니다.
20. 동기기에 대한 설명으로 옳지 않은 것은?
- ① 회전자에는 저속용 돌극형과 고속용 원통형의 유형이 있다.
- ② 동기기는 회전자와 고정자가 모두 여자되는 기기이다.
- ③ 동기기의 계자는 교류로 여자해야 한다.
- ④ 역률 개선을 위하여 동기전동기를 사용할 수 있다.
등록된 댓글이 없습니다.