9급 지방직 공무원 전기기기(2010. 5. 22.) 시험일자 : 2010년 5월 22일
1. 100 [kVA] 단상 변압기의 철손이 1.2 [kW], 전부하 동손이 2.4 [kW]일 때 변압기의 최대 효율은 몇 배의 전부하에서 나타나는가?
- ① 1/2
- ② 1/√2
- ③ 2
- ④ √2
등록된 댓글이 없습니다.
2. 유도전동기에 관한 설명으로 옳지 않은 것은?
- ① 회전자저항이 크면 정격 운전시 슬립이 작다.
- ② 회전자저항의 크기는 최대 토크와 무관하다.
- ③ 이중농형 유도전동기의 기동 토크는 범용 유도전동기의 기동 토크보다 크다.
- ④ 전원 주파수를 가변하면 유도전동기의 속도를 가변할 수 있다.
등록된 댓글이 없습니다.
3. 타여자 직류전동기의 속도제어방식에 관한 설명으로 옳지 않은 것은?
- ① 전기자 전압 제어를 통해 전동기 속도를 제어한다.
- ② 전기자에 직렬 삽입된 가변저항을 통한 속도제어방식은 운전시 효율이 좋다.
- ③ 계자 제어를 통해 전동기 속도를 제어한다.
- ④ 전기자 전압을 제어하기 위해 초퍼나 위상제어 정류기를 사용한다.
등록된 댓글이 없습니다.
4. 외분권 가동 복권 발전기의 전기자 권선저항은 0.08 [Ω], 직권계자 권선저항은 0.02 [Ω], 분권계자 권선저항은 200 [Ω]이다. 부하전류가 48.5 [A]이고, 단자전압이 300 [V]일 때, 유도 기전력[V]은? (단, 전기자반작용에 의한 전압 강하와 브러시의 접촉에 의한 전압 강하는 무시한다)
- ① 295
- ② 297
- ③ 303
- ④ 305
등록된 댓글이 없습니다.
5. 동기전동기를 역률 1인 상태에서 운전하고 있다. 이 때 계자전류를 변동시킴에 따른 전기자전류와 무효전력에 대한 설명으로 옳지 않은 것은?
- ① 계자전류를 증가시키면 진상 무효전력이 증가한다.
- ② 계자전류를 증가시키면 전기자전류가 증가한다.
- ③ 계자전류를 감소시키면 지상 무효전력이 증가한다.
- ④ 계자전류를 감소시키면 전기자전류가 감소한다.
등록된 댓글이 없습니다.
6. 일정토크부하를 구동하고 있는 분권전동기의 분권계자회로에 직렬로 저항을 삽입하여 전동기의 과도적 변화를 나타낸 다음 그림 중 전기자전류의 변화를 나타내는 것은? (단, t1은 저항 입력 시점, t2는 정상 상태 시점이다)
- ①

- ②

- ③

- ④

등록된 댓글이 없습니다.
7. 단자전압 300 [V], 전기자저항 0.5 [Ω]의 직류 분권전동기가 있다. 전부하일 경우 전기자전류 50 [A]가 흐른다. 이 전동기의 기동전류를 정격전류의 200%로 제한하려면 기동저항[Ω]은?
- ① 2
- ② 2.5
- ③ 3
- ④ 3.5
등록된 댓글이 없습니다.
8. 회전자 입력 10 [kW], 슬립 4 [%]인 3상 유도전동기의 2차 동손[kW]은?
- ① 8
- ② 0.8
- ③ 4
- ④ 0.4
등록된 댓글이 없습니다.
9. 60 [Hz], 12극, 회전자 주변의 속도가 125 [m/s]인 동기기의 회전자 직경[m]은?
- ① 3
- ② 4
- ③ 5
- ④ 6
등록된 댓글이 없습니다.
10. 단상 변압기의 2차 무부하 전압이 220 [V]이고 정격 부하시의 2차 단자 전압이 210 [V]이다. 전압 변동률[%]은?
- ① 4.34
- ② 4.54
- ③ 4.76
- ④ 4.96
등록된 댓글이 없습니다.
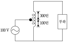
11. 다음 그림과 같은 단권변압기에서 부하에 인가되는 교류전압[V]은?

- ① 100
- ② 200
- ③ 300
- ④ 400
등록된 댓글이 없습니다.
12. 2차 저항이 0.02 [Ω]이고 슬립 s=1에서 2차 리액턴스가 0.05 [Ω]인 3상 유도전동기가 있다. 슬립 s=0.05일 때 10 [A]의 1차 부하 전류가 흐른다면 기계적 출력[kW]은? (단, 권수비는 10, 상수비는 1이다)
- ① 9.2
- ② 11.4
- ③ 13.6
- ④ 15.8
등록된 댓글이 없습니다.
13. 220 [V], 50 [Hz], 8극, 정격출력 480 [kW]인 3상 유도전동기의 회전수가 720 [rpm]일 때 2차 입력[kW]은? (단, 마찰손은 무시한다)
- ① 468
- ② 472
- ③ 500
- ④ 520
등록된 댓글이 없습니다.
14. 발전소에서 권선비가 a : 1인 3대의 단상 변압기를 Y-△로 결선하여 송전하려고 한다. 1차 단자전압을 (선간)V1, 1차 선전류를 I1이라 할 때, 2차 단자전압 V2와 2차 선전류 I2는?
- ①

- ②

- ③

- ④

등록된 댓글이 없습니다.
15. 60 [Hz], 4극 권선형 유도전동기가 전부하로 운전중일 때 전부하 속도는 1,600 [rpm]이다. 2차회로의 저항을 2배로 할 경우 전부하 속도[rpm]는?
- ① 1,400
- ② 1,500
- ③ 1,600
- ④ 1,700
등록된 댓글이 없습니다.
16. 동기기의 전기자 저항을 r, 반작용 리액턴스를 Xa, 누설 리액턴스를 Xl이라 하면 동기 임피던스는?
- ①

- ②

- ③

- ④

등록된 댓글이 없습니다.
17. 전동기 구동시스템에 대한 설명으로 옳지 않은 것은?
- ① 펌프(pump)를 구동하는 전동기 출력은 회전속도의 제곱에 비례한다.
- ② 회전형 전동기의 출력은 토크와 각속도의 곱으로 표현된다.
- ③ 선형 전동기(linear motor)의 출력은 추진력과 속도의 곱으로 표현된다.
- ④ 고속 엘리베이터, 전기자동차를 구동하는 전동기는 4상한 운전이 가능하다.
등록된 댓글이 없습니다.
18. IGBT와 MOSFET에 대한 설명으로 옳지 않은 것은?
- ① IGBT와 MOSFET의 게이트 신호는 모두 전류형이다.
- ② IGBT와 MOSFET은 게이트 신호로 소자를 직접 온/오프 할 수 있다.
- ③ IGBT와 MOSFET은 전압원 인버터, 초퍼 등에 사용된다.
- ④ MOSFET은 IGBT보다 스위칭 동작 속도가 빠르다.
등록된 댓글이 없습니다.
19. 단상 다이오드 전파 정류회로에서 직류 전압 200 [V]를 얻는 데 필요한 입력 교류전압[V]은? (단, 부하는 순저항이고 정류기의 전압강하는 20 [V]로 한다)
- ① (55√2)/π
- ② (110√2)/π
- ③ 55√2 π
- ④ 110√2 π
등록된 댓글이 없습니다.
20. 스위칭 주파수 1 [kHz], DC 입력전압이 200 [V]인 초퍼로, 정격 전압 150 [V]인 전동기를 구동하려고 한다. 온-타임[ms]과 오프-타임[ms]을 구하면?
- ① 온-타임[ms]: 1.0, 오프-타임[ms]: 1.0
- ② 온-타임[ms]: 0.5, 오프-타임[ms]: 0.5
- ③ 온-타임[ms]: 0.5, 오프-타임[ms]: 0.75
- ④ 온-타임[ms]: 0.75, 오프-타임[ms]: 0.25
등록된 댓글이 없습니다.