9급 지방직 공무원 전기이론(2011. 6. 13.) 시험일자 : 2011년 6월 13일
1. 500 [W]의 전열기를 사용하여 20 [℃]의 물 1.0 [Kg]을 10분간 가열하면 물의 온도[℃]는? (단, 전열기의 에너지 변환 효율은 100%로 가정한다)
- ① 62
- ② 72
- ③ 82
- ④ 92
등록된 댓글이 없습니다.
2. i(t)=2.0 t +2.0 [A]의 전류가 시간 0≤t≤60[sec] 동안 도선에 흘렀다면, 이 때 도선의 한 단면을 통과한 총전하량[C]은?
- ① 4
- ② 122
- ③ 3,600
- ④ 3,720
등록된 댓글이 없습니다.
3. 폐로전류 I1, I2를 아래 그림과 같이 설정하고 연립방정식을 다음과 같이 세웠을 때, a21과 a22의 값은?

- ① a21: 5, a22: 12
- ② a21: 5, a22: -12
- ③ a21: -5, a22: 12
- ④ a21: -5, a22: -12
등록된 댓글이 없습니다.
4. 공기 중 2개의 점전하 간에 5.00[N]의 힘이 작용하고 있다. 두 점전하 사이의 거리를 2배로 하였을 때 작용하는 힘[N]은?
- ① 1.25
- ② 2.50
- ③ 10.00
- ④ 20.00
등록된 댓글이 없습니다.
5. 다음 전기회로도에서 Vo의 전압[V]은?

- ① Vo=1
- ② Vo=2
- ③ Vo=4
- ④ Vo=8
등록된 댓글이 없습니다.
6. 다음 전기회로도에서 저항 R에 흐르는 실효치 전류[A]는? (단, v(t)의 실효치는 100 [V]이다)

- ① 0.2
- ② 0.5
- ③ 1
- ④ 2
등록된 댓글이 없습니다.
7. 자극 자하량 2.0[Wb], 길이 30[cm]인 막대자석이 300[AT/m]의 평등 자장 안에 자장의 방향과 30°의 각도로 놓여 있을 때 자석이 받는 토크[Nm]는?
- ① 90
- ② 120
- ③ 150
- ④ 180
등록된 댓글이 없습니다.
8. 전계의 세기가 50.0[kV/m]이고 비유전율이 8.00인 유전체 내의 전속밀도[C/m2]는?
- ① 8.85 × 10-6
- ② 7.08 × 10-6
- ③ 4.42 × 10-6
- ④ 3.54 × 10-6
등록된 댓글이 없습니다.
9. 변전소 내의 보조전동기에 다음과 같은 전압 v(t)와 전류 i(t)가 인가되었을 때 소비되고 있는 유효전력[W]과 역률은?

- ① 유효전력: 1,100, 역률: 1/2
- ② 유효전력: 550, 역률: 1/2
- ③ 유효전력: 550, 역률: √3/2
- ④ 유효전력: 1,100, 역률: √3/2
등록된 댓글이 없습니다.
10. 최대치가 100[V], 주파수 60[Hz], 초기위상이 30°인 전압이 RLC 회로에 입력되고 있다. 이 회로의 임피던스가 10+j10[Ω]일 때 순시치 전류[A]는?
- ① 10cos(377t+15°)
- ② 10cos(377t-15°)
- ③

- ④

등록된 댓글이 없습니다.
11. 전원과 부하가 모두 델타 결선된 3상 평형회로에서 각 상의 전원 전압이 220[V], 부하 임피던스가 8.0+j6.0[Ω]인 경우 선전류[A]는?
- ① 22√2
- ② 22
- ③ 22√3
- ④ 66
등록된 댓글이 없습니다.
12. 정격전압 100[V], 정격전력 500[W]인 다리미에 t=0인 순간에 v(t)=100√2sin(2πft+30°)[V]의 전압을 인가하였다. t=1/60초에서 순시전류[A]의 크기는? (단, 주파수 f=60[Hz]이고, 다리미는 순저항 부하로 가정한다)
- ① 5/2
- ② (5√2)/2
- ③ 5
- ④ 5√2
등록된 댓글이 없습니다.
13. 정격 100 [kVA] 단상 변압기 3대를 △-△결선으로 운전하던 중 1대의 고장으로 V-V결선하여 계속 3상 전력을 공급하려 한다. 공급 가능한 최대의 전력[kVA]은?
- ① 200
- ② 173
- ③ 141
- ④ 100
등록된 댓글이 없습니다.
14. 다음 그림과 같이 평형 Y 결선된 3상 전원회로에 각 상의 임피던스 값이 9.0-j6.0[Ω]인 부하가 평형 △결선으로 연결되어 있다. 선로의 임피던스가 1.0+j2.0 [Ω] 일 때 선전류 iaA[A]의 값은?

- ① 50∠0°
- ② 200∠0°
- ③ 50∠30°
- ④ 200∠30°
등록된 댓글이 없습니다.
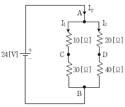
15. 다음 회로에서 절점 C와 D사이의 전압 VCD[V]는?

- ① 1
- ② 2
- ③ 3
- ④ 4
등록된 댓글이 없습니다.
16. 아래 회로에서 충분한 시간동안 개방되어 있었던 스위치를 t=0인 시점에서 on 시켰다. t=0에서 부터 스위치에 흐르는 전류is(t)[A]는?

- ① is(t)=4-2e-1000t
- ② is(t)=4+2e-1000t
- ③ is(t)=4-4e-2000t
- ④ is(t)=4+4e-2000t
등록된 댓글이 없습니다.
17. 그림 (a)와 같이 RC 회로에 VS의 크기를 갖는 직류전압을 인가하고 스위치를 on 시켰더니 콘덴서 양단의 전압 VC가 그림 (b)와 같은 그래프를 나타내었다. 이 회로의 저항이 1000[Ω] 이라고 하면 콘덴서 C의 값은?

- ① 0.1mF
- ② 1mF
- ③ 1μF
- ④ 10μF
등록된 댓글이 없습니다.
18. v(t)=100√2sinωt+75√2sin3ωt+20√2sin5ωt[V]인 전압을 R-L 직렬회로에 인가할 때 제 3고조파 전류의 실효값[A]은? (단, R=4.0[Ω], ωL=1.0[Ω]이다)
- ① 15
- ② 17
- ③ 20
- ④ 75/√17
등록된 댓글이 없습니다.
19. 아래 회로에서 단자 a, b 사이에 교류전압 v(t)를 인가할 때, 전류 i(t)가 전압 v(t)와 동상이 되었다면, 그 때의 Xc값[Ω]은?

- ① 0.4
- ② 0.6
- ③ 0.8
- ④ 1.0
등록된 댓글이 없습니다.
20. 아래 회로에서 전원전압의 실효치는 160[V]이며 변압기는 이상적이라 가정할 때 부하저항 RL에서 소모되는 전력[W]은?

- ① 100
- ② 200
- ③ 300
- ④ 400
등록된 댓글이 없습니다.