방송통신산업기사(2006. 9. 10.) 시험일자 : 2006년 9월 10일
1과목 : 디지털 전자회로
1. 3개의 T 플립플롭이 직렬로 연결되어 있다. 입력단(첫 단)에 1000[Hz]의 입력신호를 인가하면 마지막 플립플롭의 출력신호는 몇 [Hz]인가?
- ① 3000
- ② 333
- ③ 167
- ④ 125
등록된 댓글이 없습니다.
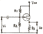
2. 다음 그림의 회로는 무슨 회로인가?

- ① 미분기
- ② 적분기
- ③ 가산기
- ④ 증폭기
등록된 댓글이 없습니다.
3. 다음 중 RC 필터 회로에서 리플 함유율을 작게 하려면?
- ① R을 작게 한다.
- ② C를 작게 한다.
- ③ R, C를 모두 작게 한다.
- ④ R과 C를 크게 한다.
등록된 댓글이 없습니다.
4. A, B를 입력으로 하는 반가산기의 올림수(Carry) C에 대한 논리식으로 맞는 것은?
- ① C = A + B
- ② C = AB
- ③ C = A ⊕ B
- ④

등록된 댓글이 없습니다.
5. 그림의 논리회로는 어떤 논리작용을 하는가?

- ① AND
- ② OR
- ③ NAND
- ④ EX-OR
등록된 댓글이 없습니다.
6. 그림의 회로에서 스위치가 t = 0일 때, 1에서 2의 위치로 갑자기 옮겨졌다. 이 때 흐르는 전류는?

- ①

- ②

- ③

- ④

등록된 댓글이 없습니다.
7. 에미터 플로워(emitter follower)의 임피던스 특성으로 옳은 것은?
- ① 입력임피던스와 출력임피던스 모두 작다.
- ② 입력임피던스와 출력임피던스 모두 크다.
- ③ 입력임피던스는 크고 출력임피던스는 작다.
- ④ 입력임피던스는 작고 출력임피던스는 크다.
등록된 댓글이 없습니다.
8. 그림의 회로에서 R3, R4의 역할은 무엇인가?

- ① 발진주파수를 결정한다.
- ② 증폭기의 이득을 안정시킨다.
- ③ 발진파형을 톱니파로 만든다.
- ④ 증폭기의 이득을 크게 한다.
등록된 댓글이 없습니다.
9. 고주파 증폭회로에서 중화회로를 사용하는 주 목적은?
- ① 이득의 증가
- ② 주파수의 체배
- ③ 자기발진의 방지
- ④ 전력 효율의 증대
등록된 댓글이 없습니다.
10. 다음 게이트 중 두 입력이 1과 0일 때 1의 출력이 나오지 않는 것은?
- ① OR 게이트
- ② EX-OR 게이트
- ③ NAND 게이트
- ④ NOR 게이트
등록된 댓글이 없습니다.
11. 그림과 같은 발진회로에서 안정된 발진이 지속되기 위한 동조회로의 임피던스는 어떻게 되어야 하는가?

- ① 저항성
- ② 용량성
- ③ 유도성
- ④ 어느 경우든 상관없다.
등록된 댓글이 없습니다.
12. 다음 변조방식 중에서 입력신호의 크기에 따라 펄스의 위치만을 변화시키는 변조방식은?
- ① PWM
- ② PPM
- ③ PCM
- ④ PAM
등록된 댓글이 없습니다.
13. NOT, AND 및 EX-OR로 구성된 회로의 명칭은?

- ① 반가산기
- ② RS 플립플롭
- ③ 전감산기
- ④ 반감산기
등록된 댓글이 없습니다.
14. 그림의 논리회로는 어떤 논리작용을 하는가?

- ① AND
- ② OR
- ③ NAND
- ④ EX-OR
등록된 댓글이 없습니다.
15. 멀티 바이브레이터에 대한 설명 중 가장 관계없는 것은?
- ① 부궤환의 일종이다.
- ② 회로의 시정수로 주기가 결정된다.
- ③ 고차의 고조파를 포함하고 있다.
- ④ 전원전압이 변동해도 발진주파수에는 큰 변화 없다.
등록된 댓글이 없습니다.
16. 슈미트 트리거 회로의 출력파형으로 옳은 것은?
- ① 삼각파
- ② 정현파
- ③ 구형파
- ④ 램프(ramp) 파형
등록된 댓글이 없습니다.
17. 그림 증폭회로의 전압이득 Av는 약 얼마인가?(단, gm = 10[m℧], RS = 2[kΩ]이다.)

- ① 1
- ② 5
- ③ 12
- ④ 20
등록된 댓글이 없습니다.
18. 다음 회로에서 Z1 = 10[kΩ], Z2 = 100[kΩ]일 때 전압 증폭도(Vo/Vi)는? (단, 연산 증폭기는 이상적인 것이다)

- ① -0.1
- ② -1
- ③ -5
- ④ -10
등록된 댓글이 없습니다.
19. 주된 맥동전압주파수가 전원주파수의 6배가 되는 정류 방식은?
- ① 단상전파전류
- ② 단상브리지전류
- ③ 3상반파정류
- ④ 3상전파정류
등록된 댓글이 없습니다.
20. 다음 중 연산 증폭기의 특성과 관련 없는 것은?
- ① 높은 이득
- ② 낮은 CMRR
- ③ 높은 입력 임피던스
- ④ 낮은 출력 임피던스
등록된 댓글이 없습니다.
2과목 : 방송통신 기기
21. 우리나라에서 사용하고 있는 컬러텔레비전(NTSC)의 주사방식은?
- ① 순차 주사
- ② 제어 주사
- ③ 순서 주사
- ④ 비월 주사
등록된 댓글이 없습니다.
22. FM 송신기에서 프리엠퍼시스 회로를 사용하는 주 목적은?
- ① 잡음출력을 강제로 억압시킨다.
- ② 주파수 대역폭을 좁힌다.
- ③ 신호대 잡음(S/N)비를 향상시킨다.
- ④ 일그러짐(Distortion)을 감소시킨다.
등록된 댓글이 없습니다.
23. 지상파방송과 비교한 위성방송의 상대적 장점이 아닌것은?
- ① 단일 방송파로 넓은 지역에 서비스를 제공할 수 있다.
- ② 많은 중계소를 설치하는 것보다 경제적이다.
- ③ 넓은 주파수 대역을 통해 대용량의 정보를 보낼 수 있다.
- ④ 초기 구축 비용이 상당히 절감된다.
등록된 댓글이 없습니다.
24. 방송 수신기의 종합성능을 나타내는 주요 평가항목이 아닌 것은?
- ① 선택도
- ② 안정도
- ③ 증폭도
- ④ 충실도
등록된 댓글이 없습니다.
25. VTR 출력 신호의 시간 축 변동을 보정하는 것은?
- ① TBC
- ② Frame
- ③ Metrix
- ④ Encoder
등록된 댓글이 없습니다.
26. 위성방송에서 초고주파를 사용하는 가장 타당한 이유는?
- ① 적은 송신전력으로 먼 거리를 전파할 수 있다.
- ② 안테나를 작게 할 수 있다.
- ③ 전리층 반사를 이용한다.
- ④ 전파의 회절성이 강해 전파도달 범위가 넓다.
등록된 댓글이 없습니다.
27. 위성 DBS 중계기 안테나를 통해서 받는 전파는?
- ① 수평편파
- ② 수직편파
- ③ 구형파
- ④ 원편파
등록된 댓글이 없습니다.
28. 방송국내의 영상전송 시스템에서 휘도 및 색도성분을 갖고 있는 테스트 신호를 시스템 입력에 가하고, 출력에서 테스트 신호의 휘도성분에 대한 색성분의 진폭변화를 정의하는 항목은?
- ① 색도-휘도간 이득 불균형
- ② 색도-휘도간 지연 불균형
- ③ 휘도 비선형 지연 왜곡
- ④ 색도 비선형 이득 왜곡
등록된 댓글이 없습니다.
29. 방송위성용 지구국 안테나의 성능조건으로 맞지 않은 것은?
- ① 지향성이 좋아야 한다.
- ② 안테나 이득이 높아야 한다.
- ③ 대지 반사파를 적게 받아야 한다.
- ④ 고잡음 온도 특성을 가져야 한다.
등록된 댓글이 없습니다.
30. 다음 CATV 구성 부분 중 Head-End 계에서 송출된 신호를 가입자 단말기기까지 전송해 주는 통로로서 트렁크라인, 분배기 등으로 구성된 계통은?
- ① head-End 계
- ② 전송로계
- ③ 단말계
- ④ 방송국 운영체계
등록된 댓글이 없습니다.
31. 다음 중 NTSC TV 전송의 영상신호에 사용되는 변조방식은?
- ① SSB(Single side band)
- ② VSB(Vestigial side band)
- ③ DSB(Double side band)
- ④ FSB(Frequency side band)
등록된 댓글이 없습니다.
32. FM 수신기에서 AFC 회로가 사용되는 주된 이유는?
- ① 국부발진주파수를 제어하기 위해
- ② 감도를 조정하기 위해
- ③ 선택도를 높이기 위해
- ④ 감도를 높이기 위해
등록된 댓글이 없습니다.
33. 수신기의 내부잡음 중 저항에서 발생되는 불규칙한 잡음으로 백색잡음(White noise)의 형태를 갖는 잡음은?
- ① 열 잡음
- ② 샷 잡음(shot noise)
- ③ 분배 잡음
- ④ 플리커 잡음(filcker noise)
등록된 댓글이 없습니다.
34. 영상신호의 색신호 성분을 복조하여 그 위상과 진폭을 브라운관상에 표시하는 측정기로서 통산 휘도순 컬러 바 신호를 사용하여 스튜디오 송출 출력이나 각 개별기기의 출력 특성을 관측하는데 사용하는 장비는?
- ① 마스터 모니터(Master Monitor)
- ② 파형 모니터(Waveform Monitor)
- ③ 벡터 스코프(Vector Scope)
- ④ 스펙트럼 분석기(Spectrum Analyzer)
등록된 댓글이 없습니다.
35. 표준 컬러 TV 방송에서 전송되는 색상은 적색, 녹색, 청색의 3색을 조합하여 3개의 영상신호를 얻는다. 이 3개의 영상신호 중 흑백의 구분만을 나타내는 휘도 신호의 대역폭은 대략 얼마인가?
- ① 5.0[MHz]
- ② 4.2[MHz]
- ③ 1.6[MHz]
- ④ 0.6[MHz]
등록된 댓글이 없습니다.
36. PCM에서 음성전화의 경우 주파수가 약 300~3400[Hz]이고 유효전송 대역이 4[kHz]이다. 이 때의 최대 표본화 간격은 어느 정도인가?
- ① 125[us]
- ② 200[us]
- ③ 225[us]
- ④ 250[us]
등록된 댓글이 없습니다.
37. 오실로스코프를 이용하여 피변조파를 측정한 결과 다음과 같은 변조 포락선이 나타났을 때 변조도는 얼마인가?

- ① 16[%]
- ② 25[%]
- ③ 40[%]
- ④ 80[%]
등록된 댓글이 없습니다.
38. 슈퍼헤테로다인 수신기의 중간주파수가 455[kHz]일 때 수신된 500[kHz]에 대한 영상 주파수는?
- ① 955[kHz]
- ② 1410[kHz]
- ③ 410[kHz]
- ④ 1545[kHz]
등록된 댓글이 없습니다.
39. 다음 중 컬러 TV 방송의 국제 표준 방식이 아닌 것은?
- ① SECAM 방식
- ② NTSC 방식
- ③ PAL 방식
- ④ FDM 방식
등록된 댓글이 없습니다.
40. 마이크의 지향성과 관계없는 것은?
- ① 전지향성
- ② 단일지향성
- ③ 수직지향성
- ④ 양지향성
등록된 댓글이 없습니다.
3과목 : 방송미디어 개론
41. 뉴미디어 분류체계 중 방송계에 포함되지 않는 것은?
- ① AM 스테레오방송
- ② FM 다중방송
- ③ CATV
- ④ 영상전화
등록된 댓글이 없습니다.
42. 사운드 카드에 다양한 효과를 주기 위한 디지털 신호처리칩을 의미하는 용어는?
- ① DSP(Digital Signal Processor)
- ② ADPCM(Adaptive Delta Pulse Code Modulation)
- ③ DAC(Digital Analog Converter)
- ④ ADC(Analog Digital Converter)
등록된 댓글이 없습니다.
43. 전송방식에서 한쪽에서 송신할 때는 상대방은 수신만해야 하고, 한쪽에서 수신 상태로 해야 상대 쪽에서 송신할 수 있는 방식은?
- ① Simplex
- ② Full Duplex
- ③ Half Duplex
- ④ Multiplex
등록된 댓글이 없습니다.
44. 연주소와 송신소를 마이크로웨이브 통신망(microwave- link)으로 연결하는 회선은?
- ① FPU
- ② STL
- ③ 출중계
- ④ 토크백
등록된 댓글이 없습니다.
45. 다음 중 MPEG-7에 대한 설명으로 가장 적합한 것은?
- ① 동영상 전송방식이다.
- ② 음성, 데이터 및 영상 데이터베이스 검색이 가능하도록 한다.
- ③ 오디오와 비디오 콘텐츠 인식 툴에 대한 표준을 제공한다.
- ④ MPEG-2의 대체 수단으로 기능이 같다.
등록된 댓글이 없습니다.
46. 디지털 위성방송의 장점이 아닌 것은?
- ① 안테나가 소형임으로 낮은 C/N으로 시청이 가능하다.
- ② 디지털 변조가 가능하다.
- ③ CD 수준의 오디오 서비스를 제공할 수 있다.
- ④ 정지화 방송, 문자 다중방송 등 부가서비스를 제공하지 않는다.
등록된 댓글이 없습니다.
47. 문자다중방송은 TV 방송전파 중 어느 것을 이용하여 문자를 전송하는가?
- ① 수직귀선소거 기간
- ② 수평귀선소거 기간
- ③ 순차주사 기간
- ④ 비월주사 기간
등록된 댓글이 없습니다.
48. 아나운서가 카메라를 보면서 원고를 읽을 수 있게 지원해 주는 것은?
- ① 뷰 화인더
- ② 프럼프터
- ③ 마이크로폰
- ④ 스크램블
등록된 댓글이 없습니다.
49. FM 라디오 방송과 AM 라디오 방송에 대한 설명으로 옳은 것은?
- ① FM은 주파수변조 방식, AM은 진폭변조 방식을 의미한다.
- ② FM파는 AM파에 비하여 직진성이 매우 약하다.
- ③ AM파의 경우 혼신 및 잡음이 적어 고품의 방송에 유리하다.
- ④ FM은 스테레오 방송만 가능하며, AM은 모노 방송만 가능하다.
등록된 댓글이 없습니다.
50. MPEG은 영상신호 압축방식으로서 국제표준화되어 영상전송분야에 널리 적용되고 있다. 다음 중 HDTV 방송이나 디지털지상파 TV, DVD 등에 적용되는 것은?
- ① MPEG 1
- ② MPEG 2
- ③ MPEG 3
- ④ MPEG 4
등록된 댓글이 없습니다.
51. NTSC 아날로그 지상파 TV 방식에서 영상신호와 음성신호의 변조방식은?
- ① 영상은 진폭변조, 음성은 주파수변조
- ② 영상, 음성 모두 진폭변조
- ③ 영상, 음성 모두 주파수변조
- ④ 영상은 주파수변조, 음성은 진폭변조
등록된 댓글이 없습니다.
52. 해상도를 크게 개선함은 물론 1125 주사선에 9대 16의 종횡비로 크게 확대하여 보다 많은 양의 정보를 전달할 수 있는 것은?
- ① NTSC
- ② HDTV
- ③ 팩시밀리 방송
- ④ 데이터 방송
등록된 댓글이 없습니다.
53. 수평톱니파의 주파수가 15750[Hz]이며 귀선시간이 18%일 때 1회 유효주사선 시간은 약 얼마인가?
- ① 3[μs]
- ② 16[μs]
- ③ 52[μs]
- ④ 63[μs]
등록된 댓글이 없습니다.
54. 다음 중 문자미디어의 특성에 가장 적합한 것은?
- ① 시간집약성
- ② 즉시성
- ③ 기록성
- ④ 시청각성
등록된 댓글이 없습니다.
55. 다음 중 위성방송에서 적용되는 전송방식은?
- ① QPSK
- ② AM
- ③ FM
- ④ VSB
등록된 댓글이 없습니다.
56. 다음 중 전리층을 이용한 국제 원거리 방송에 사용되는 주파수대는?
- ① 중파
- ② 단파
- ③ 초단파
- ④ 극초단파
등록된 댓글이 없습니다.
57. 다음 중 TV방송에서 비월주사 방식을 하는 주된이유는?
- ① 화면의 깜박거림을 줄이기 위해서
- ② 비월주사 방식이 경제적이므로
- ③ 유럽 선진국과 보조를 맞추려고
- ④ 주사방식은 비월주사방식 뿐이므로
등록된 댓글이 없습니다.
58. AM과 비교하여 FM 통신방식의 특징이 아닌 것은?
- ① S/N비가 좋다.
- ② 송신기의 효율을 높일 수 있고, 일그러짐이 적다.
- ③ 혼신 방해를 적게 할 수 있다.
- ④ 주파수 대역폭이 AM보다 작다.
등록된 댓글이 없습니다.
59. 다음 중 멀티미디어 정보전달의 속도를 향상시키고, 동화상, 음성등과 같은 데이터를 53바이트의 셀로 전송하는 것은?
- ① ATM
- ② CATV
- ③ VOD
- ④ MPEG
등록된 댓글이 없습니다.
60. 다음 중 멀티미디어 기술의 바람직한 발전방향이 아닌것은?
- ① 고속화
- ② 네트워크화
- ③ 표준화
- ④ 기억용량의 소형화
등록된 댓글이 없습니다.
4과목 : 전자계산기 일반 및 방송설비기준
61. 어떤 명령이 수행되기 위해 가장 우선적으로 이루어져야하는 마이크로 오퍼레이션은 무엇인가?
- ① MBR ← PC
- ② PC ← PC+1
- ③ IR ← MBR
- ④ MAR ← PC
등록된 댓글이 없습니다.
62. 다음 중 자기보수(Self Complement) 코드의 종류가 아닌 것은?
- ① 그레이 코드
- ② 3초과 코드
- ③ 2421 코드
- ④ 코드

등록된 댓글이 없습니다.
63. 정보를 기억 장치에 기억시키거나 읽어내는 명령을 한 후부터 실제로 정보가 기억 또는 읽기 시작할 때까지의 소요되는 시간을 무엇이라 하는가?
- ① 접근 시간(access time)
- ② 실행 시간(run time)
- ③ 지연 시간(idle time)
- ④ 탐색 시간(seek time)
등록된 댓글이 없습니다.
64. 다음 중 명령어가 해독되는 장치는?
- ① main storage
- ② ALU
- ③ control unit
- ④ instruction counter
등록된 댓글이 없습니다.
65. 입출력장치와 중앙처리장치 사이에 존재하며 속도 차이로 인하여 발생하는 문제점을 해결하기 위해 고안된 것은?
- ① 레지스터 장치
- ② 어드레스 장치
- ③ 채널제어 장치
- ④ 단말기 장치
등록된 댓글이 없습니다.
66. 10진수 12.3을 2진수로 진법 변환한 것으로 가장 근사값은 어느 것인가?
- ① 1100.11
- ② 1010.010010
- ③ 1100.010011
- ④ 1100.010001
등록된 댓글이 없습니다.
67. DMA의 기능을 가장 타당하게 설명한 것은?
- ① 입출력을 위한 인터럽트를 최대화하여 데이터 전송을 수행한다.
- ② 보조기억장치의 속도차이를 해결하는 역할을 한다.
- ③ 주변기기의 메모리 용량을 확대하는 역할을 한다.
- ④ CPU의 개입 없이 메모리와 주변장치 사이에서 데이터 전송을 수행한다.
등록된 댓글이 없습니다.
68. 컴퓨터의 처리속도를 표시하는 방법으로서 가장 널리 쓰이는 단위는?
- ① MIPS
- ② MIS
- ③ BPS
- ④ TPS
등록된 댓글이 없습니다.
69. 스택(Stack) 구조와 관계되는 명령어 형식은?
- ① 0-주소 명령어
- ② 1-주소 명령어
- ③ 2-주소 명령어
- ④ 3-주소 명령어
등록된 댓글이 없습니다.
70. 1개의 패리티 비트와 3개의 존 비트, 그리고 4개의 디지트 비트로 구성되는 코드체계는?
- ① 8421 코드
- ② ASCII 코드
- ③ Hamming 코드
- ④ EBCDIC 코드
등록된 댓글이 없습니다.
71. 방송사업자가 그 업무를 폐업하거나 휴업하고자 할 때의 절차로서 가장 적합한 것은?
- ① 방송위원회 및 정보통신부장관에게 각각 신고하여야 한다.
- ② 정보통신부장관에게 통보한다.
- ③ 방송위원회의 승인을 받아야 한다.
- ④ 문화관광부장관에게 신고하여야 한다.
등록된 댓글이 없습니다.
72. 다음 중 전파법의 목적으로서 가장 옳은 것은?
- ① 전파의 효율적인 이용 및 관리에 관한 사항을 정하여 전파이용 및 전파에 관한 기술의 개발을 촉진하여 전파의 진흥을 도모하고 공공복리에 증긴
- ② 전파의 적극적인 이용을 확보함으로써 공동의 문화 증진
- ③ 전파의 합리적인 관리를 함으로써 공동의 문화 증진
- ④ 전파의 공평하고 능률적인 이용을 확보함으로써 전파자원의 보호와 전파이용 및 전파에 관한 기술의 개발을 촉진하여 무선국의 발전을 도모
등록된 댓글이 없습니다.
73. 다음 중 방송법에 의한 시청자위원회의 구성은?
- ① 5인 이내
- ② 6인 이상 10인 이내
- ③ 10인 이상 15인 이내
- ④ 15인 이상 20인 이내
등록된 댓글이 없습니다.
74. 전파법에서 규정하는 「주파수할당」 의 정의로서 옳은 것은?
- ① 무선국에 할당된 특정한 주파수
- ② 특정한 주파수의 용도를 정하는 것
- ③ 특정한 주파수를 이용할 수 있는 권리를 특정인에게 부여하는 것
- ④ 무선국이 이용할 특정한 주파수를 지정하는 것
등록된 댓글이 없습니다.
75. 방송국의 송신공중선으로부터 발사되는 강한 전파로 인하여 다른 전파와의 간섭이 일어나는 지역을 무엇이라 하는 가?
- ① 방송구역
- ② 가시거리지역
- ③ 서비스에어리어
- ④ 블랭킷에어리어
등록된 댓글이 없습니다.
76. 위성방송사업의 허가추천을 받은 자는 추천을 받은 날로부터 몇월 이내에 정보통신부 장관에게 허가 신청을 하여야 하는가?
- ① 2월
- ② 3월
- ③ 6월
- ④ 12월
등록된 댓글이 없습니다.
77. 다음 중 방송사업을 하는 법인의 방송편성책임자가 될 수 있는 자는?
- ① 대한민국의 국적을 가진 자
- ② 미성년자 또는 한정치산자
- ③ 파산선고를 받은 자로 미복권된다.
- ④ 보안관찰처분의 집행중에 있는 자
등록된 댓글이 없습니다.
78. 다음 중 전파법에서 규정하고 있는 시설자란?
- ① 무선국의 실 소유자
- ② 문화관광부장관으로부터 무선국 시설권을 얻은 자
- ③ 정보통신부장관으로부터 무선국의 개설허가를 받고 무선국을 개설한 자
- ④ 전파관리국장으로부터 무선국의 개설허가를 받고 무선국을 개설한 자
등록된 댓글이 없습니다.
79. 정보통신공사업법에 있어서 공사의 종류 중 방송전송ㆍ선로설비 공사가 아닌 것은?
- ① 방송관로 설비
- ② 방송케이블 설비
- ③ 분배 설비
- ④ CCTV 설비
등록된 댓글이 없습니다.
80. 방송사업자가 허가유효기간의 만료 후 계속 방송을 행하고자 할 때의 행정 절차는?
- ① 정보통신부장관에게 신고만 하면 된다.
- ② 문화관광부장관의 재허가를 받아야 한다.
- ③ 방송위원회의 재허가 추천을 받아 정보토신부장관의 재허가를 받아야 한다.
- ④ 방송위원회의 재허가 추천을 받아 문화관광부장관의 재허가를 받아야 한다.
등록된 댓글이 없습니다.