방송통신기능사(2005. 10. 2.) 시험일자 : 2005년 10월 2일
1과목 : 임의 구분
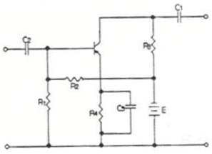
1. 그림에서 C3 콘덴서를 제거하면 어떤 현상이 일어나는가? (단, Emitter 접지형 증폭기이다.)

- ① 발진
- ② 충실도 감소
- ③ 이득감소
- ④ 이득증대
등록된 댓글이 없습니다.
2. 60[Ω] 저항 3개의 조합으로 얻어지는 가장 작은 합성저항은 얼마인가?
- ① 90[Ω]
- ② 60[Ω]
- ③ 45[Ω]
- ④ 20[Ω]
등록된 댓글이 없습니다.
3. AM 변조기에서 발생하는 측대파의 수는?
- ① 1개
- ② 2개
- ③ 3개
- ④ 무수히 많다.
등록된 댓글이 없습니다.
4. 같은 사인파 교류에서 평균값은 실효값의 몇배가 되는가?
- ① 0.9
- ② √2
- ③ 1.11
- ④ 2/π
등록된 댓글이 없습니다.
5. 파형률, 파고율이 동일하게 1인 파형은?
- ① 사인파
- ② 구형파
- ③ 삼각파
- ④ 고조파
등록된 댓글이 없습니다.
6. 파장 300[m]인 전파의 주파수는?
- ① 10[MHz]
- ② 1[MHz]
- ③ 300[MHz]
- ④ 3[MHz]
등록된 댓글이 없습니다.
7. 위상변조에서 신호파 is = Ism cos2πfst 의 진폭에 따라 위상을 θ = θc + △θ cos2πfst 와 같이 변화시켰을 때 얻어지는 피변조파 공식은 다음과 같다. i = In sin(2πfct + △θ cos2πfst) 에서 △θ 가 의미하는 것은?
- ① 대역비율
- ② 반송파
- ③ 변조파
- ④ 최대 위상편이
등록된 댓글이 없습니다.
8. LC 발진회로에 속하지 않는 것은 ?
- ① 콜피츠 발진회로
- ② 하아틀리 발진회로
- ③ 양극동조 발진회로
- ④ 윈브리지 발진회로
등록된 댓글이 없습니다.
9. 다음 중 자체 인덕턴스 0.1[H]인 코일에 전류 10[A]가 흐를 때 코일에 축적되는 에너지는?
- ① 1[J]
- ② 5[J]
- ③ 10[J]
- ④ 50[J]
등록된 댓글이 없습니다.
10. RC 이상 발진회로에서 "이상"의 의미는 ?
- ① 위상이 2개라는 의미
- ② 발진소자의 비정상 현상 의미
- ③ 이상적인(ideal) 경우 발진기 의미
- ④ 위상이 천이(shift) 한다는 의미
등록된 댓글이 없습니다.
11. 어떤 저항에서 0.8[kWh]의 전력량을 소비시켰을 때 발생하는 열량은 약 몇[kcal]인가?
- ① 640[kcal]
- ② 800[kcal]
- ③ 690[kcal]
- ④ 1070[kal]
등록된 댓글이 없습니다.
12. 기전력이 다른 전지를 병렬로 연결하면 어떠한 현상이 일어나는가?
- ① 전압이 증가되고 전류가 증가한다.
- ② 순환 전류로 인하여 기전력이 감쇠된다.
- ③ 역기전력을 막는 역전류가 생겨서 전압이 증가한다.
- ④ 누설 전류로 인하여 합성전류가 증가한다.
등록된 댓글이 없습니다.
13. 다음 중 전계효과 트랜지스터(FET)의 설명으로 잘못된 것은?
- ① 소수반송자에 의한 증폭작용으로 보통 TR과 같은 전류제어형이다.
- ② MOS형과 접합형이 있다.
- ③ MOS형은 입력저항이 매우 크여. 전압에 의한 제어작용으로 증폭작용을 한다.
- ④ 접합형의 입력저항은 MOS형 보다 낮다.
등록된 댓글이 없습니다.
14. 자기저항의 단위는 다음 중 어느 것인가?
- ① [AT/Wb]
- ② [Ω]
- ③ [AT/m]
- ④ [Wb/m2]
등록된 댓글이 없습니다.
15. 부궤환 중폭기의 장정으로 틀린 것은?
- ① 이득이 증가한다.
- ② 일그러징이 감소한다.
- ③ 주파수 특성이 개선된다.
- ④ 동작의 안정도가 개선된다.
등록된 댓글이 없습니다.
16. 컴파일러(Compiler)에 대한 설명 중 옳은 것은?
- ① 프로그램언어에 관계없이 모두 같다.
- ② 에러(Error)를 고쳐주는 기계이다.
- ③ 목적프로그램을 원시프로그램으로 바꾸어주는 장치이다.
- ④ 원시프로그램을 기계가 수행할 수 있는 기계언어로 바꾸어 주는 일종의 변환 프로그램이다.
등록된 댓글이 없습니다.
17. 캐시 기억 장치(cache memory)가 위치하는 곳은?
- ① 입력장치와 출력장치 사이
- ② 주기억장치와 보조기억장치 사이
- ③ 중앙처리장치와 보조기억장치 사이
- ④ 중앙처리장치와 주기억장치 사이
등록된 댓글이 없습니다.
18. 컴퓨터의 구성요소와 관계 없는 것은?
- ① 중앙처리장치
- ② 입⋅출력장치
- ③ 기억장치
- ④ 주사장치
등록된 댓글이 없습니다.
19. 정보처리용 순서도 기호이다. 기호에 대한 설명이 옳지 않은 것은 ?
- ① : 자기드럼

- ② : 판단

- ③ : 입출력

- ④ : 처리

등록된 댓글이 없습니다.
20. 논리식( AB+BC+ABC )를 간단히 한 것은?
- ① B(A+C)
- ② A(B+C)
- ③ BC
- ④ A+BC
등록된 댓글이 없습니다.
2과목 : 임의 구분
21. 다음 중 마이크로 컴퓨터시스템에서 필요한 전기펄스를 공급해 주는 장치는?
- ① 인터페이스
- ② ROM
- ③ 어드레스
- ④ 수정발진기
등록된 댓글이 없습니다.
22. 인간의 암기능력을 대신할 수 있는 전자계산기의 대표적인 기능은?
- ① 기억기능
- ② 전달기능
- ③ 연산기능
- ④ 제어기능
등록된 댓글이 없습니다.
23. 다음 중 주기억 장치의 설명이 아닌 것은?
- ① 프로그램을 기억한다.
- ② 데이터를 연산한다.
- ③ 중간 결과를 기억한다.
- ④ 최종 결과를 기억한다.
등록된 댓글이 없습니다.
24. 컴퓨터에서 데이터(data)표현시 사용되는 비트(bit)와 개념상 가장 유사한 것은 몇 진수인가?
- ① 2
- ② 3
- ③ 5
- ④ 10
등록된 댓글이 없습니다.
25. 다음 그림은 무슨 게이트 회로인가?

- ① AND 게이트(Gate)회로
- ② OR 게이트(Gate)회로
- ③ NOT 게이트(Gate)회로
- ④ NAND 게이트(Gate)회로
등록된 댓글이 없습니다.
26. CATV에서 하측에 인접한 채널의 음성 캐리어가 옆채널 영상 케리어에 영향을 주는 현상은?
- ① 저주파 방해현상(Hum 변조)
- ② C/N비 저하에 의한 잡음 현상
- ③ Beat 방해 현상
- ④ 혼변조에 의한 간섭 현상
등록된 댓글이 없습니다.
27. 케이블 아날로그 TV방송의 영상신호 전송방식은?
- ① FM방식
- ② FSK방식
- ③ PCM방식
- ④ AM방식
등록된 댓글이 없습니다.
28. 동축 CATV 시스템에서 전송시설의 상태감시 및 레벨을 안정시키기 위해 표준신호를 발생시키는 것은?
- ① 파이롯트 신호발생기(pilot generator)
- ② 신호처리기(signal processor)
- ③ 채널중폭기(chanel AMP)
- ④ 변조기(Modulator)
등록된 댓글이 없습니다.
29. 8분배기의 이론적 손실은 약 몇[db]인가?
- ① 3
- ② 6
- ③ 9
- ④ 12
등록된 댓글이 없습니다.
30. 다음 중 NTSC 방식 아날로그 TV의 frame 수는?
- ① 90
- ② 60
- ③ 30
- ④ 10
등록된 댓글이 없습니다.
31. 단말계 설비 중 컨버터의 기능이 아닌 것은?
- ① 채널변환기능
- ② 디스크렝불기능
- ③ 어드레서블기능
- ④ 채널증폭기능
등록된 댓글이 없습니다.
32. CATV에서 전원회로의 평활회로 불량에 의해 나타나는 현상은?
- ① 저주파 방해현상(HUM변조)
- ② C/N비 저하에 의한 잡음현상
- ③ 혼변조에 의한 간섭현상
- ④ beat 방해현상
등록된 댓글이 없습니다.
33. 다음 중 변조의 설명으로 가장 옳은 것은?
- ① 어떤 파형에 전압을 가하여 원하는 전파세기로 바꾸는 과정
- ② 어떤 여러파형을 각기 분리하는 과정
- ③ 어떤 블록의 한 파형을 특정파형으로 나누는 과정
- ④ 어떤 파형의 성질을 다른 파형에 의해 변화시켜 장거리 전송을 할 수 있게 바꾸는 과정
등록된 댓글이 없습니다.
34. 다이플렉서 필터의 기능이 아닌 것은?
- ① 낮은 대역과 높은 대역의 신호를 분리하여 준다.
- ② 영상신호와 음성신호의 전파를 하나의 송신 안테나로 공유하게 한다.
- ③ 하나의 케이블을 통하여 양방향 통신을 가능하게 해준다.
- ④ 시분할로 혼합된 두개의 음성신호를 분리해준다.
등록된 댓글이 없습니다.
35. 다음 중 수동기기가 아닌 것은 ?
- ① 간선증폭기(Trunk Amplifier)
- ② 분기기(Tap off)
- ③ 분배기(Spliter)
- ④ 방향성 결합기(Directional Coupler)
등록된 댓글이 없습니다.
36. 디지털방송이 기존 아날로그방송에 대한 장정이라고 볼 수 없는 것은?
- ① 다채널화
- ② 고품질화
- ③ 사용정유 주파수대역의 광역화
- ④ 방송서비스의 고도화
등록된 댓글이 없습니다.
37. 같은 TV신호가 다른시간대에 TV수상기에 수신되어 발생되는 다중화 현상을 무엇이라고 하는가?
- ① 스노우(Snow) 현상
- ② 고스트(Ghosts) 현상
- ③ 이중상 (Double Image) 현상
- ④ 교차변조 (Beats) 현상
등록된 댓글이 없습니다.
38. 수신안테나 선정시 고려할 요소가 아닌 것은 ?
- ① 지향성
- ② 대역폭
- ③ 잉피던스 정합
- ④ 낙뢰 유도성
등록된 댓글이 없습니다.
39. 동축케이블의 저항에 의한 감쇄량은 주파수의 증가에 따라 어떻게 변하는가?
- ① 비례한다.
- ② 평방근에 비례한다.
- ③ 무관하다.
- ④ 일정하지 않다.
등록된 댓글이 없습니다.
40. CATV용 양방향 컨버터에 대한 설명으로 틀린 것은?
- ① 다수의 CATV 채널중에서 선택된 채널을 복조하여 영상과 음성을 출력한다.
- ② 입력된 다채널의 신호들을 선택하여 3 또는 4번으로 변환 출력한다.
- ③ 단방향 컨버터와는 달리 CATV 방송국과 양방향으로 전송할 수 있다..
- ④ CATV 방송의 영상신호를 변조한다.
등록된 댓글이 없습니다.
3과목 : 임의 구분
41. CATV 전송방식인 아날로그 전송방식 중 AM 방식에 비해 FM 방식의 특징에 해당되는 것은?
- ① 복조기가 불필요
- ② 대역폭이 좁음
- ③ S/N 비가 우수함
- ④ 경제적이며, 다채널 수용
등록된 댓글이 없습니다.
42. 다음 중 일반방송에 대한 CATV방송의 특성으로 적합하지 않은 것은?
- ① 일반방송은 광역성을 갖는데 반해 CATV는 지역성을 가진다.
- ② 일반방송의 경우 서비스 대상은 불특정 다수이나 CATV는 가입자만 해당된다.
- ③ 전송방식은 일반방송의 경우 단방향성이나 CATV는 쌍방향성을 가진다.
- ④ 방송국 규모는 일반방송의 경우 소규모이나 CATV의 경우에는 대규모이다.
등록된 댓글이 없습니다.
43. TV 화연상 나타나는 SNOW 현상의 주 원인은?
- ① 시스템 전체의 C/N비 저하
- ② 전원회로의 평활회로의 불량
- ③ 동축케이블 커넥터 접속부위의 접속불량
- ④ 인접채널의 무변조 상태
등록된 댓글이 없습니다.
44. 광통신 전송방식의 이정으로 적합하지 않은 것은 ?
- ① 전자기적 간섭현상이 없다.
- ② 누화가 없다.
- ③ 전송대역이 감소된다.,
- ④ 보안성이 좋다
등록된 댓글이 없습니다.
45. 5C-HFL 동축케이블의 강쇄특성이 50[MHz]에서 38[dB/Km]이다. 250[m] 가설시 발생되는 감쇄량은 얼마인가?
- ① 4.5[dB]
- ② 9.5[dB]
- ③ 10[dB]
- ④ 16[dB]
등록된 댓글이 없습니다.
46. 무선국의 수신설비는 가능한 다음 사항에 적합한 것이어야 한다. 맞지 아니한 것은?
- ① 내부잡음이 적을 것
- ② 강도가 충분할 것
- ③ 선택도가 적을 것
- ④ 명료도가 충분할 것
등록된 댓글이 없습니다.
47. 방송법에서 정의하고 있는 전송 선로설비를 이용하여 행하는 다채널방송을 무엇이라고 하는가?
- ① 지상파방송
- ② 종합유선방송
- ③ 유선중계방송
- ④ 유선다채널방송
등록된 댓글이 없습니다.
48. 다음 중 방송사업자에 해당되지 않는 것은?
- ① 지상파방송사업자
- ② 종합유선방송사업자
- ③ 방송광고사업자
- ④ 위성방송사업자
등록된 댓글이 없습니다.
49. 회선 상호간의 전기통신을 가능하게 하는 교환기와 그 부대설비를 무엇이라 하는가?
- ① 선로 설비
- ② 교환 설비
- ③ 전송설비
- ④ 구내 통신 설비
등록된 댓글이 없습니다.
50. 방송의 공적책임을 설명한 것으로 거리가 먼 것은?
- ① 방송은 인간의 존엄과 가치 및 민주적 기본질서를 존중하여야 한다.
- ② 방송은 타인의 명예나 권리 또는 공중도덕이나 사회윤리를 침해해서는 아니된다.
- ③ 방송은 국민의 화합과 조화로운 국가의 발전및 민주적 여론 형성에 이바지 하여야 한다.
- ④ 방송은 공익사항이나 개인의 사항에 관하여 취재⋅평론⋅보도 기타의 방법으로 민주적 여론 형성에 기여하여야 한다.
등록된 댓글이 없습니다.
51. 전기통신설비에 관한 기술기준에서 정의하고 있는 음성주파수의 범위는?
- ① 300[Hz] 미만
- ② 300~3400[Hz]
- ③ 3400~5000[Hz]
- ④ 5000[Hz] 초과
등록된 댓글이 없습니다.
52. 정보통신공사의 종류에 있어서 통신선로설비공사가 아닌 것은?
- ① 통신구설비
- ② 통신관로설비
- ③ 통신케이블설비
- ④ 전자식교환설비
등록된 댓글이 없습니다.
53. 방송국의 송신공중선으로부터 발사되는 강한 전파로 인하여 다른 전파와의 간섭이 일어나는 지역은?
- ① 블랭킷에어리어
- ② 공중선복사전력
- ③ 공중선전파 음영지역
- ④ 스테레오포닉 파일럿
등록된 댓글이 없습니다.
54. 다음 중 정보통신공사업법에 예시된 방송설비공사의 종류에 해당하지 않는 것은?
- ① 위성체설비공사
- ② 송출설비공사
- ③ 방송관로설비공사
- ④ 중계설비공사
등록된 댓글이 없습니다.
55. 방송사업자가 시청자의 권익 보호를 위하여 두어야 하는 것은?
- ① 방송위원회
- ② 시청자위원회
- ③ 방송보도위원회
- ④ 시청평가자운단
등록된 댓글이 없습니다.
56. 구내통신설비에서 회선의 평가잡음은 공중회선이 접속되어 있지 않은 상태에서 몇[mV] 이하가 되어야 하는가?
- ① 0.1[mV] 이하
- ② 0.5[mV] 이하
- ③ 1.0[mV] 이하
- ④ 5.0[mV] 이하
등록된 댓글이 없습니다.
57. 방송위원회의 구성은 몇 명으로 구성되는가?
- ① 23명
- ② 20명
- ③ 16명
- ④ 9명
등록된 댓글이 없습니다.
58. 정보통신부 장관이 정하여 고시하는 중요한 전기통신 설비가 아닌 것은?
- ① 국제통신설비
- ② 사설통신설비
- ③ 시외통신설비
- ④ 정보통신설비
등록된 댓글이 없습니다.
59. 입력신호를 간선에서 지선으로 불균등하게 나누어 주는 것은?
- ① 분배기
- ② 분기기
- ③ 방향성 결합기
- ④ 증폭기
등록된 댓글이 없습니다.
60. 전기통신설비의 기술기준에서 정의하는 음압레벨의 단위는?
- ① [Hz]
- ② [dB]
- ③ [dBSPL]
- ④ [Erlang]
등록된 댓글이 없습니다.