판금제관산업기사(2004. 5. 23.) 시험일자 : 2004년 5월 23일
1과목 : 판금제관재료, 공구 및 기계
1. 다음 중 둥근날 전단기가 아닌 것은?
- ① 로타리 시어
- ② 니블링 시어
- ③ 서큘러 시어
- ④ 갱 슬리터
등록된 댓글이 없습니다.
2. 판금에서 판재를 직선절단, 원형절단, 자유절단을 할 수 있는 기계는?
- ① 바 폴더
- ② 포밍 머신
- ③ 바이브러 시어
- ④ 갱 슬리터
등록된 댓글이 없습니다.
3. 프레스 브레이크(press break)의 특징 중 틀린 것은?
- ① 여러가지 소재를 동시 가공할 수 있다.
- ② 굽힘 압력이 강하며 굽힘 정도가 높다.
- ③ 대량 생산용으로 적합하다.
- ④ 직각 굽힘만 할 수 있는 전용기계이다.
등록된 댓글이 없습니다.
4. 판금용 기계에서 원통이나 캔 등의 밑바닥에 만든 버(burr)를 심하는 데 쓰이며, 또한 더블 심 작업에도 쓰이는 기계는?
- ① 그루빙 머신
- ② 와이어링 머신
- ③ 세팅 다운 머신
- ④ 크림핑 머신
등록된 댓글이 없습니다.
5. 프레스의 안전장치 중 슬라이드가 강하 함에 따라 슬라이드에 연결된 안내끈에 의해 손을 위험 한계 밖으로 되돌리는 장치는?
- ① 게이트 가드(gate guard)
- ② 풀 아웃(pull out)장치
- ③ 스위프 가드(sweep guard)장치
- ④ 양손 조작장치
등록된 댓글이 없습니다.
6. 판금 작업시 안전사항 중 맞는 것은?
- ① 작은 일감의 프레스 작업은 위험하므로 장갑을 끼고한다.
- ② 정리 정돈을 항상 하여야 작업능률도 오르고 안전하다.
- ③ V형으로 구부릴때는 관이 밀리지 않게 손으로 단단히 누르고 작업한다.
- ④ 추울때는 장갑을 끼고 해머작업을 하면 좋다.
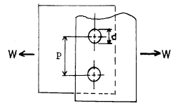
등록된 댓글이 없습니다.
7. 다음의 공구(Tool) 중 성질이 다른 것은?
- ① 금긋기 바늘(Scriber)
- ② 센터펀치(Center punch)
- ③ 컴파스(Compass)
- ④ 드리프트(Drift)
등록된 댓글이 없습니다.
8. 산소가 들어 있는 산소 용기의 취급에 대하여 열거한 것 중 맞지 않는 것은?
- ① 운반 중 충격을 주지 않도록 한다.
- ② 직사광선을 피하고 항상 60℃ 이하로 해야 한다.
- ③ 연소할 염려가 있는 기름이나 물건을 피해야 한다.
- ④ 산소의 누설시험은 비눗물로 해야 한다.
등록된 댓글이 없습니다.
9. 납땜 작업에서 염산이 몸에 닿았을때 어떤방법을 써야 하는가?
- ① 빨리 물로 세척한다.
- ② 손으로 문지른다.
- ③ 황산을 바른다.
- ④ 그냥 두어도 무방하다.
등록된 댓글이 없습니다.
10. 서피스 게이지의 용도가 아닌 것은?
- ① 평행선 긋기
- ② 평행면 검사
- ③ 중심내기
- ④ 선분의 분할
등록된 댓글이 없습니다.
11. 합금의 특성을 순금속과 비교한 내용 중 틀린 것은?
- ① 용융점이 낮아진다.
- ② 주조성이 떨어진다.
- ③ 전기전도율이 낮아진다.
- ④ 열전도율이 낮아진다.
등록된 댓글이 없습니다.
12. 금속재료를 냉간가공하면 가공이 진행됨에 따라 감소하는 것은?
- ① 경도
- ② 인장강도
- ③ 탄성계수
- ④ 연신율
등록된 댓글이 없습니다.
13. 다음 중 아연도금 강판에 대한 설명으로 틀린 것은?
- ① 함석판이라고도 한다.
- ② 두께는 도금 전의 두께로 나타낸다.
- ③ 기호는 SPCC 이다.
- ④ 내식성이 커서 건축이나 가정용품 등에 쓰인다.
등록된 댓글이 없습니다.
14. 스테인리스 강판은 탄화물이 결정입계에 석출되어 뜨임메짐이 일어나게 되는데 이 온도는 몇 ℃인가?
- ① 450
- ② 560
- ③ 670
- ④ 910
등록된 댓글이 없습니다.
15. 황동판의 인장강도는 아연(Zn)이 몇 % 정도에서 최대가 되는가?
- ① 10%
- ② 20%
- ③ 30%
- ④ 40%
등록된 댓글이 없습니다.
16. 내연 기관의 피스톤 등 자동차 부품으로 많이 쓰이는 내열성 알루미늄 합금은?
- ① 실루민
- ② 라우탈
- ③ 두랄루민
- ④ Y합금
등록된 댓글이 없습니다.
17. 특수한 목적에 사용하기 위해 탄소강에 특수원소를 합금한 강판을 합금강판이라고 하는데 다음 중 합금 강판이 아닌 것은?
- ① 규소 강판
- ② 크로메이트 강판
- ③ 크롬계 스테인리스 강판
- ④ 니켈 - 크롬계 스테인리스 강판
등록된 댓글이 없습니다.
18. 금속재료의 성질에서 기계적 성질이 아닌 것은?
- ① 인장강도
- ② 연신율
- ③ 비중
- ④ 경도
등록된 댓글이 없습니다.
19. 일반구조용 압연강재에서 강판을 나타내는 것은?
- ① SS330P
- ② SS330F
- ③ SS330A
- ④ SS330B
등록된 댓글이 없습니다.
20. 형강 재료는 단면모양에 따라 ㄱ형강, I형강, ㄷ형강, H형강, E형강, T형강 등이 있다. 이들 형강 재료의 치수 표시방법으로 올바른 것은?
- ① 단면모양의 기호, 높이x두께x길이 - 나비
- ② 단면모양의 기호, 두께x높이x나비 - 길이
- ③ 단면모양의 기호, 길이x두께x나비 - 높이
- ④ 단면모양의 기호, 높이x나비x두께 - 길이
등록된 댓글이 없습니다.
2과목 : 판금제관공작법
21. 다음 중 가는 2점 쇄선으로 표시되는 선은?
- ① 기준선
- ② 중심선
- ③ 피치선
- ④ 가상선
등록된 댓글이 없습니다.
22. 경사면에 평행한 별도 투상면을 설정하고 경사면을 실제 모양으로 그려진 투상도를 무엇이라 하는가?
- ① 정 투상도
- ② 요점 투상도
- ③ 보조 투상도
- ④ 경사 투상도
등록된 댓글이 없습니다.
23. 일반구조용 압연강재의 KS 재료기호인 것은?
- ① SS
- ② SM
- ③ SCP
- ④ SP
등록된 댓글이 없습니다.
24. 보기 그림과 같은 등변 앵글의 기호와 치수 표시법은? (단, 길이는 ℓ 이다.)

- ① L A × B × t - ℓ
- ② L t × A × B × ℓ
- ③ L - B × A × t - ℓ
- ④ L - A × B × t/t - ℓ
등록된 댓글이 없습니다.
25. 다음 도면 중에서 상관선이 잘못된 것은?
- ①

- ②

- ③

- ④

등록된 댓글이 없습니다.
26. 보기와 같은 제3각 정투상도의 평면도와 우측면도에 가장 적합한 정면도는?
- ①

- ②

- ③

- ④

등록된 댓글이 없습니다.
27. 보기 입체도의 화살표 방향이 정면일 경우 평면도로 가장 적합한 투상은?

- ①

- ②

- ③

- ④

등록된 댓글이 없습니다.
28. 다음 그림에서 지시선에 기입된 12-7 드릴과 2-3 드릴은 무엇을 뜻하는가?

- ① 지름 7mm의 구멍 12개와 지름 3mm의 구멍 2개를 각각 드릴로 뚫는다.
- ② 지름 12mm의 구멍을 7개 지름 2mm의 구멍을 3개 씩 각각 드릴로 뚫는다.
- ③ 지름 12mm 깊이 7mm 의 구멍을 7개, 지름 2mm 깊이 3mm의 구멍을 1개 각각 뚫는다.
- ④ 지름 12mm의 구멍을 7mm 간격으로, 지름 2mm의 구멍 을 수평중심선을 대칭으로 하여 3mm 간격으로 뚫는다
등록된 댓글이 없습니다.
29. 보기와 같은 KS 용접 도시 기호 설명으로 틀린 것은?

- ① : 온둘레 현장 용접

- ② a5 : 필렛용접 목 두께 5mm
- ③ 3 : 단속 용접부의 개수 3개
- ④ 50 : 인접 용접부 간의 거리(피치) 50mm
등록된 댓글이 없습니다.
30. 물체를 평면위에 펼쳐 그린 것을 무엇이라 하는가?
- ① 투시도
- ② 평면도
- ③ 전개도
- ④ 입체도
등록된 댓글이 없습니다.
31. 철판의 두께가 3.2mm인 것으로 다음 그림과 같이 만들고자 하면 철판의 길이(L)를 얼마로 절단하여야 하겠는가?

- ① 386.85mm
- ② 376.8mm
- ③ 366.94mm
- ④ 356.7mm
등록된 댓글이 없습니다.
32. 직각으로 굽힘가공을 할때 플랜지의 최소높이는 굽힘반지름 중심에서 얼마까지인가?

- ① H = t
- ② H = 2t
- ③ H = 2.5t
- ④ H = 3t
등록된 댓글이 없습니다.
33. 다음 그림과 같이 철판의 두께가 2mm이고 굽힘선의 길이가 30cm이며, 판의 인장강도가 40kgf/mm2인 재료를 프레스에서 V형 굽힘하려 할 때 굽힘에 필요한 힘은 몇 kgf 인가? (단, 다이 홈 나비는 16mm이고, 보정값 C=1.5로 한다.)

- ① 2000
- ② 3000
- ③ 4500
- ④ 5500
등록된 댓글이 없습니다.
34. 원통 드로잉을 하였을 때 그림과 같이 플랜지 부분에 불규칙하게 늘어난 부분이 생긴다. 주된 이유로서 옳은 것은?

- ① 불순물이 지나치게 많으므로
- ② 압연판은 이방성이 있기때문
- ③ 드로잉 속도가 지나치게 빠르기 때문에
- ④ 드로잉형의 상형과 하형이 맞지 않았으므로
등록된 댓글이 없습니다.
35. 딥 드로잉(deep drawing) 강판으로 직경 ø 76.8의 제품을 드로잉 하고자 할 때 블랭크의 직경이 200 mm이라면 몇 공정으로 드로잉 할 수 있는가? (단, 드로잉률은 0.6, 재드로잉률은 0.8로 한다.)
- ① 3회
- ② 4회
- ③ 5회
- ④ 6회
등록된 댓글이 없습니다.
36. 가스용접의 가스불꽃 중에서 온도가 최고 높은 불꽃은?
- ① 산소 - 아세틸렌 불꽃
- ② 산소 - 메탄 불꽃
- ③ 산소 - 프로판 불꽃
- ④ 산소 - 수소 불꽃
등록된 댓글이 없습니다.
37. 외력을 가해서 리벳과 리벳 사이의 절단이 일어날 경우는 피치(pitch)가 좁을 때 일어나는데 설계상 외력에 견딜수 있는 피치(pitch)를 구하는 식은? (단, W:외력, t:판두께, d:리벳지름, ft:판의 인장응력, fs:리벳의 전단응력)

- ①

- ②

- ③

- ④

등록된 댓글이 없습니다.
38. 아래 그림과 같은 심은 무슨 심인가?

- ① 더블테일 심(dovetail seam)
- ② 더블 심(double seam)
- ③ 슬립 에스훅 심(slip s-hook seam)
- ④ 피츠버그 심(pittsburgh seam)
등록된 댓글이 없습니다.
39. 코킹(caulking)작업이 곤란한 판재의 두께는?
- ① 5mm 이하
- ② 6mm 이하
- ③ 7mm 이하
- ④ 8mm 이하
등록된 댓글이 없습니다.
40. 접시머리 리벳을 사용하는 리벳 시공시에 적합한 드릴작업은?
- ① 스폿 페이싱(spot facing)
- ② 보링(boring)
- ③ 카운터 싱킹(counter sinking)
- ④ 카운터 보링(counter boring)
등록된 댓글이 없습니다.
3과목 : 기계제도 및 용접일반
41. 제품가공 완료 후 도장작업의 목적으로 옳지 않은 것은?
- ① 제품의 안정성
- ② 물체의 보호
- ③ 색채 및 미장
- ④ 전기절연 등 특수성능
등록된 댓글이 없습니다.
42. 소재의 개방된 가장자리 부분이 늘어나 변형이 생겼을 때 어떤 방법에 의해 교정하는 것이 좋은가?
- ① 국부가열에 의한 교정
- ② 주름넣기 방법에 의한 교정
- ③ 다듬질 받침쇠에 의한 교정
- ④ 정반에 의한 교정
등록된 댓글이 없습니다.
43. 다음 측정기 중 아들자와 어미자로 되어있지 않은 것은?
- ① 마이크로미터
- ② 버니어캘리퍼스
- ③ 하이트게이지
- ④ 다이얼게이지
등록된 댓글이 없습니다.
44. 두꺼운 판재의 전개방법(제관전개) 설명 중 적합치 않은 것은?
- ① 판두께의 중립선을 길이로 한다.
- ② 평면도가 곡선일 경우 판두께의 중립선을 기준한다.
- ③ 각뿔같은 제품은 판두께의 중심보다 내측을 기준한다
- ④ 원통같은 제품은 판두께의 외측을 기준한다.
등록된 댓글이 없습니다.
45. 스프링 백(spring back)에 대한 설명 중 잘못된 것은?
- ① 탄성한도가 높을수록 커진다.
- ② 두께가 동일할 때, 굽힘 반지름이 클수록 커진다.
- ③ 두께가 동일할 때, 굽힘 각도가 예리할수록 커진다.
- ④ 다이의 어께 나비가 작을수록 작아진다.
등록된 댓글이 없습니다.
46. 판재로 용기를 만든후 그 가장자리에 강성을 부여하고 아름답게 하기 위하여 둥글게 말았다. 이러한 작업을 무엇이라 하는가?
- ① 코이닝(coining)
- ② 비딩(beading)
- ③ 크림핑(crimping)
- ④ 터닝(turning)
등록된 댓글이 없습니다.
47. 다음 정밀 전단법 중 펀치가 다이 속에 들어가지 않도록 한 뽑기법으로 클리어런스(clearance)가 마이너스(-)인 뽑기 방법은?
- ① 피니시 블랭킹
- ② 압출 뽑기법
- ③ 정밀 뽑기법
- ④ 상하 뽑기법
등록된 댓글이 없습니다.
48. 내부용적이 50L, 120 kgf/cm2인 산소용기의 압력이 사용 후 70 kgf/cm2까지 내려갔다. 산소의 사용량은?
- ① 5000 L
- ② 7500 L
- ③ 10000 L
- ④ 2500 L
등록된 댓글이 없습니다.
49. 전기저항 용접에서 발생하는 발열량 Q를 구하는 식은? (단, 전류 = I[A], 저항 = R[Ω], 통전시간 = t[sec], 발열량 = Q[cal]이다.)
- ① Q = 0.24IRt2
- ② Q = 24IRt2
- ③ Q = 24I2Rt
- ④ Q = 0.24I2Rt
등록된 댓글이 없습니다.
50. 전단 저항이 60㎏f/mm2 인 강재를 전단할 때 판두께 3.2mm 전단길이 100mm 이면 최대 전단 하중은 몇 kgf인가?
- ① 19200
- ② 787200
- ③ 7872
- ④ 13120
등록된 댓글이 없습니다.
51. 가스절단에서 절단팁과 모재간의 거리는 절단의 결과에 많은 영향을 주게되는데 백심불꽃과 모재간의 적당한 거리는?
- ① 1.5 ~ 2.0 mm
- ② 2.5 ~ 3.0 mm
- ③ 3.5 - 4.0 mm
- ④ 4.5 - 5.0 mm
등록된 댓글이 없습니다.
52. 다음의 물체 중 수평으로 절단하면 단면이 삼각형으로 되는 것은?
- ① 정육면체
- ② 정사각뿔
- ③ 육각기둥
- ④ 정삼각뿔
등록된 댓글이 없습니다.
53. 다음 피복아크 용접봉의 종류 중에서 일미나이트게 용접봉을 나타내는 것은?
- ① E4301
- ② E4303
- ③ E4313
- ④ E4316
등록된 댓글이 없습니다.
54. 다음의 금속재료 중에서 아세틸렌(C2H2)가스와 화합하여 폭발성의 위험이 없는 것은?
- ① 구리
- ② 아연
- ③ 수은
- ④ 은
등록된 댓글이 없습니다.
55. 물체와 물체 사이의 일정간격을 유지하는데 사용되는 볼트는?
- ① 아이 볼트
- ② 스테이 볼트
- ③ 스터드 볼트
- ④ 관통 볼트
등록된 댓글이 없습니다.
56. 다음 중 철골구조의 특징이 아닌 것은?
- ① 공기(工期)를 단축할 수 있다.
- ② 가설 공사시 위험성이 매우 높다.
- ③ 기둥의 좌굴 현상을 고려해야 한다.
- ④ 기존 구조물을 철거시 자재를 재사용할 수 없다.
등록된 댓글이 없습니다.
57. 마킹 작업에 사용하는 약자 중 틀린 것은?
- ① M.K : 맞춤표
- ② FT8 : 판두께 8mm
- ③ SL : 슬롯
- ④ F.L : 플랜지
등록된 댓글이 없습니다.
58. 압력용기를 제작할 때 사용되는 재료의 허용 한계를 정하여 두고 사용 제한을 받는데 탄소강 중 일반 구조용 압연강재의 사용제한에 해당되지 않는 것은?
- ① 최고 사용압력이 4 MPa을 넘는 SS330종, 압력 용기의 동체, 경판, 기타 여기에 속하는 부분
- ② 치사적 물질을 보유하는 SS330종 압력용기의 동체, 경판, 기타 여기에 속하는 부분
- ③ 최고 사용온도가 350℃를 넘는 SS330종 압력용기의 동체, 경판, 기타 여기에 속하는 부분
- ④ 최고 사용압력이 1 MPa을 넘는 SS330종 압력 용기의 동체에 길이 이음으로 용접하는 것
등록된 댓글이 없습니다.
59. 압력용기의 동체 조립에 있어서 가용접 및 용접하기 전에 확인해야 할 사항이 아닌 것은?
- ① 각 부품의 모양과 치수를 확인한다.
- ② 각 부품의 롤흠, 모재의 롤흠은 남겨둔다.
- ③ 루트 간격 및 개선각도를 확인한다.
- ④ 개선면은 청결하게 산화물,도료,수분 등을 제거한다.
등록된 댓글이 없습니다.
60. 다음 변형교정 작업 중 수공구에 의한 변형 교정 작업 방법이 아닌 것은?
- ① 가감나사 사용
- ② 변형교정 롤에 의한 방법
- ③ 해머에 의한 방법
- ④ 교정용 엔빌에 의한 방법
등록된 댓글이 없습니다.