의공기사(2017. 3. 5.) 시험일자 : 2017년 3월 5일
1과목 : 기초의학 및 의공학
1. 전해질 겔(electrolyte gel)의 역할에 대한 설명으로 틀린 것은?
- ① 전극과 피부사이에 절연층을 만든다.
- ② 전극과 피부간의 전기적 저항을 줄인다.
- ③ 전극과 피부간의 전기적 접촉 상태를 좋게 유지한다.
- ④ 피부 각질층의 전기 전도도를 증가시킨다.
등록된 댓글이 없습니다.
2. 그림의 초음파 혈류계를 이용하여 혈류의 속도를 측정하는 메커니즘에 대해 잘못 설명한 것은?

- ① 두 개의 초음파 송수신 장치(T)와 한 개의 반사판(Reflector)으로 구성되어 있다.
- ② 초음파가 반사판을 통과한 후 들어오는 각도를 계측한다.
- ③ 한 쪽의 초음파 송신장치를 출발한 초음파가 혈관과 반사판을 지나 수신 장치에 들어올 때까지의 진행 시간을 계측한다.
- ④ 혈류량을 계측할 때는 혈관의 단면에 대한 대략적인 정보가 필요하다.
등록된 댓글이 없습니다.
3. 실무율에 대한 설명 중 트린 것은?
- ① 신경에 자극을 가할 때 역치 이상일 때는 반응을 일으키고, 역치 이하일 때는 활동 전압은 발생되지 않으나 다만 흥분성의 변화만이 있는 것을 실무율이라고 한다.
- ② 단일 신경섬유가 자극의 강도에 따라 최고의 흥분을 하거나 흥분을 하지 않는 현상을 말한다.
- ③ 실무율은 신경세포에서만 일어난다.
- ④ 단일 세포에서 관찰되는 성질이다.
-2022. 2. 23. 20:00삭제
실무율은 신경세포 뿐만 아니라 근육세포에서도 일어난다.
4. 다음 중 ATP를 소모하는 이온의 이동과정은?
- ① 세포내부에서 외부로 K+이동
- ② 세포내부에서 외부로 Ca2+이동
- ③ 세포내부에서 외부로 Na+이동
- ④ 세포내부에서 외부로 SO42-이동
등록된 댓글이 없습니다.
5. 인체의 혈액량은 대략 체중의 몇 퍼센트 정도인가?
- ① 1%
- ② 7%
- ③ 23%
- ④ 54%
등록된 댓글이 없습니다.
6. 방사성 붕괴 시 나타나는 현상과 거리가 먼 것은?
- ① alpha decay
- ② X-ray decay
- ③ positron decay
- ④ gamma decay
등록된 댓글이 없습니다.
7. 미세전극(microelectrode)에 대한 설명으로 틀린 것은?
- ① 전극의 길이는 0.05~10㎛정도이다.
- ② 세포의 활동전위를 측정하기 위한 전극이다.
- ③ 급속 미세전극, 유리 마이크로피펫 미세전극등이 있다.
- ④ 인체 내에 삽입하는 전극이다.
등록된 댓글이 없습니다.
8. 휴지기 전위를 조정하는 메커니즘이 아닌 것은?
- ① Na+이온보다 K+이온을 더 잘 통과시킨다.
- ② 삼투 현상에 의해 이온을 이동시켜 준다.
- ③ 크기가 큰 음전하의 단백질은 세포막을 통과할 수 없다.
- ④ Na+/K+펌프는 Na+ 이온 3개를 내보낼 때 K+이온 2개를 들여온다.
배움2023. 2. 21. 14:54삭제
3번 틀린 이유 :
-2022. 2. 23. 20:01삭제
휴지기 전위 때는 ATP를 사용해 이온을 이동시킴 (Na+-K+펌프)
9. 서미스터(thermistor)에 대한 설명으로 틀린 것은?
- ① 반도체 물질의 온도가 증가하면 저항값이 감소하는 부특성을 주로 이용한다.
- ② 소형으로 만들 수 있으며 응답속도가 빠르다.
- ③ 구조적으로 직열형, 방열형, 지연형으로 구분된다.
- ④ 온도를 기전력으로 바꾸어 전류를 흐르게 한다.
등록된 댓글이 없습니다.
10. 심장의 벽은 3층 구조로 되어 있다. 밖에서부터 차례로 옳게 나열된 것은?
- ① 심외막-심근-심내막
- ② 심내막-심근-심외막
- ③ 심외막-심내막-심근
- ④ 심내막-심외막-심근
등록된 댓글이 없습니다.
11. 다음 ( )안에 들어갈 적절한 용어는?

- ① left
- ② medial
- ③ inferior
- ④ lateral
등록된 댓글이 없습니다.
12. 이식형 생체 전극의 특징으로 틀린 것은?
- ① 인체에 삽입되는 전극이다.
- ② 장기간 측정용으로 사용 가능하다.
- ③ 전극의 신호는 무선방식으로만 전달된다.
- ④ 인체 내부 장기의 전위 측정이나 전기 자극을 목적으로 한다.
등록된 댓글이 없습니다.
13. 포도당 바이오센서에는 어떤 물리량을 측정하는 센서가 필요한가?
- ① 산소농도
- ② 질소농도
- ③ pH
- ④ 온도
등록된 댓글이 없습니다.
14. 일반적으로 혈액의 온도가 낮아질 때의 현상으로 옳은 것은?
- ① 산소와 영양분 공급이 풍부해진다.
- ② 혈류속도가 빨라진다.
- ③ 액체의 점성이 커진다.
- ④ 혈류저항이 작아진다.
등록된 댓글이 없습니다.
15. 류마티스 관절염의 특징이 아닌 것은?
- ① 자가면역질환이다.
- ② 남성에 비해 여성의 발병률이 높다.
- ③ 모든 관절에 생길 수 있다.
- ④ 60대 이상 노인들에게만 발병한다.
등록된 댓글이 없습니다.
16. 금속판 전극을 사용할 수 없는 곳은?
- ① 등
- ② 복부
- ③ 넓적다리
- ④ 소장
등록된 댓글이 없습니다.
17. 분극 전극이 아닌 것은?
- ① 스테인리스 재질의 바늘형 전극
- ② 겔을 사용하지 않은 건성 전극(dry electrode)
- ③ 엔치 내부에 이식하는 백금 전극
- ④ 일회용 Ag-AgCl 전극
ㅇㅇ2022. 2. 13. 13:36삭제
Ag-Agcl은 대표적인 비분극형전극
18. 위액 분비를 자극하는 인자가 아닌 것은?
- ① 아세틸콜린(acetylcholine)
- ② 펩시노겐(perpsinogen)
- ③ 가스트린(astrin)
- ④ 히스타민(histamine)
등록된 댓글이 없습니다.
19. 탄성한계 내에서 압력 또는 변위에 따른 전선의 길이, 직경의 변화를 이용하는 트랜스듀서는?
- ① 스트레인게이지
- ② 압전소자
- ③ 서미스터
- ④ 바리스터
등록된 댓글이 없습니다.
20. 골격의 기능으로 옳은 것은?
- ① 소화기능
- ② 배설기능
- ③ 발성기능
- ④ 조혈기능
등록된 댓글이 없습니다.
2과목 : 의용전자공학
21. 다음의 다이오드 소자 중 순방향 동작 전압이 가장 낮은 것은?
- ① 제너 다이오드
- ② 가변용량 다이오드
- ③ 발광 다이오드
- ④ 쇼트키 다이오드
등록된 댓글이 없습니다.
22. 출력 전력 100W의 반송파를 50% 변조할 때 측파대 전력은 몇 W인가?
- ① 3.5
- ② 6.5
- ③ 10.5
- ④ 12.5
-2022. 2. 27. 00:07삭제
100*1/2*0.5^2
= 50*0.25
= 12.5
23. 그림과 같이 반파 정류된 전압의 평균값은?

- ① 약 3.82 V
- ② 약 6 V
- ③ 약 7.64 V
- ④ 약 12 V
-2022. 2. 23. 22:02삭제
반파 정류된 전압의 평균값 = VP / π = 12 / π = 3.82
ㅇㅇ2022. 2. 13. 14:50삭제
-정현파
1. 평균값 : Vm x 0.637
2. 실효값 : Vm x 0.707
-정현반파
1. 평균값 : Vm x 0.637 x 1/2
2. 실효값 : Vm x 0.707 x 1/2
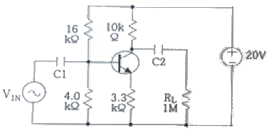
24. 다음 회로에서 트랜지스터의 βDC는 200이고, VBE=0.7V이다. C1과 C2의 용량은 리액턴스를 무시할 수 있을 정도로 충분히 크다. VIN=1mV일 때 RL에 출력되는 교류전압은 몇 mV 인가?

- ① 400
- ② 30
- ③ 10
- ④ 3
등록된 댓글이 없습니다.
25. 아날로그 신호를 디지털 신호로 변환할 때 발생하는 양자화 오차에 대한 설명으로 틀린 것은?
- ① 연속되는 양을 이산값으로 근사화 시킬 때 원신호와의 차이로 발생하는 오차를 말한다.
- ② 디지털화에 따르는 품질저하의 원인이 된다.
- ③ 양자화 잡음을 줄이기 위해 양자화 폭을 일정하게 고정하는 선형 양자화 방법이 있다.
- ④ 계단 형태의 신호를 저역 통과 필터에 적용할 때 발생한다.
등록된 댓글이 없습니다.
26. 10진수 314를 16진수로 옳게 변환한 것은?
- ① FF
- ② 12D
- ③ 13A
- ④ 213
등록된 댓글이 없습니다.
27. 마이크로컴퓨터의 입출력 시스템에서 인터페이스(interface) 회로의 기본적인 기능에 해당되지 않는 것은?
- ① 데이터 형식의 변환
- ② 입출력 장치의 상태조사
- ③ 전송의 동기 제어
- ④ 신호의 레벨 제어
등록된 댓글이 없습니다.
28. JK 플립플롭에서 J=0, K=0 그리고 Q=0일 때의 다음 상태인 Q1과, J=0, K=0 그리고 Q=1일 때의 다음 상태인 Q2를 올바르게 표현한 것은? (단, Q는 현재 상태를 의미한다.)
- ① Q1=0, Q2=0
- ② Q1=0, Q2=1
- ③ Q1=1, Q2=0
- ④ Q1=1, Q2=1
등록된 댓글이 없습니다.
29. 뇌전도 측정법에 관한 설명 중 틀린 것은?
- ① 깊은 수면 중에 강하게 나타나는 뇌파는 델타(δ)파이다.
- ② 10-20 전극배치법은 전극을 전두엽에 10개, 후두엽에 20개를 배치하는 방법이다.
- ③ 단극유도법으로 측정하면 대뇌피질 및 심부의 이상 상태를 쉽게 발견할 수 있다.
- ④ 단극유도법의 기준 전극은 일반적으로 귓볼에 장착한다.
등록된 댓글이 없습니다.
30. 아날로그 신호를 변조하여 전송할 때의 변조 방식이 아닌 것은?
- ① 진폭 변조
- ② 주파수 변조
- ③ 위상 변조
- ④ 델타 변조
등록된 댓글이 없습니다.
31. 전자기유도에 대한 설명 중 틀린 것은?
- ① 회로에 쇄교하는 자속이 시간적으로 변화하면 기전력이 발생한다.
- ② 전자기유도 회로에서 발생하는 기전력은 쇄교 자속의 시간 변화율에 반비례한다.
- ③ 유도 기전력의 방향은 렌츠의 법칙(Lenz’s law)으로 알 수 있다.
- ④ 와전류의 원인이 된다.
등록된 댓글이 없습니다.
32. 뇌전도에 대한 설명으로 틀린 것은?
- ① 뇌의 전기적 활동은 신경세포에 의해 발생한다.
- ② 뇌전도는 수십 μV 정도의 극히 미세한 전위이다.
- ③ 10Hz~100Hz 범위의 주파수 특성을 갖는다.
- ④ 간질, 수면장애 등의 뇌관련 질환의 진단에 유용하다.
등록된 댓글이 없습니다.
33. 생체 계측을 위한 시스템의 기본 구성 요소가 아닌 것은?
- ① 측정대상
- ② 센서
- ③ 출력장치
- ④ 압력
등록된 댓글이 없습니다.
34. 다음의 저항 연결에 관한 설명 중 틀린 것은?
- ① 두 개의 저항이 직렬 연결된 회로에서는 저항이 큰 쪽의 전압강하가 더 크다.
- ② 두 개의 저항이 병렬 연결된 회로에서는 저항이 큰 쪽에 흐르는 전류가 더 크다.
- ③ 전류계와 저항을 병렬 연결하면 전류계의 측정점위가 확대된다.
- ④ 전압계와 저항을 직렬 접속하면 전압계의 측정점위가 확대된다.
등록된 댓글이 없습니다.
35. 마이크로프로세서의 동작에 관한 설명으로 틀린 것은?
- ① 마이크로프로세서의 타이밍 동작은 패치(fatch) 사이클이 존재한다.
- ② 마이크로프로세서의 타이밍 동작은 실행(execute) 사이클이 존재한다.
- ③ 1명령당의 기간을 명령(instruction) 사이클이라 한다.
- ④ 클럭의 1주기를 스택(stack) 사이클이라 한다.
의공기사2024. 6. 29. 10:58삭제
클럭의 1주기를 싸이클 혹은 period 라고 합니다.
36. 주파수 범위가 8~13Hz이고, 정서적으로 안정된 상태에 있을 때 가장 활성화되는 뇌전도 파형은?
- ① 델타(δ)파
- ② 세타(θ)파
- ③ 알파(α)파
- ④ 베타(β)파
등록된 댓글이 없습니다.
37. 진공 중에 두 점전하 Q1과 Q2사이에 작용하는 힘을 F라고 하고, Q1과 Q2 부근에 점전하 Q3을 놓을 경우에 Q1과 Q2사이에 새롭게 작용하는 힘을 F’라고 하면, F와 F’의 크기 관계를 옳게 표현한 것은?
- ① F > F’
- ② F < F’
- ③ F = F’
- ④ Q3의 크기에 따라 다르다.
등록된 댓글이 없습니다.
38. A급 증폭기에 관한 설명 중 옳은 것은?
- ① 정현과 신호의 입력에 대하여 반주기 이하의 출력을 얻을 수 있으며, 주로 고주파 동조 증폭기에서 이용된다.
- ② 반주기(180도)보다 조금 많은 영역에서 동작하도록 바이어스 되어 있다.
- ③ 신호가 없는 상태에서 트랜지스터에 전류가 흐르지 않으며, 정현파 신호를 인가할 때 반주기만큼 전류가 흐른다.
- ④ 입력주기의 전주기에 대하여 선형영역에서 동작하며, 출력파형과 입력파형의 모양이 같다.
ㅇㅇ2022. 2. 13. 14:42삭제
• A급 바이어스 증폭기
– 컬렉터 전류의 선형영역 중앙 근처
에 동작점이 설정됨
– 입력전류의 전체 주기가 왜곡 없이
증폭되어 컬렉터 전류로 나오므로
선형성이 잘 유지됨
• B급 바이어스 증폭기
– 트랜지스터의 차단점(즉, ICQ=0이
되는 지점)에 동작점이 설정됨
– 입력전류의 양(+)의 반 주기만 증폭
되어 컬렉터 전류로 나오며, 음(-)의
반 주기는 컬렉터 전류가 흐르지 않
아 출력파형의 왜곡이 심함
• AB급 바이어스 증폭기
– 동작점을 A급 바이어스 쪽으로 약
간 이동시킨 증폭기
– B급 푸시풀 증폭기의 VBE 전압강하
에 의한 출력파형 왜곡을 없애기 위
함
– 전력효율이 B급 증폭기보다는 작고,
A급 증폭기보다는 큼
• C급 바이어스 증폭기
- 트랜지스터의 차단점 이하에 동작점
이 설정됨
- 입력신호의 반 주기 이하의 일부만
출력으로 나오고, 나머지 반 주기 이상
이 차단되어 출력파형의 왜곡이 가장
심함
39. 생체계측 시에 증폭기의 신호 출력을 측정하였더니 0.505V이고, 신호를 제거하고 잡음을 측정하였더니 50.5μV인 경우 S/N비는 몇 dB인가?
- ① 10
- ② 40
- ③ 60
- ④ 80
등록된 댓글이 없습니다.
40. 심장 박동에 따라 발생되는 미세한 체적의 변화를 측정하여 가시적으로 기록하는 맥과 검사법은?
- ① 용적맥파법
- ② 압맥파법
- ③ 오실로메트릭 방법
- ④ 초음파 감지법
등록된 댓글이 없습니다.
3과목 : 의료안전·법규 및 정보
41. 방사선 관계 종사자의 선량한도 기준으로 틀린 것은?
- ① 수정체 등가선량: 연간 150mSv 이하
- ② 피부 등가선량: 연간 500mSv 이하
- ③ 유효선량: 연간 50mSv 이하
- ④ 5년간 누적 유효선량: 250mSv 이하
ㅇㅇ2022. 2. 13. 14:56삭제
연간 50mSv(5rem) 이하여야 하며, 5년간 누적선량은 100mSv(10rem) 이하여야
한다.
42. 향후 PACS의 발전방향과 거리가 먼 것은?
- ① 병원정보시스템과 분리
- ② 컴퓨터 보조 진단에 응용
- ③ 영상의학의 연구 및 교육 정ㅂ 제공
- ④ 3차원 영상 기술의 활용
등록된 댓글이 없습니다.
43. 병원에서 주로 사용하는 의료 가스는 가스 중앙 파이프 시스템을 통해 공급이 이루어진다. 시스템 구성에 있어서 필요 없는 것은?
- ① 고압가스 실린더
- ② 진공펌프
- ③ 콤프레서(compressor)
- ④ 산업용 가스
등록된 댓글이 없습니다.
44. 의료폐기물의 전용용기에 표시하는 도형의 색상을 잘못 연결한 것은?
- ① 재활용하는 태반 - 녹색
- ② 격리의료폐기물 - 붉은색
- ③ 위해의료폐기물(상자형 용기) - 노란색
- ④ 일반의료폐기물 – 흰색
등록된 댓글이 없습니다.
45. 다음 중 5년 이하의 징역 또는 5천만원 이하의 벌금에 해당하는 경우는?
- ① 허가 또는 인증을 받지 아니하거나 신고를 하지 아니한 읠기기를 수리ㆍ판매ㆍ임대ㆍ수여를 한 경우
- ② 사용 시 국민건강에 중대한 피해를 주거나 치명적 영향을 줄 가능성이 있는 것으로 인정되는 의료기기에 대해 사용중지의 명령을 위반한 자의 경우
- ③ 의료기기의 첨부문서에 사용방법과 사용 시 주의사항을 기입하지 않은 경우
- ④ 고의 또는 중대한 과실로 거짓의 기술문서심사결과통지서, 임상시험결과보고서, 비임상시험성적서를 작성 또는 발급에 해당하는 위반행위를 한 자의 경우
지나가던 대학생2024. 2. 13. 17:24삭제
1번은 5년 이하의 징역 또는 5천만원 이하의 벌금,
1번제외 나머지 법령을 위반시 3년 이하의 징역 혹은 3000만원이하의 벌금입니다
46. 인체에 흐르는 전류와 인체반응에서 전류는 실효치, 주파수 60Hz, 1초간 통전-매크로 쇼크 전류 조건에서 통증, 혼절가능, 기절, 허탈, 피로감을 느끼는 최소 전류값은 얼마 이상인가?
- ① 1mA
- ② 6A
- ③ 50mA
- ④ 1A
등록된 댓글이 없습니다.
47. 병원정보시스템 전상망 구축 시 고려해야할 사항으로 틀린 것은?
- ① 이동성 및 공공복지 증진
- ② 안정성
- ③ 보안성
- ④ 전산망 설치 공간
등록된 댓글이 없습니다.
48. 의료기기위원회는 분야별로 분과위원회를 둘 수 있는데 분과위원회의 구성 기준은?
- ① 5명 이내의 위원으로 구성
- ② 10명 이내의 위원으로 구성
- ③ 20명 이내의 위원으로 구성
- ④ 30명 이내의 위원으로 구성
등록된 댓글이 없습니다.
49. 의료기기의 과온 및 기타 위해요인에 대한 보호에서 초과하는 온도에 도달하지 않아야 하는 최대 허용온도가 틀린 것은?
- ① A종 절연재료: 105℃
- ② E종 절연재료: 100℃
- ③ F종 절연재료: 155℃
- ④ B종 절연재료: 130℃
ㅇㅇ2022. 2. 13. 15:15삭제
E 120
B 130
F 155
H 180
50. 레이저와 조직 간에 발생하는 상호작용 중 함유된 에너지가 일반적으로 약 1~2mJ로 적은 양이지만 몇 나노 초(ns)동안 GW(gigawatt)의 파워에 도달하는 높은 강도의 펄스를 이용하여 대상 조직을 이온화하는 것은?
- ① 확산효과
- ② 온열효과
- ③ 광분해효과
- ④ 광화확효과
등록된 댓글이 없습니다.
51. 접지공사의 종류 중 제3종 접지공사의 접지저항 값은 최대 몇 Ω 이하인가?
- ① 10Ω 이하
- ② 10MΩ 이하
- ③ 100kΩ 이하
- ④ 100Ω 이하
바보2025. 2. 12. 03:44삭제
1종 접지공사 : 10옴, 2종 접지공사 : 5옴, 3종 접지공사 : 100옴, 특별 3종 접지공사 : 10옴
바이오2022. 3. 4. 21:08삭제
바메공 화이팅^^
다들 한번에 붙어라~~
52. 의료기기의 습열 멸균 공정에 대한 성과 적격성 검증 기준으로 틀린 것은?
- ① 유지시간 전체에 걸쳐 온도 및 압력이 일정하게 유지되거나 사전에 결정된 프로필을 따라야 한다.
- ② 수증기가 멸균 온도 대역 내의 온도 및 수증기 압력에 상응하는 온도에 해당되어야 한다.
- ③ 유지시간 전체에 걸쳐 측정된 온도는 멸균 온도 +10K를 상한선으로 하여 소정의 멸균 온도 대역 내에 해당되어야 한다.
- ④ 평형시간은 800L 미만의 멸균기 챔버의 경우에 15초를, 이보다 큰 멸균기 챔버의 경우에 30초를 각기 초과해서는 안 된다.
바보2025. 2. 12. 03:45삭제
3K가 상한선
비둘기2024. 2. 13. 17:25삭제
+10k는 너무 높은 온도라서 기기를 손상시킬정도이므로 3번이 틀렸습니다
고로 정답은 3번 입니다
53. 전자파에 관한 설명으로 틀린 것은?
- ① 빛의 속도와 같은 속도로 진행한다.
- ② 전자기 에너지이다.
- ③ 파장이 짧을수록 에너지는 커진다.
- ④ 주파수가 낮을수록 높은 투과력을 갖는다.
등록된 댓글이 없습니다.
54. 어미 허가를 받은 의료기기와 구조ㆍ원리ㆍ성능ㆍ사용목적 및 사용방법 등이 본질적으로 동등한 의료기기의 경우에는 제출하지 않아도 되는 것은?
- ① 이미 허가받은 제품과 비교한 자료
- ② 사용목적에 관한 자료
- ③ 작용원리에 관한 자료
- ④ 기원 또는 발견 및 개발경위에 관한 자료
등록된 댓글이 없습니다.
55. 병원정보시스템(HIS)의 구성 요소에 포함되지 않는 것은?
- ① WMS(웨어하우스 관리 시스템)
- ② OCS(처방전달시스템)
- ③ PACS(의료영상시스템)
- ④ OA(사무자동화시스템)
-2023. 8. 16. 11:57삭제
병원정보시스템은 내부적으로 다음 시스템들의 결합으로 구성된다.
임상 정보 시스템 (CIS)
재무 정보 시스템 (FIS)
검사실 정보 시스템 (LIS)
간호 정보 시스템 (NIS)
약국 정보 시스템 (PIS)
의료 영상 저장 전송 시스템 (PACS)
방사선과 정보 시스템(RIS)
처방 전달시스템(OCS)
전자 의료 기록(EMR)
광역 의료 정보 시스템(WAMIS)
56. 체계화된 의학 및 수의학용 명명법으로서, 질병의 여러 가지 특성을 다축체계로 코드화한 분류체계는?
- ① ICD
- ② SNOMED
- ③ CPT
- ④ RCC
-2023. 8. 16. 12:06삭제
ICD - 국제질병·사인분류
SNOMED - 다국어의 포괄적인 임상 의료 용어 체계, 건강 정보에서 사용되는 의미를 코드화하고 효과적인 임상 기록을 지원
CPT - 치료절차와 관련된 임상내용을 표현할 수 있는 용어
RCC - 신장암(Renal cell carcinoma)
57. 전기쇼크 방지 방법에 대한 내용으로 틀린 것은?
- ① 환자를 모든 접지된 물체나 모든 전류원으로 부터 분리시키거나 절연시키는 것이다.
- ② 환자가 닿을 수 있는 모든 전도체를 같은 전위(등전위) 상태로 유지하는 것이다. 반드시 접지 전위로 만들어야 한다.
- ③ 의료용 접지방식을 준수하여 전기쇼크를 방지한다.
- ④ 장치설계 시 전기쇼크 안전을 고려하고 사용 절차 중 전기 쇼크 방지에 주의한다.
-2022. 2. 23. 22:13삭제
반드시 접지 전위로 만들 필요는 없다.
58. 다음에 공통적으로 해당되는 시기는?

- ① 1950년대
- ② 1960년대
- ③ 1970년대
- ④ 1940년대
등록된 댓글이 없습니다.
59. 의료기기의 범위에 해당하지 않는 것은?
- ① 질병을 진단ㆍ치료ㆍ경감ㆍ처치 또는 예방할 목적으로 사용되는 제품
- ② 상해(傷害) 또는 장애를 진단ㆍ치료ㆍ경감 또는 보정할 목적으로 사용되는 제품
- ③ 재활분야의 장애인 보조기구 중 의지ㆍ보조기의 목적으로 사용되는 제품
- ④ 임신을 조절할 목적으로 사용되는 제품
등록된 댓글이 없습니다.
60. 휴대형 의료용전기기기의 기계적 안전을 위한 낙하시험에서 기기의 중량법 낙하높이로 틀린 것은?
- ① 7kg - 5cm
- ② 30kg - 4cm
- ③ 45kg - 3cm
- ④ 70kg – 2cm
비둘기2024. 2. 13. 17:28삭제
10이하 중량 - 5cm
10~50 중량 - 3cm
50이상 중량 - 2cm 입니다
4과목 : 의료기기
61. 인공호흡기의 호흡조절방식 중 환자가 자연스런 호흡을 하면서 인공호흡기가 정해진 1회 호흡량을 정해진 횟수에 따라 전달하는 양식으로 환자의 자발적인 호흡사이에 치료자가 설정한 강제적 환기를 삽입한 호흡조절 방식은?
- ① 지속성 기도양압(CPAP)
- ② 호기말 양압호흡(PEEP)
- ③ 간헐적 강제환기(IMV)
- ④ 계속적 인공호흡기(CMV)
등록된 댓글이 없습니다.
62. 심전도 파형에서 QRS 복합파는 심실의 수축을, T파는 불응기를 나타낸다면 P파는 어떤 현상을 반영하는가?
- ① 심방의 불응
- ② 심실의 수축
- ③ 심방의 수축
- ④ 심실의 불응
등록된 댓글이 없습니다.
63. 초음파 진단 장치에서 초음파의 주파수가 증가할 경우 나타나는 현상으로 옳은 것은?
- ① 공간분해능 저하 및 감쇠 감소
- ② 공간분해능 저하 및 감쇠 증가
- ③ 공간분해능 향상 및 감쇠 증가
- ④ 공간분해능 향상 및 감쇠 감소
등록된 댓글이 없습니다.
64. 다음 혈류량 측정법 중에서 골격근이나 피부 조직에서의 혈류량 측정법으로 가장 적당한 것은?
- ① 임피던스 측정법
- ② 소실율 측정법
- ③ 광전식 플레티스모그래피 측정법
- ④ 콘덴서식 플레티스모그래피 측정법
등록된 댓글이 없습니다.
65. 인공심폐기용 산화기로는 기포형과 막형이 있다. 산화기에 대한 설명 중 틀린 것은?
- ① 막형 산화기의 경우 반투과막을 통해 가스교환이 이루어진다.
- ② 기포형 산화기의 경우 최근에 많이 사용되고 있다.
- ③ 기포형 산회기의 경우 2시간 이내의 단기간 관류(perfusion)에 유리하다.
- ④ 두 경우 모두 산소의 공급 및 이산화탄소 제거 기능을 가지고 있다.
등록된 댓글이 없습니다.
66. 마취제로 사용되는 것이 아닌 것은?
- ① 에테르(ether)
- ② 피라비탈(pyrabital)
- ③ 메틸헥사비탈(methyl hexabital)
- ④ 에페드린(ephedrine)
ㅇㅇ2022. 2. 13. 15:36삭제
피라비탈 (Pyrabital ): 아미노피린 2 분자량과 바르비탈(barbital) 1 분자량을 섞어 만든 약. 흰색 또는 연한 노란색의 결정성 가루로 두통, 치통, 생리통, 멀미, 외과 수술 후의 통증 따위를 치료하는 데에 쓰인다.
67. 진단용 방사선 발생장치에서 X-선 광자에 관한 설명 중 틀린 것은?
- ① X-선 광자의 에너지 단위는 주로 keV가 사용된다.
- ② 1keV 에너지는 전자가 1kV의 전위차를 이동하면서 얻는 운동에너지이다.
- ③ 진단방사선기기에서 사용하는 X-선 에너지의 범위는 20~150keV이다.
- ④ X-선의 파장이 짧을수록 에너지는 감소한다.
-2022. 2. 23. 22:14삭제
파장과 에너지는 반비례 관계
따라서 파장이 짧을수록 에너지는 증가한다.
68. 감마나이프(Gamma Knife)의 구성에 해당되지 않는 것은?
- ① 조사부(radiation unit)
- ② 고조파 발진부
- ③ 시준기 헬멧(collimator helmet)
- ④ 환자 테이블
-2022. 2. 27. 00:15삭제
고조파 발진부는 선형가속기의 가속장치의 구성
69. IABP(Intra Aortic Balloon Pump)의 심기능 보조 메커니즘이 아닌 것은?
- ① 관상동맥의 혈류량이 증가한다.
- ② 심박출량이 감소한다.
- ③ 풍선의 수축과 확장에 의해 심장의 후부하가 감소한다.
- ④ 심장의 산소 소비량이 감소한다.
등록된 댓글이 없습니다.
70. 레이저 의료기기는 인체에 다양한 어떤 작용을 하게 된다. 다음 중에서 세포막 파괴, 세포로부터의 수분 증발, 팽창, 세포 파열 등을 일으키는 레이저 의료기기의 작용은?
- ① 열작용
- ② 광작용
- ③ 전자작용
- ④ 혈액응고작용
등록된 댓글이 없습니다.
71. X-선이나 초음파로 뼈의 칼슘농도를 측정하여 뼈의 상태를 진단하는 기기는?
- ① 환자감시장치
- ② 혈압계
- ③ 골밀도 측정기
- ④ 캠슐형 내시경
등록된 댓글이 없습니다.
72. 전정기능을 회전자극으로 검사하기 위한 회전 형태는?
- ① 등가속 단방향 회전자극
- ② 등가속 양방향 회전자극
- ③ 각가속 단방향 회전자극
- ④ 각가속 양방향 회전자극
등록된 댓글이 없습니다.
73. 인공고관절 수술 후 시간의 흐름에 따른 마모로 인해서 금속이나 세라믹 등의 미립자들이 떨어져 나와 여러 생체반응을 일으키게 되는데 이 중 뼈에 생기는 현상은?
- ① 마찰계수의 저하
- ② 골흡수
- ③ 탈구
- ④ 골용해
등록된 댓글이 없습니다.
74. 영구형 페이스메이커의 특징이 아닌 것은?
- ① 전극과 본체를 모두 체내에 이식
- ② 응급상황에서 응급처리를 위해 주로 사용
- ③ 크기가 작고 가벼움
- ④ 전극은 정맥을 통해 심장에 삽입하기도 함
-2022. 2. 27. 00:16삭제
2번은 임시형 페이스메이커
75. 핵의학 영상 장치에서 트랜지스터나 진공관을 이용할 때보다 훨씬 잡음이 적으므로 미약한 비츨 검출할 때 사용되는 것은?
- ① 가이거-뭘러 카운터(GM counter)
- ② NaI 섬광 검출기
- ③ 광전자증배관(Photomultiplier)
- ④ 시준기(Collimator)
등록된 댓글이 없습니다.
76. 혈관 수축에 의해 혈관의 내경이 1/2로 줄어들었다. 이 때 혈관에 흐르는 혈류량의 변화에 대한 설명으로 옳은 것은?
- ① 1/2로 줄어든다.
- ② 1/4로 줄어든다.
- ③ 1/8로 줄어든다.
- ④ 1/16로 줄어든다.
등록된 댓글이 없습니다.
77. 의료영상을 얻기 위한 초음파 트랜스듀서에 관한 설명으로 가장 옳지 않은 것은?
- ① 초음파를 발생시키기 위하여 어떤 종류의 결정체를 압축하거나 늘렸을 때 결정의 양면에 전하가 발생하는 압전효과(piezoelectric effect)를 주로 사용한다.
- ② 세라믹 물질인 PZT(lead zirconate titanate)를 널리 사용한다.
- ③ 초음파 트랜스듀서에서 발생한 음파는 일정거리에서는 접속을 유지하는 영역을 프레넬 영역이라 한다.
- ④ 초음파는 무한히 거리가 멀어져도 넓은 각도로 퍼지는 않고 직진하는 특성이 있다.
등록된 댓글이 없습니다.
78. 감마카메라에 대한 설명으로 틀린 것은?
- ① 감마카메라는 산소밀도 분포를 단층 영상으로 보여준다.
- ② 시준기(Collimator)는 납과 같은 고밀도의 금속체로 만든다.
- ③ 섬광결정체는 높은 에너지의 감마선을 낮은 에너지의 가시광선으로 바꾼다.
- ④ 광증배관은 미약한 가시광 광자신호를 고감도로 감지하여 전기적인 신호로 변환한다.
등록된 댓글이 없습니다.
79. 체열진단을 위한 적외선 이미지 센서에 대한 설명으로 틀린 것은?
- ① 적외선 파장대역의 중심영역에서만 반응하고 가시광선 영역의 가까운 영역에서는 반응하지 않는다.
- ② 양자형은 반도체 PN 접합 사이의 에너지 흡수차에 의한 광기전력 효과를 응용한 것이다.
- ③ 열형은 조사되어지는 적외선이 열을 발생시켜 저항값이 변화하여 전류가 변하는 원리를 응용한 것이다.
- ④ 체열진단 센서의 종류로는 서미스터, 볼로미터, 서모파일, 초전소자 등이 있다.
등록된 댓글이 없습니다.
80. X-선 CT 영상의 특성 중 얼마나 작은 부위를 영상으로 감지할 수 있는가를 나타내는 척도는?
- ① 시야각(field of view)
- ② 균일도(uniformity)
- ③ 대조해상도(contrast resolution)
- ④ 공간해상도(spatial resolution)
등록된 댓글이 없습니다.
5과목 : 의용기계공학
81. 생체 신호 측정용 표면전극이 갖춰야 할 조건으로 틀린 것은?
- ① 접촉저항이 높을 것
- ② 분극 전압이 작을 것
- ③ 잡음이 발생하지 않을 것
- ④ 장시간 안정적으로 접촉을 유지할 수 있을 것
등록된 댓글이 없습니다.
82. 노인들의 일반적인 보행 특징으로 틀린 것은?
- ① 활보장의 감소
- ② 분속수의 증가
- ③ 발 전체로 접지
- ④ 입각기와 유각기의 비율 증가
등록된 댓글이 없습니다.
83. 생체 조직의 물성적 특성에 대한 설명으로 옳은 것은?
- ① 암세포는 정상세포에 비해 열에 강하다.
- ② 초음파의 주파수가 높아질수록 초음파 흡수가 감소한다.
- ③ 혈액의 광 흡수 특성은 산소 포화도에 의존하지 않는다.
- ④ 주파수에 따라 도전율과 비유전율이 계단적으로 변하는 α, β, γ 분산이 있다.
등록된 댓글이 없습니다.
84. 혈액 적합성이 가장 적게 요구되는 기기는?
- ① 수액세트
- ② 수혈세트
- ③ 혈액투석기 튜브
- ④ 관절경
등록된 댓글이 없습니다.
85. 생체조직이 나타내는 일반적인 물리적 특성의 조합으로만 나열된 것은?

- ① a, d, e
- ② a, c, e
- ③ b, c, d
- ④ b, d, e
등록된 댓글이 없습니다.
86. 뼈의 구성 성분인 수산화 인회석[hydroxyapatite, Ca10(PO4)6(OH)2]의 칼슘과 인의 비율(Ca/P)은?
- ① 0.50
- ② 1.33
- ③ 1.50
- ④ 1.67
등록된 댓글이 없습니다.
87. 단조, 주조체로 형성이 가능하며 체액과 생리적 부하에 대해 내부식성이 우수한 의용금속재료는?
- ① 스테인리스강
- ② Ti-Ni 합금
- ③ Co-Cr 합금
- ④ 티타늄 합금
등록된 댓글이 없습니다.
88. 의용 합성고분자의 특성에 대한 설명으로 틀린 것은?
- ① 종류에 따라 서로 다른 특성을 가지고 있어 다양한 의료기기에 적용할 수 있다.
- ② 결합하고 있는 분자의 수가 증가할수록 액체화되는 특성을 가지고 있다.
- ③ 무수히 많은 단위 분자가 서로 화학적 결합으로 형성되는 유기물질이다.
- ④ 약 10~20가지 종류만이 일회용 의료용품이나 이식재료로 사용되고 있다.
ㅇㅇ2022. 2. 13. 15:46삭제
결합하고 있는 분자의 수가 증가할수록 고체화되는 특성
89. 생체재료별 특성에 관한 설명 중 틀린 것은?
- ① 스테인리스강(stainless steel)은 고강도이면서 내마성이 우수하다.
- ② 카본-티타늄(carbon-titanium)은 제조가 쉽고 성형 시 균일성이 좋다.
- ③ 알루미나(alumina)는 높은 생체적합성을 가지고 압축강도가 우수하다.
- ④ 테프론(teflon)은 굽힘성과 탄성이 우수하다.
등록된 댓글이 없습니다.
90. 효소나 항체는 어떤 면역체계에 속하는가?
- ① 화학적 방어벽
- ② 세포적 방어벽
- ③ 물리적 방어벽
- ④ 기계적 방어벽
등록된 댓글이 없습니다.
91. 높은 분자량과 뛰어난 기계적 특성을 갖고 있어 모든 화합물과 물에 강한 저향력이 있어서 인공관절에 이용되는 것은?
- ① 폴리아마이드(Polyamide)
- ② 폴리설폰(Polysulfoe)
- ③ 폴리아세탈(Polyacetal)
- ④ 폴리카보네이트(Polycarbonate)
등록된 댓글이 없습니다.
92. 정지되어 있거나 일정한 속도로 움직이는 물체에 작용하는 힘에 대해 연구하는 학문은?
- ① 정역학
- ② 운동학
- ③ 유체역학
- ④ 탄성학
등록된 댓글이 없습니다.
93. 점탄성의 경험적 모델에 사용되는 구성 요소는?
- ① 질량, 대쉬폿
- ② 저항, 대쉬폿
- ③ 스프링, 질량
- ④ 스프링, 대쉬폿
등록된 댓글이 없습니다.
94. 하지 의지의 기본 구성요소가 아닌 것은?
- ① 소켓
- ② 미용커버
- ③ 하퇴부
- ④ 구두
등록된 댓글이 없습니다.
95. 생체이 열적 특성에 대한 설명으로 옳은 것은?
- ① 지방은 근육보다 열을 전달하기 쉽다.
- ② 열의 방산은 주로 호흡에 의해 일어난다.
- ③ 유아의 체중 당 방열량은 성인에 비해 작다.
- ④ 인체 조직 내의 열운반의 대부분은 혈액의 순환에 의해 이루어진다.
등록된 댓글이 없습니다.
96. 나사의 종류에 따른 사용 방법을 바르게 연결한 것은?
- ① 3각 나사: 힘의 전달용
- ② 둥근 나사: 큰 힘이 작용하는 경우
- ③ 사다리꼴 나사: 일반 결합용
- ④ 4각 나사: 일반결합용
ㅇㅇ2022. 2. 13. 15:52삭제
3각나사 : 결합용
4각나사 : 힘의 전달용
사다리꼴나사 : 운동전달용
둥근나사: 큰 힘 작용
톱니나사 : 압력방향이 한 방향으로 작용하는 경우
97. 세라믹 생체재료 중 생체비활성 소재가 아닌 것은?
- ① 알루미나
- ② 바이오글라스
- ③ 지르코니아
- ④ 카본 세라믹
등록된 댓글이 없습니다.
98. 신호전달의 근원으로서 미세한 전기적 신호를 발생 및 전달시키고, 화학적 물질을 분비하여 다른 신경원으로 신호를 전달하는 능력을 가진 세포의 최소 단위는?
- ① 척수(spinal cord)
- ② 연수(medulla oblongata)
- ③ 시냅스(synapse)
- ④ 뉴런(neuron)
등록된 댓글이 없습니다.
99. 운동형상학(kinematics)에서 다루지 않는 것은?
- ① 관절각도
- ② 보장(step length)
- ③ 보행속도
- ④ 지면반력
등록된 댓글이 없습니다.
100. 생체 연조직에 부하를 줬을 경우 시간에 따라 일정 부하에서 길이가 변화가 되며 부하를 제거 하였을 때는 서서히 원상태로 복귀하는 현상은?
- ① 캐비테이션
- ② 크리프 현상
- ③ 탄성현상
- ④ 히스테리시스 현상
등록된 댓글이 없습니다.