9급 국가직 공무원 전자공학개론(2019. 4. 6.) 시험일자 : 2019년 4월 6일
1. 이상적인 연산증폭기의 특성에 대한 설명으로 옳지 않은 것은?
- ① 반전 입력단자와 비반전 입력단자 사이의 입력측 저항은 무한대이다.
- ② 출력단자와 접지면 사이에서 출력측 저항은 0이다.
- ③ 전류이득의 크기는 무한대이다.
- ④ 주파수 대역폭이 무한대이다.
등록된 댓글이 없습니다.
2. PN 접합 다이오드에 대한 설명으로 옳은 것은?
- ① 순방향 바이어스가 인가되면 공핍영역 폭이 넓어진다.
- ② 순방향 바이어스가 인가되면 P형 영역의 정공만이 N형 쪽으로 주입된다.
- ③ 역방향 바이어스가 증가하면 접합부 정전용량은 작아진다.
- ④ 역방향 바이어스가 증가하면 공핍영역의 양이온과 음이온 사이에 발생하는 전계의 세기는 감소한다.
등록된 댓글이 없습니다.
3. 다음 회로에서 출력전압 Vout[V]는? (단, 연산증폭기는 이상적이다.)

- ① -1
- ② 0
- ③ 1
- ④ 2
등록된 댓글이 없습니다.
4. 다음 증폭기 회로에서 트랜지스터 Q1의 컬렉터-이미터 전압 VCE[V]는? (단, βDC =100, VBE =0.7 [V]이다)

- ① 1.5
- ② 2
- ③ 2.5
- ④ 3
등록된 댓글이 없습니다.
5. 귀환발진기에 대한 설명으로 옳지 않은 것은?
- ① 초기 트리거 신호가 주어진 후 외부 입력신호가 지속적으로 인가되지 않더라도 특정 주파수를 갖는 파형을 만들어내는 회로이다.
- ② 특정 주파수에서 발진이 지속적으로 유지되기 위해서는 폐귀환 루프이득(loop gain)의 크기가 1이고, 루프의 위상변이(phase shift)가 0°이어야 한다.
- ③ RC 귀환발진기와 LC 귀환발진기는 모두 정현파(sinusoidal waveform)를 만들 수 있다.
- ④ 귀환발진기 회로의 양호도(Q factor)는 파형 크기의 안정성(amplitude stability)을 나타낸다.
등록된 댓글이 없습니다.
6. 다음 증가형(enhancement) MOSFET이 포화영역에서 동작할 때, 이에 대한 설명으로 옳지 않은 것은?

- ① n채널이 만들어지는 NMOS 트랜지스터이다.
- ② 게이트는 소스보다 높은 전위를 가진다.
- ③ 전자가 드레인에서 소스로 흘러 전류가 발생한다.
- ④ 드레인은 소스보다 높은 전위를 가진다.
등록된 댓글이 없습니다.
7. 다음 디지털 논리게이트에 대한 설명으로 옳은 것은? (단, VDD= +5 [V]이고, 입력과 출력은 논리적 ‘1’일 때 V=+5 [V], ‘0’일 때 V=0 [V]이다)

- ① 두 개의 NMOS로 구성된 OR 게이트
- ② 두 개의 PMOS로 구성된 NOR 게이트
- ③ 두 입력 A와 B가 모두 논리적 ‘0’일 때만 출력 ‘1’을 만족하는 NOR 게이트
- ④ 두 입력 A와 B가 모두 논리적 ‘1’일 때만 출력 ‘0’을 만족하는 NAND 게이트
등록된 댓글이 없습니다.
8. 다음 JFET 증폭회로의 전압이득의 크기는? (단, 트랜지스터 자체의 출력저항 ro는 무시한다.)

- ① 8
- ② 16
- ③ 32
- ④ 48
등록된 댓글이 없습니다.
9. 다음 회로의 전달함수가 인 조건을 만족하는 C[㎌]은? (단, 연산증폭기는 이상적이며, Rin =R = 100 [ kΩ]이다)

- ① 1
- ② 2
- ③ 4
- ④ 5
등록된 댓글이 없습니다.
10. 다음 디지털 논리회로에서 출력 Y=A+B라고 할 때, P3P2P1P0의 값은?

- ① 1001
- ② 1011
- ③ 1110
- ④ 1101
등록된 댓글이 없습니다.
11. 실효전압 10 [V]의 교류전원에 8 [Ω]의 저항과 6 [Ω]의 유도 리액턴스를 직렬로 연결할 때, 유효전력[W]와 역률은? (순서대로 유효전력, 역률_
- ① 6, 0.6
- ② 6, 0.8
- ③ 8, 0.6
- ④ 8, 0.8
등록된 댓글이 없습니다.
12. 상승 에지에서 트리거 되는 D-플립플롭으로 구성된 다음 회로에서 120 [kHz]의 클록이 입력 A에 인가될 때, 출력 B의 주파수[kHz]는? (단, 플립플롭의 전파지연 시간은 무시한다)

- ① 15
- ② 40
- ③ 120
- ④ 360
등록된 댓글이 없습니다.
13. 다음 정류기(rectifier)에 대한 설명 중 옳은 것은?

- ① 출력되는 파형은 음의 값을 갖는다.
- ② 다이오드 브리지회로를 통과한 파형의 주파수는 입력주파수보다 낮다.
- ③ 입력신호의 반주기마다 신호를 출력하는 반파정류기(half-wave rectifier)이다.
- ④ 부하저항 RL에 커패시터 C 가 병렬로 추가됨으로써 정류된 파형의 변동을 줄여 준다.
등록된 댓글이 없습니다.
14. 다음 회로에서 출력전압 Vout[V]는?

- ① 5
- ② 7.5
- ③ 10
- ④ 12.5
등록된 댓글이 없습니다.
15. 그림과 같은 선형 시불변 시스템 H1, H2, H3가 각각 임펄스 응답함수 h1(t), h2(t), h3(t)를 갖는다고 할 때, 점선으로 표시한 등가시스템 H에 대한 설명으로 옳지 않은 것은?

- ① 시스템 H의 특성은 시간에 상관없이 일정한 특성을 나타낸다.
- ② 시스템 H의 임펄스 응답은 h1(t)h2(t)+h3(t)이다.
- ③ 시스템 H에 입력신호 x(t -a)를 인가하였을 때 어떠한 상수 a에 대해서도 출력은 y(t -a)로 나타난다.
- ④ 시스템 H에 입력신호를 bx(t)로 인가하였을 때 어떠한 상수 b에 대해서도 출력은 by(t)로 나타난다.
등록된 댓글이 없습니다.
16. 다음 회로의 기능과 커패시터 C 의 역할을 바르게 연결한 것은? (순서대로 기능, C의 역할)

- ① AM(Amplitude Modulation), 직류 차단
- ② AM(Amplitude Modulation), 고주파 신호 차단
- ③ FM(Frequency Modulation), 고주파 신호 차단
- ④ FM(Frequency Modulation), 직류 차단
등록된 댓글이 없습니다.
17. PNP BJT소자가 활성영역에서 동작할 때, 베이스에 흐르는 전류(IB)를 구성하는 성분에 대한 설명으로 옳지 않은 것은?
- ① 이미터와 컬렉터에서 넘어온 전자들로 베이스의 남는 잉여전자를 방출하기 위한 전자에 의한 전류
- ② 이미터 접합에 가해진 순방향 전압에 의해 베이스에서 이미터로 주입되는 전자에 의한 전류
- ③ 베이스 중성영역을 확산에 의해 통과하는 동안 손실된 재결합 전류로서 베이스 단자에서 주입되는 전자에 의한 전류
- ④ 컬렉터 공핍영역 내에서 열생성된 전자가 전계에 의해 드리프트(drift)되어 베이스로 공급되는 전자에 의한 전류
등록된 댓글이 없습니다.
18. 선형 시불변 시스템의 라플라스 영역 전달함수가 이고 다음과 같은 가 입력신호로 인가될 때, 출력신호 y(t)로 옳은 것은? (단, 입력신호는 0초 이전부터 계속 인가되고 있다)

- ①

- ②

- ③

- ④

등록된 댓글이 없습니다.
19. 다음 그림 (가)의 회로에 그림 (나)의 신호가 인가될 때, 출력 Vout은? (단, 연산증폭기는 이상적이며 초기 Vout =10 [V]이다)

- ①

- ②

- ③

- ④

등록된 댓글이 없습니다.
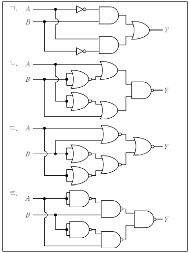
20. 다음 중 출력 Y의 논리식이 같은 논리회로만을 모두 고르면?

- ① ㄱ, ㄴ
- ② ㄱ, ㄴ, ㄷ
- ③ ㄱ, ㄷ, ㄹ
- ④ ㄱ, ㄴ, ㄷ, ㄹ
등록된 댓글이 없습니다.