9급 국가직 공무원 전자공학개론(2014. 4. 19.) 시험일자 : 2014년 4월 19일
1. 수와 코드에 관한 설명으로 옳지 않은 것은?
- ① 2진수 10.001을 10진수로 변환하면 2.125이다.
- ② 8진수 64를 16진수로 변환하면 34이다.
- ③ 10진수 124를 BCD 코드로 변환하면 0001 0010 0100이다.
- ④ 음수를 2의 보수로 표현할 때, 8비트 2진수 11001011을 10진수로 변환하면 -203이다.
등록된 댓글이 없습니다.
2. 그림 ㉠∼㉣ 회로에 정현파 vi=10sin 500t[Ⅴ]가 각각 입력되었을 때, 출력전압 VP-P[V]값이 바르게 연결되지 않은 것은? (단, 다이오드는 이상적이라고 가정한다.) (순서대로 회로, VP-P[V])

- ① ㉠, 0
- ② ㉡, 20
- ③ ㉢, 20
- ④ ㉣, 0
등록된 댓글이 없습니다.
3. ㉠, ㉡에 들어갈 용어가 바르게 연결된 것은? (순서대로 ㉠, ㉡)

- ① 포화영역(saturation region), 트라이오드 영역(triode region)
- ② 포화영역(saturation region), 포화영역(saturation region)
- ③ 트라이오드영역(triode region), 트라이오드 영역(triode region)
- ④ 트라이오드영역(triode region), 포화영역(saturation region)
등록된 댓글이 없습니다.
4. 다음 교류회로에 대한 설명으로 옳지 않은 것은? (단, 2πf0L≫R이다.)

- ① L의 자기장세기가 증가하면 C의 전기장세기는 감소하며, 그 반대도 성립한다.
- ② 공진시 공진주파수는 1/2π√LC에 가깝다.
- ③ 공진주파수에서 임피던스는 최소가 된다.
- ④ R 값이 커질수록 에너지 소비가 커지므로 Q 값은 감소한다.
등록된 댓글이 없습니다.
5. 다음 회로에서 부하저항 RL이 최대전력 전달 조건을 만족하는 저항값을 가질 때 부하저항 RL에서 소비되는 최대전력[W]은?

- ① 8.25
- ② 9.25
- ③ 10.25
- ④ 11.25
등록된 댓글이 없습니다.
6. 다음은 어떤 N 채널 접합형 전계효과 트랜지스터(JFET)의 드레인 특성곡선이다. 이 특성곡선에서 구한 핀치오프(pinch-off) 전압 VP[V]와 드레인-소스 전압이 10 [V]일 때의 순방향 전달 컨덕턴스 gm[mS]에 가장 가까운 값은? (순서대로 VP[V], gm[mS])

- ① 2, 2
- ② 2, 5
- ③ 8, 2
- ④ 8, 5
등록된 댓글이 없습니다.
7. ㉠, ㉡에 들어갈 적합한 용어가 바르게 연결된 것은? (순서대로 ㉠, ㉡)

- ① 앙상블(ensemble) 고역, 통과 필터(High Pass Filter)
- ② 앙상블(ensemble) 저역, 통과 필터(Low Pass Filter)
- ③ 에일리어싱(aliasing) 고역, 통과 필터(High Pass Filter)
- ④ 에일리어싱(aliasing) 저역, 통과 필터(Low Pass Filter)
등록된 댓글이 없습니다.
8. 다음 회로에서 상측 트리거 기준 전압 VUTP[V]와 하측 트리거 기준 전압 VLTP[V]는? (단, +Vout(max)=+4V, -Vout(max)=-4V, 3RA=RB이다.) (순서대로 VUTP][V], VLTP[V])

- ① +1, -1
- ② +1, -3
- ③ +3, -1
- ④ +3, -3
등록된 댓글이 없습니다.
9. 다음의 상태표를 만족하는 순차회로를 D-플립플롭으로 설계할 때, D-플립플롭 A의 입력 DA에 대한 논리식은? (단, 정의되지 않은 상태는 ‘don't care’로 처리한다)

- ① DA =X+B
- ② DA =A'X+A'B+BX
- ③ DA =A'X+AB+AB'X
- ④ DA =X+AB'
등록된 댓글이 없습니다.
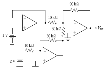
10. 다음 회로의 출력전압 Vout[V]은?

- ① -27
- ② 9
- ③ 18
- ④ 27
등록된 댓글이 없습니다.
11. 다이오드에 대한 설명으로 옳지 않은 것은?
- ① 제너(zener) 다이오드는 순방향 전압이 항복영역에 이르면 역방향 전류가 크게 증가하는 특성이 있고, 정전압 제어에 사용된다.
- ② 터널(tunnel) 다이오드는 순방향 전압이 증가해도 전류가 감소하는 특성이 있고, 고속 스위칭에 사용된다.
- ③ 쇼트키(schottky) 다이오드는 PN 접합 다이오드보다 스위칭타임이 짧고, 고속 스위칭에 사용된다.
- ④ PN 접합 다이오드에는 PN 접합으로 생성된 전위장벽(potential barrier)에 의해 격리된 공핍층이 존재하며, 정류작용에 사용된다.
등록된 댓글이 없습니다.
12. 출력 Y가 나머지 셋과 다른 것은?
- ①

- ②

- ③

- ④

등록된 댓글이 없습니다.
13. 다음의 PN 접합 다이오드 특성곡선에 대한 설명으로 옳지 않은 것은?

- ① 영역 I에서 전자는 (+)전위에 이끌려 P형쪽으로 이동한다.
- ② 영역 II는 접합면에서의 전위장벽으로 인해 나타난다.
- ③ 영역 III에서는 온도가 변해도 전류값은 변하지 않는다.
- ④ 영역 IV에서는 눈사태 항복(avalanche breakdown) 현상이 전류를 주도한다.
등록된 댓글이 없습니다.
14. 페르미 준위(Fermi level)에 대한 설명으로 옳지 않은 것은?
- ① 절대온도 0K에서 최외각 전자가 가지는 에너지 준위이다.
- ② 온도와 캐리어 농도에 따라 크기가 변한다.
- ③ 진성 반도체의 경우 금지대의 중앙에 위치한다.
- ④ 온도와 무관하게 전자 점유 확률이 1인 에너지 준위이다.
등록된 댓글이 없습니다.
15. 다음 회로에서 저항에 걸리는 전압 V1과 V2의 값 [V]은? (순서대로 V1, V2)

- ① 7, 6
- ② 7, 10
- ③ 8, 6
- ④ 8, 10
등록된 댓글이 없습니다.
16. 다음 증폭기에서 베이스와 컬렉터 간의 교류전압이득에 가장 가까운 값은? (단, VBE=0.7V, βDC=150, r′e=25mV/IE이다.)

- ① 1.5
- ② 2
- ③ 2.5
- ④ 3
등록된 댓글이 없습니다.
17. 다음 조건으로 변환된 오디오 데이터를 전송속도 2 kbps인 네트워크를 이용하여 실시간으로 전송할 때, 이론적으로 필요한 최소 압축률[%]은? (단, 1 kbps=1,000 bps이며, 오디오 데이터 이외의 부가정보는 무시한다.)

- ① 20
- ② 40
- ③ 60
- ④ 80
등록된 댓글이 없습니다.
18. 논리식 A′B(D′+C′D)+B(A+A′CD)와 동일한 것은?
- ① AB
- ② B
- ③ AB+C′
- ④ A+BC′
등록된 댓글이 없습니다.
19. 다음 신호 f(t)를 푸리에 변환한 F(ω)는?

- ①

- ②

- ③

- ④

등록된 댓글이 없습니다.
20. 다음 동기식 카운터 회로의 카운트열(count sequence)을 10진수로 바르게 나열한 것은? (단, Q3, Q2, Q1의 초기 값은 모두 0이라고 가정한다)

- ① 0 3 7 1 3 7 1 3
- ② 0 5 6 1 4 3 5 6
- ③ 0 6 5 3 2 4 6 5
- ④ 0 6 5 2 4 3 6 5
등록된 댓글이 없습니다.