기계가공기능장(2010. 7. 11.) 시험일자 : 2010년 7월 11일
1과목 : 임의 구분
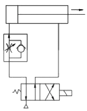
1. 다음 그림이 의미하는 공유압 회로의 명칭은?

- ① 미터 인 회로
- ② 미터 아웃 회로
- ③ 블리드 오프 회로
- ④ OR 회로
등록된 댓글이 없습니다.
2. 유압 기술의 일반적인 장점 및 단점의 설명으로 옳은 것은?
- ① 압력에 대한 출력의 응답이 느리다.
- ② 무단 변속이 불가능하다.
- ③ 소형 장치로 큰 출력을 얻을 수 있다.
- ④ 먼지나 이물질에 의한 고장의 우려가 없다.
등록된 댓글이 없습니다.
3. 공기압 실린더와 결합하고, 그 운동을 규제하는 액체를 봉합한 실린더로, 폐회로를 구성하는 고나로 및 스로틀 밸브 등을 포함하는 것을 무엇이라 하나?
- ① 하이드로 체커
- ② 박형 실린더
- ③ 포지셔너
- ④ 프리마운트 실런더
등록된 댓글이 없습니다.
4. 유압펌프를 처음으로 시동할 경우 유의 사항으로 거리가 먼 것은?
- ① 차가운 펌프에 뜨거운 작동유를 사용하여 시동해서는 안 된다.
- ② 릴리프 밸브의 조정 나사의 위치를 바꾸지 않고 운전해본 다음 릴리프 밸브를 사용하여 최저압력으로 설정하고 유압장치의 상태를 조사한다.
- ③ 시동 전에 회전상태를 검사하여 플렉시를 캠링의 회전 방향과 설치위치를 정확히 해 둔다. 그리고 필요한 곳에 주유되어 있는가를 확인한다.
- ④ 신품인 베인 펌프는 압력을 걸어 시동하고 최초 5분 정도는 간헐적으로 작동시켜 길들어야 한다.
등록된 댓글이 없습니다.
5. 회로 내의 압력을 설정 값으로 유지하기 위해서 유체의 일부 또는 전부를 흐르게 하는 압력 제어 밸브는?
- ① 급속 배기 밸브
- ② 셔틀 밸브
- ③ 릴리프 밸브
- ④ 스로틀 밸브
등록된 댓글이 없습니다.
6. 다음 중 피드백 제어에서 반드시 필요한 장치는?
- ① 과도 응답을 개선하는 장치
- ② 응답속도를 빠르게 하는 장치
- ③ 안정도를 좋게 하는 장치
- ④ 입력과 출력을 비교하는 장치
등록된 댓글이 없습니다.
7. 다음 그림과 같은 기호 중에서 검출 스위치에 속하지 않는 것은?
- ①

- ②

- ③

- ④

등록된 댓글이 없습니다.
8. 물의 수위 경보 및 제어를 위하여 필요한 센서로서 적합하지 않은 것은?
- ① 플로트 스위치
- ② 셀렉터 스위치
- ③ 수위감지 전극
- ④ Level Pressure 스위치
등록된 댓글이 없습니다.
9. 복수의 NC 공작기계가 가변루트인 자동반송시스템으로 연결되어 유기적으로 제어되는 생산 형태는?
- ① Job-shop
- ② FMC
- ③ FMS
- ④ FTL
등록된 댓글이 없습니다.
10. 미리 정해 놓은 시간적 순서에 따라 작업을 순차 제어하는 방식을 시퀀스제어라 하는데, 다음 중 시퀀스제어를 이용하지 않는 것은?
- ① 자동세탁기
- ② 자동판매기
- ③ 교통신호기
- ④ 인공지능 로봇
등록된 댓글이 없습니다.
11. ø10mm인 드릴로 두께 10mm인 강판에 구멍을 가공하고자 할 때 필요한 절삭시간은 몇 초인가? (단, 드릴의 이송속도는 0.5mm/s이고, 드릴의 원추 높이는 3mm 이다.)
- ① 20
- ② 26
- ③ 2
- ④ 2.5
등록된 댓글이 없습니다.
12. 절삭속도 60m/min, 절삭력이 9.81kN 일 때의 필요한 절삭동력을 몇 kW 인가? (단, 효율 η = 0.85로 한다.)
- ① 11.54
- ② 15.68
- ③ 94.1
- ④ 69.2
등록된 댓글이 없습니다.
13. 공작기계 주철 베드의 표면을 경화시키는데 다음 중 가장 효과적인 방법은?
- ① 염욕법
- ② 오스템퍼링
- ③ 고주파 정화 처리법
- ④ 머플로법
등록된 댓글이 없습니다.
14. 선반에서 노즈 반지름이 0.2mm인 바이트를 사용하여 Hmax = 6.3μm 의 이론적 표면거칠기를 얻으려면 이송을 약 얼마로 하여야 하는가?
- ① 0.1 mm/rev
- ② 0.2 mm/rev
- ③ 0.3 mm/rev
- ④ 0.4 mm/rev
등록된 댓글이 없습니다.
15. 액체호닝의 작업 특성을 설명한 것으로 다음 중 맞지 않는 것은?

- ① (3)
- ② (1), (2)
- ③ (4)
- ④ 전부 해당 없음
등록된 댓글이 없습니다.
16. 절삭 공구로 절삭 가공을 할 때 고온과 고압으로 인한 마찰력으로 공구가 마모되어 일어나는 현상으로 옳은 것은?
- ① 절삭성이 좋아진다.
- ② 가공 치수의 정밀도가 높아진다.
- ③ 가공된 면의 표면거칠기가 양호하게 된다.
- ④ 소요되는 절삭동력이 증가된다.
등록된 댓글이 없습니다.
17. 건식래핑의 속도로 가장 적합한 것은?
- ① 5~10m/min
- ② 20~30m/min
- ③ 50~80m/min
- ④ 100~120m/min
등록된 댓글이 없습니다.
18. 연삭작업에서 연삭조건이 좋더라도 숫돌바퀴의 칩이 균일치 못하거나 공작물의 영향을 받아 숫돌 모양이 나쁠 때 일정한 모양으로 고치는 방법은?
- ① 로딩
- ② 글레이징
- ③ 트라잉
- ④ 트루잉
등록된 댓글이 없습니다.
19. 절삭 중에 발생되는 칩의 형상 중에 공구마모인 크레이터가 가장 뚜렷하게 발생되는 칩의 형태는?
- ① 유동형
- ② 전단형
- ③ 균열형
- ④ 열단형
등록된 댓글이 없습니다.
20. 판 캠을 밀링머신에서 절삭할 때 가장 효과적인 커터는?
- ① 엔드밀
- ② 메탈 소
- ③ 플라이 커터
- ④ 페이스 커터
등록된 댓글이 없습니다.
2과목 : 임의 구분
21. 선반의 주축을 중공축으로 한 이유로 볼 수 없는 것은?
- ① 굽힘과 비틀림 응력의 강화
- ② 중량감소와 베어링에 걸리는 하중을 감소
- ③ 긴 공작물을 쉽게 고정
- ④ 용이한 칩 배출
등록된 댓글이 없습니다.
22. 절삭공구의 구비조건으로 거리가 먼 것은?
- ① 가격이 저렴할 것
- ② 인성과 내마모성이 클 것
- ③ 고온에서 경도가 감소될 것
- ④ 공구의 제작이 쉬울 것
등록된 댓글이 없습니다.
23. 절삭유의 사용목적으로 틀린 것은?
- ① 공구의 인선을 냉각시켜 공구의 경도 저하을 방지
- ② 공작물을 냉각시켜 절삭열에 의한 정밀도 저하를 방지
- ③ 칩의 냉각을 도와 공작물의 마찰계수를 증가
- ④ 칩을 씻어주어서 절삭작용을 쉽게 함
등록된 댓글이 없습니다.
24. 가는 금속선을 전극으로 하여 2차원 형상으로 공작물을 잘라내는 가공법은?
- ① 플라즈마 가공
- ② 와이어 컷 방전 가공
- ③ 초음파 가공
- ④ 전해 연마 가공
등록된 댓글이 없습니다.
25. 입도가 작은 숫돌로 밀강에 작은 압력으로 가압하면서, 가공물에 이송을 주고, 동시에 숫돌에 진동을 주어 변질층의 표명니나 원통 내면을 다듬질하는 가공법은?
- ① 슈퍼 피니싱
- ② 래핑
- ③ 액체 호닝
- ④ 버핑
등록된 댓글이 없습니다.
26. 화학가공의 특징을 잘못 설명한 것은?
- ① 가공물의 강도와 경도에 관계없이 가공할 수 있다.
- ② 가공경화 또는 표면 변질층이 발생하지 않는다.
- ③ 한번에 여러 개를 가공할 수 있다.
- ④ 친환경적인 작업방법이다.
등록된 댓글이 없습니다.
27. 초음파 가공에 대한 설명으로 옳은 것은?
- ① 취성이 큰 재질은 가공할 수 없다.
- ② 부도체의 재질을 가공할 수 없다.
- ③ 초음파 가공에는 다이아몬드 공구를 주로 사용한다.
- ④ 연삭입자의 재질은 산화알루미늄계, 탄화수소계 등이 주로 사용된다.
등록된 댓글이 없습니다.
28. 공작기계에서 절삭속도에 대한 설명 중 틀린 것은?
- ① 절삭속도는 가공물의 재질 및 지름, 절삭공구의 재질에 따라 적절히 선정하여야 한다.
- ② 절삭속도가 증가하면 가공물의 표면 거칠기가 나빠진다.
- ③ 절삭속도가 증가하면 절삭공구와 가공물의 마찰력 증가로 절삭 공구 수명이 단축 된다.
- ④ 동일한 회전수에서 가공물 지름이 커질수록 절삭속도는 커지고, 지름이 작아지면 느려진다.
등록된 댓글이 없습니다.
29. 센터리스 연삭기의 장점에 해당되지 않는 것은?
- ① 센터가 필요하지 않아 센터 구멍을 가공할 필요가 없다.
- ② 긴 축 재료의 연삭이 가능하다.
- ③ 긴 홈이 있는 가공물의 연삭에 적합하다.
- ④ 연삭 여유가 적어도 된다.
등록된 댓글이 없습니다.
30. 밀링머신에서 단식 분할법으로 원주를 씩 등분하려면 다음 어느 방법이 적당한가?
- ① 18개 구멍자리에서 4구멍씩 회전
- ② 18개 구멍자리에서 14구멍씩 회전
- ③ 27개 구멍자리에서 4구멍씩 회전
- ④ 27개 구멍자리에서 14구멍씩 회전
등록된 댓글이 없습니다.
31. 구성인선의 방지 대책에 해당하지 않는 것은?
- ① 바이트의 경사각을 크게 한다.
- ② 윤활성이 좋은 절삭유제를 사용한다.
- ③ 저속절삭을 한다.
- ④ 마찰계수가 작은 절삭공구를 사용한다.
등록된 댓글이 없습니다.
32. 공작기계에 관한 시험 항목 중 다음 설명이 나타내는 것은?

- ① 백래시 시험
- ② 무부하운전 시험
- ③ 강성 시험
- ④ 부하운전 시험
등록된 댓글이 없습니다.
33. 암모니아 가스에 의한 표면 경화법은?
- ① 액체 침탄법
- ② 침탄법
- ③ 숏 피닝법
- ④ 질화법
등록된 댓글이 없습니다.
34. 표점거리 50mm인 인장시험편을 인장 시험한 결과 표점거리가 52.5mm가 되었다. 이 시험편의 연신율은?
- ① 2.5%
- ② 5%
- ③ 7.5%
- ④ 25%
등록된 댓글이 없습니다.
35. 보통주철에 대한 설명으로 틀린 것은?
- ① 조직은 펄라이트 기지 조직이다.
- ② 통상 C, Si, P를 함유하고 있다.
- ③ 고온에서 기계적 성질이 좋지 않다.
- ④ 주조가 쉽고 값이 저렴하다.
등록된 댓글이 없습니다.
36. 프레스용 금형재료의 구비조건 중 옳지 않은 것은?
- ① 인성이 클 것
- ② 내마모성이 클 것
- ③ 열처리 시 치수변화가 많을 것
- ④ 기계가공성이 좋을 것
등록된 댓글이 없습니다.
37. 황동 및 황동 합금의 종류가 아닌 것은?
- ① 하스텔로이
- ② 문쯔 메탈
- ③ 길딩 메탈
- ④ 톰백
등록된 댓글이 없습니다.
38. 기계구조용 탄소강의 SM45C에서 기호표시 중 “45”는 무엇을 뜻하는가?
- ① 탄소함유량
- ② 항복점
- ③ 경도
- ④ 인장강도
등록된 댓글이 없습니다.
39. 고온강도가 크므로 내연기관의 실린더, 피스톤 등에 이용되는 내열용 Al 합금은?
- ① Y합금
- ② 오일라이트
- ③ 러지메탈
- ④ 켈멧
등록된 댓글이 없습니다.
40. 한계 게이지의 마모 여유는 일반적으로 어느 쪽에 주는가?
- ① 정지측에 준다.
- ② 통과측에 준다.
- ③ 양쪽에 다 준다.
- ④ 양쪽에 모두 주지 않는다.
등록된 댓글이 없습니다.
3과목 : 임의 구분
41. 투영기의 교정과 관리에서 배출교정을 위한 배율 오차를 구하는 시긍로 옳은 것은? (단, △M : 배율오차, M : 실축한 배율, Mo : 호칭배율)
- ①

- ②

- ③

- ④

등록된 댓글이 없습니다.
42. 도면에서 더브테일의 각도 나비 D1을 측정하고자 할 때 그 식으로 맞는 것은?

- ① D1 = M+d(1+sinα/2)
- ② D1 = M+d(1+tan-1α/2)
- ③ D1 = M+d(1+sin-1α/2)
- ④ D1 = M+d(1+tanα/2)
등록된 댓글이 없습니다.
43. 다음 중 KS 규격에 따른 스퍼기어 및 헬리컬 기어의 측정 요소에 해당하지 않는 것은?
- ① 피치
- ② 잇줄
- ③ 이형
- ④ 유효지름
등록된 댓글이 없습니다.
44. 다음 중 표면 거칠기 측정기가 옳게 나열된 것은?
- ① 삼선식, 촉침식
- ② 촉침식, 광파 간섭식
- ③ 광파 간섭식, 스키드식
- ④ 정적 검출식, 촉침식
등록된 댓글이 없습니다.
45. 지그의 손익분기점(N)의 계산식으로 옳은 것은? (단, Y : 지그 제작비용, y : 1시간당 가공비용, H : 지그를 사용하지 않을 때 1개당 가공 시간, HJ : 지그를 사용할 때 1개당 가공 시간)
- ①

- ②

- ③

- ④

등록된 댓글이 없습니다.
46. 작은 하중이 걸리는 작업은 주로 스프링에 의한 링크에 의해 작동되며 4가지(하양 잠김형, 압착형, 당기기형, 직선 이동형) 기본적인 클램핑 작용으로 되어 있는 클램프는?
- ① 스트랩 클램프
- ② 토글 클램프
- ③ 쐐기형 클램프
- ④ 캠 클램프
등록된 댓글이 없습니다.
47. 절삭공구를 직접 안내하는 것이 아니라 타 부시를 설치하기 위하여 지그 몸체에 압입되어 고정하는 부시는?
- ① 고정 부시
- ② 삽입 부시
- ③ 라이너 부시
- ④ 널링 부시
등록된 댓글이 없습니다.
48. 한계 게이지 재료에 요구되는 성질로 틀린 것은?
- ① 열팽창 계수가 클 것
- ② 내마모성이 좋을 것
- ③ 변형이 적을 것
- ④ 정밀 다듬질이 가능할 것
등록된 댓글이 없습니다.
49. 편측공차 을 동등양측공차로 옳게 변환한 것은?
- ① 5.255±0.005
- ② 5.255±0.010
- ③ 5.260±0.005
- ④ 5.260±0.010
등록된 댓글이 없습니다.
50. 다음 그림과 같이 A점에서 화살표방향으로 가공을 한다. ①의 프로그램 내용으로 올바른 것은?

- ① G02 X-26.0 Y26.0 R-26.0 ;
- ② G02 X-26.0 Y26.0 J26.0 ;
- ③ G03 X55.0 Y41.0 J26.0 ;
- ④ G03 X55.0 Y41.0 R-26.0 ;
등록된 댓글이 없습니다.
51. 다음은 2D 모델링 및 NC DATA 생성과정으로 순서가 바른 것은?
- ① 도면 → 곡선의 정의 → CL Data 생성 → 공구경로검증 → 후처리 → NC Data 생성
- ② 도면 → 후처리 → 공구경로검증 → CL Data 생성 → 곡선의 정의 → NC Data 생성
- ③ 도면 → 곡선의 정의 → NC Data 생성 → 후처리 → 공구경로검증 → CL Data 생성
- ④ 도면 → 곡선의 정의 → 후처리 → NC Data 생성 → 공구경로검증 → CL Data 생성
등록된 댓글이 없습니다.
52. 다음 중 입력된 전기적인 펄스 신호에 따라 일정한 각도만 회전하는 모터는?
- ① 스테핑 모터
- ② 브러쉬 리스 모터
- ③ 공압 모터
- ④ 유압 모터
등록된 댓글이 없습니다.
53. CNC 선반프로그래밍에서 절삭이송 속도를 회전당 공구의 이송량으로 지정할 때 사용하는 G코드는?
- ① G96
- ② G97
- ③ G98
- ④ G99
등록된 댓글이 없습니다.
54. Surface Modeling의 특징과 거리가 먼 것은?
- ① 2개의 교차면의 교선을 구할 수 있다.
- ② NC data를 생성할 수 있다.
- ③ 은선 제거가 어렵다.
- ④ 복잡한 형상을 표현할 수가 있다.
등록된 댓글이 없습니다.
55. 관리 속도에서 점이 관리한계 내에 있으나 중심선 한쪽에 연속해서 나타나는 점의 배열 현상을 무엇이라 하는가?
- ① 연
- ② 경향
- ③ 산포
- ④ 주기
등록된 댓글이 없습니다.
56. 로트의 크기 30, 부적합품률이 10%인 로트에서 시료의 크기를 5로 하여 랜덤 샘플링할 때, 시료 중 부적합품수가 1개 이상일 확률은 약 얼마인가? (단, 초기하분포를 이용하여 계산한다.)
- ① 0.3695
- ② 0.4335
- ③ 0.5665
- ④ 0.6305
등록된 댓글이 없습니다.
57. 다음 중 브레인스토밍과 가장 관계가 깊은 것은?
- ① 파레토도
- ② 히스토그램
- ③ 회귀분석
- ④ 특성요인도
등록된 댓글이 없습니다.
58. 작업개선을 위한 공정분석에 포함되지 않는 것은?
- ① 제품 공정분석
- ② 사무 공정분석
- ③ 직장 공정분석
- ④ 작업자 공정분석
등록된 댓글이 없습니다.
59. 로트의 크기가 시료의 크기에 비해 10배 이상 클 때, 시료의 크기와 합격판정계수를 일정하게 하고, 로트의 크기를 증가시키면 검사특성곡선의 모양 변화에 대한 설명으로 가장 적절한 것은?
- ① 무한대로 커진다.
- ② 거의 변화하지 않는다.
- ③ 검사특성곡선의 기울기가 완만해진다.
- ④ 경사특성곡선의 기울기 경사가 급해진다.
등록된 댓글이 없습니다.
60. 과거의 자료를 수리적으로 분석하여 일정한 경향을 도출한 후 가까운 장래의 매출액, 생산량 등을 예측하는 방법으로 무엇이라 하는가?
- ① 델파이법
- ② 전문가 패널법
- ③ 시장조사법
- ④ 시계열분석법
등록된 댓글이 없습니다.