통신선로산업기사(2002. 5. 26.) 시험일자 : 2002년 5월 26일
1과목 : 디지털전자회로
1. 다음 진리표의 Karnaugh map을 작성한 것중 옳은 것은?

- ①

- ②

- ③

- ④

등록된 댓글이 없습니다.
2. Schmitt 트리거회로의 응용 예로 틀린 것은?
- ① 전압비교회로
- ② 방형파회로
- ③ 쌍안정회로
- ④ 증폭회로
등록된 댓글이 없습니다.
3. 반가산기(Half-adder)의 구성 요소로 맞는 것은?
- ① JK 플립플롭
- ② 두개의 AND 게이트
- ③ EOR과 AND 게이트
- ④ 1개의 반동시 회로와 OR 게이트
등록된 댓글이 없습니다.
4. 다음 카아르노프도의 간략식은?

- ① Y = A
- ② Y = B
- ③

- ④

등록된 댓글이 없습니다.
5. 그림과 같은 회로의 출력 논리식이 아닌 것은?

- ①

- ②

- ③

- ④

등록된 댓글이 없습니다.
6. 다음 그림의 회로는 무슨 회로인가?

- ① 미분기
- ② 적분기
- ③ 가산기
- ④ 증폭기
등록된 댓글이 없습니다.
7. 다음 중 직류전원회로의 구성 순서로 옳은 것은?
- ① 정류회로 → 변압회로 → 평활회로 → 정전압회로
- ② 변압회로 → 정류회로 → 평활회로 → 정전압회로
- ③ 변압회로 → 평활회로 → 정류회로 → 정전압회로
- ④ 변압회로 → 정류회로 → 정전압회로 → 평활회로
등록된 댓글이 없습니다.
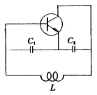
8. 다음의 발진회로에서 L = 10[mH], C1=C2=800[pF]일 때 공진주파수는 약 몇 [kHz]인가?

- ① 10[kHz]
- ② 20[kHz]
- ③ 40[kHz]
- ④ 80[kHz]
등록된 댓글이 없습니다.
9. 그림(a)의 회로에 그림(b)와 같은 파형전압을 인가하면 출력 전압파형은?

- ①

- ②

- ③

- ④

등록된 댓글이 없습니다.
10. 다음은 리플 카운터(ripple counter)이다. 초기 상태 A=0, B=0, C=0 이었다면 클럭 펄스가 12개 인가된 후의 상태는?

- ① A=0, B=0, C=1
- ② A=0, B=1, C=1
- ③ A=1, B=1, C=0
- ④ A=1, B=0, C=0
등록된 댓글이 없습니다.
11. 실리콘 제어 정류소자(SCR)의 전류 - 전압 특성곡선은 어느 것인가?
- ①

- ②

- ③

- ④

등록된 댓글이 없습니다.
12. 트랜지스터 증폭회로에서 저항 R1의 역할은?

- ① 입력 임피던스 조절
- ② 바이어스 안정화
- ③ 부궤환 작용
- ④ 부하저항
등록된 댓글이 없습니다.
13. 논리식 A(A+B+C)를 간단히 하면 어느 값과 같은가?
- ① 1
- ② 0
- ③ B+C
- ④ A
등록된 댓글이 없습니다.
14. 다음 그림은 어떤 플립 플롭(Flip-Flop)회로인가?

- ① Basic F-F
- ② J-K F-F
- ③ D F-F
- ④ T F-F
등록된 댓글이 없습니다.
15. 에미터 접지일 때 전류증폭율이 각각 hFE1, hFE2인 두개의 트랜지스터 Q1과 Q2를 그림과 같이 접속하였을 때의 콜렉터 전류 Ic의 크기는?

- ① hFE1·hFE2·IB
- ② hFE1· hFE2)·IB
- ③ hFE2(hFE1+1)·IB
- ④ hFE1· IB + hFE2(hFE1+1)·IB
등록된 댓글이 없습니다.
16. 그림과 같은 에미터 저항을 가진 CE 증폭기에서 에미터 저항 RE의 가장 중요한 역할은 무엇인가?

- ① S(안정계수)를 감소시켜 동작점이 안정된다.
- ② 주파수 대역을 증가시킨다.
- ③ 바이어스 전압을 감소 시킨다.
- ④ 증폭회로의 출력을 증가시킨다.
등록된 댓글이 없습니다.
17. 진폭 변조파의 전압 e(t)가 다음과 같이 표시되었을 때 변조도는 몇[%]인가?

- ① 80
- ② 70
- ③ 40
- ④ 20
등록된 댓글이 없습니다.
18. 다음 궤환증폭기의 특성에 관한 설명중 틀리는 것은?

- ① 궤환으로 입력 임피이던스 Ri는 감소한다.
- ② 궤환으로 출력 임피이던스 Ro는 감소한다.
- ③ 궤환으로 전류이득 Io/Is는 감소한다.
- ④ RF가 작을수록 출력전압 Vo는 커진다.
등록된 댓글이 없습니다.
19. 주파수 변조방식이 진폭변조방식보다 좋은 점이 아닌 것은?
- ① S/N비가 개선된다.
- ② 에코우의 영향이 적다.
- ③ 초단파대의 통신에 적합하다.
- ④ 점유 주파수 대역폭이 좁아 송신효율이 좋다.
등록된 댓글이 없습니다.
20. 연속적으로 반복되는 펄스 파형에서 펄스 1개의 "1" 구간이 1[msec]이고, "0" 구간이 1[msec]이다. 이 파형의 주파수는 얼마인가?
- ① 0.5[KHz]
- ② 1[KHz]
- ③ 2[KHz]
- ④ 1[MHz]
등록된 댓글이 없습니다.
2과목 : 유선통신기기
21. 자유공간에서의 빛의 속도는 약 30만km이다. 굴절율이 1.5인 SM Fiber에서의 전파 속도는?
- ① 35만km/s
- ② 30만km/s
- ③ 25만km/s
- ④ 20만km/s
등록된 댓글이 없습니다.
22. 전자교환기등에서 활용되는 MFC(multi frequency code)전화기의 특성 설명으로 틀린 것은?
- ① LC 동조회로로 구성된 주파수 발진회로를 내장하고 있다.
- ② 1개의 숫자나 기호는 임펄스 대신 종횡 2개의 주파수가 대응된다.
- ③ 저군주파수는 697,770,852,941[㎐]를 사용한다.
- ④ 고군주파수는 1209,1356,1447,1663[㎐]를 사용한다.
등록된 댓글이 없습니다.
23. 트래픽 이론에서 호의 성질에 관계없는 것은?
- ① 출 중계선 균등 점유의 조건
- ② 독립의 조건
- ③ 시간적 균등 분포의 조건
- ④ 입 중계선 균등 발생의 조건
등록된 댓글이 없습니다.
24. OSI(Open System Interconnection)의 참조모델과 프로토콜과의 연결이 적합하지 않은 것은?
- ① 데이터 링크 계층 -X.25
- ② 네트웍 계층 - UDP
- ③ 세션 계층 - RTP
- ④ 트랜스포트 계층 - TCP
등록된 댓글이 없습니다.
25. 가입자회로의 BORSCHT 기능중 하이브리드(Hybrid)의 기능은?
- ① 과전압보호
- ② 호출신호송출
- ③ 통화전류공급
- ④ 2선-4선변환
등록된 댓글이 없습니다.
26. 기존 전화선(2 wire)을 이용하여 데이터통신을 하기 위해서는 속도의 제약을 받는다. 이러한 속도의 한계성을 극복하여, 데이터 통신을 하기위한 전송기술이 아닌 것은?
- ① ADSL
- ② VDSL
- ③ FTTH
- ④ HDSL
등록된 댓글이 없습니다.
27. 어느 파형을 측정한바 기본파 진폭이 447.2[mV], 제2고조파 진폭 20[mV], 제3고조파 진폭 10[mV]였다면 왜율은?
- ① 약 1.2[%]
- ② 약 3[%]
- ③ 약 5[%]
- ④ 약 6.7[%]
등록된 댓글이 없습니다.
28. 자동 교환기에 있어서 계단 결선식(grading)의 목적으로 맞는 것은?
- ① 군 변동을 크게 하기 위하여
- ② 완전군을 구성하기 위하여
- ③ 호손율을 증가시키기 위하여
- ④ 각 출 중계선의 부하를 평균화하기 위하여
등록된 댓글이 없습니다.
29. 전화기의 다이얼 측정과 관계 없는 것은?
- ① 링의 단속비
- ② 임펄스 단속비
- ③ 다이얼 속도
- ④ 최소 휴지 시간
등록된 댓글이 없습니다.
30. 전자교환기에서 SPC(Stored program Control)의 설명 중 관계 없는 것은?
- ① 컴퓨터와 유사하다.
- ② 프로그램에 의해 제어한다.
- ③ 각종 명령이 기억장치에 들어 있다.
- ④ 포선논리 제어라고도 한다.
등록된 댓글이 없습니다.
31. 국산전전자교환기중 가입자 및 중계선 수용용량이 가장 큰 것은?
- ① TDX-10
- ② TDX-1A
- ③ TDX-1B
- ④ TDX-1
등록된 댓글이 없습니다.
32. 동기식 전송 방식에서 집중식 망 관리를 위해 확보하고 있는 방법과 거리가 먼 것은 무엇인가?
- ① DCC (Data communication Channel)
- ② SMN (SDH Management Network)
- ③ ECC (Embedded Control Channel)
- ④ MSP (Multiplex Section Protection)
등록된 댓글이 없습니다.
33. 다음 중 아날로그 신호를 디지털 신호로 변환하는 순서를 바르게 나타낸 것은?
- ① 부호화, 양자화, 표본화
- ② 표본화, 양자화, 부호화
- ③ 양자화, 표본화, 부호화
- ④ 부호화, 표본화, 양자화
등록된 댓글이 없습니다.
34. 다음중에서 송화기의 원리상 분류 중에서 잘못된 것을 고르면?
- ① 자석식
- ② 축전기식
- ③ 자동식
- ④ 압전형
등록된 댓글이 없습니다.
35. 다음 중 TDX-1B 시스팀에서 가입자회로의 선로측 시험(Out-test) 항목은?
- ① 후크상태 검출시험
- ② 가입자통화 전류공급 특성시험
- ③ 가입자 전화기의 M/B 율 시험
- ④ 신호레벨 및 신호음 공급상태 시험
등록된 댓글이 없습니다.
36. TDX-1B 시스템에서 번호번역 및 통화로 구성, 복구를 수행하는 프로세서는?
- ① OMP
- ② SLP
- ③ SNP
- ④ TLP
등록된 댓글이 없습니다.
37. 탄소형 송화기의 동저항은 시간이 경과함에 따라 어떻게 되는가?
- ① 변함이 없다.
- ② 감소한다.
- ③ 증가한다.
- ④ 증가하다 감소한다.
등록된 댓글이 없습니다.
38. 다수의 입력신호를 시간축상에서 다중화하여 전송하는 방식은?
- ① 코드 분할 다중화
- ② 시분할 다중화
- ③ 주파수 분할 다중화
- ④ 공통 분할 다중화
등록된 댓글이 없습니다.
39. 변조기, 필터 및 증폭기 등으로 구성되어 필요에 따라 신호의 삽입, 축출 등의 기능을 수행하는 단국장치는 어느 것인가?
- ① 자동절체장치
- ② 반송파 공급장치
- ③ 자동이득조절장치
- ④ 변환장치
등록된 댓글이 없습니다.
40. 1시간에 3개의 호가 있고 각각의 보류시간이 1분, 2분, 3분이라면 호량은 몇 어랑(Erl)인가?
- ① 0.1 (Erl)
- ② 0.2 (Erl)
- ③ 0.3 (Erl)
- ④ 0.4 (Erl)
등록된 댓글이 없습니다.
3과목 : 전송선로개론
41. F/S(Foam/Skin) 케이블에 대한 설명 중 틀린 것은?
- ① 심선접속방식에서 접속자 방식을 사용하였다.
- ② 심선도체에 폴리에칠렌으로 피복하고 그 위에 다시 발포 폴리에칠렌으로 이중피복한 케이블이다.
- ③ 종이절연케이블에 비하여 외부유도 및 잡음에 강하다.
- ④ 유니트 바인더에서 신형은 단종테이프를 사용하였다.
등록된 댓글이 없습니다.
42. 동축케이블에서 감쇠량(α)과 주파수(f)와의 관계는?
- ① f에 비례한다.
- ② 1/f에 비례한다.
- ③ √f에 비례한다.
- ④ 1/√f에 비례한다.
등록된 댓글이 없습니다.
43. 옥외 전화선을 가입자 댁내로 인입할 때 주로 사용되는 것은?
- ① 주단자함(MDF)
- ② 단자함
- ③ 배선함
- ④ 접속함
등록된 댓글이 없습니다.
44. 코어의 직경이 10[㎛], 개구수가 0.12인 광섬유케이블에 파장 1.3[㎛]의 레이저광선이 도파할 경우 규격화주파수(規格化周波數)는?
- ① 약 2.9
- ② 약 2.3
- ③ 약 1.2
- ④ 약 0.7
등록된 댓글이 없습니다.
45. 전송선로의 종단이 단락되었을 경우 전압반사계수 m은?
- ① -2
- ② -1
- ③ 0
- ④ ∞
등록된 댓글이 없습니다.
46. 평형 케이블의 심선조합 방법이 틀린 것은?
- ① 2선의 심선을 연합하여 1개의 단위로 구성한 것이 쌍(pair)이다.
- ② 4선의 또는 쿼드를 몇개씩 조합하여 하나의 케이블로 만든것이 유니트형이다.
- ③ 1조 2선의 심선을 하나로 모아서 연합한 것을 1개의 단위로 한것이 성형쿼드이다.
- ④ 다대심 구조의 심선을 100P 단위로 모아서 연합한 것을 그룹이라고 한다.
등록된 댓글이 없습니다.
47. PCM 통신방식의 특징이 아닌 것은?
- ① 압신기가 불필요하다.
- ② 선로잡음에 강하다.
- ③ 특성이 좋지 못한 선로에도 사용된다.
- ④ 고급 여파기가 불필요하다.
등록된 댓글이 없습니다.
48. 다음 공중통신용케이블 중에서 건조공기 연속주입방식을 채택하고 있는 것은?
- ① 표준 동축케이블
- ② 장거리 광해저케이블
- ③ 시내지하 케이블
- ④ 장거리 광섬유케이블
등록된 댓글이 없습니다.
49. 정보를 운반할 전송신호의 속도와 운반 구조를 계층적으로 규정한 것으로서 여러 형태의 정보 운반과 전송설비간의 접속이 용이하도록 표준화 한 것은?
- ① 비동기식 디지털 계위
- ② 동기식 디지털 계위
- ③ 비동기 전송 모드
- ④ 동기 전송 모드
등록된 댓글이 없습니다.
50. OTDR에 대한 설명중 잘못된 것은?
- ① 펄스폭을 작게하면 해상도가 좋아진다.
- ② 펄스폭을 크게하면 해상도가 좋아진다.
- ③ 펄스폭을 작게하면 원거리 측정이 어렵다.
- ④ 펄스폭을 크게하면 원거리 측정을 할수 있다.
등록된 댓글이 없습니다.
51. 다음 중 지하선로에 이용되는 인공(manhole)의 종류가 아닌 것은?
- ① 직선형
- ② 분기 L형
- ③ 계단형
- ④ 분기 V형
등록된 댓글이 없습니다.
52. 다음 중 간접적으로 돌아 들어오는 누화를 방지하는데 가장 효율적인 것은?
- ① 누화보상
- ② 압신기
- ③ 시험접속
- ④ Frogging
등록된 댓글이 없습니다.
53. 전파속도(傳播速度) V= 290[m/㎲]인 펄스 시험기로 시외전화 케이블의 고장위치를 전화국 MDF에서 고장위치까지의 12.5[km]일 때 펄스의 반복주기는 얼마인가?
- ① 56.3[㎲]
- ② 68.8[㎲]
- ③ 86.2[㎲]
- ④ 95.9[㎲]
등록된 댓글이 없습니다.
54. 선로시설의 설계에 있어서 전화서비스를 개시한 연도에서 15년 후까지 만족시킬 수 있는 설계는?
- ① 실시 설계
- ② 종국기 설계
- ③ 중간기 설계
- ④ 장기 지하선로 계획
등록된 댓글이 없습니다.
55. 전송선로의 분포정수회로에서 1차정수에 해당되지 않는 것은?
- ① 저항(R)
- ② 인덕턴스(L)
- ③ 정전용량(C)
- ④ 특성임피던스(Zo)
등록된 댓글이 없습니다.
56. PCM 방식에 방식에 있어서 송신 순서가 옳은 것은?
- ① 음성 - 표본화 - 양자화 - 부호화 - 전송로
- ② 음성 - 양자화 - 표본화 - 부호화 - 전송로
- ③ 음성 - 표본화 - 보호화 - 양자화 - 전송로
- ④ 음성 - 양자화 - 부호화 - 표본화 - 전송로
등록된 댓글이 없습니다.
57. 국내 케이블의 조건으로 적합하지 않은 것은?
- ① 내연성
- ② 자기지지성
- ③ 내습성
- ④ 심선식별 용이성
등록된 댓글이 없습니다.
58. 폴리에틸렌에 질소계통의 화합물을 섞어서 발포시켜 기포를 생성하여 실효 유전율을 더욱 적게하므로서 전송손실을 한층 더 줄일 수 있는 케이블 피복재료는?
- ① PVC
- ② PE
- ③ PEF
- ④ 종이
등록된 댓글이 없습니다.
59. 빛이 피장에 비하여 그다지 크지 않는 물체에 닿았을 때 여러 방향으로 빛이 진행함으로써 발생되는 손실을 무엇이라 하는가?
- ① 흡수손실
- ② 마이크로벤딩에 의한 손실
- ③ 산란손실
- ④ 구조 불안전에 의한 손실
등록된 댓글이 없습니다.
60. 다음은 신호단위에 대한 설명이다. 무엇에 대하여 설명하고 있는가?

- ① dB
- ② dBm
- ③ dBr
- ④ dBa
등록된 댓글이 없습니다.
4과목 : 전자계산기일반 및 선로설비기준
61. 다음 중에서 마이크로 프로세서의 특징이 아닌 것은?
- ① 구성이 간단하다.
- ② 신뢰성이 향상된다.
- ③ 대부분 LSI로 구성되어있어 시스템의 크기가 작다.
- ④ 시스템 설치 후 기능 변경이나 확장이 어렵다.
등록된 댓글이 없습니다.
62. 기억장치의 내용을 보기 위하여 화면이나 프린터 등으로 뽑아보는 것을 무엇이라고 하는가?
- ① Debugging
- ② Dump
- ③ Coding
- ④ Loader
등록된 댓글이 없습니다.
63. 정보통신 공사업자의 변경사항에 대하여 정보통신부장관에게 신고하여야 하는데 그 신고사항에 해당하지 않는 것은?
- ① 정보통신 기술자
- ② 대표자
- ③ 영업소의 소재지
- ④ 직원 명단
등록된 댓글이 없습니다.
64. 복수개의 입출력 단자를 가지며 입력단자중 한 단자에 신호(1 bit)가 가해질 때 출력단자에는 그에 대응된 신호(nbit)가 나온다. 이와 같은 회로를 무엇이라고 하는가?
- ① 디코더(decoder)
- ② 엔코더(encoder)
- ③ 레지스터(register)
- ④ 카운터(counter)
등록된 댓글이 없습니다.
65. 컴퓨터의 주메모리(main memory)장치에 널리 사용 되는 것은?
- ① 자기테이프
- ② 플로피 디스크
- ③ 하드 디스크
- ④ 반도체 IC 메모리
등록된 댓글이 없습니다.
66. 전기통신설비의 기술기준에서 설계도서에 의하여 행하여야 할 전기통신설비의 건설과 보전의 범위는 무엇으로 정하는가?
- ① 이용약관
- ② 정보통신부령
- ③ 국무총리령
- ④ 대통령령
등록된 댓글이 없습니다.
67. 선로공사를 위하여 한국전기통신 공사가 소관청의 허가를 받아야 사용할 수 있는 것은?
- ① 공유수면
- ② 철도구내의 토지
- ③ 공유의 토지
- ④ 공공의 영조물
등록된 댓글이 없습니다.
68. 다음 중 도형을 입력시키는 장치가 아닌 것은?
- ① digitizer
- ② light pen
- ③ mark reader
- ④ tablet
등록된 댓글이 없습니다.
69. 다음 중 구내통신선로설비에서 구내단자함 및 단자반의 요건이 틀린 것은?
- ① 단자반의 단자수는 10 단자를 기본으로 한다.
- ② 단자함은 배선영역의 중심부에 설치한다.
- ③ 구내교환설비와 주배선반은 교환실내에 설치한다.
- ④ 하나의 장소에 5회선이상이 수용되는 경우에는 구내단자함을 설치한다.
등록된 댓글이 없습니다.
70. ASCII 코드에서 문자 표시는 몇 비트 (bit)로 구성되어 있는가?
- ① 5
- ② 6
- ③ 7
- ④ 8
등록된 댓글이 없습니다.
71. 전기통신기본법의 제정목적이 아닌 것은?
- ① 전기통신에 관한 기본적 사항 규정
- ② 전기통신사업의 발전과 이용의 편의 도모
- ③ 전기통신의 발전 촉진으로 공공복리 증진
- ④ 전기통신의 효율적 관리
등록된 댓글이 없습니다.
72. 정보통신공사업자 이외의 자도 시공할 수 있는 공사는?
- ① 전파법령에 의한 무선설비공사
- ② 간이무선국의 설치공사
- ③ 방송관계법령에 의한 방송설비공사
- ④ 인입국선이 50회선 이상인 구내통신선로설비공사
등록된 댓글이 없습니다.
73. 부가통신사업을 경영하고자 하는 경우 누구에게 신고하여야 하는가?
- ① 한국전기통신공사장
- ② 재정경제원장관
- ③ 정보통신공사협회장
- ④ 정보통신부장관
등록된 댓글이 없습니다.
74. 마지막으로 입력한 것이 제일먼저 출력된다면 이 S/W의 자료구조는?
- ① FIFO
- ② LIFO
- ③ LILO
- ④ FILO
등록된 댓글이 없습니다.
75. 컴퓨터의 본체 구성에서 주요 기본장치가 아닌 것은?
- ① 제어장치
- ② 기억장치
- ③ 연산장치
- ④ 정보처리장치
등록된 댓글이 없습니다.
76. 전화급 평형회선의 누화감쇠량의 한계치는?
- ① 90[㏈] 이상
- ② 68[㏈] 이상
- ③ 55[㏈] 이상
- ④ 40[㏈] 이상
등록된 댓글이 없습니다.
77. 데이터의 길이가 2byte이면 몇 니블(nibble)에 해당되는가?
- ① 2
- ② 4
- ③ 6
- ④ 8
등록된 댓글이 없습니다.
78. 운영체제(OS)의 목적과 관계가 먼 것은?
- ① 처리능력의 증대
- ② 응답시간의 단축
- ③ 신뢰도의 향상
- ④ 응용소프트웨어의 개발
등록된 댓글이 없습니다.
79. 다음은 구내통신선로설비의 기술표준 범례중 세대단다함(국선용)을 나타낸 것은?
- ①

- ②

- ③

- ④

등록된 댓글이 없습니다.
80. 다음 중 전화가입계약을 반드시(무조건) 해지하는 경우가 아닌 것은?
- ① 전화가입자가 점검을 거부하거나 방해한 때
- ② 타인명의를 사용한 청약임을 발견된 때
- ③ 허위서류를 첨부한 청약임이 발견된 때
- ④ 전화업무 취급국의 종류변경에 따른 설비비등 의 차액을 소정기한 내에 납입하지 아니한 때
등록된 댓글이 없습니다.