전자기사(2022. 3. 5.) 시험일자 : 2022년 3월 5일
1과목 : 전기자기학
1. 진공 중 반지름이 a(m)인 무한길이의 원통 도체 2개가 간격 d(m)로 평행하게 배치되어 있다. 두 도체 사이의 정전용량(C)을 나타낸 것으로 옳은 것은?
- ①

- ②

- ③

- ④

등록된 댓글이 없습니다.
2. 진공 중 한 변의 길이가 0.1m인 정삼각형의 3정점 A, B, C에 각각 2.0×10-6C의 점전하가 있을 때, 점 A의 전하에 작용하는 힘은 몇 N 인가?
- ① 1.8√2
- ② 1.8√3
- ③ 3.6√2
- ④ 3.6√3
등록된 댓글이 없습니다.
3. 진공 내 전위함수가 V = x2 + y2(V)로 주어졌을 때, 0≤x≤1, 0≤y≤1, 0≤z≤1인 공간에 저장되는 정전에너지(J)는?
- ①

- ②

- ③

- ④

등록된 댓글이 없습니다.
4. 자극의 세기가 7.4×10-5Wb, 길이가 10cm인 막대자석이 100AT/m의 평등자계 내에 자계의 방향과 30°로 놓여 있을 때 이 자석에 작용하는 회전력(N·m)은?
- ① 2.5×10-3
- ② 3.7×10-4
- ③ 5.3×10-5
- ④ 6.2×10-6
등록된 댓글이 없습니다.
5. 공기 중에서 1V/m의 전계의 세기에 의한 변위전류밀도의 크기를 2A/m2으로 흐르게 하려면 전계의 주파수는 몇 MHz 가 되어야 하는가?
- ① 9000
- ② 18000
- ③ 36000
- ④ 72000
눈앞의 진실2025. 2. 16. 23:48삭제
공식에서 2파이가 빠져있습니다. 2파이까지 계산하면 답이 맞습니다.
6. 반지름이 a(m)인 접지된 구도체와 구도체의 중심에서 거리 d(m) 떨어진 곳에 점전하게 존재할 때, 점전하에 의한 접지된 구도체에서의 영상전하에 대한 설명으로 틀린 것은?
- ① 영상전하는 구도체 내부에 존재한다.
- ② 영상전하는 점전하와 구도체 중심을 이은 직선상에 존재한다.
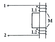
- ③ 영상전하의 전하량과 점전하의 전하량은 크기는 같고 부호는 반대이다.
- ④ 영상전하의 위치는 구도체의 중심과 점전하 사이 거리(d(m))와 구도체의 반지름(a(m))에 의해 결정된다.
등록된 댓글이 없습니다.
7. 투자율이 μ(H/m), 자계의 세기가 H(AT/m), 자속밀도가 B(Wb/m2)인 곳에서의 자계 에너지 밀도(J/m3)는?
- ①

- ②

- ③

- ④

등록된 댓글이 없습니다.
8. z축 상에 놓인 길이가 긴 직선 도체에 10A의 전류가 +z 방향으로 흐르고 있다. 이 도체의 주위의 자속밀도가 Wb/m2 일 때 도체가 받는 단위 길이당 힘(N/m)은? (단, 는 단위벡터이다.)
- ①

- ②

- ③

- ④

등록된 댓글이 없습니다.
9. 평행 극판 사이의 간격이 d(m)이고 정전용량이 0.3μF인 공기 커패시터가 있다. 그림과 같이 두 극판 사이에 비유전율이 5인 유전체를 절반 두께 만큼 넣었을 때 이 커패시터의 정전용량은 몇 μF 이 되는가?

- ① 0.01
- ② 0.05
- ③ 0.1
- ④ 0.5
등록된 댓글이 없습니다.
10. 평등 전계 중에 유전체 구에 의한 전계 분포가 그림과 같이 되었을 때 ε1과 ε2의 크기 관계는?(문제 오류로 가답안 발표시 2번으로 발표되었지만 확정답안 발표시 모두 정답처리 되었습니다. 여기서는 가답안인 2번을 누르면 정답 처리 됩니다.)

- ① ε1 > ε2
- ② ε1 < ε2
- ③ ε1 = ε2
- ④ 무관하다.
등록된 댓글이 없습니다.
11. 진공 중에 4m 간격으로 평행한 두 개의 무한 평판 도체에 각각 +4 C/m2, -4 C/m2의 전하를 주었을 때, 두 도체 간의 전위차는 약 몇 V 인가?
- ① 1.36×1011
- ② 1.36×1012
- ③ 1.8×1011
- ④ 1.8×1012
등록된 댓글이 없습니다.
12. 내부 원통 도체의 반지름이 a(m), 외부 원통 도체의 반지름이 b(m)인 동축 원통 도체에서 내외 도체 간 물질의 도전율이 σ(℧/m)일 때 내외 도체 간의 단위 길이당 컨덕턴스(℧/m)는?
- ①

- ②

- ③

- ④

등록된 댓글이 없습니다.
13. 어떤 도체에 교류 전류가 흐를 때 도체에서 나타나는 표피 효과에 대한 설명으로 틀린 것은?
- ① 도체 중심부보다 도체 표면부에 더 많은 전류가 흐르는 것을 표피 효과라 한다.
- ② 전류의 주파수가 높을수록 표피 효과는 작아진다.
- ③ 도체의 도전율이 클수록 표피 효과는 커진다.
- ④ 도체의 투자율이 클수록 표피 효과는 커진다.
등록된 댓글이 없습니다.
14. 진공 중에 4m의 간격으로 놓여진 평행 도선에 같은 크기의 왕복 전류가 흐를 때 단위 길이당 2.0×10-7N의 힘이 작용하였다. 이때 평행 도선에 흐르는 전류는 몇 A 인가?
- ① 1
- ② 2
- ③ 4
- ④ 8
등록된 댓글이 없습니다.
15. 인덕턴스(H)의 단위를 나타낸 것으로 틀린 것은?
- ① Ω·s
- ② Wb/A
- ③ J/A2
- ④ N/(A·m)
등록된 댓글이 없습니다.
16. 유전율이 ε = 2ε0이고 투자율이 μ0인 비도선성 유전체에서 전자파의 전계의 세기가 V/m 일 때, 자계의 세기 H(A/m)는? (단, 는 단위벡터이다.)
- ①

- ②

- ③

- ④

등록된 댓글이 없습니다.
17. 자기회로에서 전기회로의 도전율 σ(℧/m)에 대응되는 것은?
- ① 자속
- ② 기자력
- ③ 투자율
- ④ 자기저항
등록된 댓글이 없습니다.
18. 단면적이 균일한 환상철심에 권수 1000회인 A코일과 권수 NB회인 B 코일이 감겨져 있다. A코일의 자기 인덕턴스가 100mH이고, 두 코일 사이의 상호 인덕턴스가 20mH이고, 결합계수가 1일 때, B코일의 권수(NB)는 몇 회인가?
- ① 100
- ② 200
- ③ 300
- ④ 400
등록된 댓글이 없습니다.
19. 전계가 유리에서 공기로 입사할 때 입사각 θ1과 굴절각 θ2의 관계와 유리에서의 전계 E1과 공기에서의 전계 E2의 관계는?
- ① θ1 > θ2, E1 > E2
- ② θ1 < θ2, E1 > E2
- ③ θ1 > θ2, E1 < E2
- ④ θ1 < θ2, E1 < E2
등록된 댓글이 없습니다.
20. 면적이 0.02m2, 간격이 0.03m이고, 공기로 채워진 평행평판의 커패시터에 1.0×10-6C의 전하를 충전시킬 때, 두 판 사이에 작용하는 힘의 크기는 약 몇 N 인가?
- ① 1.13
- ② 1.41
- ③ 1.89
- ④ 2.83
등록된 댓글이 없습니다.
2과목 : 회로이론
21. 다음 임피던스 파라미터 중 출력 개방 전달 임피던스는?
- ① Z11
- ② Z12
- ③ Z21
- ④ Z22
등록된 댓글이 없습니다.
22. 직류 전압원에 저항 R을 접속하였을 때 흐르는 전류를 30% 증가시키기 위해서는 저항값을 약 얼마로 변경시켜야 하는가?
- ① 0.3R
- ② 0.77R
- ③ R
- ④ 1.3R
등록된 댓글이 없습니다.
23. 그림과 같은 페이저도(phasor diagram)가 있을 때, 등가 임피던스는?

- ① 20√2 - j20√2
- ② 20√2 + j20√2
- ③ 40√2 + j40√2
- ④ 40√2 – j40√2
등록된 댓글이 없습니다.
24. 다음 회로에서 어드미턴스 파라미터 Y11은?

- ① 1/2 ℧
- ② 1/3 ℧
- ③ 1/6 ℧
- ④ 1/12 ℧
등록된 댓글이 없습니다.
25. 어떤 회로의 피상전력이 20kVA이고 유효전력이 15kW 일 때 이 회로의 역률은?
- ① 0.9
- ② 0.75
- ③ 0.6
- ④ 0.45
등록된 댓글이 없습니다.
26. 다음과 같이 두 개의 저항이 직렬로 연결되어 있는 회로에서 각 저항의 전압과의 관계식으로 옳은 것은?

- ① V1V2 = R1R2
- ② V1V2 = (R1R2)2
- ③ V1R1 = V2R2
- ④ V1R2 = V2R1
등록된 댓글이 없습니다.
27. 일 때 f(t)의 최종값은?
- ① 0
- ② 3
- ③ 5
- ④ ∞
등록된 댓글이 없습니다.
28. 다음 그림 (1)의 회로에서 i(t)의 파형이 그림 (2)와 같을대, 출력 v(t)를 라플라스 변환한 V(s)로 옳은 것은?

- ①

- ②

- ③

- ④

등록된 댓글이 없습니다.
29. 다음 회로의 노튼 등가회로는?

- ①

- ②

- ③

- ④

등록된 댓글이 없습니다.
30. x(t) = te-atu(t) 의 Fourier 변환 X(ω)에서 ω = 0일 때의 값 X(0)은?
- ① 0
- ② 1
- ③ 1/a2
- ④ 2/a2
등록된 댓글이 없습니다.
31. 그림의 회로에서 정현파 입력에 대한 정상상태 응답(steady state response) Vo(t)는?

- ①

- ②

- ③

- ④

등록된 댓글이 없습니다.
32. 다음 회로에서 단자 1, 2간의 인덕턴스 L은?

- ①

- ②

- ③

- ④

등록된 댓글이 없습니다.
33. 저항 R = 50Ω, 인덕턴스 L = 1mH, 커패시터 C = 10pF 인 RLC 직렬 공진회로의 양호도 Q는?
- ① 100
- ② 200
- ③ 300
- ④ 400
등록된 댓글이 없습니다.
34. 다음과 같은 회로에서 VS = 80∠0° 일 때, 전체 전류 IT의 크기는 약 몇 A 인가?

- ① 8.5
- ② 9.4
- ③ 10.3
- ④ 11.2
등록된 댓글이 없습니다.
35. 다음 그림의 회로망에서 V1(t) = e-2tu(t)일 때 V2(t)는? (단, 콘덴서는 미리 충전되어 있지 않다.)

- ①

- ②

- ③

- ④

등록된 댓글이 없습니다.
36. 다음 중 그림과 같은 이상 변압기의 방정식으로 옳은 것은?

- ①

- ②

- ③

- ④

등록된 댓글이 없습니다.
37. 다음 회로의 필터 종류는?

- ① 대역 저지 필터
- ② 대역 통과 필터
- ③ 고대역 통과 필터
- ④ 저대역 통과 필터
등록된 댓글이 없습니다.
38. 내부에 기전력 E1, E2, …, En을 포함하는 회로망A의 출력 단자 a-b 사이에서 바라본 테브닌 전압을 ET, 테브닌 임피던스를 ZT라고 할 때, 부하 Z에 흐르는 전류 I는?

- ①

- ②

- ③

- ④

등록된 댓글이 없습니다.
39. 회로망 함수가 그림과 같이 2개 극점과 1개의 영점을 가질 때, 시간영역 f(t)로 옳은 것은?

- ① f(t) = e-αtcosωt
- ② f(t) = e-αtsinωt
- ③ f(t) = tsinωt
- ④ f(t) = tcosωt
등록된 댓글이 없습니다.
40. 시정수 τ인 RL 직렬회로에 t = 0 에서 직류전압을 가하였을 때 t = 4τ에서의 회로전류는 정상치의 약 몇 % 인가? (단, 초기치는 0으로 한다.)
- ① 63%
- ② 86%
- ③ 95%
- ④ 98%
등록된 댓글이 없습니다.
3과목 : 전자회로
41. 다음 저역통과필터회로의 임계주파수는 약 몇 kHz 인가? (단, R1=R=1kΩ, R2=10kΩ, C=20nF 이다.)

- ① 5.86
- ② 6.96
- ③ 7.96
- ④ 8.89
등록된 댓글이 없습니다.
42. RC 결합 증폭기에서 구형파 전압을 입력시켜 다음과 같은 출력이 나온다면 이 증폭기의 주파수 특성은?

- ① 고역특성이 좋지 않다.
- ② 저역특성이 좋지 않다.
- ③ 중역과 고역특성이 모두 좋지 않다.
- ④ 저역과 고역특성이 모두 좋지 않다.
등록된 댓글이 없습니다.
43. 이상적인 연산 증폭기의 특징 중 틀린 것은?
- ① 입력저항이 ∞ 이다.
- ② 출력저항이 0 이다.
- ③ 전압이득이 0 이다.
- ④ 주파수 대역폭이 ∞ 이다.
등록된 댓글이 없습니다.
44. 다이오드 직선 검파회로에서 변조도 50%, 진폭 10√2 V 인 피변조파가 인가되었을 때, 부하저항에 나타나는 변조 신호파 출력전압은? (단, 검파 효율은 80% 이다.)
- ① 0.4 V
- ② 0.8 V
- ③ 1.2 V
- ④ 4 V
등록된 댓글이 없습니다.
45. 그림(b)는 회로(a)에 대한 직류 및 교류 부하선을 나타낸 것이다. 회로(a)의 부하저항 RL의 값은 약 몇 kΩ 인가? (단, C1, C2는 교류적으로 단락이다.)

- ① 1
- ② 2
- ③ 3
- ④ 4
등록된 댓글이 없습니다.
46. 두 입력단에 입력되는 신호의 절댓값이 큰 극성에 따라 출력이 나타나며, 부귀환이 없는 무한이득을 사용하는 회로는?
- ① 비교기 회로
- ② 위상 동기 루프 회로
- ③ 비안정 멀티바이브레이터 회로
- ④ 슈미트 트리거 회로
등록된 댓글이 없습니다.
47. 다음과 같은 비안정 멀티바이브레이터의 출력(VO1, VO2) 발진주파수는 약 몇 kHz 인가? (단, R1=R2=47kΩ, RC=560Ω, C1=C2=0.01μF 이다.)

- ① 1.1
- ② 1.5
- ③ 75
- ④ 23
등록된 댓글이 없습니다.
48. 전압증폭도 Av = 5000인 증폭기에 부귀환을 걸 때 전압 증폭도 Af = 40이 되었다. 이때 귀환율 β는?
- ① 0.0124
- ② 0.0248
- ③ 0.0496
- ④ 0.0992
등록된 댓글이 없습니다.
49. 다음 Tunnel Diode의 전류 특성 곡선에서 발진이 일어날 수 있는 영역은?

- ① A 영역
- ② B 영역
- ③ C 영역
- ④ 모든 영역에서 발생
등록된 댓글이 없습니다.
50. 수정 발진회로의 특징 중 옳은 것은?
- ① AFC회로가 필요하다.
- ② 주위 온도가 영향이 크다.
- ③ 주파수의 변경이 용이하다.
- ④ 발진 주파수의 안정도가 높다.
등록된 댓글이 없습니다.
51. BJT를 이용한 B급 증폭기의 최대 전력효율은 약 얼마인가?
- ① 23%
- ② 50%
- ③ 79%
- ④ 99%
등록된 댓글이 없습니다.
52. 정류기에서 파형을 일정하게 유지하기 위해 사용되는 필터는?
- ① 대역통과필터
- ② 대역제거필터
- ③ 저역통과필터
- ④ 고역통과필터
등록된 댓글이 없습니다.
53. 이미터 접지 증폭기에서 ICO가 100μA이고, IB가 1mA일 때, 컬렉터 전류는 몇 mA 인가? (단, 트랜지스터의 α는 0.99 이다.)
- ① 109
- ② 120
- ③ 137
- ④ 154
등록된 댓글이 없습니다.
54. 부궤환 증폭기에 대한 설명 중 옳은 것은?
- ① 이득만 감소되고 기타 특성에는 변화가 없다.
- ② 이득이 커지고, 잡음, 왜율, 대역폭 특성이 개선된다.
- ③ 이득이 감소되는 반면 잡음, 왜율, 대역폭은 증가된다.
- ④ 이득, 잡음, 왜율은 감소되는 반면 대역폭이 넓어진다.
등록된 댓글이 없습니다.
55. 다음 연산 증폭기로 구성한 계측 증폭기(instrumentation amplifier)의 출력 Vout은?

- ①

- ②

- ③

- ④

등록된 댓글이 없습니다.
56. 임의의 입력파형이 규정된 기준 레벨에 이르는 순간을 검출할 수 있어서 전압비교 회로로 널리 사용되는 회로는?
- ① 슈미트 트리거 회로
- ② 비안전 멀티바이브레이터 회로
- ③ 블로킹 발진회로
- ④ 이상 발진회로
등록된 댓글이 없습니다.
57. 커패시터형 필터를 가진 전파 정류 회로에서 맥동률에 대한 설명 중 옳은 것은? (단, 부하 저항은 커패시터와 병렬구조이다.)
- ① 부하 저항에서는 반비례하고, 커패시터에서는 비례한다.
- ② 부하 저항에서는 비례하고, 커패시터에서는 반비례한다.
- ③ 부하 저항과 커패시터는 모두에 비해 비례한다.
- ④ 부하 저항과 커패시터는 모두에 비해 반비례한다.
등록된 댓글이 없습니다.
58. 다음 회로에서 출력전압 Vout은? (단, R1=R2=R3=R4 이다.)

- ① Vout = V1 - V2
- ② Vout = V2 - V1
- ③ Vout = 2(V1 - V2)
- ④ Vout = 2(V2 - V1)
등록된 댓글이 없습니다.
59. 다음 회로의 명칭은?

- ① Schmitt trigger
- ② Voltage doubler
- ③ Multivibrator
- ④ Miller sweep
등록된 댓글이 없습니다.
60. MOSFET의 채널은 어느 단자 사이에 형성되는가?
- ① 드레인과 바디 사이
- ② 게이트와 소스 사이
- ③ 게이트와 드레인 사이
- ④ 드레인과 소스 사이
등록된 댓글이 없습니다.
4과목 : 물리전자공학
61. npn BJT의 각 단자의 도핑 농도를 높은 순서대로 나열한 것은?
- ① 이미터>컬렉터>베이스
- ② 컬렉터>베이스>이미터
- ③ 컬렉터>이미터>베이스
- ④ 이미터>베이스>컬렉터
등록된 댓글이 없습니다.
62. 다음 중 에피택셜(epitaxial) 성장이란?
- ① 다결정의 Ge 성장
- ② 다결정의 Si 성장
- ③ 기판에 매우 얇은 단결정의 성장
- ④ 기판에 매우 얇은 다결정의 성장
등록된 댓글이 없습니다.
63. 반도체에서 아인슈타인(Einstein)의 관계식은 확산 계수와 무엇과의 관계를 나타내는 것인가?
- ① 유효 질량
- ② 캐리어 농도
- ③ 이동도
- ④ 내부 전압
등록된 댓글이 없습니다.
64. 양자화된 에너지로 분포되나 파울리(Pauli)의 베타 원리가 적용되지 않는 광자를 취급하는 분포 함수는?
- ① Sommerfeld 분포 함수
- ② Fermi-Dirac 분포 함수
- ③ Bose-Einstein 분포 함수
- ④ Maxwell-Boltzmann 분포 함수
등록된 댓글이 없습니다.
65. 평형상태의 트랜지스터에 대한 설명으로 틀린 것은?
- ① 세 단자가 접속되지 않은 상태이다.
- ② 페르미 준위는 이미터 쪽이 제일 높다.
- ③ 다수캐리어는 확산운동을 한다.
- ④ 소수캐리어는 표동운동을 한다.
등록된 댓글이 없습니다.
66. 반도체 IC의 절연 방법(isolation) 중 pn접합에 의한 절연과 비교하여 산화막 절연의 특징이 아닌 것은?
- ① pn 접합에 의한 절연과 같은 역바이어스가 필요 없다.
- ② 기생 용량을 감소시킬 수 있다.
- ③ 거의 완벽한 절연이다.
- ④ 제조공정이 간단하다.
등록된 댓글이 없습니다.
67. 실리콘 n형 반도체에 관한 설명으로 옳은 것은?
- ① 불순물은 3개의 가전자만을 갖는다.
- ② 억셉터(acdeptor) 불순물을 첨가하여 제작한다.
- ③ 정공은 소수 캐리어이다.
- ④ 진성 반도체이다.
등록된 댓글이 없습니다.
68. 접합 트랜지스터의 직류전류증폭률(hFE)에 관한 설명 중 틀린 것은?
- ① hFE는 이미터 도핑(doping)에 비례한다.
- ② hFE는 베이스 폭에 비례한다.
- ③ hFE는 베이스 도핑(doping)에 비례한다.
- ④ hFE는 컬렉터 전류의 변화가 큰 경우 증가한다.
등록된 댓글이 없습니다.
69. 물질에서 직접적으로 전자가 방출될 수 있는 조건이 아닌 것은?
- ① 열을 가한다.
- ② 빛을 가한다.
- ③ 전계를 가한다.
- ④ 압축을 한다.
등록된 댓글이 없습니다.
70. 외부에서 인가된 전압에 의하여 캐리어가 이동하는 것은?
- ① 드리프트(Drift) 전류
- ② 확산(Diffusion) 전류
- ③ 이동도
- ④ 캐리어 밀도
등록된 댓글이 없습니다.
71. 금속에 빛을 비추면 금속표면에서 전자가 공간으로 방출되는 것은?
- ① 전계방출
- ② 광전자방출
- ③ 열전자방출
- ④ 2차 전자방출
등록된 댓글이 없습니다.
72. 전계의 세기 E = 106[V/m]의 평등 전계 중에 놓인 전자의 가속도는? (단, 전자의 질량은 9.11×10-31[kg]이고, 전하량은 1.602×10-19[C]이다.)
- ① 1.75×1017[m/s2]
- ② 1.95×1016[m/s2]
- ③ 2.05×1016[m/s2]
- ④ 2.35×1014[m/s2]
등록된 댓글이 없습니다.
73. 어떤 송신기가 10MHz의 전파를 1kW의 출력으로 방사한다면 매 초당 몇 개의 광자(photon)가 방출되는가? (단, 플랑크 상수는 6.624×10-34[J·sec]이다.)
- ① 1.5×1031[개]
- ② 1.5×1029[개]
- ③ 9.42×1031[개]
- ④ 9.42×1029[개]
등록된 댓글이 없습니다.
74. n채널 MOSFET의 단면구조로 옳은 것은?
- ①

- ②

- ③

- ④

등록된 댓글이 없습니다.
75. 터널 다이오드(Tunnel Diode)에서 터널링(Tunneling)은 언제 발생하는가?
- ① 역방향에서만 발생
- ② 정전압이 높을 때만 발생
- ③ 바이어스가 영(zero) 일 때 발생
- ④ 아주 낮은 전압에 있는 정방향에서 발생
등록된 댓글이 없습니다.
76. 진성반도체의 온도변화에 따라 페르미준위는 어떻게 되는가?
- ① 온도에 따라 변화하지 않는다.
- ② 온도가 감소하면 전도대로 향한다.
- ③ 온도가 감소하면 충만대로 향한다.
- ④ 온도가 감소하면 가전대로 향한다.
등록된 댓글이 없습니다.
77. pn접합 다이오드에 역바이어스 전압을 인가할 때, 나타나는 현상에 관한 설명 중 옳은 것은? (단, 브레이크다운 전압(breakdown voltage 보다는 낮은 범위이다.)
- ① 이온화된 도너와 억셉터 이온이 작아진다.
- ② 공핍층이 더 넓어진다.
- ③ 공핍층이 좁아진다.
- ④ 공핍층이 없어진다.
등록된 댓글이 없습니다.
78. 2종의 금속을 접속하고 직류를 흘리면 그 접합부에 온도 차이가 생기는 효과는?
- ① Thomson 효과
- ② Hall 효과
- ③ Seebeck 효과
- ④ Peltier 효과
등록된 댓글이 없습니다.
79. 반도체 재료의 제조 시 고유저항을 측정하는 이유로 옳은 것은?
- ① 불순물 반도체의 캐리어 농도를 결정하기 때문이다.
- ② 다결정 재료의 수명 시간을 결정하기 때문이다.
- ③ 진송 반도체의 캐리어 농도를 결정하기 때문이다.
- ④ 캐리어의 이동도를 결정하기 때문이다.
등록된 댓글이 없습니다.
80. 브래그(Bragg)의 반사조건으로 옳은 것은? (단, d : 주기구조의 폭, λ : 빛의 파장, n : 정수, θ : 결정면의 광선사의 각도이다.)
- ① 2d·sinθ = nλ
- ② 2d·tanθ = nλ
- ③ 2d·tanθ = λ/n
- ④ 2d·sinθ = λ/n
등록된 댓글이 없습니다.
5과목 : 전자계산기일반
81. 2의 보수표현이 1의 보수표현보다 널리 사용되는 주된 이유는?
- ① 음수의 표현이 가능하다.
- ② 숫자 0의 표현방식이 두 가지이다.
- ③ 연산 시 캐리어 발생여부를 무시해도 된다.
- ④ 10진수로의 변환이 더욱 용이하다.
등록된 댓글이 없습니다.
82. 연산장치의 누산기(accumulator)에 대한 설명 중 옳은 것은?
- ① 연산에 이용될 데이터를 읽어들여 일시적 저장 후 필요한 순간에 가산기에 데이터를 제공한다.
- ② 산술연산의 결과를 일시적으로 기억하는 레지스터이다.
- ③ 데이터 레지스터의 데이터를 연산하여 그 결과를 저장시킨다.
- ④ 연산한 결과의 상태를 기록하여 저장하는 일을 한다.
등록된 댓글이 없습니다.
83. 다음 중 NOR 게이트와 등가 게이트는?
- ①

- ②

- ③

- ④

등록된 댓글이 없습니다.
84. CPU의 기본 구조가 아닌 것은?
- ① ALU(Arithmetic Logic Unit)
- ② 레지스터 세트
- ③ RAM(Random Access Memory)
- ④ 제어 유니트
등록된 댓글이 없습니다.
85. C언어 프로그램에서 abs(3.562)의 함수 값은? (단, math.h가 정의되었다고 가정한다.)
- ① -3
- ② -4
- ③ 3
- ④ 4
등록된 댓글이 없습니다.
86. 우측 회전(right rotate)을 수행하는 순환 시프트 레지스트에 데이터 (11011001)2가 저장되어 있을 때, 제어 신호가 연속해서 3번 들어온 결과 값은?
- ① (00111011)2
- ② (00011011)2
- ③ (11111011)2
- ④ (11001110)2
등록된 댓글이 없습니다.
87. 플립플롭으로 10진 카운터를 구성하려고 할 때 최소 몇 단위 플립플롭이 필요한가?
- ① 3단
- ② 4단
- ③ 5단
- ④ 6단
등록된 댓글이 없습니다.
88. 인터럽트 처리 과정 중 인터럽트 장치를 소프트웨어를 의하여 판별하는 방법은?
- ① 스택
- ② 벡터 인터럽트
- ③ 폴링
- ④ 핸드쉐이킹
등록된 댓글이 없습니다.
89. 버스 클록(bus clock)이 2.5 GHz 이고, 데이터 버스의 폭이 8비트인 버스의 대역폭은?
- ① 25 Gbytes/sec
- ② 20 Gbytes/sec
- ③ 2.5 Gbytes/sec
- ④ 8 Gbytes/sec
등록된 댓글이 없습니다.
90. 다음 소자 중 전원과 관련된 신호는 제외한 데이터와 주소 연결선의 수가 가장 많은 것은?
- ① 1K × 4 bit DRAM
- ② 8K × 4 bit SRAM
- ③ 4K × 1 bit DRAM
- ④ 64K × 8 bit SRAM
등록된 댓글이 없습니다.
91. Two address machine에서 기억용량 216 이고 Word length가 40bit라면 이 명령어 형식(Instruction Format)에 대한 명령코드는 몇 bit로 구성되는가?
- ① 5
- ② 6
- ③ 7
- ④ 8
등록된 댓글이 없습니다.
92. 다음 회로도는 어떤 동작을 하는 회로인가?

- ① 비동기식 2진 카운터
- ② 동기식 10진 카운터
- ③ 링 카운터
- ④ 존슨 카운터
등록된 댓글이 없습니다.
93. 다음 중 에러를 찾아서 교정을 할 수 있는 코드는?
- ① hamming code
- ② ring counter code
- ③ gray code
- ④ 8421 code
등록된 댓글이 없습니다.
94. 다음은 C언어 프로그램의 일부이다. F의 값으로 옳은 것은?

- ① 1
- ② 2
- ③ 3
- ④ 4
등록된 댓글이 없습니다.
95. 다음 프로그램 작성 과정을 순서대로 바르게 나열한 것은?

- ① ㉣→㉠→㉡→㉢→㉤
- ② ㉣→㉠→㉡→㉤→㉢
- ③ ㉠→㉣→㉡→㉢→㉤
- ④ ㉠→㉡→㉤→㉢→㉣
등록된 댓글이 없습니다.
96. 순서도를 작성하는 일반적인 규칙 중 틀린 것은?
- ① 국제 표준화 기구(ISO)의 표준 기호를 사용한다.
- ② 제어 흐름에 따라 위에서 아래로, 왼쪽에서 오른쪽으로 그린다.
- ③ 기호 내부에 처리내용을 자세하게 기술하고, 주석은 기술하지 않도록 한다.
- ④ 문제가 복잡하고 어려울 때는 블록별로 나누어 단계적으로 그린다.
등록된 댓글이 없습니다.
97. 다음 볼대수식을 최소화 하면?

- ① BC
- ② A
- ③ B
- ④ 1
등록된 댓글이 없습니다.
98. MSB에 대한 설명으로 옳은 것은?
- ① 맨 왼쪽 비트(최상위 비트)
- ② 맨 오른쪽 비트(최하위 비트)
- ③ 2진수의 보수
- ④ 8진수의 보수
등록된 댓글이 없습니다.
99. 어떤 특정한 비트 또는 문자를 삭제할 때 사용하는 연산은?
- ① AND
- ② OR
- ③ XOR
- ④ NOR
등록된 댓글이 없습니다.
100. 다음 회로의 논리식으로 옳은 것은?

- ①

- ②

- ③

- ④

등록된 댓글이 없습니다.