정보통신기사(구)(2020. 6. 27.) 시험일자 : 2020년 6월 27일
1과목 : 디지털 전자회로
1. 정류회로에서 부하 양단의 평균 직류전압이 15[V]이고, 맥동률이 2[%]일 때 교류분은 얼마나 포함되어 있는가?
- ① 0.2[V]
- ② 2[V]
- ③ 0.3[V]
- ④ 3[V]
등록된 댓글이 없습니다.
2. 다음과 같은 회로의 입력에 120[Vrms], 60[Hz] 정현파 신호가 인가 되었을 때, 출력에서 리플전압의 피크-피크값은 약 몇 [V]인가? (단, 다이오드에 걸리는 전압강하는 무시한다.)

- ① 11.57[V]
- ② 12.57[V]
- ③ 13.57[V]
- ④ 14.57[V]
등록된 댓글이 없습니다.
3. 다음 정전압 회로에서 출력전압(Vo)으로 알맞은 것은? (단, VZ=Vf이다.)

- ①

- ②

- ③

- ④

등록된 댓글이 없습니다.
4. 50[kHz]의 2 decade 높은 주파수는 얼마인가?
- ① 50[kHz]
- ② 100[kHz]
- ③ 500[kHz]
- ④ 5[MHz]
등록된 댓글이 없습니다.
5. 다음 중 증폭기에 대한 설명으로 옳은 것은?
- ① 입력신호의 에너지를 증가시켜 출력 측에 큰 에너지의 변화로 출력하는 회로이다.
- ② 출력 내에 포함되어 있는 리플성분을 제거시켜 일정한 크기의 전압을 유지시키는 회로이다.
- ③ 교류전압을 사용하기 적당한 직류전압으로 변환하여 주는 회로이다.
- ④ 출력부하전류 및 온도에 상관없이 일정한 직류 출력전압을 제공하는 회로이다.
등록된 댓글이 없습니다.
6. 이미터 접지형 증폭기에서 부하 저항 10[kΩ]이고, hfe=50, hie=2[kΩ], hce=100[㎂/V]일 때 전류 이득의 크기는 얼마인가?
- ① 10
- ② 15
- ③ 20
- ④ 25
등록된 댓글이 없습니다.
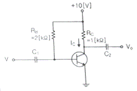
7. 다음과 같은 전력증폭회로에서 대기온도 상승으로 최대 전력소비 정격이 절반으로 감소될 경우, 증폭회로의 안정적인 동작을 위한 저항 Rc값은 얼마로 변경되어야 하는가?

- ① 2.0[kΩ]
- ② 0.5[kΩ]
- ③ 1.0[kΩ]
- ④ 4.0[kΩ]
등록된 댓글이 없습니다.
8. 수정발진기는 임피던스가 어떤 조건일 때 가장 안정된 발진을 하는가?
- ① 저항성
- ② 용량성
- ③ 유도성
- ④ 유도성과 용량성 결합
등록된 댓글이 없습니다.
9. RC 발진회로에서 RC 시정수를 높게 할 경우 발진주파수는 어떻게 변하는가?
- ① 발진주파수가 높아진다.
- ② 발진주파수가 낮아진다.
- ③ 무한대가 된다.
- ④ 아무런 변화가 없다.
등록된 댓글이 없습니다.
10. 다음 중 발진회로의 주파수 변동 요인이 아닌 것은?
- ① 전원 전압의 변동
- ② 부하의 변동
- ③ 온도의 변동
- ④ Q값의 변화
등록된 댓글이 없습니다.
11. 다음의 FM 변조지수 중 대역폭이 가장 넓은 것은?
- ① 1
- ② 2
- ③ 3
- ④ 4
등록된 댓글이 없습니다.
12. FM 검파 방식 중 주파수 변화에 의한 전압 제어 발진기의 제어 신호를 이용하여 복조하는 방식은?
- ① 계수형 검파기
- ② PLL형 검파기
- ③ 포스터-실리 검파기
- ④ 비 검파기
등록된 댓글이 없습니다.
13. 다음 중 주파수변조를 진폭변조와 비교한 설명으로 틀린 것은?
- ① 점유주파수대폭이 넓다.
- ② 초단파대의 통신에 적합하다.
- ③ S/N비가 좋아진다.
- ④ Echo의 영향이 많아진다.
등록된 댓글이 없습니다.
14. 다음 중 그림과 같은 변조파형을 얻을 수 있는 변조방식에 대한 설명으로 옳은 것은?

- ① 정현파의 주파수에 정보를 싣는 FSK 방식으로 2가지 주파수를 이용한다.
- ② 정현파의 주파수에 정보를 싣는 ASK 방식으로 2가지 진폭을 이용한다.
- ③ 정현파의 주파수에 정보를 싣는 QSK 방식으로 2가지 진폭을 이용한다.
- ④ 정현파의 위상에 정보를 싣는 2위상 편이변조방식이다.
등록된 댓글이 없습니다.
15. 다음 중 슈미트 트리거(Schmitt Trigger)의 응용 분야가 아닌 것은?
- ① 쌍안정 회로
- ② 구형파 발생 회로
- ③ 전압 비교 회로
- ④ 정현파 발생 회로
등록된 댓글이 없습니다.
16. 다음 그림과 같은 회로에 대한 설명으로 옳은 것은?

- ① 입력 파형의 아랫부분을 잘라내는 베아스 클리퍼 회로이다.
- ② 입력 파형의 윗부분을 잘라내는 피크 클러퍼 회로이다.
- ③ 직렬형 베이스 클러퍼 회로이다.
- ④ 입력 파형의 위, 아래 부분을 일정하게 잘라내는 클리퍼 회로이다.
등록된 댓글이 없습니다.
17. 다음 그림의 논리 회로에 대한 논리식은?

- ①

- ②

- ③

- ④

등록된 댓글이 없습니다.
18. J-K 플립플롭을 사용하여 D형 플립플롭을 만들기 위한 외부 결선방법으로 맞는 것은?
- ①

- ②

- ③

- ④

등록된 댓글이 없습니다.
19. 다음 디코더의 설명 중 옳은 것은?
- ① 2진수로 표시된 입력 조합에 따라 출력이 하나만 동작하도록 하는 회로
- ② 특정한 입력을 몇 개의 코드화된 신호의 조합으로 바꾸는 장치
- ③ 연산회로의 일종으로 보수 합산을 행한다.
- ④ N개의 입력데이터에서 1개의 입력씩만 선택하여 송신하는 회로
등록된 댓글이 없습니다.
20. 다음 그림과 같이 2n개(0~7)의 입력을 넣었을 때 출력이 2진수(000~111)로 나오는 회로의 명칭은?
- ① 디코더(Decoder) 회로
- ② A-D 변환회로
- ③ D-A 변환회로
- ④ 인코더(Encoder) 회로
등록된 댓글이 없습니다.
2과목 : 정보통신 시스템
21. 다음 중 DSU(Digital Service Unit)의 기능으로 옳은 것은?
- ① 디지털 데이터를 디지털 신호로 변환
- ② 아날로그 데이터를 디지털 신호로 변환
- ③ 디지털 신호를 아날로그 데이터로 변환
- ④ 아날로그 신호를 디지털 데이터로 변환
등록된 댓글이 없습니다.
22. 회선 교환방식과 비교할 때 메세지 교환방식의 장점이 아닌 것은?
- ① 회선의 효율성이 크다.
- ② 실시간 통신 또는 대화식 통신에 적합하다.
- ③ 전송량이 많은 경우 한 개의 메세지를 여러 목적지로 전송할 수 있다.
- ④ 에러 제어와 회복 절차를 구성 할 수 있다.
등록된 댓글이 없습니다.
23. LAN과 LAN을 연결하는 장비로, OSI 7계층 중 데이터 링크계층에 해당하는 것은?
- ① 브리지
- ② 라우터
- ③ 리피터
- ④ 게이트웨이
등록된 댓글이 없습니다.
24. 동축케이블을 백본 네트워크로 사용하는 네트워크에서 서브 네트워크를 구성하려고 AUI 포트에 접속하는 네트워크 장비는?
- ① 라우터
- ② 게이트웨이
- ③ 트랜시버
- ④ 리피터
등록된 댓글이 없습니다.
25. 정보를 송수신할 수 있는 능력을 가진 개체로써, 주어진 입력에 대하여 어떤 기능을 수행하고 출력하는 것은?
- ① 데이터(Data)
- ② 엔티티(Entity)
- ③ 프로토콜(protocol)
- ④ 스테이트(State)
등록된 댓글이 없습니다.
26. OSI 참조모델에서 통신기기와 네트워크 간의 통신 경로를 설정하거나 경로의 유지 ㆍ 해제를 규정하는 계층에 해당하지 않는 계층은?
- ① 물리계층
- ② 데이터링크계층
- ③ 표현계층
- ④ 네트워크계층
등록된 댓글이 없습니다.
27. OSI 참조모델에서 N-1계층 패킷의 데이터 부분은 N계층의 패킷(데이터와 헤더) 전체를 포함한다. 이러한 개념을 무엇이라고 하는가?
- ① 서비스
- ② 인터페이스
- ③ 대등 - 대 - 대등 프로세스
- ④ 캡슐화
등록된 댓글이 없습니다.
28. OSI 참조모델에서 각 계층별 기능 중 종점간의 오류수정과 흐름제어를 수행하여 신뢰성 있고 투명한 데이터 전송을 제공하는 계층은?
- ① 데이터링크계층
- ② 네트워크계층
- ③ 트랜스포트계층
- ④ 세션계층
등록된 댓글이 없습니다.
29. 다음 중 정보통신 기술 분야의 표준화를 담당하는 국제표준기구는?
- ① ITU(International Telecommunication Union)
- ② IMO(International Maritime Organization)
- ③ WTO(World Trade Organization)
- ④ TTA(Telecommunication Technology Association)
등록된 댓글이 없습니다.
30. 전화통신망(PSTN)에서 인접선로간 차폐가 완전하지 않아, 인접선로상의 다른 신호에 영향을 미쳐 발생하는 품질저하 현상은?
- ① 누화(Cross Talk)
- ② 신호감쇠
- ③ 에코(Echo)
- ④ 신호지연
등록된 댓글이 없습니다.
31. 토큰 링 프레임(Token Ring Erame) 은 데이터 프레임과 토큰 프레임으로 구분할 수 있다. 토큰 프레임의 구성요소가 아닌 것은?
- ① FC (Frame Control) : 프레임 제어
- ② SD (Start Delimiter) : 시작 구분자
- ③ AC (Access Control) : 접근 제어
- ④ ED (End Delimiter) : 끝 구분자
등록된 댓글이 없습니다.
32. 무선통신에서 백색잡음(White Noise)에 대한 설명으로 옳지 않은 것은?
- ① 열 잡음이 대표적 예이다.
- ② 백색잡음은 신호에 더해지는 형태이다.
- ③ 주파수 전 대역에서 전력스펙트럼 밀도가 거의 일정하다.
- ④ 레일리 분포 특성을 보인다.
등록된 댓글이 없습니다.
33. 이동통신망에서 착 ㆍ 발신되는 신호 처리, 기지국 감시 및 제어, 위치등록의 기능을 수행하는 구성 요소는?
- ① 이동통신 교환기
- ② 휴대용 단말기
- ③ BSC
- ④ HLR/AC
등록된 댓글이 없습니다.
34. 다음 중 광대역통합망(BcN)의 계층 구분에 대한 설명으로 옳지 않는 것은?
- ① 홈네트워크/단말 계층 : 통합단말이용 직접 접속, 홈네트워크를 통한 접속
- ② 가입자망 계층 : 광대역의 다양한 유무선 및 방송 네트워크들 간에 핸드오버가 진원되는 구조
- ③ 전달망 계층 : ATM 기반의 단일망, QoS, 보안 등이 보장되는 광대역 전달기능을 갖는 네트워크
- ④ 서비스 및 제어계층 : 개방형 API 구현, 소프트스위치 도입
등록된 댓글이 없습니다.
35. 다음 중 USN의 구성요소로 적합하지 않는 것은?
- ① 선서노드(Sensor Node)
- ② 싱크노드(Sink Node)
- ③ 게이트웨이(Gateway)
- ④ RFID서버
등록된 댓글이 없습니다.
36. 정보통신시스템 분석의 목적에 관한 내용으로 맞지 않는 것은?
- ① 새로운 시스템 설계의 기초자료를 얻는다.
- ② 비능률적이고 낭비적인 요소와 문제점을 발견할 수 있다.
- ③ 시스템 또는 각 구성요소에 장애가 발생했을 때 회복을 위한 수리의 간편성, 정기적인 점검자료를 얻는다.
- ④ 전산화에 따른 효과분석을 할 수 있는 기초자료를 얻는다.
등록된 댓글이 없습니다.
37. 20개의 전화국 간을 메쉬(Mesh)형으로 연결하려면 필요한 회선 수는?
- ① 190개
- ② 200개
- ③ 260개
- ④ 380개
등록된 댓글이 없습니다.
38. IEEE에서 제정한 무선 LAN의 표준은?
- ① 802.3
- ② 802.4
- ③ 802.9
- ④ 802.11
등록된 댓글이 없습니다.
39. 정보통신시스템에 대한 보안방법으로 적합하지 않은 것은?
- ① 물리적 보안
- ② 기술적 보안
- ③ 관리적 보안
- ④ 심층적 보안
등록된 댓글이 없습니다.
40. 대칭키 암호화 방식인 왈쉬코드를 이용하여 암호화 복호화를 수행하려한다. 아래와 같은 조건일 때 수신측에는 어떤 데이터가 추출되는가?

- ① 1111
- ② 1001
- ③ 0110
- ④ 0000
등록된 댓글이 없습니다.
3과목 : 정보통신 기기
41. 다음 중 데이터 전송계에서 신호변환 외에 전송신호의 동기제어 송수신 확인, 전송 조작절차의 제어 등을 담당하는 역할을 하는 장치는?
- ① DCE
- ② DTE
- ③ DDU
- ④ DID
등록된 댓글이 없습니다.
42. 컴퓨터가 어떤 터미널로 전송할 데이터가 있는 경우 그 터미널이 수신할 준비가 되어 있는지를 묻고 준비가 되어 있다면 컴퓨터는 터미널로 데이터를 전송하는 것은 다음 어느 것인가?
- ① CONTENTION
- ② ENQ
- ③ SELECTION
- ④ POLL
등록된 댓글이 없습니다.
43. 정보 단말기의 기능 중 사람이 식별 가능한 데이터를 통신장비가 처리 가능한 2진 신호로 변환하거나 그 역(逆)을 행하는 기능은?
- ① 신호 변환 기능
- ② 입 ㆍ 출력 기능
- ③ 송 ㆍ 수신 제어 기능
- ④ 에러 제어기능
등록된 댓글이 없습니다.
44. 입력회선이 10개인 집중화기에서 출력회신을 몇 개까지 설계할 수 있는가?
- ① 10
- ② 11
- ③ 13
- ④ 15
등록된 댓글이 없습니다.
45. 다음 중 고속의 송신 신호를 다수의 직교하는 협대역 반송파로 다중화 시키는 변조방식은?
- ① EBCDIC
- ② CDMA
- ③ OTDM
- ④ OFDM
등록된 댓글이 없습니다.
46. 다음 중 LAN 장비에서 네트워크계층의 연결장비인 것은?
- ① Router
- ② Bridge
- ③ Repeater
- ④ Hub
등록된 댓글이 없습니다.
47. 라우터를 로컬 내에서만 연결하여 관리할 수 있는 인터페이스(포트)는 무엇인가?
- ① 이더넷 포트
- ② 직렬 포트
- ③ 콘솔 포트
- ④ Auxiliary 포트
등록된 댓글이 없습니다.
48. 다음 중 게이트웨이 사이에서 물리적으로 통신하되, 암호화 통신은 논리적으로 하는 방식으로 옳은 것은?
- ① IDS
- ② VPN
- ③ Firewall
- ④ IPS
등록된 댓글이 없습니다.
49. 다음 중 디지털 전화기의 특징에 대한 설명으로 틀린 것은?
- ① 음질이 우수하다.
- ② 기능이 다양하다.
- ③ 데이터 단말기의 접속이 용이하다.
- ④ 회로가 단순하다.
등록된 댓글이 없습니다.
50. 유선 전화양의 구성 요소로 교환기와 단말기를 연결시켜 주고, 신호와 정보를 전달하는 것은?
- ① 가입자 선로
- ② 중계 선로
- ③ 스위치
- ④ 프로그램 기억 장치
등록된 댓글이 없습니다.
51. 디지털 화상회의 시스템에서 QCIF 포맷을 흑백화면으로 25프레임, 8비트로 샘플링을 한다면 데이터 전송률은 약 얼마인가?
- ① 5[Mbps]
- ② 10[Mbps]
- ③ 20[Mbps]
- ④ 40[Mbps]
질문2025. 4. 30. 20:07삭제
176 * 144 * 25 * 8을 하면 5068800 가 나오는데 해설 수식 결과가 이상합니다
52. PSTN 상에서 대화형 멀티미디어 응용을 지원하고, 64[kbps] 이하의 낮은 전송률을 대상으로 전송하며, Sub-QCIF, QCIF, CIF, 4CIF, 16CIF를 지원하는 동영상 압축방식은?
- ① H.261
- ② H.263
- ③ MPEG-1
- ④ MPEG-2
등록된 댓글이 없습니다.
53. 영상 통신 회의 방식의 종류에 해당하지 않는 것은?
- ① VRS(영상응답시스템)
- ② TV회의
- ③ 정지화 통신회의
- ④ Computer 회의
등록된 댓글이 없습니다.
54. 다음 중 ZigBee 통신방식의 특징으로 옳지 않은 것은?
- ① 저전력 구내무선통신기술이다.
- ② 근거리 고속통신에 적합하다.
- ③ 성형, 망형 등 다양한 네트워크 토폴로지를 지원한다.
- ④ 네트워크의 안전성을 요구하는 RF 어플리케이션에 사용된다.
등록된 댓글이 없습니다.
55. 다음 중 정지위성 통신에 대한 설명으로 틀린 것은?
- ① 다원 접속 가능 및 고품질 통신 가능하다.
- ② 통신 영역이 넓고 난시청 지역 적다.
- ③ 고정통신에 적합하며 대량정보 전송 가능하다.
- ④ 채널 수의 증가로 채널당 고비용을 소모한다.
등록된 댓글이 없습니다.
56. 다음 중 트래픽(Traffic)에 대한 설명으로 틀린 것은?
- ① 트래픽양 = 전화의 호수 x 평균 보류시간
- ② 가입자가 통화를 위하여 발신한 호의 집합체이다.
- ③ 1일중 호가 가장 적게 발생한 1시간을 최번시라 한다.
- ④ 통화 성공률 = (통화 성공한 호수 / 발생한 총 호수)x100%
등록된 댓글이 없습니다.
57. 어느 멀티미디어 기기의 전송대역폭이 6[MHz]이고 전송속도가 19.93[Mbps]일 때, 이 기기의 대역폭 효율값은 약 얼마인가?
- ① 2.23
- ② 3.23
- ③ 5.25
- ④ 6.42
등록된 댓글이 없습니다.
58. 다음 중 멀티미디어의 특징으로 틀린 것은?
- ① 디지털화
- ② 통합성
- ③ 단방향성
- ④ 상호작용성
등록된 댓글이 없습니다.
59. 다음 중 IPTV의 설명으로 틀린 것은?
- ① IPTV는 인터넷과 TV(Set-Top Box)를 결합하여 콘텐츠를 서비스한다.
- ② 인터넷망과 TV 단말기를 융합해 확장 가능성이 크다.
- ③ TV 수준의 영상 품질을 유지하며 영상 QoS를 만족 해야 한다.
- ④ 이용자의 요청에 따라 실시간 방송 콘텐츠와 주문형 비디오 등 다양한 콘텐츠를 제공하는 단방향 서비스이다.
등록된 댓글이 없습니다.
60. 다음 중 MPLS(Multi Protocol Label Switching) 기반의 인터넷서비스의 특징이 아닌 것은?
- ① 교환기능과 제어기능이 분리되어 다양한 전달망에 적용될 수 있으며 이기종간에도 동일한 제어기능을 적용할 수 있다.
- ② 레이블에 목적지뿐만 아니라 서비스등급의 의미를 부여할 수 있으므로 IP QoS 제공이 용이하다.
- ③ 레이블에 의한 터널링의 구성이 가능하므로 이를 이용한 VPN 서비스제공이 가능하다.
- ④ 헤드처리 오버헤드가 증가되어도 기능망을 이용하므로 기존 라우터에 비해 대용량 구성이 용이하다.
등록된 댓글이 없습니다.
4과목 : 정보전송 공학
61. 채널의 대역폭이 1,000[Hz]이고 신호대 잡음비가 3일 경우 채널용량은 얼마인가?
- ① 1,500[bit/sec]
- ② 2,000[bit/sec]
- ③ 2,500[bit/sec]
- ④ 3,000[bit/sec]
등록된 댓글이 없습니다.
62. 다음 중 디지털 데이터의 변조방식으로 적합하지 않은 것은?
- ① ASK
- ② PSK
- ③ FSK
- ④ DSB
등록된 댓글이 없습니다.
63. 다음 중 다중화에 대한 설명으로 알맞은 것은?
- ① 다수의 신호에 대응하는 다수의 채널로 전송하는 방식이다.
- ② 하나의 신호를 다수의 채널로 전송하는 방식이다.
- ③ 하나의 신호를 하나의 채널로 전송하는 방식이다.
- ④ 다수의 신호를 동시에 하나의 채널로 전송하는 방식이다.
등록된 댓글이 없습니다.
64. 다음 중 OTDR(Optical Time Domain Reflectometer) 특징으로 틀린 것은?
- ① 광선로의 특성, 접점 손실과 고장점을 찾는 광선로 측정 장비이다.
- ② 광선로 특성을 측정하기 위해 광커플러를 이용하여 광선로에 연결한다.
- ③ 레일레이산란에 의한 후방산란광을 이용하여 광섬유 손실 특성을 측정한다.
- ④ 광선로에 광펄스들을 입사시켜 되돌아온 파형에 대해 주파수 영역에서 측정한다.
등록된 댓글이 없습니다.
65. 설계자가 감쇠 특성을 고려하여 통신시스템을 설계할 때 유의하지 않아도 되는 사항은?
- ① 수신기의 전자회로가 신호를 검출하여 해석할 수 있을 정도로 수신된 신호는 충분히 켜야 한다.
- ② 오류가 발생하지 않을 정도로 신호는 잡음보다 충분히 커야 한다.
- ③ Pair 케이블을 조밀하게 감을수록 비용이 낮고 성능은 좋아진다.
- ④ 감쇠는 주파수가 증가함에 따라 증가하는 특성을 보인다.
등록된 댓글이 없습니다.
66. 다음 중 동축 케이블의 특징으로 알맞지 않은 것은?
- ① 협대역 전송에 이용되며 근단누화가 많이 발생한다.
- ② 고주파에서는 외부도체의 차폐가 우수하며 누화 특성이 개선된다.
- ③ 내부도체와 외부도체의 절연이 극히 좋아 전력전송이 가능하다.
- ④ 저주파에서는 누화가 발생하기 때문에 60[kHz] 이하에서는 사용하지 않는다.
등록된 댓글이 없습니다.
67. 다음 중 동축케이블 RG(Radio Guide) 규격과 특성임피던스의 연결이 옳은 것은?
- ① RG-6 : 75[Ω]
- ② RG-8 : 75[Ω]
- ③ RG-11 : 50[Ω]
- ④ RG-59 : 50[Ω]
등록된 댓글이 없습니다.
68. 다음과 같은 전소매체에 대한 표기방법에 대한 설명으로 옳지 않은 것은?

- ① 전송속도가 10[Mbps]이다.
- ② 기저대역 전송을 행한다.
- ③ 전송매체가 동축케이블이다.
- ④ 전송거리가 최장 5[km]이다.
등록된 댓글이 없습니다.
69. 다음 괄호 안에 들어갈 내용으로 알맞은 것은?

- ① (a) 크며, (b) 멀고, (c) 받으며, (d) 크므로
- ② (a) 크며, (b) 짧고, (c) 안받으며, (d) 작으므로
- ③ (a) 작으며, (b) 멀고, (c) 받으며, (d) 크므로
- ④ (a) 작으며, (b) 짧고, (c) 안받으며, (d) 작으므로
등록된 댓글이 없습니다.
70. 다음 주 HDLC 데이터 전송 모드에서 복합국끼리는 상대방 복합국의 허가가 없어도 명령과 응답을 송신할 수 있는 모드는 무엇인가?
- ① 비동기 평형모드(ABM)
- ② 표준(정규) 응답모드(NRM)
- ③ 비동기 응답모드(ARM)
- ④ 절단모드(DCM)
등록된 댓글이 없습니다.
71. 다음 중 4선식 회선에 가장 효율적인 통신 방식은?
- ① 단방향 통신
- ② 반이중 통신
- ③ 전이중 통신
- ④ 기저대역 통신
등록된 댓글이 없습니다.
72. 전송방식에는 크게 동기식과 비동기식으로 구분된다. 다음 중 동기식 전송방식의 특징이 아닌 것은?
- ① 전송할 정보 묶음 단위로 앞뒤에 동기문자를 가지며 전송효율이 높다.
- ② 클럭(Clock)을 동기신호로 사용한다.
- ③ 주로 전송 속도가 9,600[bps] 이상에서 사용한다.
- ④ 전송할 묶음 문자 사이에 휴지 간격(idle time)이 존재한다.
등록된 댓글이 없습니다.
73. 4개의 문자 A, B, C, D중 하나를 보내는 정보원이 있다. 각각 문자의 발생 확률이 1/2, 1/4, 1/8, 1/8인 경우 한 문자에 대한 평균 정보량은?
- ① 1.75 bit/symbol
- ② 2 bit/symbol
- ③ 2.5 bit/symbol
- ④ 2.75 bit/symbol
등록된 댓글이 없습니다.
74. 다음 중 게이트웨이 장비에 대한 설명으로 틀린 것은?
- ① 네트워크 내의 병목현상을 일으키는 지점이 될 수 있다.
- ② 프로토콜 구조가 상이한 네트워크들을 연결한다.
- ③ 네트워크 내의 트래픽 혼잡상태를 제어한다.
- ④ 이종 프로토콜의 변환 기능을 수행한다.
등록된 댓글이 없습니다.
75. 다음 중 IPv4와 IPv6의 연동 방법으로 틀린 것은?
- ① 이중 스택(Dual Stack)
- ② 터널링(Tunneling)
- ③ IPv4./IPv6 변환(Translation)
- ④ 라우팅(Routing)
등록된 댓글이 없습니다.
76. 다음 중 IPv4에 비해 IPv6에서 보완된 기능이 아닌 것은?
- ① 패킷 크기 확장
- ② 특별한 처리를 위한 플로우 라벨링 능력 제공
- ③ 인증과 비밀성을 제공
- ④ 제한된 주소 할당
등록된 댓글이 없습니다.
77. 다음 중 라우터의 주요 기능이 아닌 것은?
- ① 경로 설정
- ② IP 패킷 전달
- ③ 라우팅 테이블 갱신
- ④ 폭주 회피 라우팅
등록된 댓글이 없습니다.
78. 통신속도가 2,000[bps]인 회선에서 1시간 전송했을 때, 에러 비트수가 36[bit]였다면, 이 통신회선의 비트 에러율은 얼마인가?
- ① 2.5 × 10-6
- ② 2.5 × 10-5
- ③ 5 × 10-6
- ④ 5 × 10-5
등록된 댓글이 없습니다.
79. 물리계층 4대 특성 중 DTE와 DCE간의 신호의 전압레벨, 상승시간, 하강시간, 잡음이득을 규정한 것은?
- ① 기계적 특성
- ② 전기적 특성
- ③ 기능적 특성
- ④ 절차적 특성
등록된 댓글이 없습니다.
80. 다음 중 통신 프로토콜 구성의 기본요소가 아닌 것은?
- ① 구문(Syntax)
- ② 타이밍(Timing)
- ③ 의미(Semantics)
- ④ 연결(Connection)
등록된 댓글이 없습니다.
5과목 : 전자계산기일반 및 정보통신설비기준
81. 주소영역(address space)이 1[GB]인 컴퓨터가 있다. 이 컴퓨터의 MAR(memory address register)의 크기는 얼마인가?
- ① 30[bit]
- ② 30[byte]
- ③ 32[bit]
- ④ 32[byte]
등록된 댓글이 없습니다.
82. 바이트(8bit) 단위로 주소지정을 하는 컴퓨터에서 MAR(Memory Adress Register)과 MDR(Memory Data Register)의 크기가 각각 32비트이다. 512Mb(Megabit) 용량의 반도체 메모리 칩으로 이 컴퓨터의 최대 용량으로 주기억장치의 메모리 배열을 구성하고자 한다. 필요한 칩의 개수는?
- ① 8개
- ② 16개
- ③ 32개
- ④ 64개
등록된 댓글이 없습니다.
83. 프로세서, 주기억장치, I/O 모듈이 한 개의 버스를 공유할 때 사용하는 주소지정 방식 중 격리형 또는 분리형 I/O(Isolated I/O) 방식에 관한 사항은 어느 것인가?
- ① 많은 종류의 I/O 명령어들을 사용할 수 있다.
- ② 귀주한 주기억자이 주소영역이 I/O 장치들을 위하여 사용된다.
- ③ 프로그래밍을 더 효율적으로 할 수 있다.
- ④ 특정 I/O 명령들에 의해서만 I/O 포트들을 엑세스할 수 있다.
등록된 댓글이 없습니다.
84. 다음 중 2진수 (110010)2를 8진수로 올바르게 변환한 것은?
- ① (60)8
- ② (61)8
- ③ (62)8
- ④ (63)8
등록된 댓글이 없습니다.
85. 다음 중 중앙처리장치(CPU)의 스케줄링 기법을 비교하는 성능 기준으로 옳지 않은 것은?
- ① CPU 활용률 : CPU가 작동한 총시간 대비 프로세스들이 실제 사용시간
- ② 처리율(Throughput) : 단위 시간당 처리 중인 프로세스의 수
- ③ 대기시간(Waiting Time) : 프로세스가 준비 큐(Ready Queue)에서 스케줄링될 때까지 기다리는 시간
- ④ 응답시간 : 대화형 시스템에서 입력한 명령의 처리결과가 나올때까지 소요되는 시간
등록된 댓글이 없습니다.
86. 특정한 짧은 시간 내에 이벤트나 데이터의 처리를 보증하고, 정해진 기간 안에 수행이 끝나야 하는 응용 프로그램을 위하여 만들어진 운영 체제는?
- ① 임베디드 운영 체제
- ② 분산 운영 체제
- ③ 실시간 운영 체제
- ④ 라이브러리 운영 체제
등록된 댓글이 없습니다.
87. 다음 중 컴퓨터의 운영체제에서 로더(Loader)의 주요 기능이 아닌 것은?
- ① 프로그램과 프로그램 간의 연결(Linking)을 수행한다.
- ② 출력 데이터에 대해 일시 저장(Spooling) 기능을 수행한다.
- ③ 프로그램이 실행될 수 있도록 번지수를 재배치(Relocation)한다.
- ④ 프로그램 또는 데이터가 저장될 번지수를 계산하고 할당(Allocation)한다.
등록된 댓글이 없습니다.
88. 다음 중 자료가 발생할 때 마다 즉시 처리하여 응답하는 방식은?
- ① 일괄 처리 시스템
- ② 실시간 처리 시스템
- ③ 시분할 시스템
- ④ 병렬 처리 시스템
등록된 댓글이 없습니다.
89. 다음의 소프트웨어에 대한 설명으로 틀린 것은?
- ① 명령어의 집합을 의미한다.
- ② 소프트웨어는 크게 시스템소프트웨어와 응용소프트웨어로 나뉜다.
- ③ 응용소프트웨어에는 백신, 워드프로세서 등의 응용프로그램이 있다.
- ④ 시스템소프트웨어에는 운영체제가 있다.
ㅇㅇ2025. 4. 30. 20:14삭제
해설 설명으로는 답이 1인데 정답기입은 3으로 되어있습니다 수정해주세요
90. 다음 중 인터럽트에 대한 설명으로 틀린 것은?
- ① 인터럽트 수행 중에는 다른 인터럽트가 발생하지 못한다.
- ② 인터럽트 발생 후에는 복귀하기 위해서는 스텍(Stack)이 필요하다.
- ③ 인터럽트 발생은 인터럽트 플래그에 의해 결정된다.
- ④ 인터럽트 발생하면 주프로그램은 중단이 되고 인터럽트 서비스 루틴으로 이동한다.
등록된 댓글이 없습니다.
91. 다음 중 기간통신사업자의 주식 취득 등에 관한 공익성심사를 위한 위원회로 구성되는 관계 중앙행정기관이 아닌 것은?
- ① 기획재정부
- ② 국방부
- ③ 산업통상자원부
- ④ 국토교통부
등록된 댓글이 없습니다.
92. 다음 중 수변전장치, 정류기, 축전지, 전원반, 예비용 발전기 및 배선 등 방송통신용 전원을 공급하기 위한 설비를 뭣이라 하는가?
- ① 전기설비
- ② 전력설비
- ③ 통신설비
- ④ 전원설비
등록된 댓글이 없습니다.
93. 유선, 무선, 광선 또는 그 밖의 전자적 방식으로 부호, 문언, 음향 또는 영상을 송신하거나 수신하는 것을 무엇이라 하는가?
- ① 정보통신
- ② 전기통신
- ③ 전자통신
- ④ 무선통신
등록된 댓글이 없습니다.
94. 평형화선은 회선 상호 간 방송통신콘텐츠의 내용이 혼입되지 아니하도록 두 회선 사이의 근단누화 또는 원단누화의 감쇠량은 얼마 이상이어야 하는가?
- ① 62데시벨
- ② 65데시벨
- ③ 68데시벨
- ④ 72데시벨
등록된 댓글이 없습니다.
95. 다음 중 세대내에서 사용되는 홈네트워크 기기들을 유·무선 네트워크 기반으로 연결하고 홈네트워크 서비스를 제공하는 기기를 무엇이라 하는가?
- ① 홈네트워크 중계장치
- ② 홈네트워크 주장치
- ③ 홈네트워크 단자함
- ④ 홈네트워크 단말기
등록된 댓글이 없습니다.
96. 지능형 홈네트워크 설비 설치 및 기술기준에서 공용부분 홈네트워크 설비의 설치기준에 맞지 않는 것은?
- ① 단지서버는 상시 운용 및 조작을 위하여 별도의 잠금장치를 설치하지 아니한다.
- ② 원격검침시스템은 각 세대별 원격검침장치가 정전 등 운용시스템의 동작 불능 시에도 계량이 가능하여야 한다.
- ③ 집중구내통신실은 독립적인 출입구를 설치하여야 한다.
- ④ 단지네트워크장비는 집중구내통신실 또는 통신배관실에 설치하여야 한다.
등록된 댓글이 없습니다.
97. 다음 중 방송통신설비의 옥외설비가 갖추어야 할 신뢰성 및 안전성에 대한 대책이 아닌 것은?
- ① 동격 대책
- ② 다자접근 용이성 대책
- ③ 다습도 대책
- ④ 진동 대책
등록된 댓글이 없습니다.
98. 다음 정보통신공사 중 하자담보책임기간이 다른 하나는?
- ① 철탑공사
- ② 교환기설치공사
- ③ 개착식 통신구공사
- ④ 위성통신설비공사
등록된 댓글이 없습니다.
99. 다음 중 전기통신사업자의 보편적 역무 내용을 정할 때 고려사항이 아닌 것은?
- ① 정보통신기술의 발전 정도
- ② 사회복지의 증진
- ③ 최신기술 및 미래기술의 적용
- ④ 정보화 촉진
등록된 댓글이 없습니다.
100. 다음 중 기간통신사업을 경영하고자 할 경우 과학기술정보통신부장관에게 행하는 절차로 옳은 것은?
- ① 등록을 하여야 한다.
- ② 허가를 받아야 한다.
- ③ 자격을 받아야 한다.
- ④ 인가를 받아야 한다.
등록된 댓글이 없습니다.