정보통신기사(구)(2019. 10. 12.) 시험일자 : 2019년 10월 12일
1과목 : 디지털 전자회로
1. 다음 중 정류회로에서 다이오드를 병렬로 여러 개로 접속시킬 경우에 나타나는 특성으로 옳은 것은?
- ① 고전압으로부터 보호하다
- ② 정류회로의 전류용량이 커진다.
- ③ 정류기의 역방향 전류가 감소한다.
- ④ 부하출력에서 맥동률을 감소시킨다.
등록된 댓글이 없습니다.
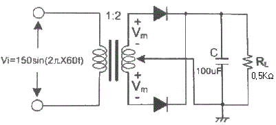
2. 다음 평활회로에서 직류출력전압은 약 얼마인가?

- ① 48[V]
- ② 72[V]
- ③ 138[V]
- ④ 192[V]
등록된 댓글이 없습니다.
3. 제너 다이오드의 양단 전압이 12[V], 제너다이오스에 흐르는 전류가 10[mA]일 때 제너다이오스 측의 소비전력은?
- ① 120 [mW]
- ② 130 [mW]
- ③ 140 [mW]
- ④ 150 [mW]
등록된 댓글이 없습니다.
4. 다음 중 트랜지스터의 증폭특성에 대한 설명으로 틀린 것은?
- ① 공통 베이스 회로의 입력임피던스는 작고 출력 임피던스는 크다.
- ② 공통 베이스 회로의 전류 이득과 공통 컬렉터 회로의 전압 이득은 모두 1보다 크다.
- ③ 공통 컬렉터 회로의 입력 임피던스는 크고 출력 임피던스 매칭 회로로 사용된다.
- ④ 증폭 회로의 입출력 위상관계는 공통 베이스 및 컬렉터 회로의 경우 동일 위상이고 공통 이미터의 경우 반전된 위상이다.
등록된 댓글이 없습니다.
5. 다음 부궤환 방식 중 입력 임피던스는 감소하고 출력 임피던스가 증가하는 방식은?
- ① 병렬 전류 궤환회로
- ② 병렬 전압 궤환회로
- ③ 직렬 전류 궤환회로
- ④ 직렬 전압 궤환회로
등록된 댓글이 없습니다.
6. 다음 중 OP-AMP 성능을 판단하는 파라미터로 관련이 없는 것은?
- ① Vio(입력 오프셋 전압)
- ② CMRR(동상 신호 제거비)
- ③ IB(입력 바이어스 전류)
- ④ PIV(최대 역 전압)
등록된 댓글이 없습니다.
7. 다음 그림에서 입력 전압 Vi는? (단, R1=2R2)

- ① Vi=Vo
- ② Vi=2Vo
- ③

- ④ Vi=3Vo
등록된 댓글이 없습니다.
8. 그림과 같은 회로에 대한 설명 중 옳은 것은?

- ① 콜피츠 발진회로이다.
- ② VHF대나 UHF대에서 많이 사용된다.
- ③ 부궤환을 적용하였다.
- ④ 하틀리 발진회로이다.
등록된 댓글이 없습니다.
9. 발진회로의 출력이 직접 부하와 결합되면 부하의 변동으로 인하여 발진주파수가 변동된다. 이에 대한 대책이 아닌 것은?
- ① 정전압 회로를 사용한다.
- ② 발진회로와 부하 사이에 완충증폭기를 접속한다.
- ③ 발진회로를 온도가 일정한 곳에 둔다.
- ④ 다름 단과의 결합을 밀 결합으로 한다.
등록된 댓글이 없습니다.
10. 다음 중 수정발진기에서 발진수파수가 안정된 이유가 아닌 것은?
- ① 발진 조건을 만족하는 유도성 주파수 범위가 넓다.
- ② 주위 온도의 영향이 적다.
- ③ 전원이나 부하의 변동에 대하여 안정도가 좋다.
- ④ 수정진동자의 Q가 높다.
등록된 댓글이 없습니다.
11. FM 변조에서 최대 주파수 편이가 80[kHz]일 때 주파수 변조파의 대역폭은 약 얼마인가?
- ① 40 [kHz]
- ② 60 [kHz]
- ③ 80 [kHz]
- ④ 160 [kHz]
등록된 댓글이 없습니다.
12. 다음 중 PM 피변조파의 대한 설명으로 옳은 것은?
- ① 순시위상은 변조신호의 미분값에 비례하고, 순시주파수는 변조신호에 비례한다.
- ② 순시위상은 변조신호에 비례하고, 순시주파수는 변조신호에 미분값에 비례한다.
- ③ 순시위상은 변조신호의 적분값에 비례하고, 순시주파수는 변조신호에 비례한다.
- ④ 순시위상은 변조신호의 비례하고, 순시주파수는 변조신호에 적분값에 비례한다.
등록된 댓글이 없습니다.
13. 주파수 변조(FM)에서 변조지수를 나타낸 것 중에 대역폭이 가장 넓은 것은?
- ① 0.5
- ② 1
- ③ 1.5
- ④ 2
등록된 댓글이 없습니다.
14. FM수신기에 사용되는 주파수변별기의 역할은?
- ① 주파수 변화를 진폭 변화로 바꾸어준다.
- ② 진폭 변화를 위상 변화로 바꾸어 준다.
- ③ 주파수체배를 행한다.
- ④ 최대주파수편이를 증가시킨다.
등록된 댓글이 없습니다.
15. 다음 그림은 이상적인 펄스를 나타낸 것이다. 펄스의 듀티 싸이클(Duty Cycle) D의 식으로 옳은 것은?

- ①

- ②

- ③

- ④

등록된 댓글이 없습니다.
16. 다음 그림과 같은 클램핑 회로의 출력 파형은?

- ①

- ②

- ③

- ④

등록된 댓글이 없습니다.
17. 다음 논리식을 간단히 하면?

- ① AB+C
- ② AC+B
- ③

- ④ A
등록된 댓글이 없습니다.
18. 다음 진리표를 부울 대수식으로 표현하면?

- ①

- ②

- ③ Y=A*B
- ④

등록된 댓글이 없습니다.
19. 카운터(Ripple Counter)에 대한 설명으로 틀린 것은?
- ① 비동기 카운터이다.
- ② 카운트 속도가 동기식 카운터에 비해 느리다.
- ③ 최대 동작 주파수에 제한을 받지 않는다.
- ④ 회로 구성이 간단하다.
등록된 댓글이 없습니다.
20. 그림의 코드 변환회호의 명칭은?

- ① BCD-GRAY 코드변환기
- ② BCD-2421 코드변환기
- ③ BCD-3초과 코드변환기
- ④ BCD-0의 보수 코드변환기
등록된 댓글이 없습니다.
2과목 : 정보통신 시스템
21. 다음은 정보통신 용어를 해설한 것이다. 괄호 안에 들어갈 알맞은 것은?

- ① 지문 스펙트럼
- ② 멀티 스펙트럼
- ③ 흡수 스펙트럼
- ④ 싱글 스펙트럼
등록된 댓글이 없습니다.
22. 지능형 교통체계기술(ITS) 중에서 차량 간 통신 기술(Vehicle to Vehicle Communication), 차량과 인프라 간 통신 기술(Vehicle to Infrastructure Communication)에 활용되는 기술은?
- ① WAVE
- ② IEEE 802.11s
- ③ WiBro
- ④ LTE-R
등록된 댓글이 없습니다.
23. 다음 중 데이터 전송 방식에서 직렬 전송 방식에 대한 설명이 아닌 것은?
- ① 현재 대부분의 데이터 전송 시스템에 활용되고 있다.
- ② 단말 장치에서의 입출력 부호 형식으로 사용된다.
- ③ 부호를 구성하는 모든 비트를 하나의 전송로를 통해 차례로 전송하는 방식이다.
- ④ 송ㆍ수신간에 동기가 필요하다.
등록된 댓글이 없습니다.
24. 인터넷에서는 네트워크와 단말기들을 유일하게 식별하기 위해 고유한 주소체계인 인터넷주소 IP를 사용한다. 다음 중 인터넷 주소 IP(IPv4)에 대한 설명으로 옳지 않은 것은?
- ① 인터넷 IP주소는 네트워크의 크기에 따라 5개의 클래스(A/B/C/D/E)로 구분되는데 그 중 클래스 A는 가장 많은 호스트를 가지고 있는 큰 네트워크를 위해 할당한다.
- ② 인터넷 IP주소는 64[bit]로 이루어지며, 16[bit]씩 4부분으로 나누어 사용한다.
- ③ 인터넷 모든 IP 주소는 InterNIC에서 할당한다.
- ④ 인터넷 IP주소는 네트워크 주소와 호스트 주소로 구성한다.
등록된 댓글이 없습니다.
25. OSI 참조모델에서 데이터 패킷이 하위 계층에서 상위 계층으로 이동함에 따라 헤더는 어떻게 처리되는가?
- ① 삭제된다.
- ② 추가된다.
- ③ 재배열된다.
- ④ 변경된다.
등록된 댓글이 없습니다.
26. 1분 동안 전송된 총 비트수가 100[bit]이고 이에 부가로 전송된 전송 비트가 20[bit]이다. 이 때 이 회선의 코드(부호)효율은 약 얼마인가?
- ① 80 [%]
- ② 83 [%]
- ③ 86 [%]
- ④ 89 [%]
등록된 댓글이 없습니다.
27. 다음 중 OSI 7계층과 TCP/IP 프로토콜의 관계에 대한 설명으로 옳지 않은 것은?
- ① TCP/IP 프로토콜은 OSI 참조모델보다 먼저 개발되었다.
- ② TCP/IP 프로토콜의 계층구조는 OSI 모델의 계층구조와 정확하게 일치하지 않는다.
- ③ OSI 모델은 7개 계층으로 TCP/IP 프로토콜은 4개 계층으로 구성되어 있다.
- ④ OSI 모델의 상위 4개 계층은 TCP/IP 프로토콜에서 응용계층으로 표현된다.
등록된 댓글이 없습니다.
28. 종합정보통신망(ISDN)에서 사용자-망간 인터페이스의 기본 채널 구조인 2B+D의 전송용량은?
- ① 48 [kbps]
- ② 96 [kbps]
- ③ 144 [kbps]
- ④ 192 [kbps]
등록된 댓글이 없습니다.
29. 동기식 다중화에 대한 설명으로 옳지 않은 것은?
- ① 프레임구조가 125[μs] 단위로 구성
- ② 계층화 구조 및 오버헤드(SOH, POH, RTR등)의 체계적인 활용
- ③ 포인터에 의한 동기화
- ④ 다단계 다중화
등록된 댓글이 없습니다.
30. LAN(Local Area Network)의 설명 중 잘못된 것은?
- ① 사무실용 빌딩, 공장, 연구소 또는 학교 등의 구내에 분산적으로 설치된 여러 장치를 연결할 수 있다.
- ② 약 10[km] 이내의 거리에서 100[Mbps] 이내의 고속 데이터 전송이 가능하다.
- ③ LAN 프로토콜은 ISO의 OSI 기준 모델인 상위계층을 채택한 계층화된 개념을 사용한다.
- ④ LAN 전동방식은 베이스밴드 방식과 브로드밴드 방식이 있다.
등록된 댓글이 없습니다.
31. 2.4[Gbyte]의 영화를 다운로드 하려고 한다. 전송회선은 초당 100[Mbps]의 속도를 지원하는데 회전 에러율이 10%라고 가정한다면 얼마의 시간이 소요되는가? (단, 에러의 대한 재전송 및 FEC 코드는 없다고 가정한다.)
- ① 약 1.5분
- ② 약 3.5분
- ③ 약 5.5분
- ④ 약 7.5분
등록된 댓글이 없습니다.
32. 다음 중 센서 네트워크를 이용하여 유비쿼터스 환경을 구현하는 것을 목적으로 하는 것은?
- ① USN
- ② BCN
- ③ TMN
- ④ VAN
등록된 댓글이 없습니다.
33. 다음 중 IMS(IP Multimedia Subsystem)에 대한 설명으로 옳지 않은 것은?
- ① 패킷 네트워크 상에서의 표준화된 개방형 아키텍처로서 음성 및 멀티미디어 통신서비스를 위한 IP기반의 플랫폼이다.
- ② ITU-T에서 정의한 H.323 프로토콜을 기본으로 한다.
- ③ 망 구조는 기능에 따라 전송, 세션제어 그리고 어플리케이션의 세 가지 계층으로 이루어진다.
- ④ 세션제어 계층은 호제어, 라우팅, 세션제어, 과금, 위치관리 등의 기능을 수행하며 CSCF(Call Session Control Function)와 HSS(Home Subscriber Server)가 주된 구성요소이다.
등록된 댓글이 없습니다.
34. RFID(Radio Frequency Identification)시스템의 구성요소로 적당하지 않는 것은?
- ① 정보를 제공하는 전자태크(Tag)
- ② 수동태크용 전원공급장치(Power Supply)
- ③ 데이터를 처리하는 호스트 컴퓨터(Host Computer)
- ④ 판독기능을 하는 리더(Reader)
등록된 댓글이 없습니다.
35. 정보통신시스템의 하드웨어 설계 시 고려사항이 아닌 것은?
- ① 운용, 유지보수 및 관리
- ② 설치면적 확보
- ③ 신뢰성
- ④ 전기적, 물리적 성능
등록된 댓글이 없습니다.
36. 운용 중 현장 Access설비로부터 1분당 평균 20개의 패킷이 전송되어 오고 있다. 이 스테이션에서의 처리시간이 1패킷당 평균 2초라 할 때 시스템의 이용률은?
- ① 1/3
- ② 2/3
- ③ 1/6
- ④ 5/6
등록된 댓글이 없습니다.
37. OSI 7계층 중 네트워크에서 동작하는 장비는?
- ① Hub
- ② Repeater
- ③ Modem
- ④ Router
등록된 댓글이 없습니다.
38. 보안 위협의 유형 중 다음 내용에 해당하는 것은?

- ① 변조
- ② 흐름차단
- ③ 가로채기
- ④ 계정 탈취
등록된 댓글이 없습니다.
39. 네트워크 관리 구성 모델에서 관리를 실행하는 객체와 관리를 받는 객체를 올바르게 짝지은 것은?
- ① Agent-Manager
- ② Manger-Server
- ③ Client-Agent
- ④ Manger-Agent
등록된 댓글이 없습니다.
40. 정보통신 시스템의 보안(Security) 대책에 관한 설명으로 틀린 것은?
- ① 우발적인 사고로부터 보호와 의도적인 행위로부터의 보호가 있다.
- ② 시스템의 고도화와 광역화로 인한 데이터의 부정 취득, 데이터 내용의 수정 등의 의도적 행위에 대한 구체적인 대책이 필요하다.
- ③ 데이터가 어떤 수단으로 도난된다 하여도 암호화에 의하여 정당한 이용자 이외에도 알지 못하는 정보로 변화시키기 위해서 액세스 컨트롤(Access Control) 보안설계를 하여야 한다.
- ④ 시스템설계 단계에서는 보안대책을 시스템과 데이터의 중요성을 감안하여 선택하게 되지만, 보안대책은 개발비용의 증가, 처리능력 저하의 요인이 되므로 종합적인 판단이 필요하다.
등록된 댓글이 없습니다.
3과목 : 정보통신 기기
41. 최단 펄스시간 시간 길이가 1000×10-6[sec]일 때, 이 펄스의 변조 속도는?
- ① 1 [baud]
- ② 10 [baud]
- ③ 100 [baud]
- ④ 1,000 [baud]
등록된 댓글이 없습니다.
42. 다음 중 정보 단말기의 일반적인 분류에서 인식장치가 아닌 것은?
- ① 광학문자판독기(OCR)
- ② 광학마크판독기(OMR)
- ③ MICR(Magnetic Character Reader)
- ④ 라인프린터(Line Priter)
등록된 댓글이 없습니다.
43. 다음 중 출력 장치의 기능에 대한 설명인 것은?
- ① 방생한 정보의 입력을 부호화하여 전기신호로 변환하는 것
- ② 입ㆍ출력장치의 제어 및 호스트 컴퓨터와의 제어를 수행하는 것
- ③ 발생한 정보의 출력을 부호화하여 변환하는 것
- ④ 전기신호를 인간이 이해할 수 있는 형태로 출력하는 것
등록된 댓글이 없습니다.
44. 다음 중 라우터에 해당되는 것은?
- ① 복수개의 네트워크를 연결하는데 사용하는 장치이다.
- ② 데이터의 송수신처리를 담당하는 장치이다.
- ③ 송ㆍ수신 과정에서 데이터를 패킷으로 조립핟거나 분해하는 장치이다.
- ④ 양측 단말기 간 링크조건을 설정하는 장치이다.
등록된 댓글이 없습니다.
45. 디지털 비트 구간의 1/2 지점에서 항상 신호와 위상이 변화하는 신호의 이름은?
- ① 맨체스터 코드
- ② 바이폴라 RZ
- ③ AMI(Alternating Mark Inversion)
- ④ NRZ(Non Return to Zero Inversion)
등록된 댓글이 없습니다.
46. 다음 중 DSU(Digital Service Unit)의 기능으로 옳지 않은 것은?
- ① 송신측에서는 직렬 단극성 신호를 변형된 쌍극성 신호로 변환한다.
- ② 정확한 동기 유지를 위한 클럭 추출회로가 있다.
- ③ 디지털 전송로 양단에 접속되어 운용되며 변ㆍ복조기보다 비용이 저렴하다.
- ④ 교환 회선에 주로 사용된다.
등록된 댓글이 없습니다.
47. 다음 중 다중화 방식의 특징에 관한 설명으로 옳지 않은 것은?
- ① 통신회선의 유지보수가 용이하다.
- ② 회선 사용에 있어서 경제적이다.
- ③ 통신 선로의 설치 공사비가 절감된다.
- ④ 신호처리과정이 단순해진다.
등록된 댓글이 없습니다.
48. 다음 중 지방과 지방, 국가와 국가, 국가와 대륙, 전 세계에 걸쳐 형성되는 통신망으로 지리적으로 멀리 떨어져 있는 넓은 지역을 연결하는 통신망은 무엇인가?
- ① PAN
- ② LAN
- ③ MAN
- ④ WAN
등록된 댓글이 없습니다.
49. 전자교환기에서 사용하고 있는 푸쉬 버튼방식의 전화기는 각각 두 개의 주파수로 구성된 가청 발신음을 낸다. 다음 중 전화기 버튼의 가청 주파수 연결로 틀린 것은?
- ① 1 : 697 [Hz]+1,209 [Hz]
- ② 5 : 770 [Hz]+1,336 [Hz]
- ③ 9 : 852 [Hz]+1,336 [Hz]
- ④ 0 : 941 [Hz]+1,336 [Hz]
등록된 댓글이 없습니다.
50. 영상회의 시스템의 비디오 프레임 포맷을 전송하고자 한다. 가장 높은 데이터 전송률을 갖는 포맷은?
- ① Sub-QCIF
- ② QCIF
- ③ CIF
- ④ 4CIF
등록된 댓글이 없습니다.
51. CATV 시스템의 기본 구성에서 안테나로부터 수신된 방송신호의 출력 레벨을 조정하여 전송망으로 보내는 것은?
- ① 탭오프(Tap-off)
- ② 간선증폭기
- ③ 분기증폭기
- ④ 헤드엔드(Head-end)
등록된 댓글이 없습니다.
52. 다음 중 CATV 시스템에 대한 설명으로 옳지 않은 것은?
- ① 유선방송 시스템은 공동수신, CATV, 지역외 CATV, 자체방송 CATV, 쌍방향 CATV로 구분한다.
- ② 국소적인 분야에서 특수한 목적으로 사용하는 경우 간단한 카메라와 모니터링 화면 및 화상정보의 전송로 전달과 통제실 확인장치 및 컴퓨터 시스템으로 구성된다.
- ③ CATV의 3요소는 전체 시스템을 통제하는 유선국, 신호를 분배 전송하는 분배 전송로, 서비스를 받는 가입자국으로 구성한다.
- ④ 유선방송 시스템의 응용으로는 호텔용 CATV, 교통감시용 CATV, 교육용 CATV, 정지화상통신, TV회의, TV전화 등이 있다.
등록된 댓글이 없습니다.
53. IPTV와 디지털 방송에 대한 설명으로 틀린 것은?
- ① IPTV와 디지털 방송 모두 양방향 TV이다.
- ② IPTV 정보의 특성은 실시간, 디지털 방송은 비실시간이다.
- ③ 전달 대상 및 방식은 IPTV는 소수를 위한 방송이고, 디지털 방송은 불특정 다수이다.
- ④ IPTV는 콘텐츠 검색/판매/ 가공의 목적이고 디지털 방송은 콘텐츠 소비가 주 목적이다.
등록된 댓글이 없습니다.
54. 다음 중 FM 수신기의 특징으로 틀린 것은?
- ① 디엠퍼시스 회로가 있다.
- ② 수신주파수 대역폭이 좁다.
- ③ 주파수 변별기로서 검파한다.
- ④ 수신 전계의 변동이 심한 이동 무선에 적합하다.
등록된 댓글이 없습니다.
55. 다음 중 위성안테나의 종류별 기능 및 역할을 설명으로 적합하지 않은 것은?
- ① 헬리컬(Helical) 안테나:HF 등 낮은 주파수대의 전파를 방사 및 수신하는데 이용한다.
- ② 파라볼라(Parabola) 안테나:좁은 지역에 대한 Spot Beam을 형성하는 데 사용한다.
- ③ 혼(Horn) 안테나:넓은 지역을 커버하는 Beam을 형성하는데 사용하며, 필요에 따라서는 다중 피이드 혼으로 원하는 형태의 Beam을 형성하기도 한다.
- ④ 무지향성(Omni-Direction) 안테나:위성의 상태를 위성관제소로 보고하는 Telemetry 신호를 송신하고 위성관제소의 Command 신호를 수신한다.
등록된 댓글이 없습니다.
56. 다음 중 정지궤도 위성에 대한 설명으로 옳지 않은 것은?
- ① 정지궤도란 적도상공 약 36,000km를 말한다.
- ② 궤도가 높을수록 위성이 지구를 한 바퀴 도는 시간이 길어진다.
- ③ 극지방 관측이 불가능하다.
- ④ 정지궤도에 있는 통신위성에서는 지구면적의 약 20%가 내려다보인다.
등록된 댓글이 없습니다.
57. 다음 중 멀티미디어 압축 기술로 틀린 것은?
- ① MIDI
- ② AVI
- ③ JPEG
- ④ MPEG
등록된 댓글이 없습니다.
58. 다음은 무엇에 관한 설명인가?

- ① AMC(Adaptive Modulation and Coding)
- ② HARQ(Hybrid ARQ)
- ③ DCT(Discrete Cosing Transform)
- ④ OFDM(Othogonal Frequency Division Multiplexing)
등록된 댓글이 없습니다.
59. 우리나라 TV 표준에 관한 설명 중 틀린 것은?
- ① 오디오표준:Dolby AC-3
- ② 영상표준:MPEG-2
- ③ 전송방식:OFDM
- ④ 채널당 대역폭:6[MHz]
등록된 댓글이 없습니다.
60. 기존 통신 및 방송사업자와 더불어 제3사업자들이 인터넷을 통해 드라마나 영화 등의 다양한 미디어 콘텐츠를 제공하는 서비스를 무엇이라 하는가?
- ① OTT
- ② IPTV
- ③ VOD
- ④ P2P
등록된 댓글이 없습니다.
4과목 : 정보전송 공학
61. PCM-32/TDM에서 1프레임의 비트 수는?
- ① 64비트
- ② 193비트
- ③ 256비트
- ④ 512비트
등록된 댓글이 없습니다.
62. 다음 중 2원 전송 부호인 NRZ의 설명으로 틀린 것은?
- ① 0(ZERO) 전압으로 돌아오지 않는다.
- ② RZ 부호에 비해 대역폭을 효율적으로 사용한다.
- ③ 직류 성분이 존재한다.
- ④ 1의 입력신호 펄스를 양 전압과 음 전압으로 교대로 처리한다.
등록된 댓글이 없습니다.
63. 어떤 신호가 4개의 데이터 준위를 가지며 펄스시간 1ms일 때 비트 전송률은 얼마인가?
- ① 1,000[bps]
- ② 2,000[bps]
- ③ 4,000[bps]
- ④ 8,000[bps]
등록된 댓글이 없습니다.
64. 18[kHz]까지 전송할 수 있는 PCM 시스템에서 요구되는 Nyquist 표본화 주파수는?
- ① 9 [kHz]
- ② 18 [kHz]
- ③ 36 [kHz]
- ④ 72 [kHz]
등록된 댓글이 없습니다.
65. 다음 중 정보신호에 따라 펄스 반송파의 폭을 변화시키는 펄스변조 방식은?
- ① PDM
- ② PAM
- ③ PPM
- ④ PCM
등록된 댓글이 없습니다.
66. 다음 중 동축케이블에 대한 설명으로 틀린 것은?
- ① 영상 전송에서 우선 고려사항은 감쇄이며, 이를 위해 75Ω 특성임피던스를 많이 사용한다.
- ② 특성 임피던스는 내외부 도체의 직경으로부터는 영향을 받지 않는다.
- ③ 통신, 계측, 안테나 등의 Radio Frequency 영역에서는 50Ω 특성임피던스를 사용한다.
- ④ BNC 커넥터(Connector)는 N 커넥터보다 차단주파수(Cutoff Frequency)가 낮다.
등록된 댓글이 없습니다.
67. 다음 중 기저대역 동축(Baseband Coaxial) 케이블에 대한 특징으로 알맞은 것은?
- ① 단방향 전송에 사용된다.
- ② 버스형 LAN에 널리 사용된다.
- ③ 주로 유선방송에 사용된다.
- ④ 여러 신호를 다중화하여 전송한다.
등록된 댓글이 없습니다.
68. 다음 중 상호변조왜곡 방지 대책으로 가장 적합한 것은?
- ① 입력 신호의 레벨을 높인다.
- ② 전송시스템에 FDM 방식을 사용한다.
- ③ 송수신 장치를 선형역역에서 동작시킨다.
- ④ 필터를 이용하여 통과대역 내의 신호를 걸러낸다.
등록된 댓글이 없습니다.
69. 다음 중 이동통신망에서 핸드오버에 실패하여 통화중인 호가 중간에서 절단(Dropped Call)되는 경우로 알맞지 않은 것은?
- ① 휴대폰 사용자가 옮겨간 셀에 이용 가능한 여유 채널이 없는 경우
- ② 이동전화교환국(MSC)의 처리 용량 제한으로 핸드 오버 처리가 일정 시간 이상 지연되는 경우
- ③ 휴대폰 사용자가 옮겨간 지역에 핸드오버가 가능한 셀이 설정되어 있지 않은 경우
- ④ Queuing Hand Over 방식을 적용하는 경우
등록된 댓글이 없습니다.
70. 다음 중 이동통신에서 자신이 가입한 서비스 지역을 벗어나서도 자신이 가입했던 서비스 지역에서와 똑같이 서비스를 받을 수 있는 것을 무엇이라고 하는가?
- ① 지연확산
- ② 도플러 효과
- ③ 로밍
- ④ 동일채널간법
등록된 댓글이 없습니다.
71. 다음 중 공통선 신호방식으로 전용 데이터 전송로를 필요로 하는 것은?
- ① R2
- ② X.25
- ③ No.7
- ④ TCP/IP
등록된 댓글이 없습니다.
72. 입력 데이터 비트율(Bit Rate)이 4,800[bps]일 때, 맨체스터 부호인 경우 심볼률 및 대역폭은 각각 얼마인가?
- ① 2,400[symbol/sec], 2400[Hz]
- ② 4,800[symbol/sec], 4,800[Hz]
- ③ 9,600[symbol/sec], 9,600[Hz]
- ④ 12,000[symbol/sec], 12,000[Hz]
등록된 댓글이 없습니다.
73. 8진 PSK에서 반송파간의 위상차는?
- ① π
- ② π/2
- ③ π/4
- ④ π/8
등록된 댓글이 없습니다.
74. 다음 중 고속 LAN올 대학캠퍼스나 공장같이 한 곳에 모여 있는 LAN들을 연결하는데 주로 사용되는 것은?
- ① FDDI
- ② ASK
- ③ QAM
- ④ FSK
등록된 댓글이 없습니다.
75. 다음 중 가상회선 방식의 패킷교환방식에 대한 설명으로 틀린 것은?(오류 신고가 접수된 문제입니다. 반드시 정답과 해설을 확인하시기 바랍니다.)
- ① 교환노드에서 패킷처리가 신속하다.
- ② 전송경로가 여러 경로로 전송될 수 있다.
- ③ 데이터 도착순서가 송신순서와 동일하다.
- ④ 전송 데이터에 대한 오류제어가 가능하다.
등록된 댓글이 없습니다.
76. 다음 중 IP(IPv4)의 서브넷에 대한 설명으로 틀린 것은?
- ① IP주소를 보다 효율적으로 낭비 없이 쓰기 위함과 적정한 주소 배정을 위함이 목적이다.
- ② 서브넷을 만들 때 사용하는 마스크를 서브넷 마스크라고 한다.
- ③ 모든 IP주소에는 서브넷 마스크가 있는데 서브넷을 하지 않은 상태로, 즉 클래스의 기본 성질대로 쓰는 경우에는 디폴트 서브넷 마스크를 사용한다.
- ④ 서브넷을 한 후 IP주소에서 호스트 부분을 전부 ‘1’로 한 것은 그 네트워크 자체 주소가 되고, 전부 ‘0’으로 한 것은 그 네트워크의 브로드캐스트 주소가 된다.
등록된 댓글이 없습니다.
77. 다음 중 UDP의 특징으로 틀린 것은?
- ① 비상태정보(Non-state)
- ② 비연결형(Connectionless)
- ③ 최선형 서비스(Best Effort Sevice)
- ④ 정규적인 송신률(Regulated Send Rate)
등록된 댓글이 없습니다.
78. 다음 중 OSI 7계층에서 전송제어 기능을 수행하는 계층(Layer)은 어느 것인가?
- ① 2계층
- ② 3계층
- ③ 4계층
- ④ 5계층
등록된 댓글이 없습니다.
79. 다음 중 비트 방식의 데이터링크 프로토콜이 아닌 것은?
- ① BSC
- ② SDLC
- ③ HDLC
- ④ LAPB
등록된 댓글이 없습니다.
80. 다음 중 FEC(Forward Error Correction) 기법에서 사용하는 오류정정 부호가 아닌 것은?
- ① CRC
- ② LDPC
- ③ Turbo Code
- ④ Hamming Code
등록된 댓글이 없습니다.
5과목 : 전자계산기일반 및 정보통신설비기준
81. 16진수 값 ‘1234567’을 기억장치에 저장하려고 한다. Little Endian 방식으로 저장된 것은 어느 것인가?
- ①

- ②

- ③

- ④

등록된 댓글이 없습니다.
82. 액정 디스플레이(LCD)에 대한 설명 중 틀린 것은?
- ① 네온 전구와 아르곤 가스를 이용한 플라즈마 현상에 의해 정보를 표시한다.
- ② 디지털 계산기나 노트북, 컴퓨터 등의 표시장치에 사용된다.
- ③ 비발광체이기 때문에 CRT보다 눈의 피로가 적고 전력소모가 적다.
- ④ 보는 각도에 따라 선명도가 달라진다.
등록된 댓글이 없습니다.
83. 다음 중 입력장치와 출력장치가 순서대로 짝지어진 것은?
- ① 마무스-트랙볼
- ② 디지털 카메라-스캐너
- ③ 트랙볼-LCD
- ④ CRT-PDP
등록된 댓글이 없습니다.
84. 10진수 46을 2진화 10진수(BCD)로 표현하면?
- ① 01000110
- ② 01010010
- ③ 01010011
- ④ 00100110
등록된 댓글이 없습니다.
85. 두 개의 레지스터에 집진수를 1과-1에 해당하는 이진수가 저장되어 있다. 이 두 레지스터에 덧셈 연산을 수행하는 결과로 옳은 것은?
- ① 결과값은 0이고, 캐리(Carry)가 발생하지 않는다.
- ② 결과값은 0이고, 캐리(Carry)가 발생한다.
- ③ 오버플로우(Overflow)와 캐리(Carry)가 발생한다.
- ④ 오버플로우(Overflow)는 발생하나 캐리(Carry)가 발생하지 않는다.
등록된 댓글이 없습니다.
86. 정보표현의 단위가 작은 것부터 큰 순으로 올바르게 나열된 것은?

- ① ㉠ ㉡ ㉢ ㉣ ㉤
- ② ㉣ ㉠ ㉡ ㉢ ㉤
- ③ ㉣ ㉢ ㉠ ㉤ ㉡
- ④ ㉠ ㉣ ㉢ ㉡ ㉤
등록된 댓글이 없습니다.
87. 다음 중 가중치 코드에 해당하지 않는 것은?
- ① BCD 코드
- ② 2421코드
- ③ Gray 코드
- ④ 5211 코드
등록된 댓글이 없습니다.
88. OS(Operating Ststem)기능 중 자원관리에 속하지 않는 것은?
- ① 기억장치 관리
- ② 주변장치 관리
- ③ 파일 관리
- ④ 보안관리
등록된 댓글이 없습니다.
89. 4개의 중앙철히장치(CPU)를 두고 하나의 주기억장치(Main Memory)로 구성된 컴퓨터시스템이 있다. 이 컴퓨터에서 하나의 작업을 4개의 중앙처리장치에서 동시에 수행하기 위하여 가장 적합한 운영체제 시스템은?
- ① 분산 처리(Distributed Processing) 시스템
- ② 다중 처리(Multi Processing) 시스템
- ③ 다중 프로그래밍(Multi Programming) 시스템
- ④ 실시간 처리(Realtime Processing) 시스템
등록된 댓글이 없습니다.
90. 저작자(개발자)에 의해 무상으로 배포되는 컴퓨터 프로그램으로 개인이나 열광자(Enthusiast)가. 자기의 작품에 대해 동호인들의 평가를 받기 위해서 또는 개인적 만족감을 얻기 위해서 사용자 집단(User Group), PC 통신망의 전자 게시판이나 공개 자료실, 인터넷의 유즈넷(USENET) 등을 통해 배포하는 소프트웨어는?
- ① 프리웨어
- ② 소셜 소프트웨어
- ③ 멀웨어
- ④ 번들
등록된 댓글이 없습니다.
91. 다음 과학기술정보통신부장관이 소속 공무원으로 하여금 방송통신설비를 설치ㆍ운영하는 자의 설비를 조사하거나 시험하게 할 수 없는 경우가 아닌 것은?
- ① 방송통신설비 관련 시책을 수립하기 위한 경우
- ② 국가 비상사태에 대비하기 위한 경우
- ③ 재난 재해 예방을 위한 경우
- ④ 설치한 목적에 반하여 운용한 경우
등록된 댓글이 없습니다.
92. 해킹, 컴퓨터 바이러스, 논리폭탄, 메일폭탄, 서비스 거부 또는 고출력 전자기파 등의 방법으로 정보통신망 또는 이와 관련된 정보시스템을 공격해 방생한 사태를 의미하는 용어는?
- ① 인터넷 사태
- ② 정보통신 사태
- ③ 침해사고
- ④ 통신사고
등록된 댓글이 없습니다.
93. 다음 중 통신공동구의 유지ㆍ관리에 필요한 부대설비가 아닌 것은?
- ① 조명시설
- ② 환기시설
- ③ 집수시설
- ④ 접지시설
등록된 댓글이 없습니다.
94. 다음 중 정보통신공사의 ‘설계도서’에 포함되지 않는 것은?
- ① 공사비명세서
- ② 시험성적서
- ③ 시방서
- ④ 설계도면
등록된 댓글이 없습니다.
95. 다음 중 정보통신공사법의 변경신고사항이 아닌 것은?
- ① 대표자
- ② 자본금의 변동
- ③ 영업소지 소재지
- ④ 정보통신기술자의 경력사항
등록된 댓글이 없습니다.
96. 다음 중 정보통신공사업에 종사하는 정보통신기술자에 관한 설명으로 옳지 않은 것은?
- ① 정보통신기술자는 동시에 두 곳 이상의 공사업체에 종사할 수 없다.
- ② 동일한 종류의 공사인 경우 1명의 정보통신기술자와 다수의 공사를 관리할 수 있다.
- ③ 정보통신기술자는 자기의 경력이나 기술자격증을 대여하여서는 아니된다.
- ④ 정보통신기술자는 타인에게 자기의 성명을 사용하여 용역 또는 공사를 하게 하여서는 아니된다.
등록된 댓글이 없습니다.
97. 다음 중 전기통신사업자가 제공하는 보편적 역무의 구체적인 내용을 정할 댇 고려할 사항이 아닌 것은?
- ① 사회복지 증진
- ② 정보통신기술의 발전 정도
- ③ 공공의 이익과 안전
- ④ 기간통신사업자의 사업 규모
등록된 댓글이 없습니다.
98. 다음 통신설비의 비상사태 대응에 대한 설명 중 틀린 것은?
- ① 중요한 통신설비의 장애 발생시 통신설비 패쇄방안 강구
- ② 이동통신 기지국 장해 발생 시 이동형 기지국 등 임시적인 응급복구
- ③ 연락체계, 권한의 범위 등 비상사태 시의 체제를 명확히 설정
- ④ 복구대책의 실시방법 및 순서롤 정하여 시행
등록된 댓글이 없습니다.
99. 다음 중 정보통신공사업법에 따른 총 공사금액과 감리원 배치기준의 기준이 잘못된 것은?
- ① 총 공사금액 150억원:특급감리원(기술사 자격을 가진 자로 인정)
- ② 총공사금액 120억원:특급 감리원
- ③ 공사금액 60억원:고급감리원 이상이 감리원
- ④ 공사금액 20억원:중급감리원 이상이 감리원
등록된 댓글이 없습니다.
100. 다음은 정보통신공사의 설계도서에 대한 보관기준을 설명한 것이다. 잘못된 것은?
- ① 공사에 대한 실시ㆍ준공설계도서는 공사의 목적물이 폐지될 때까지 보관
- ② 실시ㆍ준공설계도서가 변경된 경우에는 변경 전후 실시ㆍ준공설계도서 모두 보관
- ③ 공사를 설계한 용역업자는 그가 작성 또는 제공한 실시설계도서를 해당 공사 준공 후 5년 간 보관
- ④ 공사를 감리한 용업업자는 그가 감리한 공사의 준공설계도서를 하자담보책임기간 종료시 보관
등록된 댓글이 없습니다.