정보통신기사(구)(2016. 3. 6.) 시험일자 : 2016년 3월 6일
1과목 : 디지털 전자회로
1. 다음 중 교류입력의 반주기에 대해 브리지 정류기의 다이오드 동작조건에 대한 설명으로 옳은 것은?
- ① 한 개의 다이오드가 순방향 바이어스이다.
- ② 두 개의 다이오드가 순방향 바이어스이다.
- ③ 모든 다이오드가 순방향 바이어스이다.
- ④ 모든 다이오드가 역방향 바이어스이다.
등록된 댓글이 없습니다.
2. 다음 정전압회로에서 제너 다이오드의 내부저항(rd)는 2[Ω]이고, 입력 직렬저항 (Rs)는 500[Ω]일 경우 전압 안정계수(S)는 약 얼마인가?

- ① 0.004
- ② 0.005
- ③ 0.006
- ④ 0.007
등록된 댓글이 없습니다.
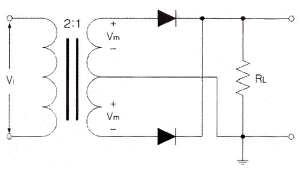
3. 다음 정류회로의 명칭은?

- ① 단상반파 정류회로
- ② 3상반파 정류회로
- ③ 단상전파 정류회로
- ④ 브릿지전파 정류회로
등록된 댓글이 없습니다.
4. 다음 중 베이스 접지 증폭기에 대한 설명으로 틀린 것은?
- ① 다른 접지증폭 방식에 비해 전압이득을 크게 할 수 있다.
- ② 출력임피던스가 다른 접지증폭 방식에 비해 높다.
- ③ 전류이득은 대략 1이다.
- ④ 입력과 출력간의 위상은 반전이다.
등록된 댓글이 없습니다.
5. 다음 중 트랜지스터(Transistor)를 달링턴 접속하였을 경우에 대한 설명으로 틀린 것은?
- ① 전류이득이 높아진다.
- ② 입력임피던스가 낮아진다.
- ③ 전압이득은 1보다 작다.
- ④ 출력임피던스가 낮아진다.
등록된 댓글이 없습니다.
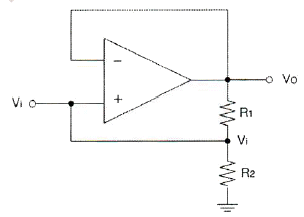
6. 다음 그림에서 입력전압 Vi는? (단, R1=2R2)

- ① Vi=Vo
- ② Vi=2Vo
- ③

- ④ Vi=3Vo
등록된 댓글이 없습니다.
7. 다음 중 부궤환 증폭기의 장점이 아닌 것은?
- ① 주파수 특성이 개선된다.
- ② 부하변동에 의한 이득 변동의 감소로 동작이 안정된다.
- ③ 일그러짐이 감소한다.
- ④ 전력효율이 좋아진다.
등록된 댓글이 없습니다.
8. 다음 중 발진을 유지하기 위한 조건이 아닌 것은?
- ① 증폭기의 출력이 유지되는 방향으로 궤환이 일어나야 한다.
- ② 궤환루프의 위상천이가 0˚이어야 한다.
- ③ 전체 폐루프의 전압이득이 (Ad)이 0이어야 한다.
- ④ 발진의 안정조건은 |Aβ|=1이어야 한다. (A: 증폭기 증폭도, β: 궤환율)
등록된 댓글이 없습니다.
9. 다음 중 정현파 발진기의 종류가 아닌 것은?
- ① CR 발진기
- ② LC 발진기
- ③ 수정발진기
- ④ 멀티바이브레이터
등록된 댓글이 없습니다.
10. 다음 중 주파수변조를 진폭변조와 비교한 설명으로 틀린 것은?
- ① 점유주파수대폭이 넓다.
- ② 초단파대의 통신에 적합하다.
- ③ S/N비가 좋아진다.
- ④ Echo의 영향이 많아진다.
등록된 댓글이 없습니다.
11. 다음 중 슈퍼헤테로다인(Superheterodyne) 검파방식의 주파수 성분을 구하는 방법으로 틀린 것은?
- ① 영상주파수 = 수신주파수 + (2×중간주파수)
- ② 국부발진주파수 = 수신주파수 - 중간주파수
- ③ 혼신주파수 = 영상주파수 - 국부발진주파수
- ④ 중간주파수 = 국부발진주파수 + 영상주파수
등록된 댓글이 없습니다.
12. 일정시간 동안 200개의 비트가 전송되고, 전송된 비트 중 15개의 비트에 오류가 발생하면 비트 에러율(BER)은?
- ① 7.5[%]
- ② 15[%]
- ③ 30[%]
- ④ 40.5[%]
등록된 댓글이 없습니다.
13. 다음 중 멀티바이브레이터의 동작과 관계가 없는 것은?
- ① 전원전압이 변동해도 발진주파수에는 변화가 없다.
- ② 출력에 고차의 고조파를 포함한다.
- ③ 회로의 시정수로 출력파형의 주기가 결정된다.
- ④ 부궤환으로 이루어진 회로이다.
등록된 댓글이 없습니다.
14. 다음 중 입력 신호에서 어떤 특정된 제어 시간의 신호만 출력되도록 할 목적으로 사용하는 회로는?
- ① 슬라이싱(Slicing) 회로
- ② 클램퍼(Clamper) 회로
- ③ 클리핑(Clipping) 회로
- ④ 게이트(Gate) 회로
등록된 댓글이 없습니다.
15. 8진수 (67)8을 16진수로 바르게 표기한 것은?
- ① (43)16
- ② (37)16
- ③ (55)16
- ④ (34)16
등록된 댓글이 없습니다.
16. 논리식 A(A+B+C)를 간단히 하면?
- ① A
- ② 1
- ③ 0
- ④ A+B+C
등록된 댓글이 없습니다.
17. 다음 논리 회로는 어떤 논리 게이트(Logic Gate)로 동작하는가?

- ① OR
- ② NOR
- ③ NAND
- ④ AND
등록된 댓글이 없습니다.
18. 5비트 2진 카운터의 입력에 4[MHz]의 정방향 펄스가 가해질 때 출력 펄스의 주파수는?
- ① 25[kHz]
- ② 50[kHz]
- ③ 250[kHz]
- ④ 125[kHz]
등록된 댓글이 없습니다.
19. 비동기식 5진 카운터(Counter) 회로는 최소 몇 개의 플립플롭(Flip-Flop)이 필요한가?
- ① 4
- ② 3
- ③ 2
- ④ 1
등록된 댓글이 없습니다.
20. 다음 그림과 같은 회로의 명칭은?

- ① 병렬가산기
- ② 멀티플렉서
- ③ 디멀티플렉서
- ④ 디코더
등록된 댓글이 없습니다.
2과목 : 정보통신 시스템
21. 다음 중 DSU(Digital Service Unit)의 기능으로 옳은 것은?
- ① 디지털 데이터를 디지털 신호로 변환
- ② 아날로그 데이터를 디지털 신호로 변환
- ③ 디지털 신호를 아날로그 데이터로 변환
- ④ 아날로그 신호를 디지털 데이터로 변환
등록된 댓글이 없습니다.
22. 10개의 지국을 그물형(Mesh)으로 연결하려 할 때 소요되는 최소 링크 수는?
- ① 25
- ② 35
- ③ 45
- ④ 55
등록된 댓글이 없습니다.
23. 다음은 정보통신 기술의 특징을 설명한 것이다. 무엇에 대한 설명인가?

- ① N-Screen
- ② LTEM
- ③ Super-WiFi
- ④ MVNO
등록된 댓글이 없습니다.
24. 다음 중 전송지연시간이 길어서 대화형 통신에 사용하기에는 적당하지 않은 것은?
- ① 메시지 교환방식
- ② 회선 교환방식
- ③ 데이터그램 교환방식
- ④ 가상회선 교환방식
등록된 댓글이 없습니다.
25. 전화통신망(PSTN)에서 최번시 1시간에 발생한 호(Call)수가 240이고, 평균통화시간이 2분일 때 이 회선의 호량(Erlang)은?
- ① 0.1[Erl]
- ② 8[Erl]
- ③ 40[Erl]
- ④ 360[Erl]
등록된 댓글이 없습니다.
26. 다음 중 HDLC 프로토콜에 대한 설명으로 옳지 않은 것은?
- ① 바이트 방식의 프로토콜이다.
- ② 단방향, 반이중, 전이중 방식 모두 사용이 가능하다.
- ③ 데이터 링크 계층의 프로토콜이다.
- ④ 오류제어방식으로 ARQ 방식을 사용한다.
등록된 댓글이 없습니다.
27. 다음 중 TCP 프레임의 헤더 구조에 대한 설명으로 틀린 것은?
- ① 순차 번호(Sequence Number) 필드는 송신 TCP로부터 수신 TCP로 송신되는 데이터 스트림 중 마지막 바이트를 지정한다.
- ② 응답 번호(Acknowledgement Number)는 응답제어 비트가 설정되어 있을 때만 제공된다.
- ③ Data Offset(HLEN)는 TCP Segment에 있는 데이터를 32비트 워드 단위로 나타낸다.
- ④ Window Size는 수신부가 응답필드에서 지정한 번호부터 수신할 수 있는 바이트의 수를 표시한다.
등록된 댓글이 없습니다.
28. 다음 중 대등-대-대등(peer-to-peer) 프로세스에 대한 설명으로 가장 적절한 것은?
- ① 통신장치 간에 통신할 때 해당계층에서 통신하는 각 장치의 프로세스
- ② 하나의 장치에서 각 계층이 바로 아래 계층의 서비스를 이용하는 프로세스
- ③ 인접한 계층 사이의 인터페이스를 통해 전달되는 프로세스
- ④ 임의의 두 통신장치 간에 자신의 구조에 상관없이 서로 통신할 수 있도록 해 주는 프로세스
등록된 댓글이 없습니다.
29. 프로토콜의 주요 요소 중에서 데이터 전송시기와 전송속도에 관한 특성을 나타내는 것은?
- ① 타이밍
- ② 구문
- ③ 의미
- ④ 표준
등록된 댓글이 없습니다.
30. PCM 통신방식에서 4[kHz]의 대역폭을 갖는 음성 정보를 8[bit] 코딩으로 표본화하면 음성을 전송하기 위해 필요한 데이터 전송률은 얼마인가?
- ① 4[kbps]
- ② 8[kbps]
- ③ 32[kbps]
- ④ 64[kbps]
등록된 댓글이 없습니다.
31. 통신 중에 교환기의 스위치가 닫히게 되어 송신자와 수신자 사이에 물리적인 회선이 만들어지며 전화나 TV같은 연속적인 정보를 전송하는데 사용되는 교환방식은?
- ① 회선 교환
- ② 패킷 교환
- ③ 메시지 교환
- ④ 데이터그램 교환
등록된 댓글이 없습니다.
32. 전화통신망(PSTN)에서 인접선로간 차폐가 완전하지 않아, 인접선로 상의 다른 신호에 영향을 미쳐 발생하는 품질저하 요인은?
- ① 누화(Cross Talk)
- ② 신호감쇠
- ③ 에코(Echo)
- ④ 신호지연
등록된 댓글이 없습니다.
33. 다음 중 부가가치통신망(VAN)에 대한 설명으로 틀린 것은?
- ① VAN 사용자는 인터넷을 통해서만 VAN 정보에 접속할 수 있다.
- ② 은행의 본점과 지점간 또는 다른 은행간의 자동이체 등은 VAN에서 제공할 수 있는 서비스이다.
- ③ 최근에는 개방형 구조의 인터넷기반 B2B, B2C로 발전하고 있다.
- ④ VAN은 기존 통신망의 통신기능에 통신처리기능, 정보처리기능을 추가하여 가치를 높이는 통신망이다.
등록된 댓글이 없습니다.
34. FM 피변조파의 최대 주파수 편이가 60[kHz], 최대 변조 신호 주파수가 15[kHz]일 때 FM 변조지수는 얼마인가?
- ① 3
- ② 4
- ③ 5
- ④ 6
등록된 댓글이 없습니다.
35. 다음 중 H.264/MPEG-4 기술과 비교하여 약 2배 높은 압축률을 가지면서도 동일한 비디오 품질을 제공하는 고효율 비디오 코딩(압축) 표준은?
- ① HEVC(High Efficiency Video Coding)
- ② AVC(Advanced Video Coding)
- ③ VCDG(Video Coding Experts Group)
- ④ SVC(Scalable Video Coding)
등록된 댓글이 없습니다.
36. 다음 중 CSMA/CD 방식에 관한 특징으로 옳지 않은 것은?
- ① 데이터 전송이 필요할 때 임의로 채널을 할당하는 랜덤할당방식이다.
- ② 버스 구조에 이용될 수 있다.
- ③ 노드수가 많고, 데이터 전송량이 많을수록 안정적이고 효율적으로 전송이 가능하다.
- ④ 채널로 전송된 프레임은 모든 노드에서 수신이 가능하다.
등록된 댓글이 없습니다.
37. 다음 중 근거리통신망(LAN)에서 사용되는 채널할당방식에서 요구할당방식에 해당되는 것은?
- ① ALOHA
- ② TDM
- ③ CSMA/CD
- ④ Token Bus
등록된 댓글이 없습니다.
38. 네트워크관리시스템(NMS) 운용 중 현장 Access 설비로부터 1분당 평균 20개의 패킷이 전송되어 오고 있다. 이 스테이션에서의 처리시간이 1패킷당 평균 2초라 할 때 시스템의 이용률은?
- ① 1/3
- ② 2/3
- ③ 1/6
- ④ 5/6
등록된 댓글이 없습니다.
39. 정보통신시스템에서 신뢰성의 척도로 가동률을 사용하고 있다. MTBF=22시간, MTTR=2시간일 때 가동률을 구하면? (단, 소수점 3번째 자리에서 반올림 한다.)
- ① 0.98
- ② 0.96
- ③ 0.94
- ④ 0.92
등록된 댓글이 없습니다.
40. 다음 중 정보통신시스템 구축시 네트워크에 관한 고려사항이 아닌 것은?
- ① 파일 데이터의 종류 및 측정방법
- ② 백업회선의 필요성 여부
- ③ 단독 및 다중화 등 조사
- ④ 분기회선 구성 필요성
등록된 댓글이 없습니다.
3과목 : 정보통신 기기
41. 다음 중 RFID 시스템의 구성요소로 틀린 것은?
- ① 태그와 리더
- ② 안테나
- ③ 서버
- ④ QR 코드
등록된 댓글이 없습니다.
42. 최단 펄스시간 길이가 1,000×10-6[sec]일 때, 이 펄스의 변조속도는?
- ① 1[baud]
- ② 10[baud]
- ③ 100[baud]
- ④ 1,000[baud]
등록된 댓글이 없습니다.
43. 통신 제어장치의 구성 중 전송 제어부의 기능이 아닌 것은?
- ① 전송 제어 문자의 식별
- ② 송ㆍ수신 데이터의 직ㆍ병렬 변환
- ③ 오류 검출 부호의 생성 및 오류 검출
- ④ 컴퓨터와의 데이터 전송
등록된 댓글이 없습니다.
44. 다음 중 다중화 기술에 대한 설명으로 옳지 않은 것은?
- ① 하나의 통신로를 여러 가입자가 동시에 이용하여 통신할 수 있도록 하는 것이 다중화 기술이다.
- ② 아날로그방식의 주파수분할다중화(FDM)와 디지털방식의 시분할다중화(TDM) 및 코드분할다중화(CDM) 기술이 있다.
- ③ 주파수분할다중화(FDM)는 채널마다 독립된 주파수대역으로 분할하여 다중화하는 방식으로 시분할다중화 또는 코드분할다중화보다 효율이 낮다.
- ④ 시분할다중화(TDM)는 정해진 시간으로 슬롯을 배정하고 이를 다시 Frame으로 묶어 다중화하는 방식으로 코드분할다중화(CDM)보다 다중화 효율이 높다.
등록된 댓글이 없습니다.
45. 다음 중 DSU(Digital Service Unit)에 대한 설명으로 옳은 것은?
- ① 전송신호 형태는 Analog 신호이다.
- ② 변조 방식으로는 주로 AMI(Bipolar)이다.
- ③ 전송 속도는 1.2~9.6[kbps]이다.
- ④ 사용 Network은 음성급 전용망, 교환망이다.
등록된 댓글이 없습니다.
46. 케이블 모뎀을 64-QAM으로 하향 데이터전송(6[MHz] 대역폭)을 한다. 최대 데이터 전송률은?
- ① 20[Mbps]
- ② 30[Mbps]
- ③ 36[Mbps]
- ④ 40[Mbps]
등록된 댓글이 없습니다.
47. 다음 중 모뎀의 궤환시험(Loop Back Test) 기능과 관련된 것이 아닌 것은?
- ① 모뎀의 패턴발생기와 내부회로의 진단테스트
- ② 자국내 모뎀의 진단 및 통신회선의 고장의 진단
- ③ 전송속도의 향상
- ④ 상대편 모뎀의 시험인 Remote Loop Back Test도 가능
등록된 댓글이 없습니다.
48. 다음 중 공동이용기에 대한 설명으로 옳은 것은?
- ① 폴링 방식으로 네트워크를 제어하는 경우 통신 회선을 공동으로 이용하여 네트워크의 단순화와 비용을 절감할 수 있는 장치
- ② 여러 개의 단말장치들이 하나의 통신회선을 통하여 데이터를 전송하고, 수신 측에서도 여러개의 단말장치들의 신호로 분리하여 입출력할 수 있도록 하는 장치
- ③ 전송회선의 데이터 전송 시간을 타임 슬롯(Time Slot)이라는 일정한 시간 폭으로 나누고, 이들을 일정한 크기의 프레임으로 묶어서 채널별로 특정시간대에 해당하는 슬롯에 배정하는 방식
- ④ 실제로 전송할 데이터가 있는 단말장치에만 동적인 방식으로 각 부채널에 시간폭을 할당하는 장치
등록된 댓글이 없습니다.
49. 팩시밀리의 원통직경이 50[mm]이고, 주사선 밀도가 5[선/mm]일 때 협동계수는 얼마인가?
- ① 10
- ② 25
- ③ 100
- ④ 250
등록된 댓글이 없습니다.
50. H.323 또는 SIP(Session Initiation Protocol)의 프로토콜을 이용하여 인터넷 상에서 음성 전화 서비스를 제공하는 것을 무엇이라 하는가?
- ① VoIP
- ② Zigbee
- ③ Bluetooth
- ④ WPAN
등록된 댓글이 없습니다.
51. 다음 중 디지털 지상파 TV 방송의 전송방식이 아닌 것은?
- ① ATSC
- ② DVB-H
- ③ ISDB-T
- ④ DMB-T/H
등록된 댓글이 없습니다.
52. 현재 방송장비에서 많이 사용하는 전송 방식에서 아날로그 CCTV 카메라에서도 기존에 설치되어 있는 동축케이블을 활용해 고화질 영상전송이 가능하게 한 방식은?
- ① DNR
- ② HD-SDI
- ③ HDMI
- ④ WDR
등록된 댓글이 없습니다.
53. 다음 중 VoIP 기술의 구성요소로 틀린 것은?
- ① 미디어 게이크웨이
- ② 시그널링 서버
- ③ IP 터미널
- ④ 구내 교환기
등록된 댓글이 없습니다.
54. CDMA 대역확산 통신기술을 이용하여 다중경로전파 가운데 원하는 신호만을 분리할 수 있는 수신기는?
- ① 레이크 수신기
- ② Multi channel 수신기
- ③ 헤테로다인 수신기
- ④ VLR 수신기
등록된 댓글이 없습니다.
55. 등방성 안테나로부터 거리가 2,000[m] 떨어져 있는 점의 전계강도는 약 얼마인가? (단, 안테나로부터 방사되는 전력은 10[W]이다.)
- ① 8.66[mV/m]
- ② 0.866[mV/m]
- ③ 1.866[mV/m]
- ④ 0.186[mV/m]
등록된 댓글이 없습니다.
56. 만약 우리나라에서 대륙간 국제 통화 회선 구성시, 고정 위성(Geostationary Satellite) 통신링크가 2개 포함되면(예를 들어 태평양 상공의 위성과 인도양 상공의 위성) 어떤 현상이 발생하는지 가장 적절하게 설명한 것은?
- ① 음량이 약해서 통화에 불편하다.
- ② 반향(Echo)이 발생하여 통화에 방해가 된다.
- ③ 2개의 위성 링크 홉(Hop)에서 전송 에러거 증가하여 통화의 명료도가 저하된다.
- ④ 지연이 증가하여 실시간 대화가 어렵다.
등록된 댓글이 없습니다.
57. HPA를 사용하는 기지국(BTS)에서 송신안테나의 개수를 줄이기 위해 사용하는 장치는?
- ① 필터
- ② 중계기
- ③ 콤바이너
- ④ 트랜시버
등록된 댓글이 없습니다.
58. 휴대전화에 인터넷 통신과 정보검색 등 컴퓨터 지원 기능을 추가한 지능형 단말기로 사용자가 원하는 애플리케이션을 설치할 수 있는 멀티미디어 기기는 무엇인가?
- ① Tablet PC
- ② PDA
- ③ Smart Phone
- ④ Smart Grid
등록된 댓글이 없습니다.
59. 멀티미디어 데이터 압축 기법 중 혼성압축 기법으로 틀린 것은?
- ① MPEG
- ② JPEG
- ③ GIF
- ④ FFT
등록된 댓글이 없습니다.
60. Full HD(1,920×1,080화소) TV방송보다 4배 이상 화질이 선명한 ‘4K급 초고화질’ TV방송 및 실물에 각까운 생생한 화질을 제공하는 멀티미디어 기기는 무엇인가?
- ① 3DTV
- ② Smart TV
- ③ UHD TV
- ④ IPTV
등록된 댓글이 없습니다.
4과목 : 정보전송 공학
61. 다음 중 표본화 주파수가 높다는 것은 무엇을 의미하는가?
- ① 초당 샘플수가 낮다.
- ② 전송하려는 정보의 양이 적다.
- ③ 요구되는 채널 용량이 커진다.
- ④ 초당 프레임수가 낮다.
등록된 댓글이 없습니다.
62. 다음 중 나이퀴스트(Nyquist) 표본화 주파수(fs)로 알맞은 것은?
- ① fs = 2fm
- ② fs < 2fm
- ③ fs ≥ 2fm
- ④ fs ≤ 2fm
등록된 댓글이 없습니다.
63. 16진 PSK를 사용하는 시스템에서 데이터 신호속도가 12,400[bps]라면 변조속도는 얼마인가?
- ① 775[baud]
- ② 1,550[baud]
- ③ 3,100[baud]
- ④ 6,200[baud]
등록된 댓글이 없습니다.
64. 다음 중 회로구성이 간단하고 가격이 저렴하며, 잡음이나 신호의 변화에 약하며, 광섬유를 이용한 디지털 전송에서 사용되는 변조방식은?
- ① ASK
- ② FSK
- ③ PSK
- ④ QAM
등록된 댓글이 없습니다.
65. 다음 중 전송로 상의 구조 분산(도파로 분산)에 대한 설명으로 틀린 것은?
- ① 광섬유의 구조에 변화가 생겨 빛과 광케이블이 이루는 각이 파장에 따라 변해서 발생
- ② 실제 전송로의 경로의 길이에 변화가 발생하게 되고 도착 시간의 차이가 발생
- ③ 광 펄스가 옆으로 퍼지는 현상
- ④ 모드 사이의 전달되는 전파속도 차이 때문에 발생하는 분산
등록된 댓글이 없습니다.
66. 다음 중 전송특성 열화 요인에서 정상 열화 요인에 속하지 않는 것은?
- ① 위상 히트
- ② 군지연 왜곡
- ③ 주파수 편차
- ④ 고주파 왜곡
등록된 댓글이 없습니다.
67. 다음 중 이동통신에서 나타나는 페이딩 현상으로 맞는 것은?
- ① 이동체의 움직임에 따라 관측점과 파원의 실효 길이가 변호하게 되어 수신 신호 주파수가 변하는 현상이다.
- ② 신호 전파의 도달 거리 차에 의해 수신 전계강도가 시간적으로 변동하는 현상이다.
- ③ 인접한 이동체간에 동일 주파수 채널을 사용함으로써 발생하는 간섭현상이다.
- ④ 전파가 전송되는 과정에서 다중 반사되어 나타나는 지연 현상이다.
등록된 댓글이 없습니다.
68. 다음과 같은 전송매체에 대한 표기방법에 대한 설명으로 옳지 않은 것은?

- ① 전송속도가 10[Mbps]이다.
- ② 기저대역 전송을 행한다.
- ③ 전송매체가 동축케이블이다.
- ④ 전송거리가 최장 5[km]이다.
등록된 댓글이 없습니다.
69. 다음 중 공통선 신호 방식에 해당하지 않는 것은?
- ① 통화로와 신호전송이 분리되어 다수의 통화에 필요한 신호를 한 채널로 전송하는 방식
- ② 아날로그 신호방식(No.6)
- ③ 디지털 신호방식(No.7)
- ④ 국 간 망에 분포되어 있는 트래픽 부하를 조절하기 위해서 전화국 간에 주고받는 신호
등록된 댓글이 없습니다.
70. 다음 중 비동기식 전송(Asynchronous Transmission)에 대한 설명으로 알맞은 것은?
- ① 문자와 문자 사이에 휴지시간(Idle Time)이 없다.
- ② 2,400[bps] 이상의 전송 속도에 주로 사용한다.
- ③ 문자 전송 시 한 문자 단위로 동기를 유지한다.
- ④ 각 문자 앞에는 2개의 시작 펄스, 뒤에는 3개의 정지 펄스가 있다.
등록된 댓글이 없습니다.
71. 다음 중 데이터 전송방식에서 혼합형 동기식 전송방식에 대한 설명으로 옳지 않은 것은?
- ① 각 글자의 앞뒤에 스타트 비트와 스톱 비트를 갖는다.
- ② 동기식 전송의 특성과 비동기식 전송의 특성을 혼합한 방식이다.
- ③ 전송속도가 비동기식보다 빠르다.
- ④ 송신측과 수신측이 동기상태에 있지 않아도 된다.
등록된 댓글이 없습니다.
72. 다음 [보기]의 공통선 신호방식에 대한 설명으로 옳은 내용을 모두 선택한 것은?

- ① ㄱ
- ② ㄱ, ㄴ
- ③ ㄱ, ㄴ, ㄷ
- ④ ㄱ, ㄷ, ㄹ
등록된 댓글이 없습니다.
73. 다음 중 VLAN의 종류로 거리가 먼 것은?
- ① 포트기반(Port-based) VLAN
- ② LLC 주소기반 VLAN
- ③ 프로토콜 기반 VLAN
- ④ IP서브넷을 이용한 VLAN
등록된 댓글이 없습니다.
74. 라우팅의 루핑 문제를 방지하기 위한 여러 가지 방법 중 라우팅 정보가 들어온 곳으로는 같은 라우팅 정보를 내보내지 않는 방법을 무엇이라 하는가?
- ① 최대 홉 카운트(Maximum Hop Count)
- ② 스플릿 호라이즌(Split Horizon)
- ③ 홀드 다운 타이머(Hold Down Timer)
- ④ 라우트 포이즈닝(Route Poisoning)
등록된 댓글이 없습니다.
75. 다음 중 IP주소체계에서 네트워크 주소(network address)에 대한 설명으로 틀린 것은?
- ① 라우팅 프로토콜에서 네트워크를 지칭할 때 사용한다.
- ② IP주소와 서브넷 마스크를 AND 연산한다.
- ③ 네트워크 자체를 의미한다.
- ④ 패킷의 송신 주소나 수신 주소로 사용이 가능하다.
등록된 댓글이 없습니다.
76. 다음 중 VLAN(Virtual LAN)에 대한 설명으로 틀린 것은?
- ① 한 대의 스위치를 마치 여러대의 분리된 스위치처럼 사용한다.
- ② 여러 개의 네트워크 정보를 하나의 포트를 통해 전송할 수 있는 기술을 제공한다.
- ③ IEEE 802.1p은 VLAN 국제 표준 규격이다.
- ④ 더 작은 LAN으로 세분화시켜 과부하 감소가 가능하다.
등록된 댓글이 없습니다.
77. 다음 중 전송 오류 제어에서 Stop-and-wait ARQ 방식에 대한 설명으로 틀린 것은?
- ① ARQ 방식 중 가장 간단하다.
- ② 전파 지연이 긴 시스템에 효과적이다.
- ③ 오류 검출이 뛰어나다.
- ④ 메모리 Buffer 용량은 큰 블록 데이터를 저장할 수 있어야 한다.
등록된 댓글이 없습니다.
78. 다음 ITU-T 권고안 시리즈 중 전화 전송품질과 전화기에 관한 사항을 규정한 것은?
- ① I
- ② Q
- ③ P
- ④ X
등록된 댓글이 없습니다.
79. HDLC(High-level Data Link Control) 프로토콜 프레임의 제어부 형식 중 링크 상태의 초기 설정, 데이터 전송 동작 모드의 설정 요구 및 응답, 데이터 링크의 확립 및 절단 등에 사용되는 형식은?
- ① 정보전송 형식(I frame)
- ② 감시 형식(S frame)
- ③ 비번호제 형식(U frame)
- ④ 시험 형식(T frame)
등록된 댓글이 없습니다.
80. 전송제어 프로토콜 중 BASIC 프로토콜의 전송제어 문자 내용이 틀린 것은?
- ① SYN : 헤딩의 시작
- ② STX : 헤딩의 종료 및 TEXT의 개시
- ③ EOT : 전송의 끝 및 데이터링크의 초기화
- ④ ACK : 수신한 정보 메시지에 대항 긍정응답
등록된 댓글이 없습니다.
5과목 : 전자계산기일반 및 정보통신설비기준
81. 다음 중 운영체제(Operating System)의 성능을 극대화하기 위한 조건이 아닌 것은?
- ① 사용 가능도(Availability) 증대
- ② 신뢰도(Reliability) 향상
- ③ 처리능력(Throughput) 증대
- ④ 응답시간(Turn Around Time) 연장
등록된 댓글이 없습니다.
82. 16비트 명령어 형식에서 연산코드 5비트, 오퍼랜드1은 3비트, 오퍼랜드2는 8비트일 경우, ⓐ 연산종류와 사용할 수 있는 ⓑ 레지스터의 수를 올바르게 나열한 것은?
- ① ⓐ 32가지, ⓑ 512
- ② ⓐ 31가지, ⓑ 8
- ③ ⓐ 32가지, ⓑ 8
- ④ ⓐ 8가지, ⓑ 511
등록된 댓글이 없습니다.
83. 다음 중 DMA(Direct Memory Access)에 대한 설명으로 틀린 것은?
- ① 주변장치와 기억장치 등의 대용량 데이터 전송에 적합하다.
- ② 프로그램방식보다 데이터의 전송속도가 느리다.
- ③ CPU의 개입없이 메모리와 주변장치 사이에서 데이터 전송을 수행한다.
- ④ DMA 전송이 수행되는 동안 CPU는 메모리 버스를 제어하지 못한다.
등록된 댓글이 없습니다.
84. 다음의 데이터 코드 중 가중치 코드가 아닌 것은?
- ① 8421 코드
- ② 바이퀴너리(Biquinary) 코드
- ③ 그레이(Gray) 코드
- ④ 링 카운터(Ring Couter) 코드
등록된 댓글이 없습니다.
85. 다음 중 CPU의 하드웨어(Hardware) 요소들을 기능별로 분류할 경우 포함되지 않는 것은?
- ① 연산 기능
- ② 제어 기능
- ③ 입출력 기능
- ④ 전달 기능
등록된 댓글이 없습니다.
86. 다음 내용은 어떤 용어에 대한 설명인가?

- ① 오버레이(Overlay)
- ② 스래싱(Thrashing)
- ③ 데드락(Deadlocks)
- ④ 덤프(Dump)
등록된 댓글이 없습니다.
87. 다음 내용이 의미하는 소프트웨어는 무엇인가?

- ① 유틸리티
- ② 디바이스 미들웨어
- ③ 응용소프트웨어
- ④ 미들웨어
등록된 댓글이 없습니다.
88. 다음 프로그램 언어 중 구조적 프로그래밍(Structured Programming)에 적합한 기능과 구조를 갖는 것은?
- ① BASIC
- ② FORTRAN
- ③ C
- ④ RPG
등록된 댓글이 없습니다.
89. 다음 중 마이크로프로세서에 대한 설명으로 틀린 것은?
- ① 마이크로프로세서는 데이터를 시스템 메모리에 쓰거나 시스템 메모리로부터 읽어 들일 수 있다.
- ② 마이크로프로세서는 데이터를 입출력장치에 쓰거나 입출력 장치로부터 읽어 들일 수 있다.
- ③ 마이크로프로세서는 시스템 메모리로부터 명령어를 읽어 들일 수 없다.
- ④ 마이크로프로세서는 데이터를 가공할 수 있다.
등록된 댓글이 없습니다.
90. 다음 논리회로에 의해 계산된 결과 X는?

- ①

- ②

- ③ A ⊕ B
- ④ A • B
등록된 댓글이 없습니다.
91. 다음 문장의 괄호 안에 들어갈 알맞은 것은?

- ① 20
- ② 30
- ③ 50
- ④ 60
등록된 댓글이 없습니다.
92. 선로설비의 회선 상호간, 회선과 대지간 및 회선의 심선 상호 간의 절연저항은 직류 500볼트 절연저항계로 측정하여 몇 옴 이상이어야 하는가?
- ① 1메가 옴
- ② 10메가 옴
- ③ 50메가 옴
- ④ 100메가 옴
등록된 댓글이 없습니다.
93. 다음 중 미래창조과학부장관이 소속 공무원으로 하여금 방송통신 설비를 설치ㆍ운영하는 자의 설비를 조사하거나 시험하게 할 수 있는 경우가 아닌 것은?
- ① 방송통신설비 관련 시책을 수립하기 위한 경우
- ② 국가 비상사태에 대비하기 위한 경우
- ③ 재난 재해 예방을 위한 경우
- ④ 설치한 목적에 반하여 운용한 경우
등록된 댓글이 없습니다.
94. 다음 중 전기통신사업령이 정하는 사항을 갖추어 미래창조과학부장관에게 등록하면 경영할 수 있는 전기통신사업은?(오류 신고가 접수된 문제입니다. 반드시 정답과 해설을 확인하시기 바랍니다.)
- ① 기간통신사업
- ② 별정통신사업
- ③ 통합통신사업
- ④ 부가통신사업
등록된 댓글이 없습니다.
95. 방송통신발전기본법에서 규정한 ‘방송통신 표준화’의 목적이 아닌 것은?
- ① 방송통신의 건전한 발전을 위하여
- ② 방송통신기자재 생산업자의 편의를 도모하기 위하여
- ③ 방송시청자의 편의를 도모하기 위하여
- ④ 방송이용자의 편의를 도모하기 위하여
등록된 댓글이 없습니다.
96. 다음 중 정보통신공사업법령에서 규정한 정보통신기술자의 인정을 취소할 수 있는 경우는?
- ① 동시에 두 곳 이상의 공사업체에 종사한 경우
- ② 타인에게 자기의 성명을 사용하여 공사를 수행하게 한 경우
- ③ 해당 국가기술자격이 취소된 경우
- ④ 다른 사람에게 자기의 경력수첩을 대여해준 경우
등록된 댓글이 없습니다.
97. 다음 중 정보통신공사의 설계 및 시공에 관한 설명으로 틀린 것은?
- ① 공사를 설계하는 자는 기술기준에 적합하도록 설계하여야 한다.
- ② 설계도서를 작성하는 자는 그 설계도서에 서명 또는 기명날인하여야 한다.
- ③ 감리원은 설계도서 및 관련 규정에 적합하도록 공사를 감리하여야 한다.
- ④ 감리업체는 그가 감리한 공사의 준공설계도서를 준공 후 5년간 보관하여야 한다.
등록된 댓글이 없습니다.
98. 공사 발주자가 감리원에 대해 취할 수 있는 시정조치에 해당하는 것은?
- ① 시정지시
- ② 감리원의 업무정지
- ③ 감리원의 감봉조치
- ④ 감리원의 철수요구
등록된 댓글이 없습니다.
99. 다음 중 구내통신선로설비의 설치 및 철거 방법으로 잘못된 것은?
- ① 구내에 5회선 이상의 국선을 인입하는 경우 옥외회선은 지하로 인입한다.
- ② 사업자는 이용약관에 따라 체결된 서비스 이용계약이 해지된 경우에는 설치된 옥외회선을 철거하여야 한다.
- ③ 배관시설은 설치된 후 배선의 교체 및 증설시공이 쉽게 이루어질 수 있는 구조로 설치하여야 한다.
- ④ 인입맨홀ㆍ핸드홀 또는 인입주까지 지하인입배관을 설치한 경우에는 지하로 인입하지 않아도 된다.
등록된 댓글이 없습니다.
100. 다음 문장의 괄호 안에 들어갈 내용으로 옳지 않은 것은?

- ① 품질관리
- ② 시공관리
- ③ 사후관리
- ④ 안전관리
등록된 댓글이 없습니다.