소방설비산업기사(기계)(2011. 10. 2.) 시험일자 : 2011년 10월 2일
1과목 : 소방원론
1. 건물내부에서 화재가 발생하여 실내온도가 27℃에서 1227℃로 상승한다면 이 온도상승으로 인하여 실내공기는 처음의 몇 배로 팽창하겠는가? (단, 화재에 의한 압력변화 등 기타 주어지지 않은 조건은 무시한다.)
- ① 3배
- ② 5배
- ③ 7배
- ④ 9배
등록된 댓글이 없습니다.
2. 질산에 대한 설명으로 틀린 것은?
- ① 부식성이 있다.
- ② 불연성 물질이다.
- ③ 산화제이다.
- ④ 산화되기 쉬운 물질이다.
등록된 댓글이 없습니다.
3. 다음 중 분진폭발의 발생 위험성이 가장 낮은 물질은?
- ① 석탄가루
- ② 밀가루
- ③ 시멘트
- ④ 금속분류
등록된 댓글이 없습니다.
4. B급 화재는 다음 중 어떤 화재를 의미하는가?
- ① 금속 화재
- ② 일반 화재
- ③ 전기 화재
- ④ 유류 화재
등록된 댓글이 없습니다.
5. 물이 소화약제로서 널리 사용되고 있는 이유에 대한 설명으로 가장 거리가 먼 것은?
- ① 쉽게 구할 수 있다.
- ② 비열이 크다.
- ③ 증발잠열이 크다.
- ④ 점도가 크다.
등록된 댓글이 없습니다.
6. 소화약제로 사용하는 CO2에 대한 설명으로 옳은 것은?
- ① 상온, 상압에서 무색, 무취의 기체 상태이다.
- ② 화염과 접촉하여 유독물질을 쉽게 생성시킨다.
- ③ 부촉매 효과가 가장 주된 소화작용이다.
- ④ 전기전도성 물질이지만 소화효과는 좋다.
등록된 댓글이 없습니다.
7. 할로겐족 원소로만 나열된 것은?
- ① F, B, Cl, Si
- ② F, Br, Cl, I
- ③ Si, Br, I, Al
- ④ He, N, F, Br
등록된 댓글이 없습니다.
8. Halon 1301 의 화학식으로 옳은 것은?
- ① CF3Br
- ② CH3Br
- ③ CH3I
- ④ CF3I
등록된 댓글이 없습니다.
9. 연소반응이 일어나는 필요한 조건에 대한 설명으로 가장 거리가 먼 것은?
- ① 산화되기 쉬운 물질
- ② 충분한 산소 공급
- ③ 비휘발성인 액체
- ④ 연소반응을 위한 충분한 온도
등록된 댓글이 없습니다.
10. 연소의 진행에 따른 연소생성열 전달의 대표적 3가지 방식이 아닌 것은?
- ① 열전도
- ② 열확산
- ③ 열복사
- ④ 열대류
등록된 댓글이 없습니다.
11. 건축물의 화재시 피난에 대한 설명으로 옳지 않은 것은?
- ① 피난동선은 가급적 단순한 형태가 좋다.
- ② 정전시에도 피난 방향을 알 수 있는 표시를 한다.
- ③ 피난동선이라 함은 엘리베이터로 피난을 하기 위한 경로를 말한다.
- ④ 2 방향의 피난통로를 확보한다.
등록된 댓글이 없습니다.
12. 불연성 기체나 고체 등으로 연소물을 감싸서 산소 공급을 차단하는 소화의 원리는?
- ① 냉각소화
- ② 제거소화
- ③ 희석소화
- ④ 질식소화
등록된 댓글이 없습니다.
13. 촛불의 연소형태와 가장 관련이 있는 것은?
- ① 증발연소
- ② 분해연소
- ③ 표면연소
- ④ 자기연소
등록된 댓글이 없습니다.
14. 청정소화약제 설비에 사용하는 소화약제 중 성분비가 다음과 같은 비율로 구성된 소화약제는?

- ① FC-3-1-10
- ② HCFC BLEND A
- ③ HFC-227ea
- ④ IG-541
등록된 댓글이 없습니다.
15. 건물화재에서의 사망원인 중 가장 큰 비중을 차지하는 것은?
- ① 연소가스에 의한 질식
- ② 화상
- ③ 열충격
- ④ 기계적 상해
등록된 댓글이 없습니다.
16. 제4류 위험물의 특수인화물에 해당되는 것은?
- ① 휘발유
- ② 나트륨
- ③ 디에틸에테르
- ④ 과산화수소
등록된 댓글이 없습니다.
17. 산소와 화합하지 않는 원소는?
- ① Fe
- ② Ar
- ③ Cu
- ④ P
등록된 댓글이 없습니다.
18. 화재 현장에서 연기가 사람에 미치는 영향으로 가장 거리가 먼 것은?
- ① 패닉현상
- ② 시각적 장애
- ③ 만발효과
- ④ 질식현상
등록된 댓글이 없습니다.
19. 20℃의 물 400g을 사용하여 화재를 소화하였다. 물 400g이 모두 100℃로 기화하였다면 물이 흡수한 열량은 얼마인가? (단, 물의 비열은 1cal/g·℃이고, 증발잠열은 539cal/g이다.)
- ① 215.6kcal
- ② 223.6kcal
- ③ 247.6kcal
- ④ 255.6kcal
등록된 댓글이 없습니다.
20. 100℃를 기준으로 액체상태의 물이 기화할 경우 체적이 약 1700배 정도 늘어난다. 이러한 체적팽창으로 인하여 기대할 수 있는 가장 큰 소화효과는?
- ① 촉매효과
- ② 질식효과
- ③ 제거효과
- ④ 억제효과
등록된 댓글이 없습니다.
2과목 : 소방유체역학
21. 물이 흐는 관로상에 피토관을 설치하고 수은이 든 U자관과 연결하였더니 전압과 정압 단자에서 수은의 높이차가 85mm였다. 이 위치에서의 유속은 약 몇 m/s인가? (단, 수은의 비중은 13.6 이다.)
- ① 4.58
- ② 4.35
- ③ 3.87
- ④ 3.76
등록된 댓글이 없습니다.
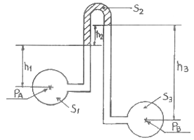
22. 그림에서 각 높이는 h1=60cm, h2=30cm, h3=120cm이고, 각각의 비중은 S1=1, S2=0.65, S3=0.8 일 때 PB - PA의 압력차를 물의 수두로 표시하면 몇 m 인가?

- ① 0.555
- ② 0.750
- ③ 0.165
- ④ 1.65
등록된 댓글이 없습니다.
23. 완전 흑체로 가정한 흑연의 표면 온도가 450℃이다. 단위면적당 방출되는 복사에너지는 몇 kW/m2 인가? (단, Stefan Boltzman 상수 σ=5.67×10-8W/m2·K4 이다.)
- ① 2.325
- ② 15.5
- ③ 21.4
- ④ 2325
등록된 댓글이 없습니다.
24. 비중이 0.4인 나무 조각을 물에 띄우면 전체 체적의 몇 %가 물속에 가라앉는가?
- ① 30%
- ② 40%
- ③ 50%
- ④ 60%
등록된 댓글이 없습니다.
25. 펌프 양수량 0.6m3/min, 관로의 전소실수두 5m인 펌프가 펌프 중심으로부터 1.5m 아래에 있는 물을 19.5m의 송출 액면에 양수할 때 펌프에 공급해야 할 동력은 몇 kW인가?
- ① 1.513
- ② 1.974
- ③ 2.513
- ④ 2.548
등록된 댓글이 없습니다.
26. 유체가 흐르는 관로에서의 부차적 손실계수 K, 관의 직경 D, 관 마찰계수 f, 등가길이 Le의 관계를 옳게 나타낸 것은?
- ① Le = fD/K
- ② Le = KD/f
- ③ Le = fK/D
- ④ Le = D/fK
등록된 댓글이 없습니다.
27. 그림과 같은 단순 피토관에서 물의 유속(V)은 몇 m/s인가?

- ① 1.71
- ② 1.98
- ③ 2.80
- ④ 3.28
등록된 댓글이 없습니다.
28. 비중과 동점성계수가 각각 1.3, 0.001 m2/s인 액체의 점성계수는 몇 Pa · s 인가?
- ① 0.0769
- ② 0.769
- ③ 13
- ④ 1.3
등록된 댓글이 없습니다.
29. 다음 중 차원이 잘못 표시된 것은? (단, M : 질량, L : 길이, T : 시간)
- ① 밀도 : ML-3
- ② 힘 : MLT-2
- ③ 에너지 : ML3T-1
- ④ 동력 : ML2T-3
등록된 댓글이 없습니다.
30. 옥외소화전 설비의 노즐 선단에서 유량계를 사용하여 방수량을 측정한 결과 0.8 m3/min 이였다. 노즐 구경이 23mm이라면 노즐 선단의 방수압력(계기압력)은 약 몇 kPa 인가? (단, 물의 밀도는 1000 kg/m3이다.)
- ① 346
- ② 437
- ③ 515
- ④ 764
등록된 댓글이 없습니다.
31. 정지유체 속에 잠겨 있는 수평 평면에 대하여, 액체의 자유표면으로부터 평면까지의 깊이를 h, 평면의 면적을 A, 비중량을 γ라고 할 때 평면에 작용하는 힘의 크기 F는?
- ① F = hA/γ
- ② F = γA/h
- ③ F = γh/A
- ④ F = γhA
등록된 댓글이 없습니다.
32. 옥내소화전용 소방펌프 2대를 병렬로 연결하였다. 마찰손실을 무시할 때 기대할 수 있는 효과는?
- ① 펌프의 양정은 증가하나 유량은 감소한다.
- ② 펌프의 유량은 증대하나 양정은 감소한다.
- ③ 펌프의 양정은 증가하나 유량과는 무관하다.
- ④ 펌프의 유량은 증대하나 양정과는 무관하다.
등록된 댓글이 없습니다.
33. 지름 40mm인 원형관속을 5kg/s 의 공기가 흐르고 있다. 관속 공기의 절대 압력은 200kPa, 온도가 23℃일 때 공기의 평균속도는 약 몇 m/s 인가? (단, 공기의 기체상수는 287 J/kg·K 이다.)
- ① 14.3
- ② 15.6
- ③ 16.2
- ④ 16.9
등록된 댓글이 없습니다.
34. 직경이 150mm인 옥내소화전 배관으로 소화용수가 유량 3m3/min로 흐를 때 소화배관의 길이 30m에서 발생하는 관마찰 손실수두는 약 몇 m 인가? (단, 관마찰계수는 0.01 이다.)
- ① 0.51
- ② 0.82
- ③ 3.1
- ④ 30.1
등록된 댓글이 없습니다.
35. 그림과 같이 고정된 노즐로부터 밀도가 ρ인 액체 제트가 속도 V로 분출하여 평판에 충돌하고 있다. 이때 제트의 단면적이 A 이고, 평판이 u 인 속도로 제트와 같은 방향으로 움직일 때 평판에 작용하는 힘 F는?

- ① ρA(V+u)
- ② ρA(V+u)2
- ③ ρA(V-u)
- ④ ρA(V-u)2
등록된 댓글이 없습니다.
36. 전동기에 브레이크를 설치하여 축출력 14.7kW로 30분간 운전한다. 축출력이 모두 마찰열로 변환되어 일정온도 18℃의 주위에 전달될 때 주위의 엔트로피 증가량은 약 몇 kJ/K인가?
- ① 90.9
- ② 96.9
- ③ 735
- ④ 1470
등록된 댓글이 없습니다.
37. 관 내의 흐름에 대한 일반적인 설명으로 틀린 것은?
- ① 관 내에 물이 흐를 때의 속도는 관의 중심에서 가장 빠르다.
- ② 관의 벽면에서는 물의 속도가 0으로 된다.
- ③ 관내에 물이 흐를 때 속도가 빠를수록 층류가 되기 쉽다.
- ④ 소방에서 다루고 있는 관내의 흐름은 대부분 난류이다.
등록된 댓글이 없습니다.
38. 20℃, 2kg의 공기가 온도의 변화없이 팽창하여 그 체적이 2배로 되었을 때 이 시스템이 외부에 한 일은 약 몇 kJ인가? (단, 공기의 기체상수는 0.287 kJ/(kg·K)이다.)
- ① 85.63
- ② 102.85
- ③ 116.63
- ④ 125.71
등록된 댓글이 없습니다.
39. 20℃ 기름 5m3의 무게가 24kN일 때, 이 기름의 비중량은 몇 kN/m3인가?
- ① 4.7
- ② 4.8
- ③ 4.9
- ④ 5.0
등록된 댓글이 없습니다.
40. 연속방적식과 관련이 없는 것은?
- ① A1V1=A2V2
- ② ρ1A1V1=ρ2A2V2
- ③

- ④

등록된 댓글이 없습니다.
3과목 : 소방관계법규
41. 다음 중 소방기본법에서 규정하고 있는 자격은?
- ① 소방시설관리사
- ② 소방설비산업기사
- ③ 위험물산업기사
- ④ 소방안전교육사
등록된 댓글이 없습니다.
42. 다음 중 소방시설 등의 자체점검 중 종합정밀점검을 시행해야 하는 시기를 맞게 설명한 것은? (단, 소방시설완공검사필증을 발급받은 신축 건축물이 아닌 경우)
- ① 건축물 사용승인일(건축물관리대장 또는 건축물의 등기부등본에 기재된 날을 말한다)이 속하는 달까지 실시
- ② 건축물 사용승인일(건축물관리대장 또는 건축물의 등기부등본에 기재된 날을 말한다)이 속하는 달로부터 1개월 이내에 실시
- ③ 건축물 사용승인일(건축물관리대장 또는 건축물의 등기부등본에 기재된 날을 말한다)이 속하는 달로부터 2개월 이내에 실시
- ④ 건축물 사용승인일(건축물관리대장 또는 건축물의 등기부등본에 기재된 날을 말한다)이 속하는 달로부터 3개월 이내에 실시
등록된 댓글이 없습니다.
43. 다량의 위험물을 저장·취급하는 제조소 등으로서 대통령령이 정하는 제조소 등이 있는 동일한 사업소에서 대통령령이 정하는 수량 이상의 위험물을 저장 또는 취급하는 경우 당해 사업소의 관계인은 대통령령이 정하는 바에 따라 당해 사업소에 자체소방대를 설치하여야 한다. 여기서 “대통령령이 정하는 수량”이라 함은 지정수량의 몇 배를 말하는가?
- ① 1천배
- ② 2천배
- ③ 3천배
- ④ 5천배
등록된 댓글이 없습니다.
44. 지하가 중 터널로서 길이가 몇 [m] 이상이면 옥내소화전설비를 설치하는가?
- ① 100m
- ② 500m
- ③ 1000m
- ④ 1500m
등록된 댓글이 없습니다.
45. 특정소방대상물의 관계인 또는 발주자는 정당한 사유없이 며칠 동안 소방시설공사를 계속하지 아니하는 경우 도급계약을 해지할 수 있는가?
- ① 60일 이상
- ② 30일 이상
- ③ 15일 이상
- ④ 10일 이상
등록된 댓글이 없습니다.
46. 소방시설설치유지 및 안전관리에 관한 법률시행령에서 규정하는 특정소방대상물의 분류로 옳지 않은 것은?
- ① 투전기업소 및 카지노업소 – 위락시설
- ② 박물관 – 문화집회 및 운동시설
- ③ 여객자동차터미널 및 화물터미널 – 운수자동차관련시설
- ④ 발전소 – 업무시설
등록된 댓글이 없습니다.
47. 위험물안전관리법령에 의하여 자체소방대에 배치하여야 하는 화학소방자동차의 구분에 속하지 않는 것은?
- ① 포수용액 방사차
- ② 고가 사다리차
- ③ 제독차
- ④ 할로겐화합물 방사차
등록된 댓글이 없습니다.
48. 소화활동설비에 해당하지 않는 것은?
- ① 제연설비
- ② 자동화재속보설비
- ③ 무선통신보조설비
- ④ 연소방지설비
등록된 댓글이 없습니다.
49. 건축물 등의 신축·증축·개축·재축 또는 이전의 허가·협의 및 사용승인의 동의요구는 누구에게 하여야 하는가?
- ① 관계인
- ② 행정안전부장관
- ③ 시·도지사
- ④ 관할 소방본부장 또는 소방서장
등록된 댓글이 없습니다.
50. 방염성능검사의 방법과 검사결과에 따른 합격표시 등에 관하여 필요한 사항은?
- ① 대통령령으로 정한다.
- ② 행정안전부령으로 정한다.
- ③ 시·도지사령으로 정한다.
- ④ 소방방재청장령으로 정한다.
등록된 댓글이 없습니다.
51. 관계인이 예방규정을 정하여야 하는 옥외저장소는 지정수량의 몇 배 이상의 위험물을 저장하는 것을 말하는가?
- ① 10배
- ② 100배
- ③ 150배
- ④ 200배
등록된 댓글이 없습니다.
52. 비상방송설비를 설치하여야 할 특정 소방대상물은?
- ① 연면적 3500m2 이상인 것
- ② 지하층을 포함한 층수가 10층 이상인 것
- ③ 지하층의 층수가 2재 층 이상인 것
- ④ 사람이 거주하지 않는 동식물 관련시설인 것
등록된 댓글이 없습니다.
53. 다음 중 구급대원이 될 수 없는 사람은?
- ① 간호조무사의 자격을 취득한 자
- ② 응급구조사의 자격을 취득한 자
- ③ 구급업무에 관한 교육을 받은 자
- ④ 구조업무에 관한 특수훈련을 받은 자
등록된 댓글이 없습니다.
54. 하자보수를 하여야 하는 소방시설 중 하자보수 보증기간이 3년이 아닌 것은?
- ① 자동식소화기
- ② 비상방송설비
- ③ 상수도소화용수설비
- ④ 스프링클러설비
등록된 댓글이 없습니다.
55. 지정수량의 몇 배 이상의 위험물을 취급하는 제조소에는 피뢰침을 설치하여야 하는가? (단, 제6류 위험물을 취급하는 위험물제조소는 제외)
- ① 5배
- ② 10배
- ③ 50배
- ④ 100배
등록된 댓글이 없습니다.
56. 수용인원 100명이상의 지하역사·백화점 등에서의 인명구조용 공기호흡기의 비치 기준으로 옳은 것은?
- ① 층마다 1대 이상
- ② 층마다 2대 이상
- ③ 층마다 3대 이상
- ④ 층마다 4대 이상
등록된 댓글이 없습니다.
57. 화재가 발생할 때 화재조사의 시기는?
- ① 소화활동 전에 실시한다.
- ② 소화활동과 동시에 실시한다.
- ③ 소화활동 후 즉시 실시한다.
- ④ 소화활동과 무관하게 적절할 때에 실시한다.
등록된 댓글이 없습니다.
58. 소방활동구역의 출입자로서 대통령령이 정하는 지에 속하지 않는 사람은?
- ① 의사·간호사 그 밖의 구조 구급업무에 종사하는 자
- ② 소방활동구역 밖에 있는 소방대상물의 소유자·관리자 또는 점유자
- ③ 취재인력 등 보도업무에 종사하는 자
- ④ 수사업무에 종사하는 자
등록된 댓글이 없습니다.
59. 다음 중 소화기구에 해당되지 않는 것은?
- ① 수동식 소화기
- ② 소화약제에 의한 간이소화용구
- ③ 캐비넷형 자동소화기기
- ④ 화재감지기
등록된 댓글이 없습니다.
60. 착공신고를 하여야 할 소방설비공사로 틀린 것은?
- ① 비상방송설비의 증설공사
- ② 옥내소화전설비의 증설공사
- ③ 연소방지설비의 살수구역 증설공사
- ④ 비상콘센트설비의 전용회로 증설공사
등록된 댓글이 없습니다.
4과목 : 소방기계시설의 구조 및 원리
61. 포소화설비의 배관에 관련된 내용에 대한 설명으로 옳지 않는 것은?
- ① 급수개폐밸브에는 템퍼스위치를 설치한다.
- ② 펌프의 흡입측 배관에는 버터플라이밸브의 개폐표시형 밸브를 설치한다.
- ③ 송액관에는 적당한 기울기를 유지하도록 배액밸브를 설치한다.
- ④ 연결송수관설비의 배관과 겸용하는 경우의 주배관은 구경 100mm이상, 방수구로 연결되는 배관의 구경은 65mm 이상으로 한다.
등록된 댓글이 없습니다.
62. 피난기구의 화재안전기준에 대한 설치기준으로 틀린 것은?
- ① 피난기구를 설치하는 개구부는 서로 동일 직선상이 아닌 위치에 있을 것
- ② 피난기구는 소방대상물의 견고한 부분에 볼트조임, 용접 등으로 견고하게 부착할 것
- ③ 4층 이상의 층에 설치하는 피난사다리는 고강도 경량 폴리에틸렌 재질을 사용할 것
- ④ 완강기 및 피난로프는 부착위치에서 피난상 유효한 착지면까지의 길이로 할 것
등록된 댓글이 없습니다.
63. 제연설비의 배출풍도가 400mm×200mm 로 설치되어 있다. 이 풍도의 강판 두께는 몇 mm 이상으로 하는가?
- ① 0.5
- ② 0.6
- ③ 0.8
- ④ 1.0
등록된 댓글이 없습니다.
64. 특별피난계단의 계단실 및 부속실 제연설비에서 사용하는 유입공기의 배출방식으로 적합하지 않는 것은?
- ① 배출구의 따른 배출
- ② 제연설비에 따른 배출
- ③ 수직풍도에 따른 배출
- ④ 수평풍도에 따른 배출
등록된 댓글이 없습니다.
65. 개방형 헤드를 사용하는 연결살수설비에 있어서 하나의 송수구역에 설치하는 살수헤드의 최대 개수는?
- ① 6개
- ② 8개
- ③ 10개
- ④ 12개
등록된 댓글이 없습니다.
66. 층고가 낮은 사무실의 양측벽면 상단에 측벽형스프링클러 헤드를 설치시 사무실 폭이 최대 몇 m 이하인 실내에 있어서는 헤드의 포용이 가능한가?
- ① 4.5m
- ② 6.0m
- ③ 7.5m
- ④ 9.0m
등록된 댓글이 없습니다.
67. 배관 내에 항상 헤드까지 물이 차있고 또 가압된 상태에 있는 경우의 스프링클러설비 형식은?
- ① 폐쇄형 습식
- ② 폐쇄형 건식
- ③ 개방형 습식
- ④ 폐쇄형 전기동식
등록된 댓글이 없습니다.
68. 건물 주차장 최대 방수구역 바닥면적이 60m2인 곳에 물분무소화설비를 설치하고자 한다. 기준에 적합한 최소한의 저수량은?
- ① 12m3
- ② 16m3
- ③ 20m3
- ④ 24m3
등록된 댓글이 없습니다.
69. 소화수조 또는 저수조가 지표면으로부터의 깊이가 얼마이상인 지하에 있는 경우에 가압송수장치를 설치하는가?
- ① 3.2m
- ② 4.5m
- ③ 5.5m
- ④ 10m
등록된 댓글이 없습니다.
70. 스프링클러 헤드의 설치방법 중 틀린 것은?
- ① 헤드와 그 부착면과의 거리는 50cm 이하
- ② 헤드로부터 반경 60cm 이상 공간 보유
- ③ 헤드 반사판은 그 부착면과 평행하게 설치
- ④ 배관, 조명기구 등 살수 방해시 그로부터 아래에 설치
등록된 댓글이 없습니다.
71. 위험물 시설에 대한 포소화설비 포헤드는 소방대상물의 천장 또는 바닥에 설치하되 그 설치기준으로서 가장 적합한 것은?
- ① 반경 25m 원의 면적에 1개 설치한다.
- ② 반경 30m 원의 면적에 1개 설치한다.
- ③ 바닥면적 8m2 마다 1개 이상을 설치한다.
- ④ 바닥면적 9m2 마다 1개 이상을 설치한다.
등록된 댓글이 없습니다.
72. 연결송수관설비의 방수기구함은 방수구가 가장 많이 설치된 층을 기준하여 3개층마다 설치하되, 그 층의 방수구마다 보행거리 몇 m 이내에 설치하는가?
- ① 3m 이내
- ② 4m 이내
- ③ 5m 이내
- ④ 6m 이내
등록된 댓글이 없습니다.
73. 지표면에서 최상층 방수구의 높이가 70m 이상의 소방대상물에 설치하는 연결송수관설비의 가압송수장치의 최소토출량은?
- ① 1000L/min
- ② 2400L/min
- ③ 3200L/min
- ④ 4000L/min
등록된 댓글이 없습니다.
74. 소화기구인 대형수동식소화기를 설치하여야 할 소방대상물에 옥내소화전이 법적으로 유효하게 설치된 경우 당해설비의 유효범위안의 부분에 대한 대형 수동식소화기 감소기준은?
- ① 1/3을 감소할 수 있다.
- ② 1/2을 감소할 수 있다.
- ③ 2/3을 감소할 수 있다.
- ④ 설치하지 않을 수 있다.
등록된 댓글이 없습니다.
75. 제연설비를 설치하기 위해서는 하나의 제연구역의 면적은 몇 m2 이내로 하여야 하는가?
- ① 1000
- ② 1500
- ③ 2000
- ④ 2500
등록된 댓글이 없습니다.
76. 연결살수설비 전용헤드를 건축물에 설치할 때 헤드상호간 수평거리의 기준은?
- ① 2.1m 이하
- ② 2.3m 이하
- ③ 3.0m 이하
- ④ 3.7m 이하
등록된 댓글이 없습니다.
77. 1개층의 거실면적이 400m2이고, 복도 면적이 310m2인 소방대상물에 제연설비를 설치할 경우 제연구역은 최소 몇 개로 구획할 수 있는가?
- ① 1
- ② 2
- ③ 3
- ④ 4
등록된 댓글이 없습니다.
78. 할로겐화합물소화설비의 배관설치에 대한 내용으로 틀린 것은?
- ① 배관은 전용으로 할 것
- ② 강관을 사용하는 경우에 아연도금 등에 따라 방식처리된 것을 사용할 것
- ③ 강관을 사용할 때에는 압력배관용탄소강관(KS D 3562) 중 스케줄 40 이상의 것을 사용할 것
- ④ 동관을 사용하는 경우 저압식은 16.5MPa 이상의 압력에 견딜 수 있는 것으로 할 것
등록된 댓글이 없습니다.
79. 다음 설명의 ( )안에 알맞은 숫자는?

- ① 5
- ② 10
- ③ 15
- ④ 20
등록된 댓글이 없습니다.
80. 이산화탄소 소화약제 저장용기의 개방밸브 방식에 속하지 않는 것은?
- ① 전기식
- ② 이동식
- ③ 기계식
- ④ 가스압력식
등록된 댓글이 없습니다.