전자계산기제어산업기사(2020. 6. 6.) 시험일자 : 2020년 6월 6일
1과목 : 전자회로
1. 듀티 사이클(Duty cycle)이 0.5이고 펄스폭이 0.8μs인 펄스의 주기는 몇 μs 인가?
- ① 0.4
- ② 0.625
- ③ 1.3
- ④ 1.6
등록된 댓글이 없습니다.
2. 다음 회로는 MOSFET의 어느 영역에서 동작하는가? (단, μnCox = 100μA/V2, VTH = 0.4V 이다.)

- ① Cutoff Region
- ② Triode Region
- ③ Saturation Region
- ④ 구별할 수 없다.
등록된 댓글이 없습니다.
3. 변조도가 40%인 진폭 변조 송신기에서 반송파의 평균전력이 500mW 일 때 변조된 출력의 평균전력은 몇 mW 인가?
- ① 450
- ② 500
- ③ 540
- ④ 650
등록된 댓글이 없습니다.
4. 다음 회로의 전압이득 |Av|는 얼마인가? (단, R=100kΩ, Rf=50kΩ, R1=R2=10kΩ 이다.)

- ① 1
- ② 1.1
- ③ 10
- ④ 11
등록된 댓글이 없습니다.
5. 다음 그림과 같은 회로에서 RL에 50mA의 전류가 흐를 때 RL(Ω)은? (단, Vin = 5V, R1 = 10kΩ, R2 = 470kΩ 이다.)

- ① 47
- ② 470
- ③ 4700
- ④ 47000
등록된 댓글이 없습니다.
6. 이상적인 연산증폭기의 특징으로 틀린 것은?
- ① 대역폭이 무한대이다.
- ② 전압이득은 무한대이다.
- ③ 입력임피던스는 무한대이다.
- ④ 온도에 대하여 특성 드리프트가 무한대이다.
등록된 댓글이 없습니다.
7. Switching Device인 TR의 문제점으로 옳은 것은?
- ① C-E 사이의 스위칭 속도가 빠르다.
- ② 베이스에 전류가 흐른다.
- ③ C-E 사이의 전류용량이 크다.
- ④ 베이스전류에 의하여 컬렉터 전류가 증폭이 된다.
등록된 댓글이 없습니다.
8. 그림과 반파 정류회로에서 다이오드의 최대 역방향 전압(PIV)은 약 몇 V 인가? (단, 입력 교류 전압 Vin의 실효값은 10V 이다.)

- ① 10
- ② 9.3
- ③ 14.14
- ④ 13.44
등록된 댓글이 없습니다.
9. 120V, 60Hz인 사인파가 반파 정류기에 공급될 때, 출력 주파수는 몇 Hz 인가?
- ① 0
- ② 60
- ③ 30
- ④ 120
등록된 댓글이 없습니다.
10. 전압 레귤레이터(Regulator) IC 7912의 출력전압은 몇 V 인가? (단, 입력전압은 IC 동작전압 범위라 가정)
- ① +12
- ② +5
- ③ -12
- ④ -5
등록된 댓글이 없습니다.
11. 병렬전류 궤환 증폭기의 궤환량 β는? (단, Vf : 궤환전압, Vo : 출력전압, If : 궤환전류, Io : 출력전류이다.)
- ① If/Io
- ② If/Vo
- ③ Vf/Vo
- ④ Vf/Io
등록된 댓글이 없습니다.
12. 전류이득이 약 1이고, 전압이득 및 출력임피던스가 매우 높은 증폭기는?
- ① 이미터 접지 증폭기
- ② 컬렉터 접지 증폭기
- ③ 베이스 접지 증폭기
- ④ 모든 트랜지스터 증폭기
등록된 댓글이 없습니다.
13. 정귀환 하는 회로로만 나열된 것은?
- ① 슈미트 트리거회로, 발진회로
- ② 미분회로, 적분회로
- ③ 슈미트 트리거회로, 미분회로
- ④ 발지노히로, 적분회로
등록된 댓글이 없습니다.
14. 다음 회로의 전압이득은?

- ①

- ②

- ③

- ④

등록된 댓글이 없습니다.
15. 활성영역에서 동작하는 BJT의 얼리 효과에 관한 설명으로 옳은 것은?
- ① VCE의 증가에 따라 컬렉터 전류가 증가한다.
- ② 컬렉터를 들여다본 출력저항이 무한대(∞)이다.
- ③ VCE의 증가에 따라 실효 베이스 폭이 증가한다.
- ④ VCE의 증가에 따라 컬렉터와 베이스 사이 공핍층이 감소한다.
등록된 댓글이 없습니다.
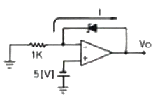
16. 회로에서 제너 다이오드의 항복전압 Vz는 몇 V 인가? (단, 출력전압 Vo는 –12V 이다.)

- ① -5
- ② 5
- ③ 7
- ④ -7
등록된 댓글이 없습니다.
17. 입력 신호 주파수의 변화에 따라 잠기거나 동기화 될 수 있는 전압제어발진기(VCO)를 가지고 잇는 회로는?
- ① 비안정 멀티 바이브레이터
- ② 단안정 멀티 바이브레이터
- ③ 위상검출기
- ④ 위상 동기(고정) 루프
등록된 댓글이 없습니다.
18. 다음 회로에서 입력 단자와 출력 단자가 도통되는 상태는?

- ① VS > VB, VA < VB
- ② VS < VA, VA < VB
- ③ VS < VA, VS > VB
- ④ VS > VA, VS < VB
등록된 댓글이 없습니다.
19. FM신호의 검파회로에서 별도의 진폭제한회로가 필요 없는 회로는?
- ① 제곱 검파회로
- ② 복동조 주파수 변별 회로
- ③ 포스터 실리(Forster-Seeley) 주파수 변별 회로
- ④ 비검파기(ratio detector)
등록된 댓글이 없습니다.
20. 공통 소스(Common Source) 증폭기에 대한 설명 중 옳은 것은?
- ① 출력 단자는 소스(Source)이다.
- ② 입력과 출력의 위상차는 180°이다.
- ③ 입력 단자는 소스(Source)이다.
- ④ 전압이득은 항상 1보다 작다.
등록된 댓글이 없습니다.
2과목 : 디지털공학
21. 다음 표는 D 플립플롭의 진리표이다. Qn+1의 상태가 옳은 것은?

- ① ㉠ : 0, ㉡ : 0, ㉢ : 0, ㉣ : 0
- ② ㉠ : 0, ㉡ : 0, ㉢ : 0, ㉣ : 1
- ③ ㉠ : 0, ㉡ : 1, ㉢ : 0, ㉣ : 1
- ④ ㉠ : 0, ㉡ : 0, ㉢ : 1, ㉣ : 1
등록된 댓글이 없습니다.
22. 다음의 비교회로에서 출력 F1의 기능은?

- ① A = B
- ② A > B
- ③ A < B
- ④ A ≥ B
등록된 댓글이 없습니다.
23. 다음 카르노 도표를 간략화 하였을 때 얻어지는 논리식은?

- ①

- ②

- ③

- ④

등록된 댓글이 없습니다.
24. JK 플립플롭 여기표에서 현재 상태 Q(t) = 0 이 다음 상태 Q(t+1) = 1 로 여기될 때 J입력과 K입력을 나타낸 것은?
- ① J = 0, K = 1
- ② J = 0, K = 0
- ③ J = 0, K = don't care
- ④ J = don't care, K = 1
등록된 댓글이 없습니다.
25. 다음 그림과 같은 회로는?

- ① 반가산기 회로
- ② 전가산기 회로
- ③ 반감산기 회로
- ④ 전감산기 회로
등록된 댓글이 없습니다.
26. 다음 카르노도(Karnaugh Map)를 논리식으로 간단히 표현하면?

- ①

- ②

- ③

- ④

등록된 댓글이 없습니다.
27. 그림과 같은 RS 플립플롭에서 R=1, S=0 일 때 X와 Y의 출력으로 옳은 것은?

- ① X = 0, Y = 1
- ② X = 1, Y = 0
- ③ X = 1, Y = 1
- ④ X = 0, Y = 0
등록된 댓글이 없습니다.
28. 10진 counter를 구성하려고 할 때, 최소 몇 단으로 구성하여야 하는가?
- ① 2단
- ② 3단
- ③ 4단
- ④ 5단
등록된 댓글이 없습니다.
29. DRAM에 대한 설명으로 틀린 것은?
- ① 동작 속도가 SRAM에 비해 빠르다.
- ② 메모리 칩의 집적도가 SRAM에 비해 높다.
- ③ 주기적인 refresh 가 필요로 하다.
- ④ 전력소모가 SRAM에 비해 적다.
등록된 댓글이 없습니다.
30. 다음 논뢰회로를 간략히 하였을 때 같은 역할을 수행하는 게이트는?

- ① NAND
- ② NOR
- ③ AND
- ④ OR
등록된 댓글이 없습니다.
31. 2진수 00010010의 2의 보수는?
- ① 11101100
- ② 11101101
- ③ 11101110
- ④ 11101111
등록된 댓글이 없습니다.
32. JK 플립플롭의 특성방정식은?
- ①

- ②

- ③

- ④

등록된 댓글이 없습니다.
33. 디멀티플렉서(DeMultiplexer)의 설명 중 옳은 것은?
- ① 엔코더와 동일하게 동작한다.
- ② 정보를 여러 개의 선으로 받아서 1개의 선으로 전송하는 회로이다.
- ③ 많은 수의 정보 장치를 적은 수의 채널을 통해 전송하는 회로이다.
- ④ 한 개의 선으로 정보를 받아 2n개의 가능한 출력선 중 하나로 이정보를 전송하는 회로이다.
등록된 댓글이 없습니다.
34. 다음 그림은 무슨 회로를 나타낸 것인가?

- ① 2bit 2진 병렬가산기
- ② 2bit 2진 직렬가산기
- ③ 4bit 2진 병렬가산기
- ④ 4bit 2진 직렬가산기
등록된 댓글이 없습니다.
35. 그림과 같은 논리회로의 기능은 어떤 게이트인가?

- ① NAND 게이트
- ② XOR 게이트
- ③ XNOR 게이트
- ④ NOR 게이트
등록된 댓글이 없습니다.
36. 디지털 코드에 대한 설명 중 틀린 것은?
- ① EBCDIC 코드는 8비트 코드이다.
- ② 한글은 통상 2바이트에 표시되고 있다.
- ③ 5비트 코드는 최대 36개의 원소를 표현할 수 있다.
- ④ ADCII코드는 7비트로 표시되어서 종종 패리티비트와 함께 사용하기도 한다.
등록된 댓글이 없습니다.
37. 비수치 데이터에서 마스크를 이용하여 불필요한 부분을 제거하기 위한 연산으로 가장 적합한 게이트는?
- ① NOT
- ② EX-OR
- ③ OR
- ④ AND
등록된 댓글이 없습니다.
38. 인코더의 입력선이 16개일 때 출력 선의 개수는?
- ① 2
- ② 4
- ③ 8
- ④ 16
등록된 댓글이 없습니다.
39. MOD-5 계수기를 구성하는데 필요한 최소 플립플롭 수는?
- ① 2
- ② 3
- ③ 4
- ④ 5
등록된 댓글이 없습니다.
40. 16진수(A6.F)16를 8진수로 나타낸 것은?
- ① (514.74)8
- ② (246.74)8
- ③ (246.17)8
- ④ (514.17)8
등록된 댓글이 없습니다.
3과목 : 마이크로프로세서
41. 다음 레지스터의 내용을 오른쪽으로 3번 이동(SHIFT RIGHT) 시켰다. 실제로 이 레지스터는 무엇을 하였는가?

- ① Multiplied by 4
- ② Divide by 3
- ③ Added 400
- ④ Divide by 8
등록된 댓글이 없습니다.
42. 인터럽트 종류 중 하드웨어적 요인으로 틀린 것은?
- ① 전원 중단
- ② 입출력 인터럽트
- ③ 외부 인터럽트
- ④ SVC 인터럽트
등록된 댓글이 없습니다.
43. 스택 메모리(Stack Memory)가 사용되지 않는 경우는?
- ① 함수를 Call 할 때
- ② 분기 명령이 실행될 때
- ③ 함수 내의 자동변수 선언
- ④ 사칙연산 수식을 행할 때
등록된 댓글이 없습니다.
44. 번지지정 방식에 대한 설명 중 틀린 것은?
- ① 간접주소 모드 : 명령어의 주소 필드가 가리키는 주소에 유효주소가 있다.
- ② 상대주소 모드 : 프로그램 카운터가 명령어의 주소부분과 더해져서 유효주소가 결정된다.
- ③ 인덱스드 어드레싱 모드 : 인덱스 레지스터의 내용이 명령어의 주소부분에 더해져서 유효주소가 얻어진다.
- ④ 베이스 레지스터 어드레싱 모드 : 베이스 레지스터의 내용과 프로그램 카운터가 더해져서 유효주소가 결정된다.
등록된 댓글이 없습니다.
45. 스텝 모터의 설명으로 틀린 것은?
- ① 스텝 모터는 입력 펄스에 맞추어 일정 각도 단위로 회전하므로 펄스 모터라고도 한다.
- ② 스텝 모터는 PM(Permanent Magnet), VR(Variable Reluctance), HB(Hybrid) 형이 있다.
- ③ 스텝 모터는 궤환 소자(엔코더, 포텐셔미터)가 필요하다.
- ④ 스텝 모터의 구동 방식에는 유니폴라(unipolar) 방식과 바이폴라(biopolar) 방식이 있다.
등록된 댓글이 없습니다.
46. 모듈 단위의 오브젝트 파일을 하나로 합쳐서 그것에 인덱스를 붙인 것은?
- ① 실행 파일
- ② 라이브러리
- ③ 소스 파일
- ④ 프로시저
등록된 댓글이 없습니다.
47. 통신방식 중 송신국은 일방적으로 송신하고, 수신국은 수신만 할 수 있는 방식은?
- ① simplex
- ② half duplex
- ③ duplex
- ④ full deplex
등록된 댓글이 없습니다.
48. bps와 baud rate에 대한 설명 중 틀린 것은?
- ① bps는 1초당 전소알 수 있는 비트의 수를 말한다.
- ② baud rate는 1초 동안에 전송되는 신호의 수를 말한다.
- ③ 디지털 및 컴퓨터 분야에서는 bps와 baud rate는 다르다.
- ④ 하나의 비트가 하나의 신호일 경우 bps와 baud rate는 같다.
등록된 댓글이 없습니다.
49. 다음 내용은 무엇을 설명하는가?

- ① 타이머
- ② 카운터
- ③ 인터럽트
- ④ 직렬통신
등록된 댓글이 없습니다.
50. 마이크로프로세서의 종류로 틀린 것은?
- ① ATMega128
- ② Cortex M3
- ③ XScale
- ④ AMOLED
등록된 댓글이 없습니다.
51. 다음 그림은 입출력 관계를 그린 것으로 (a), (b) 그리고 (c)에 들어갈 내용으로 옳은 것은?

- ① (a) 출력 레지스터, (b) 누산기, (c) 입력 레지스터
- ② (a) 출력 레지스터, (b) 누산기, (c) 제어 플립플롭
- ③ (a) 출력 레지스터, (b) 프로그램 카운터, (c) 입력 레지스터
- ④ (a) 임시 레지스터, (b) 누산기, (c) 입력 레지스터
등록된 댓글이 없습니다.
52. 타이머/카운터의 기능으로 틀린 것은?
- ① 메모리의 번지를 증감시키는 기능
- ② 일정 시간을 같은 출력으로 유지하는 기능
- ③ 하나의 출력과 다음 출력간의 시간을 계산하는 기능
- ④ 직렬 포트로 보레이트(Boud Rate)를 발생시키는 기능
등록된 댓글이 없습니다.
53. 데이터 통신 방식에 사용되는 장치 중 데이터 통신 시에 통신 회선과 중앙처리장치를 결합시키는 장치는?
- ① 전송 제어 장치
- ② 통신 제어 장치
- ③ 입출력 장치
- ④ 변복조 장치
등록된 댓글이 없습니다.
54. 직렬통신 방식 중 논리값이 “1”은 –3V ~ -15V, “0”은 +3V ~ +15V 사이의 전압 신호로 구현되는 방식은?
- ① RS-232C
- ② RS-422
- ③ RS-423
- ④ IEEE-488
등록된 댓글이 없습니다.
55. 인터럽트 요구와 처리 순서가 옳은 것은?
- ① 주변 장치의 인터럽트 요구 → 인터럽트 처리 루틴 수행 → CPU 레지스터 저장 → CPU 레지스터 복귀 → 메인 프로그램으로 복귀
- ② 주변 장치의 인터럽트 요구 → CPU 레지스터 복귀 → 인터럽트 처리 루틴 수행 → CPU 레지스터 저장 → 메인 프로그램으로 복귀
- ③ 주변 장치의 인터럽트 요구 → CPU 레지스터 저장 → 인터럽트 처리 루틴 수행 → CPU 레지스터 복귀 → 메인 프로그램으로 복귀
- ④ 주변 장치의 인터럽트 요구 → 인터럽트 처리 루틴 수행 → CPU 레지스터 복귀 → CPU 레지스터 저장 → 메인 프로그램으로 복귀
등록된 댓글이 없습니다.
56. Xon/Xoff는 컴퓨터와 비동기 직렬 접속되어 있는 다른 장치들 간에 데이터 흐름을 제어하기 위한 프로토콜이다. Xon의 실제 신호는 아스키(ASCII)의 어떤 비트 구성과 같은가?
- ① Ctrl-Q
- ② Ctrl-R
- ③ Ctrl-S
- ④ Ctrl-T
등록된 댓글이 없습니다.
57. RISC 마이크로프로세서를 설명 중 옳은 것은?
- ① 명령어의 개수가 보통 100~250개로 많다.
- ② 주소 지정 방식은 5~20가지로 다양하다.
- ③ 파이프라인(pipeline)이 효율적이다.
- ④ 명령어의 길이는 가변적이다.
등록된 댓글이 없습니다.
58. 메모리로부터 명령을 인출하는 과정은?
- ① Write cycle
- ② Unstruction cycle
- ③ Read cycle
- ④ Fetch cycle
등록된 댓글이 없습니다.
59. CPU의 구성장치로 틀린 것은?
- ① 레지스터
- ② 연산장치
- ③ 제어장치
- ④ 출력장치
등록된 댓글이 없습니다.
60. 여러 회선이 하나의 회선을 공유하기 위하여 사용하는 회로로 다수의 입력 중 하나의 입력을 선택하여 이를 출력하는 회로는?
- ① 멀티플렉서
- ② 디멀티플렉서
- ③ 인터페이스
- ④ 버스 회로
등록된 댓글이 없습니다.
4과목 : 프로그래밍언어
61. 인공지능 분야의 소프트웨어를 작성하기 위해 사용되는 프로그래밍 언어로 리스트 구조와 함수 적용을 기반으로 한 언어는?
- ① ALGOL
- ② PROLOG
- ③ LISP
- ④ APL
등록된 댓글이 없습니다.
62. 예약어에 대한 설명으로 틀린 것은?
- ① 프로그램이 수행되는 동안 변하지 않는 값을 나타내는 데이터이다.
- ② 프로그래머가 변수 이름으로 사용할 수 없다.
- ③ 번역과정에서 속도를 높여준다.
- ④ 프로그램의 신뢰성을 향상시킨다.
등록된 댓글이 없습니다.
63. C 언어의 printf 문에서 10진 정수로 출력하기 위한 변환 문자는?
- ① %c
- ② %d
- ③ %s
- ④ %x
등록된 댓글이 없습니다.
64. 어셈블리어에서 어떤 기호적 이름에 상수값을 할당하는 명령은?
- ① ASSUME
- ② ORG
- ③ EVEN
- ④ EQU
등록된 댓글이 없습니다.
65. C언어에서 문자열 입력 함수는?
- ① gets( )
- ② printf( )
- ③ scanf( )
- ④ puts( )
등록된 댓글이 없습니다.
66. 기계어에 대한 설명으로 틀린 것은?
- ① 0과 1의 이진 문자열로 이루어져 있다.
- ② 고급 언어(High level language)에 해당한다.
- ③ 제어를 위해서는 효율적이지만 작성이 매우 어려운 단점이 있다.
- ④ 호환성이 없고 기계마다 언어가 다르다.
등록된 댓글이 없습니다.
67. 어셈블리어에서 즉치 주소지정방식(immediate addressing)으로 표현한 명령어는?
- ① MOV ECX, EBX
- ② MOV AX, [BX]
- ③ MOV AL, 3
- ④ MOV DX, [BX + DI]
등록된 댓글이 없습니다.
68. 다음 설명에 해당하는 어셈블리어 명령은?

- ① MOV
- ② RET
- ③ JMP
- ④ TEST
등록된 댓글이 없습니다.
69. 다음 문자열 처리 명령 중 SI에 있는 데이터를 AL 또는 AX, 레지스터에 load하는 명령은?
- ① LODS
- ② STOS
- ③ SCAS
- ④ MOVS
등록된 댓글이 없습니다.
70. 다음은 무슨 언어에 관한 설명인가?

- ① 절차 언어(Procedural Language)
- ② 적용형 언어(Applicative Language)
- ③ 선택적 언어(Declarative Language)
- ④ 참조형 언어(Reference type Language)
등록된 댓글이 없습니다.
71. 다음 C 언어의 결과는?

- ① 9
- ② 10
- ③ 45
- ④ 55
등록된 댓글이 없습니다.
72. C 언어에 대한 설명으로 옳지 않은 것은?
- ① 대표적인 인터프리터 언어이다.
- ② 시스템 프로그래밍 언어로 적합하다.
- ③ 이식성이 높은 언어이다.
- ④ 구조적 프로그래밍이 가능하다.
등록된 댓글이 없습니다.
73. C 언어에서 사용하는 이스케이프 시퀀스에 대한 의미로 틀린 것은?
- ① ∖n : new title
- ② ∖b : backspace
- ③ ∖t : tab
- ④ ∖r : carriage return
등록된 댓글이 없습니다.
74. 다음 인터럽트 동작의 설명을 순서대로 나열한 것은?

- ① ㉰→㉲→㉱→㉯→㉮
- ② ㉲→㉱→㉰→㉯→㉮
- ③ ㉰→㉯→㉲→㉱→㉮
- ④ ㉰→㉱→㉯→㉲→㉮
등록된 댓글이 없습니다.
75. 어셈블리어에서 스트링 명령을 사용할 때 SI 레지스터는 다음 중 무엇과 짝을 이루어서 사용되는가?
- ① SP
- ② DI
- ③ SF
- ④ DS
등록된 댓글이 없습니다.
76. (A*B)*C를 Prefix로 표현한 것은?
- ① *+ABC
- ② AB+C*
- ③ A+B*C
- ④ ABC*+
등록된 댓글이 없습니다.
77. 다음 중 절대로더(Absolute loader)에 대한 설명으로 틀린 것은?
- ① 출력결과가 보조기억장치에 저장된다.
- ② 프로그래머가 링킹한다.
- ③ 프로그래머가 할당한다.
- ④ 로더가 재배치한다.
등록된 댓글이 없습니다.
78. C 언어에서 기억클랙스의 종류가 아닌 것은?
- ① auto
- ② static
- ③ remember
- ④ extern
등록된 댓글이 없습니다.
79. BNF 표기법에서 정의를 의미하는 것은?
- ① ::=
- ② |
- ③ = =
- ④ < >
등록된 댓글이 없습니다.
80. 벨 연구소에서 1970년대 초반부터 리치 등에 의해서 개발된 시스템 기술용의 프로그래밍 언어로서, UNIX 운영체제를 구성하는 주된 언어는?
- ① APL
- ② PL/I
- ③ PASCAL
- ④ C
등록된 댓글이 없습니다.