9급 국가직 공무원 전기이론(2023. 4. 8.) 시험일자 : 2023년 4월 8일
1. 직각좌표계(x, y, z)에서 전위 함수가 V=6xy+4y2[V]로 주어질 때, 좌표점(4, -1, 5)[m]에서 +x방향의 전계 세기[V/m]는?
- ① 6
- ② 7
- ③ 8
- ④ 9
등록된 댓글이 없습니다.
2. 자성체에 자기장을 인가할 때, 내부 자속밀도가 큰 자성체부터 순서대로 바르게 나열한 것은?
- ① 상자성체, 페리자성체, 반자성체
- ② 페리자성체, 반자성체, 상자성체
- ③ 반자성체, 페리자성체, 상자성체
- ④ 페리자성체, 상자성체, 반자성체
등록된 댓글이 없습니다.
3. 인덕턴스 20[H]를 갖는 인덕터에 전류 5[A]가 흐를 때, 저장된 자기에너지[J]는?
- ① 100
- ② 125
- ③ 250
- ④ 500
등록된 댓글이 없습니다.
4. 임의의 닫힌 공간에서 외부로 나가는 전기선속과 공간 내부의 총전하량의 관계를 나타내는 것은?
- ① 옴의 법칙
- ② 쿨롱의 법칙
- ③ 가우스 법칙
- ④ 패러데이 법칙
등록된 댓글이 없습니다.
5. 그림과 같은 회로의 단자 a와 b에서 바라본 등가저항 Req[kΩ]는?

- ① 1
- ② 2
- ③ 3
- ④ 4
등록된 댓글이 없습니다.
6. 그림의 R-L-C 직렬회로에서 인가한 전원전압 v(t)와 전류 i(t)의 페이저도가 다음과 같을 때, 인덕턴스 L[H]은? (단, 전원전압의 주파수는 f[Hz]이다)

- ①

- ②

- ③

- ④

등록된 댓글이 없습니다.
7. 단상 교류회로에서 전압 [V]를 부하에 인가하면, 전류 i(t)=5sin(1000t+θ) [A]가 흐른다. 부하의 평균전력이 125√3[W]일 때 θ[rad]로 가능한 것은?
- ① 0
- ② π/6
- ③ π/4
- ④ π/3
우주비행사2025. 5. 19. 17:47삭제
V=100sin(1000t+60)
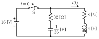
8. 그림의 회로에서 스위치 S가 충분히 긴 시간 동안 닫혀 있다가 t=0에서 개방되었다. t>0 에서 R-L-C 병렬회로가 임계제동이 되기 위한 저항 R[Ω]는?

- ① 4
- ② 6
- ③ 8
- ④ 10
등록된 댓글이 없습니다.
9. 그림의 회로에서 절점 a와 b 사이의 전압 Vab가 4[V]일 때, 절점 a와 c 사이의 전압 Vac[V]는?

- ① -10
- ② -2
- ③ 1
- ④ 3
등록된 댓글이 없습니다.
10. 코일에 직류전압 100[V]를 인가하면 500[W]가 소비되고, 교류전압 150[V]를 인가하면 720[W]가 소비된다. 코일의 리액턴스[Ω]는? (단, 전압은 실횻값이다)
- ① 10
- ② 15
- ③ 20
- ④ 25
고구마줄기접지선2024. 11. 13. 11:01삭제
정답 4번아님 25인데 왜 2번인가?
11. 부하 임피던스 가 6+j8[Ω]인 평형 3상 교류회로에서 상전압 200[V]를 전원으로 인가할 때, 부하에 흐르는 상전류 의 크기 [A]는? (단, 전압과 전류는 실횻값이다)

- ① 10
- ② 10√3
- ③ 20
- ④ 20√3
등록된 댓글이 없습니다.
12. 평형 3상 Y 결선 회로에 대한 설명으로 옳지 않은 것은?
- ① 선간전압의 크기는 상전압 크기의 √3배이다.
- ② 선간전압과 상전압은 동상이다.
- ③ 선전류와 상전류의 크기가 같다.
- ④ 선간전압 간의 위상차는 120°이다.
등록된 댓글이 없습니다.
13. 선형 시불변 시스템의 입력이 e-tu(t)일 때 출력은 10e-tcos(2t)u(t)이다. 시스템의 전달함수는? (단, u(t)는 단위계단함수이고 시스템의 초기조건은 0이다)
- ①

- ②

- ③

- ④

등록된 댓글이 없습니다.
14. 그림의 회로에서 교류전압 와 전류 가 동상일 때, 리액턴스 X[Ω]는?

- ① 0.5
- ② 1
- ③ 1.5
- ④ 2
등록된 댓글이 없습니다.
15. 그림의 회로에서 전류 I[A]는?

- ① 0.5
- ② 1
- ③ 1.5
- ④ 2
등록된 댓글이 없습니다.
16. 그림의 회로에서 전류 I1과 I2에 대한 방정식이 다음과 같을 때, a1+a2의 값은?

- ① 40
- ② 50
- ③ 60
- ④ 70
등록된 댓글이 없습니다.
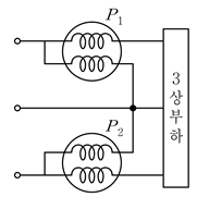
17. 그림의 3상 교류 시스템에서 부하에 소비되는 전력을 2-전력계법으로 측정한 값이 P1은 50[W]이고 P2는 100[W]일 때, 전체 피상전력[VA]은?

- ① 50
- ② 50√3
- ③ 100√3
- ④ 150√3
등록된 댓글이 없습니다.
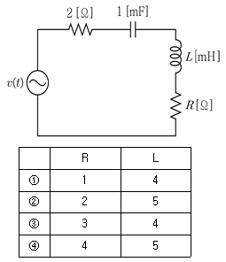
18. 그림의 회로에서 전원이 공급하는 평균전력은 100[W]이고 지상 역률이 일 때, 저항 R[Ω]와 인덕턴스 L[mH]은? (단, v(t)=40cso(1000t)[V]이다)

- ① ①
- ② ②
- ③ ③
- ④ ④
등록된 댓글이 없습니다.
19. 그림과 같은 권선수 N, 반지름 r[cm], 길이 l[cm]을 갖는 원통 모양의 솔레노이드가 있다. 인덕턴스가 가장 큰 것은? (단, 솔레노이드의 내부 자기장은 균일하고 외부 자기장은 무시할 만큼 작다)

- ① ①
- ② ②
- ③ ③
- ④ ④
등록된 댓글이 없습니다.
20. 그림의 회로에서 스위치 S가 충분히 긴 시간 동안 닫혀 있다가 t=0에서 개방되었다. t>0 일 때의 전류 i(t)[A]는?

- ①

- ②

- ③

- ④

등록된 댓글이 없습니다.