승강기기사(2008. 3. 2.) 시험일자 : 2008년 3월 2일
1과목 : 승강기 개론
1. 즉시작동식 비상정지장치가 작동할 때 정지력과 거리에 대한 그래프로 알맞은 것은?
- ①

- ②

- ③

- ④

등록된 댓글이 없습니다.
2. 간접식 유압엘리베이터의 설명으로 옳지 않은 것은?
- ① 플런저의 길이가 직접식에 비하여 짧기 때문에 설치가 간단하다.
- ② 오일의 압축성 때문에 부하에 따른 카 바닥의 빠짐이 크다.
- ③ 실린더의 점검이 쉽다.
- ④ 비상정지장치가 필요 없다.
등록된 댓글이 없습니다.
3. 다음 중 일반적으로 카측 뿐만 아니라 균형추 측에도 비상정지장치를 설치하여야 하는 경우는?
- ① 카의 속도가 210m/min 이상인 경우
- ② 피트 깊이가 1800mm 이상인 경우
- ③ 카의 속도가 300m/min 이상인 경우
- ④ 승강로 피트 바닥밑에 통로가 설치된 경우
등록된 댓글이 없습니다.
4. 승강장이 설치되는 장애인용 호출버튼의 높이로 승강기 검사기준에 올바른 것은?
- ① 바닥면으로부터 1.2m이상 1.5m이하
- ② 바닥면으로부터 0.8m이상 1.2m이하
- ③ 바닥면으로부터 0.9m이상 1.3m이하
- ④ 바닥면으로부터 1.0m이상 1.4m이하
등록된 댓글이 없습니다.
5. 경사도가 8°를 초과하는 수평보행기의 디딤판의 속도는 몇 [m/min]이하로 하여야 하는가?
- ① 30m/min
- ② 40m/min
- ③ 50m/min
- ④ 60m/min
등록된 댓글이 없습니다.
6. 다음 ( )에 알맞은 것은?

- ① 비상용 소화기
- ② 비상방송용 스피커
- ③ 비상용 전화기
- ④ 비상용 경보기
등록된 댓글이 없습니다.
7. 1: 1 로핑방식에 비하여 4:1 로핑방식의 단점으로 옳지 않은 것은?
- ① 로프의 수명이 짧다.
- ② 로프의 장력이 커진다.
- ③ 로프의 길이가 현저히 길어진다.
- ④ 종합효율이 낮아진다.
등록된 댓글이 없습니다.
8. 엘리베이터 브레이크(제동기)의 설명 중 옳지 않은 것은?(단, G는 중력가속도이다.)
- ① 브레이크의 감속도는 일반적으로 1.0G이상으로 한다.
- ② 가가 정지된 후에도 부하에 의한 불균형으로 역구동되어 움직이지 않도록 하여야 한다.
- ③ 전동기의 관성력, 카, 균형추 등 엘리베이터의 제반장치의 관성을 제지하는 역할을 할 수 있어야 한다.
- ④ 승객용 엘리베이터에서는 125%의 부하로 전속력 하강중인 카를 안전하게 감속, 정지시킬 수 있어야 한다.
등록된 댓글이 없습니다.
9. 소선강도에 의한 와이어로프의 설명 중 옳은 것은?
- ① E종은 150kgf/mm2급 강도의 소선으로 구성된 로프이다.
- ② A종은 일반 와이어로프와 비교하여 탄소량을 작게 하고 경도를 낮춘 것으로 파단강도가 135kgf/mm2급이다.
- ③ B종은 강도와 경도가 E종보다 더욱 높아 엘리베이터용으로 사용된다.
- ④ G종은 소선의 표면에 아연도금한 로프로 다습환경의 장소에 사용된다.
등록된 댓글이 없습니다.
10. 다음 중 유체의 흐름을 한 방향으로만 흐르게 하고 역류를 방지하는데 사용되는 밸브는?
- ① 글로브밸브
- ② 슬루스밸브
- ③ 감압밸브
- ④ 체크밸브
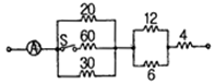
등록된 댓글이 없습니다.
11. 일반적으로 고속의 엘리베이터에 주로 많이 이용되는 조속기는?
- ① 플라이볼형
- ② 디스크형
- ③ 스프링형
- ④ 롤세이프티형
등록된 댓글이 없습니다.
12. 교류2단 속도제어 방식에서 고속과 저속의 속도비로서 일반적으로 가장 많이 사용되는 것은?
- ① 2:1
- ② 3:1
- ③ 4:1
- ④ 6:1
등록된 댓글이 없습니다.
13. 에스컬레이터 1200형의 공칭 수송능력은 시간당 몇 명인가?
- ① 6000
- ② 7000
- ③ 8000
- ④ 9000
등록된 댓글이 없습니다.
14. 다음 중 엘리베이터용 전동기의 구비요건으로 알맞지 않은 것은?
- ① 기동 전류가 작을 것
- ② 소음이 적을 것
- ③ 회전부분의 관성 모멘트가 클 것
- ④ 빈번한 운전으로 안한 온도 상승에 충분히 견딜 것
등록된 댓글이 없습니다.
15. 다음 중 적용하는 가이드레일의 규격을 결정하기 위하여 고려하여야 하는 사항과 거리가 먼 것은?
- ① 카에 불균형한 큰 하중에 따른 회전 모멘트
- ② 지진시 수평 진동력
- ③ 비상정지장치의 작동에 따른 좌굴
- ④ 정격속도 및 적재하중
등록된 댓글이 없습니다.
16. 도어머신에 대한 설명 중 옳지 않은 것은?
- ① 정전시 도어를 손으로 열 수 있어야 한다.
- ② 감속장치는 기어에 의한 방식이외에 벨트나 체인에 의한 방식도 사용되고 있다.
- ③ 소형경량화 및 소음이 적게 발생하기 위해서는 AC모터와 감속기구 적용이 유리하다.
- ④ 작동회수는 엘리베이터 기동회수의 2배 정도이므로 보수가 쉬워야 한다.
등록된 댓글이 없습니다.
17. 엘리베이터 정격속도가 105m/min 일 때의 최소 꼭대기 틈새 및 피트 깊이는 각각 몇 [m]이상이어야 하는가?
- ① 꼭대기틈새 1.2m, 피트 깊이 1.2m
- ② 꼭대기틈새 1.4m, 피트 깊이 1.5m
- ③ 꼭대기틈새 1.5m, 피트 깊이 1.5m
- ④ 꼭대기틈새 1.8m, 피트 깊이 2.1m
등록된 댓글이 없습니다.
18. 랙ㆍ피니온식 리프트는 어떤 용도로 많이 사용되는가?
- ① 병원용
- ② 고층빌딩승객용
- ③ 아파트용
- ④ 빌딩 신축공사용
등록된 댓글이 없습니다.
19. 상부체대(too beam)의 최대 처짐량은 부과도니 정지부하를 기준으로 그 값이 얼마 이하이어야 하는가?
- ① 전장(span)의 이하

- ② 전장(span)의 이하

- ③ 전장(span)의 이하

- ④ 전장(span)의 이하

등록된 댓글이 없습니다.
20. 가변전압 가변주파수 제어방식에서 교류를 직류로 바꾸어 주는 장치는?
- ① 컨버터
- ② 인버터
- ③ 리액터
- ④ 인덕터
등록된 댓글이 없습니다.
2과목 : 승강기 설계
21. 엘리베이터 권상기의 감속기구로서 웜 및 웜기어를 채용하려고 한다. 웜의 회전수가 1800rpm이고, 웜기어와 맞물리는 이의 수가 5일 때, 웜기어를 360rpm으로 회전시키려면 웜기어의 잇수를 얼마로 하여야 하는가?
- ① 10
- ② 25
- ③ 50
- ④ 100
등록된 댓글이 없습니다.
22. 건물에 엘리베이터를 설치하려고 한다. 위치 선정시의 고려사항으로 적절하지 못한 것은?
- ① 각 층 인구의 기하학적 중심에 배치
- ② 모든 출입구는 가능한 한 수직운송 집합점에 배치
- ③ 여러 대를 설치할 경우에는 가능한 한 분산배치
- ④ 엘리베이터는 가능한 한 주된 출입구의 근처에 배치
등록된 댓글이 없습니다.
23. 카용 유입완충기에 대한 설명으로 옳지 않은 것은?
- ① 완충기를 완전히 압축한 상태에서 어느 시간 이내에 완전히 복원되어야 한다.
- ② 압축행정(STROKE) 계산시는 정격속도의 115%에서 충돌했을 경우의 속도로 한다.
- ③ 카 또는 카운터웨이트 충돌시 1g(9.8m/s2)이하의 평균 감속도가 유지되어야 한다.
- ④ 최대 적용하중은 카 자중의 115%로 한다.
등록된 댓글이 없습니다.
24. 정격적재량 800kg, 정격속도 60m/min, 오버밸런스율 45%, 권상기의 총효율 60%인 승강기용 전동기의 필요 출력은 약 몇 [kW]인가?(오류 신고가 접수된 문제입니다. 반드시 정답과 해설을 확인하시기 바랍니다.)
- ① 3.7kW
- ② 4.5kW
- ③ 5.5kW
- ④ 7.5kW
등록된 댓글이 없습니다.
25. 카의 도착여부를 알 수 있도록 투명창을 설치할 경우 투명창의 크기 기준으로 옳은 것은?
- ① 최대 폭 200㎜이하, 최대 높이 500㎜ 이하
- ② 최대 폭 150㎜이하, 최대 높이 400㎜ 이하
- ③ 최대 폭 100㎜이하, 최대 높이 500㎜ 이하
- ④ 최대 폭 100㎜이하, 최대 높이 400㎜ 이하
등록된 댓글이 없습니다.
26. 승강로 피트의 깊이는 어떻게 정하는가?
- ① 정격속도에 대응하여 정한다.
- ② 정격속도가 느릴수록 깊게 정한다.
- ③ 속도와 관계없이 1.5m로 정한다.
- ④ 정격속도에 대응하여 정하되 2m이상에서부터 정한다.
등록된 댓글이 없습니다.
27. 1:1로핑이고, 적재하중이 650kg 승객용 엘리베이터의 카자체 중량이 700kg이며, 로프길이가 40m의 3가닥이다. 또한 단위 m당 로프중량이 0.494kg이며, 파단하중이 5990kg의 로프의 안전율은 약 얼마인가?
- ① 26
- ② 24
- ③ 16
- ④ 13
등록된 댓글이 없습니다.
28. 비상용 엘리베이터에서 1차 소방스위치(키 스위치)를 조작 한 후의 작동사항으로 옳은 것은?
- ① 문닫힘 안전장치 및 과부하감지장치가 작동하지 않아야 한다.
- ② 승강장의 호출에는 카가 응답하여야 한다.
- ③ 문닫힘 버튼을 누르다가 손을 떼면 문은 닫히고 있는 상태로 유지되어야 한다.
- ④ 카 내에서의 행선층 등록은 일부 층만 등록이 되도록 한정되어야 한다.
등록된 댓글이 없습니다.
29. 다음 그림과 같은 도르래에서 W를 구하면? (단, W는 하중, P는 인상력이다.)

- ① W=2P
- ② W=3P
- ③ W=4P
- ④ W=8P
등록된 댓글이 없습니다.
30. 엘리베이터의 도어 및 부속장치에 대한 사항으로 옳지 않은 것은?
- ① 고속의 도어장치에는 스프링식의 도어 클로저보다 웨이트식의 도어 클로저가 더 적합하다.
- ② 공동주택용 엘리베이터의 경우, 카가 주행 중에 저속으로 도어를 손으로 억지로 여는데 필요한 힘은 20kgf 이상이 되도록 한다.
- ③ 승객용 엘리베이터에는 수직개폐방식의 도어는 사용되지 않아야 한다.
- ④ 도어 인터록장치는 도어 록이 먼저 걸린 후 도어스위치가 접점 되도록 한다.
등록된 댓글이 없습니다.
31. 즉시작동형 비상정지장치의 성능시험시의 흡수 에너지를 구하는 식으로 바르게 나타낸 것은?(단, k : 비상정지장치의 흡수 에너지 [kgㆍm], W : 비상정지장치의 적용중량[kg], V : 적용 조속기의 작동속도[m/s], S : 비상정지장치의 정지거리[m]g : 중력가속도(9.8m/s2)이다.)
- ①

- ②

- ③

- ④

등록된 댓글이 없습니다.
32. 로프식 엘리베이터에서 양측의 중량비가 너무 크면 미끄러지게 되어 매우 위험하므로 설계시 검토가 필요하다. 미끄러짐을 결정하는 요소에 관한 설명으로 맞는 것은?
- ① 로프의 권부각이 작을수록 미끄러지기 쉽다.
- ② 카의 가속도가 작을수록 미끄러지기 쉽다.
- ③ 카의 감속도가 작을수록 미끄러지기 쉽다.
- ④ 카측과 균형추측의 로프에 걸리는 중량비가 작을수록 미끄러지기 쉽다.
등록된 댓글이 없습니다.
33. 전동기의 입력주파수 60Hz, 극수 4, 슬립 3%, 기어감속비 49:2, 도르래의 지름 540㎜일 때 엘리베이터의 정격속도는 약 몇 [m/min]인가?
- ① 60m/min
- ② 90m/min
- ③ 105m/min
- ④ 120m/min
등록된 댓글이 없습니다.
34. 다음 중 높이가 60m 이하인 건축물에 설치하는 엘리베이터의 설계용 수평진도를 옳게 나타낸 것은?
- ① 지역계수를 중력가속도로 나눈 값이다.
- ② 지역계수와 설계용 표준진도를 곱한 값이다.
- ③ 기기의 중력과 설계용 표준진도를 곱한 값이다.
- ④ 설계용 표준진도를 중력가속도로 나눈 값이다.
등록된 댓글이 없습니다.
35. 순간식 비상정지장치의 일종으로 로프에 걸리는 장력이 없어져서 로프의 처짐현상이 생겼을 때 바로 운전회로를 차단하고 비상정지장치를 작동시키는 것은?
- ① 슬랙로프 세이프티
- ② 스프링 클로저
- ③ 세이프티 슈
- ④ 도어 머신
등록된 댓글이 없습니다.
36. 변압기 용량을 산정할 때 인버터 엘리베이터의 경우 정격 전류는 전부하 상승전류의 약 몇 [%]로 하는가?
- ① 70%
- ② 80%
- ③ 90%
- ④ 100%
등록된 댓글이 없습니다.
37. 기어에 대한 특성으로 옳지 않은 것은?
- ① 전동이 확실하다.
- ② 큰 감속이 가능하다.
- ③ 축압력이 크다.
- ④ 회전비가 정확하다.
등록된 댓글이 없습니다.
38. 기동과 주행은 고속권선으로, 감속과 착상은 저속권선으로 속도를 제어하는 방식은?
- ① 교류1단 속도제어
- ② 교류2단 속도제어
- ③ 직류1단 속도제어
- ④ 직류2단 속도제어
등록된 댓글이 없습니다.
39. 엘리베이터에 사용하는 T형 24K 가이드 레일 1본의 무게는 약 몇 [kg]인가?
- ① 24kg
- ② 62kg
- ③ 80kg
- ④ 120kg
등록된 댓글이 없습니다.
40. 정격속도 150m/min 의 조속기의 과속스위치를 세팅하고자 한다. 다음 중 카용과 균형추용 조속기의 과속스위치 세팅값이 바르게 조정된 것은?
- ① 카용 : 174m/min, 균형추용 : 191m/min
- ② 카용 : 191m/min, 균형추용 : 174m/min
- ③ 카용 : 207m/min, 균형추용 : 227m/min
- ④ 카용 : 227m/min, 균형추용 : 207m/min
등록된 댓글이 없습니다.
3과목 : 일반기계공학
41. 18-8 스테인리스강의 주성분으로 적합한 것은?
- ① Fe, Cr, Zn
- ② Fe, Ni, Al
- ③ Fe, Cr, Ni
- ④ Fe, Sn, Ni
등록된 댓글이 없습니다.
42. 지름이 20㎜인 시험편을 인장 시험한 결과 최대하중이 4082kgf이었다. 이 시험편의 인장강도는 약 몇 kgf/mm2인가?
- ① 10.42
- ② 104.20
- ③ 12.99
- ④ 129.93
등록된 댓글이 없습니다.
43. 선반작업에 사용되는 절삭공구의 일반적인 명칭은?
- ① 숫돌
- ② 커터
- ③ 탭
- ④ 바이트
등록된 댓글이 없습니다.
44. 용접부의 미소한 균열이나 작은 구멍 등을 신속하고 용이하게 검출하고 방법으로 철, 비철 재료 및 비자성 재료도 널리 이용되며, 형광 물질을 기름에 녹인 것을 표면에 칠하는 검사 방법은?
- ① 와류 탐상검사
- ② 외관 검사
- ③ 자분 탐상검사
- ④ 침투 탐상검사
등록된 댓글이 없습니다.
45. 유압 작동유의 구비조건 설명으로 틀린 것은?
- ① 비압축성이어야 한다.
- ② 열을 방출 시키지 않아야 한다.
- ③ 녹이나 부착 발생 등이 방지되어야 한다.
- ④ 장시간 사용하여도 화학적으로 안정하여야 한다.
등록된 댓글이 없습니다.
46. 금수펌프에 연결된 흡입관을 저수탱크에 넣을 때 수면으로부터 흡입이 시작되는 관 끝까지의 최소 깊이는?
- ① 10㎝
- ② 흡입관 지름의 1배
- ③ 20㎝
- ④ 흡입관 지름의 2배
등록된 댓글이 없습니다.
47. 어큐뮬레이터(accumulator) 용도 설명으로 틀린 것은?
- ① 밸브를 개폐하는 것에 의하여 생기는 오일 해머나 압력 노이즈에 의한 충격 압력을 방지한다.
- ② 폐회로에서의 유온 변화에 의한 오일의 팽창, 수축에 의하여 생기는 유량의 변화를 보충을 해준다.
- ③ 유압펌프에서 발생하는 맥동을 흡수하고, 진동이나 소음방지에 사용한다.
- ④ 직선 왕복운동을 주로 하는 실린더와 회전운동을 하는 실린더로 사용한다.
등록된 댓글이 없습니다.
48. 비중이 작은 것부터 큰 것의 순서대로 나열된 기계재료 기호는?
- ① Fe < Cu < Pb
- ② Cu < Mg < Pb
- ③ Mg < Pb < Fe
- ④ Fe < Pb < Mg
등록된 댓글이 없습니다.
49. 축의 휨, 원통의 진원도 측정에 가장 적합한 측정기는?
- ① 다이얼 게이지
- ② 하이트 게이지
- ③ 버니어캘리퍼스
- ④ 각도 게이지
등록된 댓글이 없습니다.
50. 10m/s의 속도로 회전하는 원통 마찰차의 두 차를 밀어 주는 힘이 74kgf, 접속 면의 마찰계수가 μ=0.2일 때 전달동력은 약 몇 kW인가?
- ① 0.85
- ② 1.20
- ③ 1.45
- ④ 1.80
등록된 댓글이 없습니다.
51. 1000rpm으로 2000 Nㆍcm 의 비틀림 모멘트를 전달하는 축의 전달 동력은 약 몇 kW인가?
- ① 2
- ② 4
- ③ 20
- ④ 40
등록된 댓글이 없습니다.
52. 연삭 숫돌의 결합제는 숫돌입자를 결합하여 숫돌의 형상을 갖도록 하는 재료이다. 결합제의 필요 조건이 아닌 것은?
- ① 열과 연삭액에 대하여 안전할 것
- ② 고속회전에 대한 안전강도를 가질 것
- ③ 입자 간의 기공이 생기기 않도록 할 것
- ④ 균일한 조직으로 임의의 형상 및 연삭액에 대하여 안전할 것
등록된 댓글이 없습니다.
53. 표준 스퍼기어에서 모듈이 10 이고, 피치원 지름이 180㎜일 때 잇수는 몇 개인가?
- ① 36
- ② 18
- ③ 10
- ④ 9
등록된 댓글이 없습니다.
54. 그림과 같이 브레이크 축에 6670 kgf-㎜의 토크가 작용하고 있을 때 레버에 15 kgf의 힘을 가하여 제동하려면 브레이크 축의 지름 D는 약 몇 ㎜인가? (단, 접촉면 마찰계수는 μ=0.3이다.)

- ① 98㎜
- ② 225㎜
- ③ 198㎜
- ④ 327㎜
등록된 댓글이 없습니다.
55. 그림과 같이 10kN의 집중하중을 받는 단순보에서 Rb에서의 반력이 8kN일때 x값은?

- ① 2m
- ② 4m
- ③ 6m
- ④ 8m
등록된 댓글이 없습니다.
56. 폭이 b이고 높이가 h인 직사각형 단면의 중립축 x-x'에 대한 단면계수는?

- ①

- ②

- ③

- ④

등록된 댓글이 없습니다.
57. 볼 베어링에서 처음 수명이 Ln인 경우 동일조건에서 베어링 하중만을 2배로 하면 수명은?
- ①

- ②

- ③

- ④

등록된 댓글이 없습니다.
58. 전기저항용접의 종류인 것은?
- ① 경납 용접
- ② 심 용접
- ③ 아크 용접
- ④ 비르밋 용접
등록된 댓글이 없습니다.
59. 동일 규격의 인장코일 스프링에서 유효 권수만을 2배로 하면 같은 조건의 하중에 대하여 처음 처짐량 δ에 비교한 유효 권수만을 2배로 한 스프링의 처짐량은?
- ①

- ② δ
- ③ 2δ
- ④ 4δ
등록된 댓글이 없습니다.
60. 재료의 인장강도가 48kgf/mm2인 강재가 안정율이 8이면 허용 인장응력은 몇 kgf/cm2인가?
- ① 560
- ② 600
- ③ 640
- ④ 680
등록된 댓글이 없습니다.
4과목 : 전기제어공학
61. 그림에서 S를 OFF했을 때 전류계 Ⓐ가 18A를 나타냈다면 S를 ON 했을 때 Ⓐ는 몇 [A]를 나타내겠는가? (단, 저항의 단위는 모두 Ω이다.)

- ① 10A
- ② 20A
- ③ 25A
- ④ 40A
등록된 댓글이 없습니다.
62. 운전자가 배치되어 있지 않는 엘리베이터의 자동제어는?
- ① 추종제어
- ② 프로그램제어
- ③ 정치제어
- ④ 프로세스제어
등록된 댓글이 없습니다.
63. 단상변압기 3대를 △결선하여 부하에 전력을 공급하다가 1대의 고장으로 V결선하여 사용하는 경우 공급할 수 있는 전력은 고장 전과 비교하면 약 몇 [%]가 되는가?
- ① 57.7%
- ② 66.7%
- ③ 75.0%
- ④ 86.6%
등록된 댓글이 없습니다.
64. 어느 회로에 V=30+j10[V]의 전압이 인가되어 I=40+j30[A]의 전류가 흐른다면 이 회로의 역률은 약 몇 [%]인가?
- ① 85%
- ② 92%
- ③ 95%
- ④ 98%
등록된 댓글이 없습니다.
65. 그림과 같은 전자릴레이회로는 어떤 게이트 회로인가?

- ① AND
- ② OR
- ③ NOR
- ④ NOT
등록된 댓글이 없습니다.
66. 그림과 같은 회로에서 전류는 전압보다 위상이 앞선다. 다음 중 위상차(θ)를 구한 것으로 알맞은 것은?

- ①

- ②

- ③

- ④

등록된 댓글이 없습니다.
67. 3상 동기발전기를 병렬운전시키는 경우 고려하지 않아도 되는 것은?
- ① 기전력 파형의 일치 여부
- ② 상회전방향의 동일 여부
- ③ 회전수의 동일 여부
- ④ 기전력 주파수의 동일 여부
등록된 댓글이 없습니다.
68. 그림과 같은 피드백 제어시스템에서 단위 계단 함수를 입력으로 할 때 정상상태 오차가 0.01이 되도록 하는 α의 값은?

- ① 0.1
- ② 0.2
- ③ 0.3
- ④ 0.4
등록된 댓글이 없습니다.
69. 시퀀스제어에 관한 설명으로 옳지 않은 것은?
- ① 조합논리회로도 사용된다.
- ② 기계적 계전기도 사용된다.
- ③ 전체 계통에 연결된 스위치가 일시에 작동할 수도 있다.
- ④ 시간지연요소도 사용된다.
등록된 댓글이 없습니다.
70. 그림과 같은 브리지 정류회로는 어느 점에 교류입력을 연결하여야 하는가?

- ① A-B점
- ② A-C점
- ③ B-C점
- ④ B-D점
등록된 댓글이 없습니다.
71. 그림과 같이 철심에 두 개의 코일 C1, C2를 감고 코일 C1에 흐르는 전류 I에 △I만큼의 변화를 주었다. 이 때 일어나는 현상에 대한 설명으로 옳지 않은 것은?

- ① 전류의 변화는 자속의 변화를 일으키며, 자속의 변화는 코일 C1에 기전력 e1을 발생시킨다.
- ② 코일 C1에서 발생하는 기전력 e1은 자속의 시간미분값과 코일의 감은 횟수의 곱에 비 례한다.
- ③ 코일 C2에서 발생하는 기전력 e2는 렌쯔의 법 칙에 의하여 설명이 가능하다.
- ④ 코일 C2에서 발생하는 기전력 e2와 전류I의 시간 미분값의 관계를 설명해 주는 것이 자기인덕턴스이다.
등록된 댓글이 없습니다.
72. 그림에 해당하는 함수를 라플라스 변환하면?

- ①

- ②

- ③

- ④

등록된 댓글이 없습니다.
73. 다음 논리식 중 옳지 않은 것은?
- ①

- ②

- ③ A+A=A
- ④

등록된 댓글이 없습니다.
74. 다음 중 지시전기계기에 장시간 전류를 흘린 후 전류를 끊어도 지침이 0 으로 되돌아오지 못하는 이유로 가장 알맞은 것은?
- ① 외부자계영향
- ② 자기 가열
- ③ 스프링 피로도
- ④ 정전계의 영향
등록된 댓글이 없습니다.
75. SCR(Silicon Controlled Rectifier)의 전원 공급 방법으로 올바른 것은?
- ① 애도드:㊉전압, 캐소드:㊀전압, 게이트:㊀전압
- ② 애도드:㊀전압, 캐소드:㊉전압, 게이트:㊉전압
- ③ 애도드:㊉전압, 캐소드:㊀전압, 게이트:㊉전압
- ④ 애도드:㊀전압, 캐소드:㊉전압, 게이트:㊀전압
등록된 댓글이 없습니다.
76. 발전기의 단자전압을 200V로 일정하게 유지하기 위하여 전압계를 보면서 계자저항을 조정하여 계자전류를 조정한다. 다음 중 잘못 짝지어진 것은?
- ① 목표값 - 200V
- ② 조작량 - 계자전류
- ③ 제어량 - 계자저항
- ④ 제어대상 - 발전기
등록된 댓글이 없습니다.
77. “도선에서 두 점사이의 전류의 세기는 그 두 점사이의 전위차에 비례하고 전기저항에 반비례한다. ” 이것은 무슨 법칙을 설명한 것인가?
- ① 렌쯔의 법칙
- ② 옴의 법칙
- ③ 플레밍의 왼손법칙
- ④ 전압분배의 법칙
등록된 댓글이 없습니다.
78. 광전형 센서에 대한 설명으로 옳지 않은 것은?
- ① 전압 변화형 센서이다.
- ② 반도체의 pn접합 기전력을 이용한다.
- ③ 초전 효과(pyroelectric effect)를 이용한다.
- ④ 포토 다이오드, 포토 TR 등이 있다.
등록된 댓글이 없습니다.
79. 온도, 유량, 압력 등의 상태량을 제어량으로 하는 제어계는?
- ① 프로세스제어
- ② 샘플값제어
- ③ 서보기구
- ④ 정치제어
등록된 댓글이 없습니다.
80. 200V, 2kW 전열기의 전열선을 로 할 경우 소비전력은 몇 [kW]로 되겠는가?
- ① 1kW
- ② 2kW
- ③ 3kW
- ④ 4kW
등록된 댓글이 없습니다.