용접기사(2003. 3. 16.) 시험일자 : 2003년 3월 16일
1과목 : 기계제작법
1. 목형에서 코어(core)를 주형이 지지할 수 있게 하기 위하여 코어의 소요치수보다 길게 만들고 주형에는 지지좌(支持座)를 만드는 데 이것을 무엇이라 하는가?
- ① 코어 상자(core box)
- ② 코어 라운딩(core rounding)
- ③ 코어 프린트(core print)
- ④ 코어 서포트(core support)
등록된 댓글이 없습니다.
2. 주물사의 구비조건이 아닌 것은?
- ① 통기성이 양호할 것
- ② 성형성이 양호할 것
- ③ 열전도성이 양호할 것
- ④ 내열성이 양호할 것
등록된 댓글이 없습니다.
3. 주축중심선과 테이블의 상대 위치에 대한 정밀 측정장치를 가지고 있는 것은?
- ① 보통 보링 머신
- ② 지그 보링 머신
- ③ 수직 보링 머신
- ④ 심공 보링 머신
등록된 댓글이 없습니다.
4. 공작기계에서 가공물을 고정할 때 바이스를 사용하는 기계가 아닌 것은?
- ① 세이퍼
- ② 슬롯터
- ③ 선반
- ④ 플레이너
등록된 댓글이 없습니다.
5. 두께 2㎜, 최대 전단응력 45 kgf/㎜2인 재료에 24㎜의 구멍을 펀치작업으로 뚫을려면 가할 힘은 얼마나 되는가?
- ① 약4568 kgf
- ② 약5279 kgf
- ③ 약6786 kgf
- ④ 약7367 kgf
등록된 댓글이 없습니다.
6. 길이 300㎜의 사인바아로 29° 를 측정할려면 블록 게이지는 몇 ㎜ 를 사용하면 되는가? (단, 사인바아와 측정면이 일치함)
- ① 138.79 ㎜
- ② 127.36 ㎜
- ③ 186.25 ㎜
- ④ 145.44 ㎜
등록된 댓글이 없습니다.
7. 빌트 업에지(Built - up edge :구성인선)의 발생방지 대책으로 가장 옳은 것은?
- ① 절삭깊이, 이송 속도를 크게한다.
- ② 바이트 윗면 경사각을 크게하고 절삭속도를 높인다.
- ③ 절삭 속도를 느리게 하고 절삭깊이 및 이송 속도를 크게하고 윤활성이 좋은 윤활유를 사용한다.
- ④ 바이트의 윗면 경사각을 작게 한다.
등록된 댓글이 없습니다.
8. 불활성 가스 텅스텐 아크용접 (inert gas tungsten arc welding)에 사용되는 텅스텐 봉은?
- ① 전극으로서의 역할만 하고 녹지 않는다.
- ② 전류밀도를 증가시키며 녹아서 용접부에 보충된다.
- ③ 전극의 역할도 하고,녹아서 보충재의 역할도 한다.
- ④ 모재 표면에 융착하여 산화막을 형성하는 역할을 한다.
등록된 댓글이 없습니다.
9. 주철 주물은 응고하는 도중에 응고속도의 차로 내부응력이 남는다. 이것을 제거하는 방법으로 열처리한다. 열처리(어닐링)온도로서 가장 적당한 것은?
- ① 약 800℃ 이상
- ② 약 1000℃ 이상
- ③ 약 600℃ 이상
- ④ 약 400℃ 이상
등록된 댓글이 없습니다.
10. 주물사의 강도 시험 중 틀린 것은?
- ① 굽힘 강도 시험
- ② 인장 강도 시험
- ③ 전단 강도 시험
- ④ 충격 강도 시험
등록된 댓글이 없습니다.
11. 렌치(wrench), 스패너(spanner)등 소공구를 단조할 때 다음 중 어느 것이 가장 적합한가?
- ① 자유단조(free forging)
- ② 로터리 스웨이징(rotary swaging)
- ③ 프레스 가공(press working)
- ④ 형 단조(die forging)
등록된 댓글이 없습니다.
12. 진원의 수정, 진직도(眞直度)의 수정 및 평면도 (平面圖)의 수정을 모두 할 수 있는 것은?
- ① 연삭(grinding)
- ② 호우닝(honing)
- ③ 브로우칭(broaching)
- ④ 래핑(lapping)
등록된 댓글이 없습니다.
13. 선반에서 테이퍼를 깎는 방법이 아닌 것은?
- ① 복식 공구대를 이용함
- ② 테이퍼 절삭장치를 이용함
- ③ 심압대 센터를 편위시킴
- ④ 백 기어를 사용함
등록된 댓글이 없습니다.
14. CNC프로그램의 주요 기능 중 주축기능을 나타내는 것은?
- ① F
- ② S
- ③ T
- ④ M
등록된 댓글이 없습니다.
15. 방전가공(放電加工)에서 가장 기본적인 회로(回路)는
- ① RC 회로
- ② 트랜지스터 회로
- ③ 임펄스 발전기회로
- ④ 고전압법 회로
등록된 댓글이 없습니다.
16. 대형 공작기계에서 로스트모션(lost motion)을 적게 할수 없고 낮은 게인(gain)으로 높은 정밀도를 얻을 수 있는 수치제어 방식은 어느 것인가?
- ① 개방 루프방식(open loop)
- ② 반 폐쇄 루프방식(semi-closed loop)
- ③ 폐쇄 루프방식(closed loop)
- ④ 복합 루프방식(hybrid loop)
등록된 댓글이 없습니다.
17. 내연기관의 실린더 블록을, 다량(多量)으로 주조하는데 가장 적당한 방법은?
- ① 쉘 주형법(shell molding process)
- ② 인베스트먼트 주조법(investment casting)
- ③ 쇼 주조법(show process)
- ④ 저압 주조법(low pressure casting)
등록된 댓글이 없습니다.
18. 소요형상 주물의 첫 단계인 모형(pattern)을 만들 때, 고려할 사항이 아닌 것은?
- ① 목형여유(pattern allowance)
- ② 수축여유(shrinkage allowance)
- ③ 팽창여유(expansion allowance)
- ④ 기계가공여유(machining allowance)
등록된 댓글이 없습니다.
19. 난삭재라 일컫는 티타늄(titanium)강을 절삭시 공구면에 절삭온도가 극심하게 상승한다. 그 이유는?
- ① 열전도도가 높은 재료이기 때문에
- ② 열전도도가 낮은 재료이기 때문에
- ③ 마찰계수가 크게 나타나기 때문에
- ④ 절삭력이 크게 나타나기 때문에
등록된 댓글이 없습니다.
20. 지름 60㎜ 의 봉재를 절삭속도 115m/min 으로 절삭 하려면 알맞는 회전수는?
- ① 40rpm
- ② 610rpm
- ③ 1000rpm
- ④ 2700rpm
등록된 댓글이 없습니다.
2과목 : 재료역학
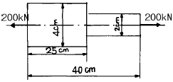
21. 그림에서 점 C 단면에 작용하는 내부 합모멘트는 몇 Nㆍm 인가?

- ① 270(시계 방향)
- ② 810(시계 방향)
- ③ 540(반시계 방향)
- ④ 1080(반시계 방향)
등록된 댓글이 없습니다.
22. 그림과 같이 외팔보가 자유단에서 시계방향의 우력 M 을 받는 경우, 자유단의 처짐 δ는?

- ①

- ②

- ③

- ④ Ⅰ

등록된 댓글이 없습니다.
23. 그림과 같이 1000N 의 힘이 브래킷의 A에 작용하고 있다. 이 힘의 점 B에 대한 모멘트는 몇 Nㆍm 인가?

- ① 160
- ② 200
- ③ 238.6
- ④ 253.2
등록된 댓글이 없습니다.
24. 축에 두께가 얇은 링을 가열 끼워맞춤(shrinkage fit)하였을 때 축 및 링에 각각 어떤 응력이 생기는가?
- ① 축에 압축응력, 링에 인장응력
- ② 축에 인장응력, 링에 압축응력
- ③ 축과 링 모두에 인장응력
- ④ 축과 링 모두에 압축응력
등록된 댓글이 없습니다.
25. σx = 60MPa, σy = 50MPa, τxy = 30MPa일 때 주응력 σ1과 σ2 는 각각 몇 MPa 인가?
- ① σ1 ≒ 60, σ2 ≒ 50
- ② σ1 ≒ 80, σ2 ≒ 90
- ③ σ1 ≒ 85.4, σ2 ≒ 24.6
- ④ σ1 ≒ 88.0, σ2 ≒ 32.6
등록된 댓글이 없습니다.
26. 그림과 같은 단순지지보에 하중 400 N이 작용할 때 C단면의 아래쪽 섬유에서의 굽힘응력은 몇 MPa 인가?

- ① 4.5 (압축)
- ② 45 (압축)
- ③ 4.5 (인장)
- ④ 45 (인장)
등록된 댓글이 없습니다.
27. 그림에서 빗금친 부분의 도심을 구한 것은? (곡선의 방정식은 y3 = 2x이고, x, y는 cm 단위이다.)

- ① x = 1.210, y = 1.653
- ② x = 1.284, y = 1.724
- ③ x = 1.305, y = 1.983
- ④ x = 1.423, y = 1.724
등록된 댓글이 없습니다.
28. 단면적이 10cm2인 봉을 30℃에서 수직으로 매달고 10℃로 냉각하였을 때 원래의 길이를 유지하려면 봉의 하단에 몇 kN 의 하중을 가하면 되는가? (단, 탄성계수 E = 200 GPa, 선팽창계수 α = 1.2x10-5 )
- ① 35
- ② 17
- ③ 26
- ④ 48
등록된 댓글이 없습니다.
29. 단면의 형상이 일정한 재료에 노치(notch)부분을 만들어 인장할 때 응력의 분포 상태는 어느 것이 옳은가?
- ①

- ②

- ③

- ④

등록된 댓글이 없습니다.
30. 수직 변형률 εx = 200x10-6, εy = 50x10-6, 전단변형률 γxy = -120x10-6 인 평면변형률 상태의 주변형률은?
- ① 267x10-6, 16x10-6
- ② -267x10-6, 16x10-6
- ③ -221x10-6, 29x10-6
- ④ 221x10-6, 29x10-6
등록된 댓글이 없습니다.
31. 바깥지름이 46mm인 속이 빈축이 120kW의 동력을 전달하는 데 이 때의 각속도는 40 rev/s 이다. 이 축의 허용비틀림 응력이 τa = 80 MPa 일 때, 최대 안지름은 몇 mm 인가?
- ① 21.8
- ② 41.8
- ③ 36.8
- ④ 84.8
등록된 댓글이 없습니다.
32. 원형 단면과 정사각형 단면의 기둥이 동일한 세장비를 가질 때 양 기둥의 길이비는? (단, 각 경우에서 지름과 한변의 길이는 20cm 이다.)
- ①

- ②

- ③

- ④

등록된 댓글이 없습니다.
33. 반지름 r인 원형축의 양단에 비틀림 모멘트 Mt가 작용될 경우 축의 양단 사이의 최대 비틀림각은? (단, 축의 길이는 L이고, 전단 탄성계수는 G이다.)
- ①

- ②

- ③

- ④

등록된 댓글이 없습니다.
34. 그림과 같은 구조물에 수직하중이 100 N이 작용하고 있을 때, AC 및 BC 강선에 발생하는 힘은 몇 N 인가?

- ① 50
- ② 100
- ③ 80
- ④ 57.7
등록된 댓글이 없습니다.
35. 그림과 같은 단면을 가진 단순보 AB에 하중 P가 작용할때 A단에서 0.2m 떨어진 곳의 굽힘응력은 몇 MPa 인가?

- ① 20
- ② 30
- ③ 40
- ④ 50
등록된 댓글이 없습니다.
36. 그림과 같은 원형단면을 가진 연강 봉재가 200 kN의 인장하중을 받아 늘어났을 때, 늘어난 전체길이는 몇 cm인가? (단, 탄성계수 E = 200 GPa 이다.)

- ① 40.068
- ② 40.059
- ③ 40.040
- ④ 40.031
ㅁㅁ2020. 10. 16. 17:54삭제
해설좀 적어주시면 감사하겠습니다
37. 어떤 재료의 탄성계수 E 와 전단탄성계수 G를 알아보았더니 E = 210GPa, G = 83GPa를 얻었다. 이 재료의 포아송비는?
- ① 0.265
- ② 0.115
- ③ 1.0
- ④ 0.435
등록된 댓글이 없습니다.
38. 연강 1㎝3의 무게는 0.0785N이다. 길이 15m의 둥근봉을 매달 때 상단고정부에 발생하는 인장응력은 몇 kPa인가?
- ① 0.118
- ② 1177.5
- ③ 117.8
- ④ 11890
등록된 댓글이 없습니다.
39. 평면응력의 경우 훅의 법칙(Hook's law)을 바르게 나타낸 것은?(단, σx : 수직응력, εx, εy : 변형률, ν :포아송 비, E : 탄성계수 이다.)
- ①

- ②

- ③

- ④

등록된 댓글이 없습니다.
40. 그림과 같이 일단을 고정한 L형보에 표시된 하중이 작용할 때 고정단에서의 굽힘모멘트는?

- ① 300 kNㆍm
- ② 175 kNㆍm
- ③ 105 kNㆍm
- ④ 52.5 kNㆍm
등록된 댓글이 없습니다.
3과목 : 용접야금
41. 용접결함의 일종인 은점은 용착금속의 인장 또는 굴곡 파단면에 생긴다. 이 결합부의 발생원인으로 옳은 것은?
- ① 유황 취화현상
- ② 수소 취화현상
- ③ 인 취화현상
- ④ 산소 취화현상
등록된 댓글이 없습니다.
42. 용접금속이 응고할 때 용융금속 중의 산소와 결합하여 산소 제거 작용을 하는 탈산제는?
- ① 금속망간-형석분말
- ② 티탄철-이산화망간분말
- ③ 규소철-규산칼리분말
- ④ 망간철-알루미늄분말
등록된 댓글이 없습니다.
43. 냉간 가공한 강을 저온으로 뜨임하면, 경화 즉, 변형 시효를 일으키는 경우가 있는데, 이 변형 시효에는 다음 중 어느 원소의 영향을 크게 받는가?
- ① 질소
- ② 산소
- ③ 수소
- ④ 알루미늄
등록된 댓글이 없습니다.
44. 금속의 열간가공과 냉간가공을 구분하는 기준점은?
- ① 자기변태온도
- ② 뜨임온도
- ③ 재결정온도
- ④ 풀림온도
등록된 댓글이 없습니다.
45. 용접비드 부근이 가장 부식되기 쉬운 원인은?
- ① 잔류응력이 많기 때문에
- ② 탄소함량이 많기 때문에
- ③ 소둔효과가 생기기 때문에
- ④ 조직에 변화가 일어나기 때문에
등록된 댓글이 없습니다.
46. 알미늄 용접시 용입을 조절하기 위한 방법 중 옳지 않은 방법은?
- ① 용접전류의 세기를 조절함
- ② 전극봉의 극성을 변화시킴
- ③ 보호가스에 O2를 혼합하여 용접함
- ④ 보호가스에 He가스량을 조절함
등록된 댓글이 없습니다.
47. 주철의 용접이 곤란한 이유에 속하지 않은 것은?
- ① 취성이 있어 부스러지기 쉽기 때문에 용접부 또는 다른 부분에 균열이 생기기 쉽기 때문이다.
- ② 일산화탄소 가스가 발생되어 용착금속에 기공이 생기기 쉽기 때문이다.
- ③ 주철을 용융상태에서 급냉하면 백선화가 되기 때문이다.
- ④ 모재 전체를 먼저 500∼600℃ 정도 고온으로 예열한 후 용접했기 때문이다.
등록된 댓글이 없습니다.
48. 저온 취성(低溫脆性)을 개선하는 데 가장 크게 기여하는 원소는?
- ① 탄소
- ② 망간
- ③ 니켈
- ④ 유황
등록된 댓글이 없습니다.
49. 알루미늄 합금의 열처리법에 해당되지 않는 것은?
- ① 마퀜칭
- ② 용체화 처리
- ③ 인공 시효처리
- ④ 풀림
등록된 댓글이 없습니다.
50. 상온에서 강자성체이며 연성은 크고 인장강도는 작으며 파면이 백색을 띠고 있는 강의 표준조직은?
- ① 페라이트(ferrite)
- ② 펄라이트(pearlite)
- ③ 시멘타이트(cementite)
- ④ 오스테나이트(austenite)
등록된 댓글이 없습니다.
51. 철-탄화철계인 공정조직으로 4.3%C 인 공정성분의 액체가 1130℃에서 응고하여 생기는 조직으로 세립의 오스테나이트와 시멘타이트가 혼합한 조직은?
- ① 펄라이트(Pearlite)
- ② 트루스타이트(Troostite)
- ③ 레데브라이트(Ledeburite)
- ④ 페라이트(Ferrite)
등록된 댓글이 없습니다.
52. 퍼커션 용접(percussion welding)은 다음 중 어느 것에 해당하는가?
- ① 아크 용접
- ② 가스 용접
- ③ 전기 저항용접
- ④ 전자 빔용접
등록된 댓글이 없습니다.
53. 금속결정의 전위 형태가 아닌 것은?
- ① 인상전위
- ② 나선전위
- ③ 굽힘전위
- ④ 혼합전위
등록된 댓글이 없습니다.
54. 다음 중 면심입방 격자로만 된 것은?
- ① Al, Ni, Cu
- ② Pt, Pb, V
- ③ Ag, Au, W
- ④ Mg, Zn, Cd
등록된 댓글이 없습니다.
55. 용접 루트 크랙을 설명하는 것이 아닌 것은?
- ① 맞대기나 필렛용접의 200℃ 이하에서 생기는 저온균열이다.
- ② 용착금속이 냉각되어 수축할 때 일어난다.
- ③ 용접 비드가 클 수록 일어나기 쉽다.
- ④ 용착금속 주위에 노치가 있으면 생기기 쉽다.
등록된 댓글이 없습니다.
56. 가스 용접에서 용제를 사용하지 않아도 되는 것은?
- ① 알루미늄
- ② 구리
- ③ 주철
- ④ 연강
등록된 댓글이 없습니다.
57. 용접화학반응의 설명으로 맞는 것은?
- ① 용접금속 중의 가스성분이 일반의 강재에 비하여 많은 것은 해리 작용이 없기 때문이다.
- ② 용융슬래그를 구성하는 산화물은 염기성, 중성, 산성의 3 종류이다.
- ③ 용접 중의 질소 용해량은 온도에 반비례하여 증가한다.
- ④ 용접 중의 수소 용해량은 온도에 반비례하여 증가한다.
등록된 댓글이 없습니다.
58. 항온 변태 곡선과 관계 없는 것은?
- ① S 곡선
- ② CCT
- ③ nose
- ④ bainite
등록된 댓글이 없습니다.
59. 용접 열영향을 받아도 경화하지 않으나 융접부근에서 가열된 영역은 현저하게 결정이 조대화하고 이때문에 연성, 인성이 떨어지는 스테인레스 강은?
- ① 페라이트계 스테인레스강
- ② 오스테나이트계 스테인레스강
- ③ 마텐사이트계 스테인레스강
- ④ 펄라이트계 스테인레스강
등록된 댓글이 없습니다.
60. 금속재료가 연성파괴에서 취성파괴하는 온도범위를 무엇이라 하는가?
- ① 임계온도
- ② 천이온도
- ③ 층간온도
- ④ 변태온도
등록된 댓글이 없습니다.
4과목 : 용접구조설계
61. 용접부를 해머로 두드리는 피닝 작업의 목적은?
- ① 불순물 제거
- ② 용접부의 응력완화
- ③ 변형교정
- ④ 용접부의 결함부분 제거
등록된 댓글이 없습니다.
62. 노치의 최대 응력을 노치의 공칭 응력으로 나눈 것은?
- ① 응력 집중계수
- ② 노치 계수
- ③ 피로 한도비
- ④ 노치 감도계수
등록된 댓글이 없습니다.
63. 그림과 같이 굽힘과 전단을 받는 불용착부가 있는 T형의 이음에서 거리 L = 120 mm, 하중 P = 5000㎏f이 작용되고 있을 때 용접부에 생기는 최대굽힘응력은 몇 ㎏f/㎜2인가? ( 단, 용접길이 ℓ =240 mm, 판두께 t=36 mm, 홈깊이 h=12mm 이다.)

- ① 1.2
- ② 1201
- ③ 12
- ④ 120
등록된 댓글이 없습니다.
64. 용접설계상 주의사항중 알맞지 않은 것은?
- ① 용접하기에 알맞는 이음 형식을 택해야 한다.
- ② 용접선은 가급적 짧게 하여야 한다.
- ③ 용접한 부분을 한 곳에 모이게 한다.
- ④ 용접하기 쉬운 자세를 한다.
등록된 댓글이 없습니다.
65. 맞대기 용접에서 용접금속 및 모재의 수축에 대하여 용접 전(前)에 반대방향으로 굽혀 놓고 작업하는 용접 교정 방법은?
- ① 억제법
- ② 도열법
- ③ 피닝법
- ④ 역 변형법
등록된 댓글이 없습니다.
66. 다음 그림은 T형 이음인데 인장력과 굽힘작용을 받을 경우 가장 신뢰도가 높은 이음은?
- ①

- ②

- ③

- ④

등록된 댓글이 없습니다.
67. 다음은 용접시의 판상의 온도 분포에 대한 설명이다. 옳지 못한 것은?
- ① 용접열원 부근의 온도는 대단히 높다.
- ② 열원에서 멀어질수록 온도는 낮아지고 있다.
- ③ 열원후방 부근에서는 온도구배가 완만하다.
- ④ 열원전방 부근에서는 온도구배가 완만하다.
등록된 댓글이 없습니다.
68. 그림과 같은 용접부의 목두께는?

- ① ℓ1 + ℓ2 + ℓ3
- ② ℓ1 + ℓ2
- ③ ℓ1 + ℓ3
- ④ ℓ1 + ℓ2 + ℓ3 + ℓ4 + ℓ5
등록된 댓글이 없습니다.
69. 용접부에서 압축응력은 어디에서 일어나는가?
- ① 용접 비드의 끝부분
- ② 용접 비드의 중앙부분
- ③ 열을 가한 부분
- ④ 열을 가한 부분을 둘러싼 주위
등록된 댓글이 없습니다.
70. 열적 구속도 시험이라고도 하며 열의 흐름을 두 방향이나 세 방향으로 하여 비드에 발생하는 균열을 검사하는 시험법은?
- ① CTS 균열시험
- ② Murex 고온균열시험
- ③ Fisco 균열시험
- ④ Lehigh 균열시험
등록된 댓글이 없습니다.
71. 인장압축의 반복하중 30ton이 용접선에 직각방향으로 작용하고,폭이 500㎜인 2개의 강판을 맞대기 용접할 때, 그 강판의 두께는 얼마인가? (단,허용응력 σa = 800kgf/㎝2이다.)
- ① 3.5㎜
- ② 5.5㎜
- ③ 7.5㎜
- ④ 9.5㎜
등록된 댓글이 없습니다.
72. 용접시공시 라멜라 테어의 발생과 가장 관계가 깊은 것은 무엇인가?
- ① 모재 판두께 방향의 인장강도
- ② 모재 판두께 방향의 단면 수축률
- ③ 모재의 충격치
- ④ 용접금속의 인장강도
등록된 댓글이 없습니다.
73. 용접후 변형을 교정하는 방법으로 적당하지 않은 것은?
- ① 얇은 판에 대한 점 수축법
- ② 피닝(peening)법
- ③ 형재에 대한 직선 수축법
- ④ 역변형후 억압법
등록된 댓글이 없습니다.
74. 다음은 용접부의 냉각속도에 대한 설명이다. 옳지 못한 것은?
- ① 후판이 박판보다 냉각속도가 빠르다.
- ② 맞대기 이음보다 T형이음 용접의 경우가 냉각속도가 빠르다.
- ③ 맞대기 이음보다 T형이음 용접의 경우가 냉각속도가 늦다.
- ④ 두꺼운 판을 용접할 때 열은 여러 방향으로 방열되어 냉각속도가 빠르다.
등록된 댓글이 없습니다.
75. 다음 그림과 같은 플러그 용접의 실제 모양을 도시한 것이다. 바르게 기호로 표시한 것은?

- ①

- ②

- ③

- ④

등록된 댓글이 없습니다.
76. 용접시편의 시험에 있어 시편표면에 나타난 결함(균열등)의 길이를 측정하는 시험법은?
- ① 압력시험법
- ② 굴곡시험법
- ③ 피로시험법
- ④ 초음파시험법
등록된 댓글이 없습니다.
77. 그림에서와 같이 웨브와 플랜지의 단면적이 모두 같으나 웨브의 배치를 다르게 했을 때 비틀림 하중에 가장 강한 구조는?
- ①

- ②

- ③

- ④

등록된 댓글이 없습니다.
78. 다음 금속의 용접 중 열전도율이 가장 큰 것은?
- ① 연강
- ② 18 - 8 스텐레스강
- ③ 알루미늄
- ④ 구리
등록된 댓글이 없습니다.
79. 금속의 용접에서 열확산도가 다음중 가장 큰 것은?
- ① W
- ② Cu
- ③ Fe
- ④ Mo
등록된 댓글이 없습니다.
80. 다음은 용접부의 열유동에 대한 설명이다. 옳지 않은 것은?
- ① 용접부의 재질 변화를 알기 위하여 최고 도달온도를 알아야 한다.
- ② 재질변화를 알기 위하여 냉각 속도도 알 필요가 있다.
- ③ 용접부의 재질변화에 예열 온도가 영향을 미친다.
- ④ 용접입열의 크기는 재질변화에 영향이 없다.
등록된 댓글이 없습니다.
5과목 : 용접일반 및 안전관리
81. 브래징(BRAZING) 용접은 저온 용가재를 사용하여 모재를 녹이지 않고 용가재만 녹여 용접을 이행하는 방식인데 섭씨 몇도 이상에서 용접을 이행하는 방법인가?
- ① 350℃
- ② 400℃
- ③ 450℃
- ④ 420℃
등록된 댓글이 없습니다.
82. 용접 화상을 입었을 때 응급조치 중 틀린 것은?
- ① 상처에 로션을 써서는 안된다.
- ② 화상위의 탄옷을 가능한 제거하고 치료한다.
- ③ 물집을 터뜨린다.
- ④ 쇼크방지 치료법을 이용한다.
등록된 댓글이 없습니다.
83. 용접시 전안염(電眼炎)을 일으키는 요인은?
- ① 중독성 가스
- ② 아크 광선
- ③ 스패터링
- ④ 슬랙의 비산(飛散)
등록된 댓글이 없습니다.
84. 용접성시험에 해당되는 것은?
- ① 피로시험
- ② 부식시험
- ③ 파면시험
- ④ 노치취성시험
등록된 댓글이 없습니다.
85. 피복 아크 용접봉 E4340은 다음중 어떤 계통인가?
- ① 특수계
- ② 라임티탄계
- ③ 저수소계
- ④ 철분산화철계
등록된 댓글이 없습니다.
86. 엘렉트로 슬래그 용접에서 전극와이어와 모재사이 전압 E(V),용접전류 I(A)라면 전기저항발생열 Q(㎈ /sec)는?
- ① Q = 1.19EI2
- ② Q = 15EI
- ③ Q = 0.24EI
- ④ Q = 130EI2
등록된 댓글이 없습니다.
87. 어느 용접기의 무부하 전압 80V, 아크 전압 30V, 아크 전류 300A, 내부손실 4㎾라 하면 이 용접기의 역율은?
- ① 약 54.2%
- ② 약 69.3%
- ③ 약 72.4%
- ④ 약 99.5%
등록된 댓글이 없습니다.
88. 용기내의 액화탄산 25㎏은 1분단 20리터씩 방출하여 용접하면 약 몇 시간이나 사용하겠는가?
- ① 10시간 30분
- ② 12시간
- ③ 14시간 20분
- ④ 15시간 15분
등록된 댓글이 없습니다.
89. 용접봉 표시가 알맞게 된 것은?
- ① E4316 : 고산화티탄계
- ② E4301 : 저수소계
- ③ E4303 : 라임티탄계
- ④ E4327 : 철분 산화티탄계
등록된 댓글이 없습니다.
90. 저항 용접중 맞대기로 용접하는 용접법은?
- ① 플래시 용접, 퍼커션 용접
- ② 업셋 용접, 시임 용접
- ③ 점 용접, 퍼커션 용접
- ④ 프로젝션 용접, 점 용접
등록된 댓글이 없습니다.
91. 정격 2차전류 300A,정격사용율 40%의 아크 용접기로 200A의 용접전류를 사용하여 용접하는 경우 용접기 가동 시간이 1시간일때 아크를 발생시킬수 있는 시간은 얼마인가?
- ① 71분
- ② 62분
- ③ 58분
- ④ 54분
등록된 댓글이 없습니다.
92. 교류용접기의 특징이 아닌 것은?
- ① 전류의 방향이 바뀌므로 아크가 불안정하다.
- ② 취급하기 쉽고 고장이 적다.
- ③ 소음이 적다.
- ④ 무부하 전압이 직류보다 낮다.
등록된 댓글이 없습니다.
93. 용접지그(Jig)의 역할 중 틀린것은?
- ① 작업을 용이하게 한다.
- ② 작품을 고정하기 위해서이다.
- ③ 작품치수를 정확하게 한다.
- ④ 용접열응력을 강화한다.
등록된 댓글이 없습니다.
94. 용접봉 중 내균열성이 가장 큰 것은?
- ① 티탄계
- ② 고산화 철계
- ③ 일미나이트계
- ④ 저수소계
등록된 댓글이 없습니다.
95. 용융 용접시공을 할 때, 언더 필(under fill)의 옳은 설명은?
- ① 용접금속과 모재사이의 용해 경계상의 모재가 용해되어 없어진 것
- ② 용접부의 가장자리에서 모재를 용해하지 않고 단지 모재를 덮는 것
- ③ 용가재금속은 용융되었으나 모재가 용융되지 않은 것
- ④ 용접부의 윗면이나 아래면에서 모재의 표면보다 낮게 들어간 것
등록된 댓글이 없습니다.
96. 아크 용접에 속하는 것은?
- ① 단접법
- ② 테르밋 용접
- ③ 업셋 용접
- ④ 원자수소 용접
등록된 댓글이 없습니다.
97. 양호한 절단면을 얻기위한 조건 중 틀린 것은
- ① 드래그가 가능한 클 것
- ② 절단면이 충분히 평활할 것
- ③ 슬래그의 박리성이 양호할 것
- ④ 절단표면의 각이 예리할 것
등록된 댓글이 없습니다.
98. 용접기에서 멀리 떨어져서 작업을 수행할 때 전류의 원격 조정(Remote Control)이 가능한 용접기는?
- ① 가동철심형
- ② 탭전환형
- ③ 가동코일형
- ④ 가포화리액터형
등록된 댓글이 없습니다.
99. 아크전류 150[A],아크전압 25[V]으로, 용접 단위길이당 발생되는 전기적 에너지를 12500 [Joule/cm]로 하고자 할경우 이 용접기의 용접속도는 몇 [cm/min]가 좋은가
- ① 8
- ② 12
- ③ 18
- ④ 22
등록된 댓글이 없습니다.
100. 아크용접이나 절단에 쓰이는 차광유리 규격 중 100A이상 300A 미만의 용접작업을 할 때 다음 중 적당한 것은?
- ① 3∼5번
- ② 6∼8번
- ③ 10∼12번
- ④ 14∼16번
등록된 댓글이 없습니다.