일반기계기사(2003. 5. 25.) 시험일자 : 2003년 5월 25일
1과목 : 재료역학
1. 그림에서 반력 R1의 크기는 몇 N 인가? (단, 점 A는 하중 P의 작용점이다.)

- ① 200
- ② 300
- ③ 400
- ④ 100
등록된 댓글이 없습니다.
2. 2 Hz로 돌고 있는 중실 원형축이 150 ㎾의 동력을 전달해야 된다고 한다. 허용 전단응력이 40 MPa 일 때 요구되는 최소직경은 몇 ㎜ 인가?
- ① 115
- ② 155
- ③ 210
- ④ 265
등록된 댓글이 없습니다.
3. 변형체 내부의 한점이 3차원 응력상태에 있고 σx=25MPa σy=30MPa,τxy=-15MPa 인 평면응력 상태에 있다면, 이 점에서 절대 최대전단 응력의 크기는 몇 MPa 인가?(오류 신고가 접수된 문제입니다. 반드시 정답과 해설을 확인하시기 바랍니다.)
- ① 8.3
- ② 15.2
- ③ 21.4
- ④ 42.7
등록된 댓글이 없습니다.
4. 단면적 A의 중립축에 대한 단면 2차모멘트를 IG, 중립축에서 y 거리만큼 떨어진 평행한 축에 대한 단면 2차모멘트를 I 라고 하면 다음 중 옳은식은?
- ① I=IG - Ay2
- ② IG=I + A2y3
- ③ IG=I - Ay2
- ④ I=IG + Ay3
등록된 댓글이 없습니다.
5. 탄성계수(E)가 200 GPa인 강의 전단탄성계수(G)는? (단, 포아송비는 0.3이다.)
- ① 66.7 GPa
- ② 76.9 GPa
- ③ 100 GPa
- ④ 267 GPa
등록된 댓글이 없습니다.
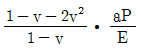
6. 탄성계수 E, 포아송 비 ν, 한변의 길이가 a인 정육면체의 탄성체를 강체인 동일 형태의 구멍에 넣어 압력 P를 가한다. 탄성체와 구멍사이의 마찰을 무시하면 탄성체의 윗면의 변위 δ는?
- ①

- ②

- ③

- ④

등록된 댓글이 없습니다.
7. 그림과 같이 직선적으로 변하는 불균일 분포하중을 받고 있는 단순보의 전단력선도는?

- ①

- ②

- ③

- ④

등록된 댓글이 없습니다.
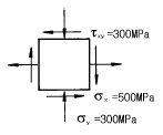
8. 그림과 같은 평면응력 상태에서 최대 주응력은 몇 MPa인가?

- ① 500
- ② 600
- ③ 700
- ④ 800
등록된 댓글이 없습니다.
9. 그림과 같은 보의 중앙점에서의 굽힘모멘트는?

- ① 45 kN·m
- ② 34 kN·m
- ③ 48 kN·m
- ④ 38 kN·m
등록된 댓글이 없습니다.
10. 지름 d=5 mm인 와이어로 제작된 반지름 R=3cm의 코일스프링에 하중 P= 1 kN이 작용할 때, 와이어 단면에 생기는 비틀림 응력은 몇 MPa 인가?

- ① 1222
- ② 1322
- ③ 1832
- ④ 2962
등록된 댓글이 없습니다.
11. 그림의 도심 G의 위치는 Z 축에서 몇 cm 떨어져 있는가?

- ① 4.25
- ② 4.82
- ③ 5.04
- ④ 5.24
등록된 댓글이 없습니다.
12. 재질이 같은 A, B 두 균일 단면의 봉에 인장하중을 작용시켜 변형률을 측정하였더니 었이었다. 봉 B의 단위체적속에 저장되는 탄성에너지는 봉 A의 몇 배 인가?
- ① 4배
- ② 2배
- ③ 1/2배
- ④ 1/4배
등록된 댓글이 없습니다.
13. 길이가 L인 양단 고정보의 중앙점에 집중하중 P가 작용할 때 중앙점의 최대 처짐은? (단, E : 탄성계수, Ⅰ: 단면 2차모멘트)
- ①

- ②

- ③

- ④

등록된 댓글이 없습니다.
14. 그림과 같이 외팔보에 균일분포하중이 전 길이에 걸쳐 작용할 때 자유단의 처짐 δ는 얼마인가? (단,EI:강성계수)

- ①

- ②

- ③

- ④

등록된 댓글이 없습니다.
15. 그림과 같은 돌출보에 집중하중이 A 점에 5 kN과 C 점에 6 kN이 작용하고 있을 때, B 점의 반력은?

- ① 9 kN
- ② 7.5 kN
- ③ 6 kN
- ④ 5 kN
등록된 댓글이 없습니다.
16. 지름 10cm인 연강봉(탄성계수 Es=210 GPa)이 외경 11cm, 내경 10cm인 구리관(탄성계수 Ec=150 GPa)사이에 끼워져 있다. 양단에서 강체평판으로 10kN의 압축하중을 가할 때 연강봉과 구리관에 생기는 응력비 σs/σc의 값은?
- ① 5/6
- ② 5/7
- ③ 6/5
- ④ 7/5
등록된 댓글이 없습니다.
17. 탄성한도내에서 인장력을 받는 강봉의 단위체적당의 변형 에너지의 값을 나타내는 식은? (단, σ는 응력, ν는 포아송의 비, E는 탄성계수이다.)
- ①

- ②

- ③

- ④

등록된 댓글이 없습니다.
18. 삼각형 단면의 밑변과 높이가 bxh=20㎝ x 30㎝일 때 밑변 에 평행하고 도심을 지나는 축에 대한 단면 2차모멘트는?
- ① 22500 cm4
- ② 45000 cm4
- ③ 5000 cm4
- ④ 15000 cm4
등록된 댓글이 없습니다.
19. 인장하중을 받고 있는 부재에서 전단응력 τ 가 수직응력의 1/2이 되는 경사단면의 경사각은?
- ① θ =tan-1(1/2)
- ② θ =tan-1(1)
- ③ θ =tan-1(2)
- ④ θ =tan-1(4)
등록된 댓글이 없습니다.
20. 그림과 같이 재질과 단면이 동일하고 길이가 다른 2개의 외팔보를 자유단에서의 처짐이 동일하게 하는 외력의 비 P1/P2 는?

- ① 0.547
- ② 0.437
- ③ 0.325
- ④ 0.216
등록된 댓글이 없습니다.
2과목 : 기계열역학
21. 증기 동력 시스템에서 이상적인 사이클로 Carnot 사이클을 택하지 않고 Rankine 사이클을 택한 이유는 무엇인가?
- ① 이론적으로 Carnot 사이클을 구성하는 것이 불가능하다.
- ② Rankine 사이클의 효율이 동일한 작동 온도를 갖는 Carnot 사이클의 효율 보다 높다.
- ③ 수증기와 액체가 혼합된 습증기를 효율적으로 압축 하는 펌프를 제작하는 것이 어렵다.
- ④ 보일러에서 열전달 과정을 정온 과정으로 가정하는 것이 타당하지 않다.
등록된 댓글이 없습니다.
22. 밀폐된 실린더 내의 기체를 피스톤으로 압축하여 300kJ의 열이 발생하였다. 압축일량이 400kJ이라면 내부에너지 증가는?
- ① 100 kJ
- ② 300 kJ
- ③ 400 kJ
- ④ 700 kJ
등록된 댓글이 없습니다.
23. 공기 1㎏의 체적 0.85m3로 부터 압력 500 kpa, 온도 300℃로 변화하였다. 체적의 변화는 약 얼마인가? (단, 공기의 기체상수는 0.287 kJ/kg∙K 이다.)
- ① 0.351 m3 증가
- ② 0.331 m3 감소
- ③ 0.521 m3 감소
- ④ 0.561 m3 증가
등록된 댓글이 없습니다.
24. 이론 정적사이클에서 단열압축을 할 때 압축이 시작될 때의 게이지(gage) 압력이 91 kPa이고, 압축이 끝났을 때의 게이지(gage)압력이 1317 kPa라고 하면 이 사이클의 압축 비는? (단, k = 1.4 라 한다.)
- ① 약 4.16
- ② 약 5.24
- ③ 약 5.75
- ④ 약 6.74
등록된 댓글이 없습니다.
25. 이원 냉동 사이클에 대해 맞는 것은?
- ① 고온부와 저온부에 동일한 냉매를 사용한다.
- ② 동일한 압력에서 저온일 때 비체적이 큰 냉매를 저온부에, 비체적이 작은 냉매를 고온부에 충전 한다.
- ③ 이원냉동사이클은 다른 사이클보다 효율이 낮다.
- ④ 이원냉동사이클은 이단압축사이클보다 낮은 온도를 얻을 때 사용한다.
등록된 댓글이 없습니다.
26. 노즐의 출구압력을 감소시키면 질량유량이 증가하다가 어느 압력이상 감소하면 질량유량이 더 이상 증가하지 않는 현상을 무엇이라 하는가?
- ① 초킹(choking)
- ② 초음속
- ③ 단열열낙차
- ④ 충격
등록된 댓글이 없습니다.
27. 수소 1kg이 완전 연소할 때 9kg의 H2O가 생성된다면 최소 산소량은 몇 kg인가?
- ① 1
- ② 2
- ③ 4
- ④ 8
등록된 댓글이 없습니다.
28. 공기 표준 Brayton 사이클에 대한 다음 설명 중 잘못된 것은?
- ① 단순 가스 터빈에 대한 이상 사이클이다.
- ② 열교환기에서의 과정은 등온 과정으로 가정한다.
- ③ 터빈에서의 과정은 가역 단열 팽창 과정으로 가정한다.
- ④ 압축기에서는 터빈에서 생산되는 일의 40% 내지 80%를 소모한다.
등록된 댓글이 없습니다.
29. 523℃의 고열원으로부터 1MW의 열을 받아서 300K의 대기 중으로 600kW의 열을 방출하는 열기관이 있다. 이 열기관의 효율은?
- ① 0.4
- ② 0.43
- ③ 0.6
- ④ 0.625
등록된 댓글이 없습니다.
30. R-12를 작동유체로 사용하는 이상적인 증기압축 냉동사이클이 있다. 이 사이클은 증발기에서 104.08 kJ/kg의 열을 흡수하고, 응축기에서 136.85 kJ/kg의 열을 방출한다고 한다. 이 사이클의 냉방 성적계수는?
- ① 0.31
- ② 1.31
- ③ 3.18
- ④ 4.17
등록된 댓글이 없습니다.
31. 어느 가스 2㎏이 압력 200kPa, 온도 30℃의 상태에서 체적 0.8m3를 점유한다. 이 가스의 가스상수는 약 몇 kJ/kg.K 인가?
- ① 0.264
- ② 0.528
- ③ 2.67
- ④ 2.64
등록된 댓글이 없습니다.
32. 랭킨 사이클에 대한 설명 중 맞는 것은?
- ① 펌프를 통해 엔트로피는 증가하거나 감소한다.
- ② 터빈을 통해 엔트로피는 증가하거나 감소한다.
- ③ 보일러와 응축기를 통한 실제 과정에서 압력강하 때문에 증발온도 및 응축온도가 감소한다.
- ④ 터빈 출구의 건도는 낮을수록 좋다.
등록된 댓글이 없습니다.
33. 엔트로피에 관한 다음 설명 중 맞는 것은?
- ① Clausius 방정식에 들어가는 온도 값은 절대온도(K)와 섭씨온도(℃) 모두를 사용할 수 있다.
- ② 엔트로피는 경로에 따라 값이 다르다.
- ③ 가역과정의 열량은 hs 선도상에서 과정 밑 부분의 면적과 같다.
- ④ 엔트로피 생성항은 항상 양수이다.
등록된 댓글이 없습니다.
34. 0.5 kg의 어느 기체를 압축하는데 15kJ의 일을 필요로 하였다. 이 때 12kJ의 열이 계 밖으로 손실 전달되었다. 내부에너지의 변화는 몇 kJ 인가?
- ① -27
- ② 27
- ③ 3
- ④ -3
등록된 댓글이 없습니다.
35. 온도가 127℃, 압력이 0.5MPa, 비체적 0.4m3/㎏인 이상기체가 같은 압력하에서 비체적이 0.3m3/㎏으로 되었다면 온도는 몇 도로 되겠는가?
- ① 95.25℃
- ② 27℃
- ③ 100℃
- ④ 25.2℃
등록된 댓글이 없습니다.
36. 가역단열펌프에 100kPa, 50℃의 물이 2 kg/s로 들어가 4 MPa로 압축된다. 이 펌프의 소요동력은? (단, 50℃에서 포화액(saturated liquid)의 비체적은 0.001m3/kg이다.)
- ① 3.9 kW
- ② 4.0 kW
- ③ 7.8 kW
- ④ 8.0 kW
등록된 댓글이 없습니다.
37. 속도 250m/s, 온도 30℃ 인 공기의 마하수를 구하면? (단, 공기의 비열비 k = 1.4 라고 한다.)
- ① 0.716
- ② 0.532
- ③ 0.213
- ④ 0.433
등록된 댓글이 없습니다.
38. 단열된 용기안에 이상기체로 온도와 압력이 같은 산소 1kmol과 질소 2 kmol이 얇은 막으로 나뉘어져 있다. 막이터져 두 기체가 혼합될 경우 엔트로피의 변화는?
- ① 변화가 없다.
- ② 증가한다.
- ③ 감소한다.
- ④ 증가한후 감소한다.
등록된 댓글이 없습니다.
39. 50℃, 25℃, 10℃의 온도인 3가지 종류의 액체 A,B,C가 있다. A와 B를 동일중량으로 혼합하면 40℃로 되고, A와 C를 동일중량으로 혼합하면 30℃로된다. B와 C를 동일 중량으로 혼합할 때는 몇℃로 되겠는가?
- ① 16℃
- ② 18.4℃
- ③ 20℃
- ④ 22.5℃
등록된 댓글이 없습니다.
40. 다음 중 바르게 설명한 것은?
- ① 이상기체의 내부에너지는 온도와 압력의 함수이다.
- ② 이상기체의 내부에너지는 온도만의 함수이다.
- ③ 이상기체의 내부에너지는 항상 일정하다.
- ④ 이상기체의 내부에너지는 온도와 무관하다.
등록된 댓글이 없습니다.
3과목 : 기계유체역학
41. 그림과 같은 수문(ABC)에서 A점은 힌지로 연결되어 있다. 수문을 그림과 같은 닫은 상태로 유지하기 위해 필요한 힘(F)는 몇 kN 인가?

- ① 39.2
- ② 52.3
- ③ 58.8
- ④ 78.4
등록된 댓글이 없습니다.
42. 유량 Q가 점성계수 μ, 관직경 D, 압력구배 dP/dx의 함수 일 경우 차원해석을 이용한 관계식은?
- ①

- ②

- ③

- ④

등록된 댓글이 없습니다.
43. 지름 10cm인 원관에 기름(비중=0.85, 동점성계수=1.27x10-4 m2/s)이 0.01 m3/s 의 유량으로 흐르고 있다. 이 때 관마찰계수 f는?
- ① 0.046
- ② 0.064
- ③ 0.080
- ④ 0.120
등록된 댓글이 없습니다.
44. 지름이 20㎝인 관속을 초당 400 N의 물이 흐르고 있다. 관내에서의 평균 속도는 몇 m/s 인가?
- ① 1.3
- ② 130
- ③ 0.13
- ④ 13
등록된 댓글이 없습니다.
45. 골프공의 표면이 요철되어 있는 이유에 대한 설명으로 맞는 것은?
- ① 표면을 경도를 증가시키기 위해서이다.
- ② 무게를 줄이기 위해서이다.
- ③ 전체 유동 저항을 줄이기 위해서이다.
- ④ 박리를 빨리 일으키기 위해서이다.
등록된 댓글이 없습니다.
46. 지름이 15cm인 관에 원유(비중 0.88)가 흐르고 있고 피토-정압관(수은;비중 13.6)에 의하여 4 cm의 높이 차이를 나타냈다면 중심선에서의 유속은 약 몇 m/s 인가? (단, 보정계수(C)는 1 이다.)
- ① 124.14
- ② 10.64
- ③ 3.36
- ④ 6.72
등록된 댓글이 없습니다.
47. 유동방향에 수직으로 놓인 가로 5m, 세로 4m의 직사각형 평판이 정지된 공기중을 10m/s로 운동할 때 필요한 동력 은 몇 kW 인가? (단, 공기의 밀도는 1.23 kg/m3, 정면도 항력계수는 1.1 이다.)
- ① 1.3
- ② 13.5
- ③ 18.1
- ④ 324.1
등록된 댓글이 없습니다.
48. 계기압력(gauge pressure)이란 무엇인가?
- ① 측정위치에서의 대기압을 기준으로 하는 압력
- ② 표준 대기압을 기준으로 하는 압력
- ③ 절대압력 0(영)을 기준으로 하여 측정하는 압력
- ④ 임의의 압력을 기준으로 하는 압력
등록된 댓글이 없습니다.
49. 가역 단열조건하에서 이상기체의 체적탄성계수를 바르게 표현한 것은? (단, k=비열비, ρ=밀도, P=압력)
- ① P/k
- ② kP
- ③ kP/ρ
- ④ ρκ P
등록된 댓글이 없습니다.
50. 공기가 게이지압력 2.06bar의 상태로 지름이 0.15m인 관속을 흐르고 있다. 이 때 대기압은 1.03bar이고 공기 유속이 4m/s라면 질량유량(mass flow rate)을 계산하면 약 몇 kg/s인가? (단, 공기의 온도는 37℃이고, 가스상수는 287.1 J/kg∙K 이며 1bar=105 Pa이다.)
- ① 0.245
- ② 2.45
- ③ 0.026
- ④ 25
등록된 댓글이 없습니다.
51. 안지름 15㎝, 길이 1000m인 수평 직원관속에 물이 매 초50 L로 흐르고 있다. 관마찰계수가 0.02일 때 마찰손실 수두는 몇 m 인가?
- ① 54.4
- ② 48.5
- ③ 86.9
- ④ 38.6
등록된 댓글이 없습니다.
52. 10 L의 액체에 10 MPa의 압력을 가했더니 체적이 9.99 L로 감소하였다. 이 액체의 체적탄성계수 K는?
- ① 10-10 Pa
- ② 107 Pa
- ③ 109 Pa
- ④ 1010 Pa
등록된 댓글이 없습니다.
53. 그림과 같이 비중이 0.83인 기름이 12m/s의 속도로 수직 고정평판에 직각으로 부딪치고 있다. 판에 작용되는 힘 F는 약 몇 N 인가?

- ① 23.5
- ② 28.9
- ③ 288.6
- ④ 234.7
등록된 댓글이 없습니다.
54. 다음 중 음속이 아닌 것은? (단, k=비열비, P=절대압력, ρ=밀도, T=절대온도, E=체적탄성계수, R=기체상수)
- ①

- ②

- ③

- ④

등록된 댓글이 없습니다.
55. 다음 중 물리량의 차원이 틀리게 표시된 것은? (단, F:힘, M:질량, L:길이, T:시간을 의미한다.)
- ① 운동량 : MLT-1
- ② 각운동량 : ML2T-1
- ③ 동력 : FLT-1
- ④ 에너지 : MLT-1
등록된 댓글이 없습니다.
56. 2차원 속도장이 다음과 같이 주어졌을 때 유선의 방정식은 어느 것인가? (여기서 C는 상수이다.)

- ① x2 y = C
- ② x y2 = C
- ③ x y = C
- ④ x/y = C
등록된 댓글이 없습니다.
57. 강제 볼텍스(forced vortex)운동에 대한 설명 중 옳은 것은?
- ① 자유 볼텍스(free vortex)와 반대 방향으로 돈다.
- ② 유체가 고체처럼 회전한다.
- ③ 속도의 크기는 중심으로부터의 거리에 반비례 해서 변한다.
- ④ 순환(circulation)이 "0"이 된다. (Γ= 0)
등록된 댓글이 없습니다.
58. 그림과 같은 평판유동을 완전발달 층류로 가정할때 평균속도는 최대속도의 몇배인가?

- ① 0.5
- ② 0.6
- ③ 0.667
- ④ 0.75
등록된 댓글이 없습니다.
59. 자유 수면하 5 m인 곳에 도심을 가진 폭 2 m, 길이 3 m인 사각 평판이 수면과 30恩 경사지게 길이 방향으로 놓여 있다. 전압력의 작용점의 위치는 수면에서 얼마만한 깊이에 있겠는가?
- ① 5 m
- ② 10 m
- ③ 10.075 m
- ④ 5.0375 m
등록된 댓글이 없습니다.
60. 어떤 밸브의 손실계수가 7, 관의 지름은 5 cm, 관마찰계수가 0.035일 때 밸브에 의한 손실수두에 해당하는 관의 상당길이는 몇 m인가?
- ① 10
- ② 20
- ③ 30
- ④ 40
등록된 댓글이 없습니다.
4과목 : 기계재료 및 유압기기
61. 유체 컨버터의 장점으로 가장 적합한 것은?
- ① 원동기 시동의 경우 반드시 무부하 상태에서 실시한다.
- ② 과부하 때문에 기관이 정지하거나 손상되는 일이 없다.
- ③ 충격력이나 진동을 유체에 의해 완화할 수 없으며, 원동기의 수명 연장에 도움된다.
- ④ 변속을 위하여 클러치가 필요없다.
등록된 댓글이 없습니다.
62. 스프링 강을 숏피닝하면 기계적 성질 중 무엇을 증가시키기 위해서 하는가?
- ① 인장 강도
- ② 연성
- ③ 피로 한도
- ④ 크리프 파단 강도
등록된 댓글이 없습니다.
63. 마텐자이트(martensite)를 400℃ 에서 뜨임(tempering)하면 어떻게 변하는가?
- ① 펄라이트(pearlite)가 된다.
- ② 트루스타이트(troostite)가 된다
- ③ 솔바이트(sorbite)가 된다.
- ④ 오스테나이트(austenite)가 된다.
등록된 댓글이 없습니다.
64. 영구 자석강으로서 갖추어야 할 조건들 중 가장 적당한 것은?
- ① 자기적으로 연하고 잔류자속 밀도와 보자력이 작을것
- ② 자기적으로 경하고 잔류자속 밀도가 크고 보자력이 작을것
- ③ 잔류자속 밀도 및 보자력이 크고 기계적 경도가 클것
- ④ 잔류자속밀도가 작고 보자력이 크고 기계적 경도가 클것
등록된 댓글이 없습니다.
65. 치차 펌프에서 축동력의 증가, 치차의 진동, 공동 현상에 의한 기포발생 등의 원인이 되는 가장 큰 이유는?
- ① 치차의 치선과 케이싱 사이의 간극
- ② 치차의 이의 두께
- ③ 치차의 백래시
- ④ 치차의 표면 가공 불량
등록된 댓글이 없습니다.
66. AI합금의 열처리법이 아닌 것은?
- ① 용체화처리
- ② 인공시효처리
- ③ 풀림
- ④ 노멀라이징
등록된 댓글이 없습니다.
67. 유압 실린더와 병렬로 유량제어 밸브를 설치하고 실린더에 유입되는 유량을 제어하는 속도제어 회로의 방식은?
- ① 미터 인 회로
- ② 미터 아웃 회로
- ③ 블리드 온 회로
- ④ 블리드 오프 회로
등록된 댓글이 없습니다.
68. 유압유의 점도지수(Viscosity index) 설명으로 적합한 것은?
- ① 압력변화에 대한 점도변화의 율을 나타내는 척도이다.
- ② 온도변화에 대한 점도변화의 율을 나타내는 척도이다.
- ③ 공업점도 세이볼트(Saybolt)와 절대 점도 포아스(Poise)와의 비이다.
- ④ 파라핀(Parafin)계 펜실바니아 원유의 함유량을 나타내는 척도이다.
등록된 댓글이 없습니다.
69. 유압 브레이크 장치의 주요 구성 요소가 아닌 것은?
- ① 마스터 롤러
- ② 마스터 실린더
- ③ 브레이크 슈
- ④ 브레이크 드럼
등록된 댓글이 없습니다.
70. 금속의 불균형 상태에서 상율(phase rule)중 자유도가 0이란 뜻은?
- ① 조성과 온도가 고정된 상태이다.
- ② 자유에너지가 없는 상태이다.
- ③ 한조성의 조성이 0%인 상태이다.
- ④ 어떤 조성은 얻을수 없는 상태이다.
등록된 댓글이 없습니다.
71. 강한 주철을 얻기 위해서는 다음과 같은 조건이 필요하다. 틀린 것은?
- ① Si함량을 증가시킨다.
- ② 전탄소량을 적게한다.
- ③ 강도가 허용되는한 흑연의 함유량을 적게한다.
- ④ 흑연의 형상을 미세하고 균일하게 분포시킨다.
등록된 댓글이 없습니다.
72. 오일 탱크의 부속 장치에서 오일 탱크로 돌아오는 오일과 펌프로 가는 오일을 분리시키는 역할을 하는 것은?
- ① 버플
- ② 스트레이너
- ③ 노치 와이어
- ④ 드레인 플러그
등록된 댓글이 없습니다.
73. 작동유의 점성에 관계없이 유량을 조절할 수 있으며, 조정범위가 크고 미세량도 조정 가능한 밸브는?
- ① 서보 밸브(servo valve)
- ② 체크 밸브(check valve)
- ③ 교축 밸브(throttle valve)
- ④ 안전 밸브(safety valve)
등록된 댓글이 없습니다.
74. 크랭킹 압력의 설명으로 다음 중 가장 적합한 것은?
- ① 과도적을 상승한 압력의 최대값
- ② 릴리프 또는 체크밸브에서 압력이 상승하여 밸브가 열리기 시작하는 압력
- ③ 파괴되지 않고 견디어야 하는 시험압력
- ④ 실제로 파괴되는 압력
등록된 댓글이 없습니다.
75. 굴착기에서 송출 압력이 55(㎏/cm2)이고, 송출 유량이 30(ℓ /min)인 펌프의 동력은 약 몇 kW 인가?
- ① 2.1
- ② 2.3
- ③ 2.7
- ④ 2.9
등록된 댓글이 없습니다.
76. 보기와 같은 유압.공기압 도면기호는 무슨 기호인가?

- ① 정용량형 유압 펌프.모터
- ② 공기압 모터
- ③ 가변 용량형 유압 펌프.모터
- ④ 진공 펌프
등록된 댓글이 없습니다.
77. 탄소강의 5대 원소를 나열한 것이다. 옳은 것은?
- ① Fe,C,Ni,Si,Au
- ② Ag,C,Si,Mn,P
- ③ C,Si,Mn,P,S
- ④ Ni,C,Si,Mn,S
등록된 댓글이 없습니다.
78. 탄소강의 표준조직이란?
- ① 담금질(quenching)에 의해서 얻은 조직을 말한다.
- ② 뜨임(tempering)에 의해서 얻은 조직을 말한다.
- ③ 불림(normalizing)에 의해서 얻은 조직을 말한다.
- ④ 서브제로(sub-zero)처리에 의해서 얻은 조직을 말한다.
등록된 댓글이 없습니다.
79. 다음중 시효성 비철합금의 시효열처리 순서로서 맞는 것은?
- ① 담금질 → 용체화 처리 → 시효처리
- ② 용체화처리 → 담금질 → 시효처리
- ③ 시효처리 → 용체화처리 → 담금질
- ④ 담금질 → 시효처리 → 용체화 처리
등록된 댓글이 없습니다.
80. Pearlite에 관한 설명 중 맞는 것은?
- ① 1.7%까지의 탄소가 고용체 Austenite라고도 한다.
- ② 탄소가 6.68%되는 철의 화합물인 시멘타이트로써 금속간 화합물이다.
- ③ 0.86%C의 γ고용체가 723℃에서 분열하여 생긴 Ferrite와 Cementite의 공석 조직이다.
- ④ 1.7% γ고용체와 6.68%의 Cementite와의 공정 조직이다.
등록된 댓글이 없습니다.
5과목 : 기계제작법 및 기계동력학
81. 절연기의 감쇠는 매우 작다고 가정할 때 회전하는 기계에 설치된 절연기를 통하여 기초에 전달하는 힘이 기계에서 발생된 힘보다 작게 되는 경우는? (단, wn : 절연기를 포함한 기계의 고유진동수, w : 기계의 회전진동수)
- ① w < wn
- ② w > wn
- ③ w < √2 wn
- ④ w > √2 wn
등록된 댓글이 없습니다.
82. 다음 계의 시스템 운동방정식은 어느 것인가? (단, 외력이 없다.)

- ①

- ②

- ③

- ④

등록된 댓글이 없습니다.
83. 그림과 같은 진동계의 운동 방정식을 라 놓을때 k는 몇 N/cm 인가?

- ① 300
- ② 150
- ③ 100
- ④ 46.7
등록된 댓글이 없습니다.
84. 원판의 각속도가 5초만에 0부터 1800 rpm까지 일정하게 증가하였다. 이 때 원판의 각가속도는 몇 rad/s2 인가?
- ① 360
- ② 60
- ③ 37.7
- ④ 3.77
등록된 댓글이 없습니다.
85. 다음 재료중에서 가스절단이 가장 곤란한 것은?
- ① 연강
- ② 주철
- ③ 알루미늄
- ④ 고속도강
등록된 댓글이 없습니다.
86. 정원의 호스가 1 m 높이로부터 13 m/s 의 속도로 물을 뿜어내고 있다. H의 최대치는 몇 m 인가? (물은 지면과 수평한 면과 30° 의 각도로 뿜어져 나간다)

- ① 3.32
- ② 3.15
- ③ 3.00
- ④ 2.85
등록된 댓글이 없습니다.
87. 다음 중 힘이 일을 하는 경우는?
- ① 진자가 좌우로 흔들릴 때 물체를 매달고 있는 실의 장력
- ② 자동차가 곡률반경 R로 원운동할 때 자동차에 작용하는 구심마찰력
- ③ 행성이 태양을 중심으로 궤도운동할 때 행성에 작용하는 만유인력
- ④ 배달부가 오토바이를 운전하면서 물건을 수직 방향으로 든 힘
등록된 댓글이 없습니다.
88. 소성 가공의 방법이 아닌 것은?
- ① 컬링 ( curling )
- ② 엠보싱 ( embossing )
- ③ 카핑 ( copying )
- ④ 코이닝 ( coining )
등록된 댓글이 없습니다.
89. 그림에 보인 진동계에서 k/m=6 이라면 계의 고유진동수 (fn)는 몇 Hz 인가?

- ① 0.318
- ② 0.39
- ③ 0.478
- ④ 0.676
등록된 댓글이 없습니다.
90. 두 개의 가는 막대와 원판의 질량은 모두 동일하다. 또 막대의 길이와 원판의 직경은 d 이다. 막대가 수평으로 펼쳐져 있을 때 전체 계는 ω의 각속도로 회전하고 있었다. 만일 내부장치에 의해 두 막대가 수직으로 세워졌을 때 전체 계의 각속도는 얼마인가?

- ① 11/2ω
- ② 11/3ω
- ③ 11/4ω
- ④ 11/5ω
등록된 댓글이 없습니다.
91. 전기 화학가공(전해 가공)의 공작액은?
- ① 변압기유
- ② 산성 수용액
- ③ 터어빈유
- ④ 식염수
등록된 댓글이 없습니다.
92. 단조온도에 대한 설명 중 틀린 것은?
- ① 단조 가공 완료온도는 재결정 온도 근처로 하는 것이 좋다.
- ② 단조 완료 온도가 재결정 온도 이상이면 결정이 미세화 된다.
- ③ 단조온도를 최고 단조온도 보다 높게 하면 산화가 심하다.
- ④ 단조온도가 낮으면 가공경화가 된다.
등록된 댓글이 없습니다.
93. 빌트업 에지가 생기는 것을 방지하기 위한 대책으로 틀린 것은?
- ① 바이트 윗면 경사각을 크게 한다.
- ② 절삭 속도를 크게 한다.
- ③ 윤활성이 좋은 절삭유를 준다.
- ④ 절삭깊이를 극히 크게 한다.
등록된 댓글이 없습니다.
94. 상수도관용 밸브류의 주조용 목형은 다음 중 어느 것이 가장 좋은가?
- ① 조립목형(built - up pattern)
- ② 회전목형(sweeping pattern)
- ③ 골격목형(skeleton pattern)
- ④ 긁기목형(strickle pattern)
등록된 댓글이 없습니다.
95. 압연(rolling)작업에 가장 가까운 것은?
- ① 신선작업(伸線作業)
- ② 전단작업(剪斷作業)
- ③ 딥 드로잉(deep drawing)
- ④ 분괴작업(分塊作業)
등록된 댓글이 없습니다.
96. 버니어 캘리퍼스의 어미자에 새겨진 0.5mm 의 24눈금(12mm)을 아들자에게 25등분할 때, 어미자와 아들자의 1눈금의 차는 얼마인가?
- ① 1/50mm
- ② 1/25mm
- ③ 1/24mm
- ④ 1/20mm
등록된 댓글이 없습니다.
97. 중심 O에 대한 질량관성 모멘트가 Jo이고 반지름 r, 질량 m인 원통의 중심 O에 스프링상수 k인 스프링이 달려있다. 원통이 미끄럼 없이 굴러갈 때 이계의 고유진동수는?

- ①

- ②

- ③

- ④

등록된 댓글이 없습니다.
98. 당구공 A가 10 m/s의 속도로 우측으로 가다가 정지하고 있는 다른 당구공 B와 정면으로 충돌한다. 반발계수가 0.8일 때, 충돌후 두 공의 속도와 방향은?
- ① VA = 1 m/s 우측으로, VB = 9 m/s 우측으로
- ② VA = 0 m/s 우측으로, VB = 8 m/s 우측으로
- ③ VA = 0.5 m/s 우측으로, VB = 4.5 m/s 우측으로
- ④ VA = 0 m/s 우측으로, VB = 4 m/s 우측으로
등록된 댓글이 없습니다.
99. 선반 정밀도의 검사에 필요하지 않는 측정기는?
- ① 테스트 바
- ② 정밀 수준기
- ③ 다이얼 인디케이터
- ④ 진동계
등록된 댓글이 없습니다.
100. 오스테나이트 조직을 굳은 조직인 베이나이트로 변환시키는 항온 변태 열처리법은?
- ① 서브제로
- ② 마르템퍼링
- ③ 오스포밍
- ④ 오스템퍼링
등록된 댓글이 없습니다.