전기공사기사(2014. 9. 20.) 시험일자 : 2014년 9월 20일
1과목 : 전기응용 및 공사재료
1. 전동기의 정격(rate)에 해당되지 않는 것은?
- ① 연속 정격
- ② 단시간 정격
- ③ 중시간 정격
- ④ 반복 정격
등록된 댓글이 없습니다.
2. 전열 방식의 종류 중 전자의 충돌에 의한 가열 방식은?
- ① 아크 가열
- ② 레이저 가열
- ③ 유도 가열
- ④ 전자빔 가열
등록된 댓글이 없습니다.
3. 도통상태(ON 상태)에 있는 SCR을 차단상태(turn off) 상태로 하기위한 적당한 방법은?
- ① 게이트 전류를 차단시킨다.
- ② 양극(애노드) 전압을 음으로 한다.
- ③ 게이트에 역방향 바이어스를 인가시킨다.
- ④ 양극전압을 더 높게 가한다.
등록된 댓글이 없습니다.
4. 유전체 자신을 발열시키는 유전 가열의 특징으로 틀린 것은?
- ① 열이 유전체 손에 의하여 피가열물 자체 내에서 발생한다.
- ② 온도상승 속도가 빠르고 속도가 임의 제어된다.
- ③ 내부발열의 방식인 경우 표면이 과열될 우려가 없다.
- ④ 전 효율이 좋고, 설비비가 저렴하다.
hy2022. 2. 5. 23:42삭제
유전 가열-전자레인지
5. 유도 전동기의 제동법이 아닌 것은?
- ① 발전 제동
- ② 회생 제동
- ③ 역전 제동
- ④ 역상 제동
등록된 댓글이 없습니다.
6. 가공 전차선 지지물 중 강재를 한 개 또는 두 개를 합쳐서 전주의 한쪽으로만 지지하여 설치한 것은 무엇인가?
- ① 고정 브래킷
- ② 고정 빔(Beam)
- ③ 스팬선 빔(Beam)
- ④ 귀 선로
등록된 댓글이 없습니다.
7. 다음 온도계의 동작 원리 중 제벡 효과를 이용한 온도계는?
- ① 저항 온도계
- ② 방사 온도계
- ③ 열전 온도계
- ④ 광 고온계
등록된 댓글이 없습니다.
8. 방사에 의한 열의 발산에 사용되는 단위가 잘못된 것은?
- ① 방사속 : [W]
- ② 방사세기 : [W/m3]
- ③ 방사밀도 : [W/m2]
- ④ 방사조도 : [W/m2]
등록된 댓글이 없습니다.
9. 납축전지의 방전 및 충전 시 화학 반응식으로 옳은 것은?
- ①

- ②

- ③

- ④

등록된 댓글이 없습니다.
10. 20[Ω]의 저항체에 5[A]의 전류를 1시간동안 흘렸을 때 발생되는 총 열량[kcal]은 얼마인가?
- ① 90
- ② 432
- ③ 1800
- ④ 6000
등록된 댓글이 없습니다.
11. 내선 규정에 의한 일반적인 접지 공사의 접지선의 색깔은?
- ① 적색
- ② 청색
- ③ 녹색
- ④ 흑색
등록된 댓글이 없습니다.
12. 접지공사 시 접지저항을 감소시키기 위하여 사용되는 저감제는?
- ① 백필(흑연 분말과 코크스 분말의 혼합물)
- ② 동판 및 동봉
- ③ 가열 왁스
- ④ 아스팔트 마스틱
등록된 댓글이 없습니다.
13. 가공 배전선로 경완금에 현수애자를 장치할 때 사용하는 것으로 이 자재를 사용하면 앵커쇄클과 볼크레비스를 사용하지 않아도 되는 것은?
- ① 볼 쇄클
- ② 소켓아이
- ③ 데드엔드 클램프
- ④ 각암타이
등록된 댓글이 없습니다.
14. 케이블의 약호 중 EE의 품명은?
- ① 미네랄 인슈레이션 케이블
- ② 폴리에틸렌 절연 비닐 시스 케이블
- ③ 형광 방전등용 비닐 전선
- ④ 폴리에틸렌 절연 폴리에틸렌 시스 케이블
hy2022. 2. 5. 23:53삭제
미네랄 인슈레이션 케이블-MI
폴리에틸렌 절연 비닐 시스 케이블-EV
형광 방전등용 비닐 전선-FL
15. 주상 변압기를 전주에 설치하기 위하여 사용하는 금구류는?
- ① 행거 밴드
- ② 지선 밴드
- ③ 볼 아이
- ④ 인류 스트랍
등록된 댓글이 없습니다.
16. 변압기 철심으로 사용하는 전력용 규소강판의 두께는?
- ① 약 0.15mm
- ② 약 0.35mm
- ③ 약 0.55mm
- ④ 약 0.75mm
등록된 댓글이 없습니다.
17. 고율 방전형 연축전지로 단시간 대전류 부하(디젤, 가스터빈, 엔진시동, 엘리베이터 비상조작)용은?
- ① PS형
- ② HS형
- ③ AM형
- ④ AL형
hy2022. 2. 5. 23:57삭제
연축전지의 종류 hs형과 cs형으로 나뉜것중 하나
18. 수변전설비의 인입구 개폐기로 사용되며 부하전류를 개폐할 수 있으나 고장전류를 차단할 수 없으므로 한류 퓨즈와 직렬로 사용되는 것은?
- ① 자동고장 구분 개폐기
- ② 선로 개폐기
- ③ 기중부하 개폐기
- ④ 부하 개폐기
등록된 댓글이 없습니다.
19. 옥외의 빗물의 침입을 막는데 사용하며 금속관 공사의 인입구 관 끝에 사용하는 재료는?
- ① 링리듀서
- ② 서비스 엘보우
- ③ 강제부싱
- ④ 엔트런스 캡
hy2022. 2. 6. 00:01삭제
1-금속관을 박스에 취부할떄 연결구멍이 너무 큰경우
20. 등기구 용량 앞에 특별히 표시할 경우에는 각각의 기호를 표시한다. 다음 중 등기구 종류별 기호가 옳은 것은?
- ① 형광등 : F
- ② 수은등 : N
- ③ 나트륨등 : T
- ④ 메탈 핼라이드 등 : H
hy2022. 2. 6. 00:05삭제
2-H
3-N
4-M
2과목 : 전력공학
21. 3상 3선식 송전선로를 연가 하는 주된 목적은?
- ① 전압 강하를 방지하기 위하여
- ② 송전선을 절약하기 위하여
- ③ 고도를 표시하기 위하여
- ④ 선로 정수를 평형시키기 위하여
등록된 댓글이 없습니다.
22. 과도 안정도 향상 대책이 아닌 것은?
- ① 속응 여자시스템 사용
- ② 빠른 고장 제거
- ③ 큰 임피던스의 변압기 사용
- ④ 송전선로에 직렬 커패시터 사용
등록된 댓글이 없습니다.
23. 발열량 5000 kcal/kg의 석탄을 사용하고 있는 화력발전소가 있다. 이 발전소의 종합 효율이 30%라면, 30억 kWh를 발생하는데 필요한 석탄량은 몇 톤인가?
- ① 300000
- ② 500000
- ③ 860000
- ④ 1720000
등록된 댓글이 없습니다.
24. 전력 계통의 중성점 다중 접지방식의 특성으로 옳은 것은?
- ① 통신선의 유도장해가 적다.
- ② 합성 접지 저항이 매우 높다.
- ③ 건전상의 전위 상승이 매우 높다.
- ④ 지락 보호 계전기의 동작이 확실하다.
등록된 댓글이 없습니다.
25. 4단자 정수가 A, B, C, D인 선로에 임피던스가 ZT인 변압기를 수전단 측에 접속한 계통의 일반 회로정수를 A0, B0, C0, D0라 할 때 D0는 ?
- ① D+CZT
- ② D+AZT
- ③ D+BZT
- ④ D
등록된 댓글이 없습니다.
26. 전력 퓨즈에 대한 설명 중 틀린 것은?
- ① 차단용량이 크다.
- ② 보수가 간단하다.
- ③ 정전용량이 크다.
- ④ 가격이 저렴하다.
등록된 댓글이 없습니다.
27. 3상 결선 변압기의 단상 운전에 의한 소손 방지 목적으로 설치하는 계전기는?
- ① 차동 계전기
- ② 역상 계전기
- ③ 과전류 계전기
- ④ 단락 계전기
등록된 댓글이 없습니다.
28. 3상 1회선과 대지간의 충전전류가 0.3 A/km 일때, 길이가 35km인 선로의 충전전류는 몇 A인가?
- ① 6.1
- ② 10.5
- ③ 14.9
- ④ 18.2
등록된 댓글이 없습니다.
29. 3상 3선식 3각형 배치의 송전선로가 있다. 선로가 연가되어 각 선간의 정전용량은 0.008㎌㎞, 각 선의 대지 정전용량은 0.003㎌/㎞라고 하면 1선의 작용정전용량은 몇 ㎌/㎞ 인가?
- ① 0.003
- ② 0.008
- ③ 0.027
- ④ 0.054
등록된 댓글이 없습니다.
30. 부하 역률이 cosθ인 경우의 배전선로의 전력손실은 같은 크기의 부하전력으로 역률이 1인 경우의 전력손실에 비하여 몇 배인가?
- ①

- ②

- ③ cosθ
- ④ cos2θ
등록된 댓글이 없습니다.
31. 동일 축상에 노즐과 동날개를 번갈아 배치하여 각 노즐에서 전압력을 조금씩 단계적으로 강하시키도록 한 터빈의 형식은?
- ① 반동 터빈
- ② 단식 충동 터빈
- ③ 속도 복식 충동 터빈
- ④ 압력 복식 충동 터빈
등록된 댓글이 없습니다.
32. 피뢰기의 고조는 어떻게 구성되는가?
- ① 특성요소와 소호리액터
- ② 특성요소와 콘덴서
- ③ 소호리액터와 콘덴서
- ④ 특성요소와 직렬갭
등록된 댓글이 없습니다.
33. 동기 조상기에 대한 설명 중 옳은 것은?
- ① 무부하로 운전되는 동기발전기로 역률을 개선한다.
- ② 무부하로 운전되는 동기전동기로 역률을 개선한다.
- ③ 전부하로 운전되는 동기발전기로 위상을 조정한다.
- ④ 전부하로 운전되는 동기전동기로 위상을 조정한다.
등록된 댓글이 없습니다.
34. 다음 중 부하전류의 차단 능력이 없는 전력 개폐 장치는?
- ① 단로기
- ② 가스 차단기
- ③ 유입 개폐기
- ④ 진공 차단기
등록된 댓글이 없습니다.
35. 피뢰기의 충격방전 개시전압은 무엇으로 표시하는가?
- ① 직류전압의 크기
- ② 충격파의 평균치
- ③ 충격파의 최대치
- ④ 충격파의 실효치
등록된 댓글이 없습니다.
36. 고압의 차폐케이블에 지기가 발생할 때, 자동적으로 전로를 차단하기 위하여 지락 차단장치에 케이블 관통형 영상 변류기를 설치할 때 옳은 방법은?
- ① 부하측에 설치할 때 차폐 케이블의 접지선과 일괄하여 관통할 것
- ② 전원측에 설치할 때 차폐 케이블의 접지선과 일괄하여 관통할 것
- ③ 전원측에 설치할 때 차폐 케이블의 접지선을 제외하고 관통할 것
- ④ 부하측에 설치할 때 차폐선과 접지선은 생략할 것
등록된 댓글이 없습니다.
37. 같은 재질, 같은 굵기의 가공선과 지중선의 인덕턴스와 커패시턴스를 비교할 때 올바른 것은?
- ① 가공선은 지중선보다 인덕턴스는 크고, 커패시턴스는 작다.
- ② 가공선은 지중선보다 인덕턴스는 작고, 커패시턴스는 크다.
- ③ 가공선은 지중선보다 인덕턴스와 커패시턴스가 모두 크다.
- ④ 가공선은 지중선보다 인덕턴스와 커패시턴스가 모두 적다.
등록된 댓글이 없습니다.
38. 송전단 전압 161kV, 수전단 전압 155kV, 전력상차각 30°, 리액턴스 50Ω일 때 송전전력은 약 몇 MW인가?
- ① 210
- ② 250
- ③ 370
- ④ 430
등록된 댓글이 없습니다.
39. 가공송전선의 코로나 임계전압에 영향을 미치는 여러 가지 인자에 대한 설명 중 틀린 것은?
- ① 전선표면이 매끈할수록 임계전압이 낮아진다.
- ② 날씨가 흐릴수록 임계전압은 낮아진다.
- ③ 기압이 낮을수록, 온도가 높을수록 임계전압은 낮아진다.
- ④ 전선의 반지름이 클수록 임계전압은 높아진다.
등록된 댓글이 없습니다.
40. 다음 중 환상(루프)방식과 비교할 때 방사상 배전선로 구성 방식에 해당되는 사항은?
- ① 전력 수요 증가 시 간선이나 분기선을 연장하여 쉽게 공급이 가능하다.
- ② 전압 변동 및 전력 손실이 작다.
- ③ 사고 발생 시 다른 간선으로의 전환이 쉽다.
- ④ 환상방식보다 신뢰도가 높은 방식이다.
등록된 댓글이 없습니다.
3과목 : 전기기기
41. 직류기의 전기자 권선법으로 주로 사용되는 것은?
- ① 폐로권, 환상권, 이층권
- ② 폐로권, 고상권, 이층권
- ③ 개로권, 환상권, 단층권
- ④ 개로권, 고상권, 이층권
등록된 댓글이 없습니다.
42. 다음 정류기 중에서 전압 맥동률이 가장 작은 정류기는?
- ① 단상 반파 정류기
- ② 단상 전파 정류기
- ③ 3상 반파 정류기
- ④ 3상 전파 정류기
등록된 댓글이 없습니다.
43. 유도전동기에서 역률이 나빠진 경우는?
- ① 2차 여자기의 전압을 회전자의 전압보다 위상을 90°앞서게 공급한 경우
- ② 동일한 용량의 기계라도 극수가 증가한 경우
- ③ 무부하일 때보다 정격부하인 경우
- ④ 같은 극수라도 권선형보다 농형인 경우
등록된 댓글이 없습니다.
44. 동기 발전기의 자기여자작용은 부하전류의 위상이 다음 중 어느 때 일어나는가?
- ① 역률이 1일때
- ② 지상역률일 때
- ③ 진상역률일 때
- ④ 역률과 무관하다.
등록된 댓글이 없습니다.
45. 손실 중 변압기의 온도상승에 관계가 가장 적은 요소는?
- ① 철손
- ② 동손
- ③ 유전체손
- ④ 와류손
등록된 댓글이 없습니다.
46. 3상 유도전동기에서 동기와트로 표시되는 것은?
- ① 각속도
- ② 토크
- ③ 2차 출력
- ④ 1차 입력
등록된 댓글이 없습니다.
47. 단상 변압기에서 전부하시 2차 단자전압이 115V이고, 전압 변동률이 2[%]이다. 1차 공급전압[V]은 얼마인가? (단, 권선비는 20:1이다.)
- ① 2346
- ② 2356
- ③ 2366
- ④ 2376
등록된 댓글이 없습니다.
48. 직류 분권 전동기의 전압이 일정할 때 부하 토크가 2배로 증가하면 부하전류는 약 몇 배인가?
- ① 4
- ② 3
- ③ 2
- ④ 1
등록된 댓글이 없습니다.
49. m부하 운전시 변압기의 최대효율 운전조건에 해당되지 않는 것은? (단, Pi는 철손, Pc는 동손이다.)
- ① 철손=동손
- ② Pi=m2Pc
- ③ 전손실은 Pi-m2Pc가 된다.
- ④

등록된 댓글이 없습니다.
50. Y결선한 변압기의 2차측에 사이리스터 6개로 결선 3상 전파정류회로를 구성했을 때, 직류 평균 전압은? (단, E는 교류측 상전압 α는 점호제어각이다.)
- ①

- ②

- ③

- ④

등록된 댓글이 없습니다.
51. 동기 전동기의 공급전압, 주파수 및 부하를 일정하게 하고 여자전류를 변화시키면?
- ① 속도가 증가한다.
- ② 전기자 전류가 변한다.
- ③ 토크가 변한다.
- ④ 속도가 감소한다.
등록된 댓글이 없습니다.
52. 제어용 기기에 요구되는 일반적인 조건에 해당되지 않는 것은?
- ① 기동, 정지, 정역회전을 자유로이 할 수 있을 것
- ② 기동시에 전류와 토크를 조정할 수 있을 것
- ③ 회전속도 및 토크를 조정할 수 있을 것
- ④ 경부하를 방지할 수 있을 것
등록된 댓글이 없습니다.
53. 2대의 발전기가 병렬운전되고 있을 때, B기의 원동기의 조속기를 조정하여 B기의 압력을 증가시키면 B기에는?
- ① 90° 진상전류가 흐른다.
- ② 90° 지상전류가 흐른다.
- ③ 부하 전류가 증가한다.
- ④ 부하 전류가 감소한다.
등록된 댓글이 없습니다.
54. 단상반파 정류 회로에서 교류측 공급전압 690sinwt[V], 직류측 부하저항 10Ω일 때 직류측 전압과 전류는?
- ①

- ②

- ③

- ④

등록된 댓글이 없습니다.
55. 변압기 내부의 %저항강하와 %리액턴스 강하가 각각 1.5%, 4%일 때 부하역률 80%(뒤짐)에서의 전압 변동률[%]은?
- ① 1.2
- ② 1.5
- ③ 2.3
- ④ 3.6
등록된 댓글이 없습니다.
56. 단상 유도전동기의 기동법이 아닌 것은?
- ① 분상 기동
- ② Y-△ 기동
- ③ 콘덴서 기동
- ④ 반발 기동
등록된 댓글이 없습니다.
57. 3상 유도전동기에서 2차측 저항을 2배로 하면 그 최대 토크는 어떻게 변하는가?
- ① 3배로 커진다.
- ② √2배로 커진다.
- ③ 2배로 커진다.
- ④ 변하지 않는다.
등록된 댓글이 없습니다.
58. 정류자와 브러시와의 접촉 저항과 전류와의 관계를 나타내는 그래프는?

- ① ①
- ② ②
- ③ ③
- ④ ④
등록된 댓글이 없습니다.
59. 단상 유도전동기의 기동에 브러시를 필요로 하는 것은?
- ① 분상 기동형
- ② 반발 기동형
- ③ 콘덴서 분상 기동형
- ④ 세이딩 코일 기동형
등록된 댓글이 없습니다.
60. 100V를 120V로 승압하는 단권변압기의 자기용량[kVA]은? (단, 부하용량은 6kVA 이다. )
- ① 1
- ② 3.3
- ③ 5
- ④ 10
등록된 댓글이 없습니다.
4과목 : 회로이론 및 제어공학
61. 그림과 같은 3상 Y결선 불평형 회로가 있다. 전원은 3상 평형전압 E1, E2, E3이고 부하는 일 때 전원의 중성점과 부하의 중성점간의 전위차를 나타내는 식은?

- ①

- ②

- ③

- ④

등록된 댓글이 없습니다.
62. 비정현파 전압과 전류가 다음과 같을 때 이 정현파의 전력은 몇 W인가?

- ① 24.212
- ② 12.828
- ③ 8.586
- ④ 6.414
등록된 댓글이 없습니다.
63. 구동함수로 나타낸 임피던스를 부분분수로 전개할 때 K0, K1, K2의 값은?

- ① 0, -2, 3
- ② -2, 6, 3
- ③

- ④

등록된 댓글이 없습니다.
64. 그림과 같은 회로에서 C=100㎌의 콘덴서에 Q0=3×10-2[C]의 전하량이 축적되어 있다. t=0인 순간에 K를 닫은 후 저항 R=5Ω에서 소비되는 총 전력량 [J]은?

- ① 4.5×102
- ② 1.8×104
- ③ 1.8
- ④ 4.5
등록된 댓글이 없습니다.
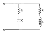
65. 그림의 2단자 회로에서 L=100mH, C=10㎌일 때 주파수에 무관한 정저항 회로가 되려면 저항 R의 크기[Ω]는?

- ① 100
- ② 147
- ③ 236
- ④ 10000
등록된 댓글이 없습니다.
66. 저항 20Ω, 인덕턴스 0.1H인 직렬회로에 60Hz, 110V의 교류 전압이 인가되어 있다. 인덕턴스에 축적되는 자기에너지의 평균값은 약 몇 J인가?
- ① 0.14
- ② 0.33
- ③ 0.75
- ④ 1.45
등록된 댓글이 없습니다.
67. 저항 0.5Ω/km, 인덕턴스가 1μH/㎞, 정전용량 6㎌/㎞ 길이 10km인 송전선로에서 무왜형 선로가 되기 위한 컨덕턴스는?
- ① 1 ℧/㎞
- ② 2 ℧/㎞
- ③ 3 ℧/㎞
- ④ 4 ℧/㎞
등록된 댓글이 없습니다.
68. 코일에 e=211sinwt[V]인 교류전압이 가해졌을 때 오실로스코프에 의하여 전류의 최대값이 10A임을 알 수 있었다. 만일 코일의 내부저항이 10Ω임이 알려져 있었다면 코일의 인덕턴스는 약 몇 mH인가? (단, 주파수는 60Hz이다.)
- ① 39
- ② 49
- ③ 59
- ④ 69
등록된 댓글이 없습니다.
69. RLC 직렬회로에서 부족제동인 경우 감쇠진동의 고유 주파수 f는?
- ① 공진주파수보다 크다.
- ② 공진주파수보다 작다.
- ③ 공진주파수에 관계없이 일정하다.
- ④ 공진주파수와 같다.
등록된 댓글이 없습니다.
70. 대칭 3상 전압이 a상 Va, b상 Vb=a2Va, Vc=aVa일 때 a상을 기준으로 한 대칭분 전압 중 정상분 V1[V]은 어떻게 표시되는가?
- ① 1/3Va
- ② Va
- ③ aVa
- ④ a2Va
등록된 댓글이 없습니다.
71. Nyquist 경로에 포위되는 영역에 특성방정식의 근이 존재하지 않으면 제어계의 상태는?
- ① 안정
- ② 불안정
- ③ 진동
- ④ 발산
등록된 댓글이 없습니다.
72. 개루프 전달함수 인 부궤환 제어계의 특성방정식은?
- ① s2+3s+2=0
- ② s2+4s+3=0
- ③ s2+4s+6=0
- ④ s2+5s+5=0
등록된 댓글이 없습니다.
73. 인 1차 지연요소의 G[dB]는? (단, w=0.1[rad/sec]이다.)
- ① 약 3
- ② 약 -3
- ③ 약 5
- ④ 약 -5
신정철2021. 9. 11. 20:30삭제
이거 답 1번입니다
74. 논리식 를 간략화한 식은?
- ① z
- ② xz
- ③ yz
- ④

등록된 댓글이 없습니다.
75. 전달함수가 으로 표시되는 2차계에서 wn=1, ξ=1인 경우의 단위 임펄스 응답은?
- ① e-t
- ② te-t
- ③ 1-te-t
- ④ 1-e-t
등록된 댓글이 없습니다.
76. 의 역변환은?
- ① 1-e-aT
- ② 1+e-aT
- ③ te-aT
- ④ teaT
등록된 댓글이 없습니다.
77. 특성방정식 에서 감쇠진동을 하는 제동비 의 값은?
- ①

- ②

- ③

- ④

등록된 댓글이 없습니다.
78. 그림과 같은 회로망은 어떤 보상기로 사용될 수 있는가? (단, 11C1인 경우로 한다.)

- ① 지연 보상기
- ② 진지상 보상기
- ③ 진상 보상기
- ④ 지상 보상기
등록된 댓글이 없습니다.
79. 그림과 같은 피드백 회로의 전달함수는?

- ①

- ②

- ③

- ④

등록된 댓글이 없습니다.
80. 온도, 유량, 압력 등 공정제어의 제어량으로 하는 제어는?
- ① 프로세스 제어
- ② 자동 조정
- ③ 서보기구
- ④ 정치제어
등록된 댓글이 없습니다.
5과목 : 전기설비기술기준 및 판단기준
81. 옥내에 시설하는 저압용 배선기구의 시설에 관한 설명 중 잘못된 것은?
- ① 옥내에 시설하는 저압용 배선기구의 충전 부분은 노출되지 않도록 시설한다.
- ② 옥내에 시설하는 저압용 비포장 퓨즈는 불연성으로 제작한 함 내부에 시설하여야 한다.
- ③ 욕실 등 인체가 물에 젖어있는 상태에서 물을 사용하는 장소에서는 인체강전 보호용 누전차단기가 부착된 콘센트를 시설하여야 한다.
- ④ 옥내에서 시설하는 저압용의 배선기구에 전선을 접속하는 경우에는 나사로 고정해서는 안된다.
등록된 댓글이 없습니다.
82. 다음 중 특고압의 전선로로 시설하여서는 안되는 것은?
- ① 터널 안 전선로
- ② 지중 전선로
- ③ 물밑 전선로
- ④ 옥상 전선로
등록된 댓글이 없습니다.
83. 저압 옥내배선의 사용전선으로 단면적이 1mm2 이상인 케이블을 사용한다면 어떤 종류의 케이블을 사용하여야 하는가?
- ① EV 케이블
- ② 미네럴인슈레이션 케이블
- ③ 캡타이어 케이블
- ④ BE 케이블
등록된 댓글이 없습니다.
84. 사용전압이 400V 미만인 저압 가공전선은 케이블인 경우를 제외하고 절연전선인 경우 인장강도 2.3kN 이상의 것 또는 지름 몇 mm 이상의 경동선 이어야 하는가?
- ① 2.6
- ② 3.2
- ③ 4.0
- ④ 6.0
등록된 댓글이 없습니다.
85. 3상 4선식 22.9kV 중성점 다중접지 전로의 절연내력 시험 전압은 최대사용전압의 몇 배의 전압인가?
- ① 0.64
- ② 0.72
- ③ 0.92
- ④ 1.25
등록된 댓글이 없습니다.
86. 옥내의 네온방전등 공사에서 관등회로의 배선을 애자사용 공사에 의하여 시설할 때 그 기술기준으로 틀린 것은?
- ① 전선은 네온 전선일 것
- ② 전선의 지지점간의 거리는 1.5m 이하일 것
- ③ 전선 상호간의 간격은 6cm 이상일 것
- ④ 전선과 조영재 사이의 이격거리는 점검할 수 있는 은폐장소에서 6cm 이상일 것
등록된 댓글이 없습니다.
87. 사용전압이 15kV 이하인 특고압 가공전선로의 중성선 다중접지 및 중성선 시설 시 각 접지선을 중성선으로부터 분리하였을 경우 매 1km마다 중성선과 대지사이의 합성 전기 저항값은 몇 Ω 이하이어야 하는가?
- ① 15
- ② 20
- ③ 25
- ④ 30
등록된 댓글이 없습니다.
88. 가공직류 전차선의 궤조면상의 높이는 특별한 경우를 제외하고 일반적인 경우 몇 m 이상이어야 하는가?
- ① 4.4
- ② 4.8
- ③ 5.2
- ④ 5.8
등록된 댓글이 없습니다.
89. 가공전선로의 지지물에 지선을 사용하여 안전율을 2.5로 한 경우 허용 인장하중은 최저 몇 kN 으로 하는가?
- ① 2.11
- ② 2.91
- ③ 4.31
- ④ 5.81
등록된 댓글이 없습니다.
90. 버스덕트 공사에 의한 저압 옥내 배선의 방법으로 잘못된 것은?
- ① 덕트의 끝 부분은 막는다.
- ② 사용전압이 400V 미만인 경우 덕트에 제 3종 접지공사를 한다.
- ③ 사용전압이 400V 이상인 경우 덕트에 제 2종 접지 공사를한다.
- ④ 덕트를 조영재에 따라 붙이는 경우 덕트의 지지점간 거리는 3m 이하로 한다.
등록된 댓글이 없습니다.
91. 사용전압 154kV의 특고압 가공전선로를 시가지에 시설하는 경우 지표상 몇 m 이상에 시설하여야 하는가?
- ① 7
- ② 8
- ③ 9.44
- ④ 11.44
등록된 댓글이 없습니다.
92. 옥내에 시설하는 사용전압이 400V 미만인 이동전선은 고무코드 또는 0.6/1 kV EP 고무절연 클로르프렌 캡타이어 케이블로서 단면적은 몇 mm2 이상이어야 하는가?
- ① 0.5
- ② 0.75
- ③ 1.0
- ④ 1.5
등록된 댓글이 없습니다.
93. 지중 전선로를 직접 매설식에 의하여 차량 기타 중량물의 압력을 받을 우려가 있는 장소에 시설하는 경우 매설 깊이는 몇 m 이상으로 하여야 하는가?
- ① 1.0
- ② 1.2
- ③ 1.5
- ④ 2.0
등록된 댓글이 없습니다.
94. 가공전선로에 사용하는 지지물의 강도 계산에 적용하는 풍압하중 중병종 풍압하중은 갑종 풍압 하중에 대한 얼마를 기초로 하여 계산한 것인가?
- ① 1/2
- ② 1/3
- ③ 2/3
- ④ 1/4
등록된 댓글이 없습니다.
95. 과전류 차단기로 저압전로에 사용하는 정격전류 30A인 퓨즈를 수평으로 붙인 경우 정격전류의 2배의 전류를 통하였을 때 몇 분안에 용단되어야 하는가?
- ① 2
- ② 4
- ③ 6
- ④ 8
등록된 댓글이 없습니다.
96. 380V 전로에 사용하는 전동기 금속제 외함의 접지 공사는?
- ① 제 1종 접지 공사
- ② 제 2종 접지 공사
- ③ 제 3종 접지 공사
- ④ 특별 제 3종 접지 공사
등록된 댓글이 없습니다.
97. 가공전선로의 지지물에 시설하는 통신선 또는 이에 직접 접속하는 가공 통신선이 철도를 횡단하는 경우에는 레일면상 몇 m 이상으로 설치하여야 하는가?
- ① 4.5
- ② 5.5
- ③ 6.5
- ④ 7.5
등록된 댓글이 없습니다.
98. 전선의 단면적이 55mm2인 경동연선을 사용하고 지지물로 철탑을 사용하는 경우 제 3종 특고압 보안공사에 의하여 시설하는 철탑 경간의 한도는 몇 m인가?(오류 신고가 접수된 문제입니다. 반드시 정답과 해설을 확인하시기 바랍니다.)
- ① 300
- ② 400
- ③ 500
- ④ 600
등록된 댓글이 없습니다.
99. 수소냉각식 발전기에서 수소의 순도가 몇 % 이하로 저하한 경우에 이를 경보하는 장치를 시설하여야 하는가?
- ① 75
- ② 80
- ③ 85
- ④ 90
등록된 댓글이 없습니다.
100. 특고압 전선로에 접속하는 배전용 변압기를 시설하는 경우이다. 변압기의 특고압측에는 일반적인 경우 개폐기와 또한 어떤 것을 시설하여야 하는가?
- ① 과전류 차단기
- ② 방전기
- ③ 계기용 변류기
- ④ 계기용 변압기
등록된 댓글이 없습니다.