전기공사기사(2007. 3. 4.) 시험일자 : 2007년 3월 4일
1과목 : 전기응용 및 공사재료
1. 형광체가 발산하는 복사의 파장은 조사된 복사의 파장보다 항상 길다는 법칙은?
- ① 플랭크의 법칙
- ② 스테판불쯔만의 법칙
- ③ 스토크의 법칙
- ④ 빈의 변위법칙
등록된 댓글이 없습니다.
2. 투과율이 50%인 완전 확산성의 유리를 천장 뒤에서 비추었을 때 바닥에서 본 천장의 휘도가 0.2Sb인 경우 천장 뒤의 유리의 조도는 약 몇 1x인가?
- ① 1256
- ② 2504
- ③ 12560
- ④ 25040
등록된 댓글이 없습니다.
3. 저항가열은 다음 중 어느 것을 이용한 것인가?
- ① 아크손
- ② 유전체손
- ③ 히스테리시스손
- ④ 줄손
등록된 댓글이 없습니다.
4. 양수량 40m3/min 총 양정 13m의 양수펌프용 전동기의 소요출력은 약 몇 kW인가? (단, 펌프의 효율은 80%라 한다.)
- ① 68
- ② 106
- ③ 136
- ④ 212
등록된 댓글이 없습니다.
5. 전지에서 자체 방전 현상이 일어나는 것은 다음 중 어느 것과 가장 관련이 있는가?
- ① 전해액 농도
- ② 전해액 온도
- ③ 이온화 경향
- ④ 불순물
등록된 댓글이 없습니다.
6. SCR의 특징을 설명한 것 중 맞지 않는 것은?
- ① 소형이면서 가볍고 고속동작을 한다.
- ② turn-off 시간 및 순방향 전압 강하는 다이라트론 보다 우수하다.
- ③ 입력신호의 제어로 전류, 출력전압을 제어할 수 있다.
- ④ 제어가 되지 않는다.
등록된 댓글이 없습니다.
7. 다음 중 적외선 가열에 대한 설명으로 틀린 것은?
- ① 조작이 간단하고, 온도조절이 쉽다.
- ② 발열체로는 적외선 전구를 많이 사용하고 있으며, 그 배열이 매우 간단하다.
- ③ 효율이 좋지 않으며, 표면가열이 불가능하다.
- ④ 고온 물체에서 나오는 적외선 조사에 의하여 건조에 필요한 열량을 재료에 주는 것이 적외선 가열이다.
등록된 댓글이 없습니다.
8. 25℃의 물 10L를 그릇에 넣고 2kW의 전열기로 가열하여 물의 온도를 80℃로 올리는데 20분이 소요되었다. 이 전열기의 효율은 약 몇 %인가?
- ① 59.5
- ② 68.8
- ③ 84.9
- ④ 95.9
등록된 댓글이 없습니다.
9. 철도차량이 운행하는 곡선분의 종류가 아닌 것은?
- ① 단곡선
- ② 반향곡선
- ③ 완화곡선
- ④ 복곡선
등록된 댓글이 없습니다.
10. 1000m2의 방에 1000[lm]의 광속을 발산하는 전등10개를 점등하였다. 조명률은 0.5이고 감광 보상률이 1.5라면 이 방의 평균 조도는 약 몇 1x인가?
- ① 3.33
- ② 4.33
- ③ 6.66
- ④ 8.66
등록된 댓글이 없습니다.
11. 다음 중 내선규정에서 정하는 용어의 정의로 틀린 것은?
- ① 애자란 놉애자, 인류애자, 핀애자와 같이 전선을 부착하여 이것을 다른 것과 절연하는 것을 말한다.
- ② 불연성이란 불꽃, 아크 또는 고열에 의하여 착화하기 어렵거나 착화하여도 쉽게 연소하지 않는 성질을 말한다.
- ③ 케이블이란 통신케이블 이외의 케이블 및 캡타이어 케이블을 말한다.
- ④ 전기용품이란 전기설비의 부분이 되거나 또는 여기에 접속하여 사용되는 기계기구 및 재료 등을 말한다.
등록된 댓글이 없습니다.
12. 절연 컴파운드를 사용하는 목적이 아닌 것은?
- ① 자외선으로부터의 도체의 파괴를 방지하기 위하여
- ② 표면을 피복하여 습기를 방지하기 위하여
- ③ 고전압으로 인한 전리를 방지하기 위하여
- ④ 고체 절연의 빈 곳을 메우기 위하여
등록된 댓글이 없습니다.
13. 플로어 덕트 시스템의 졍션박스에 덕트를 접속하지 않는 곳을 막기 위하여 사용되는 것은?
- ① 앤드 플러그
- ② 어댑터
- ③ 블랭크 와셔
- ④ 드릴 와셔
등록된 댓글이 없습니다.
14. 저압 전선로 등의 중성선 또는 접지촉 전선의 식별에서 애자의 빛깔에 의하여 식별하는 경우에는 어떤 색의 애자를 접지측으로 사용하는가?
- ① 청색 애자
- ② 백색 애자
- ③ 황색 애자
- ④ 흑색 애자
등록된 댓글이 없습니다.
15. 효율이 우수하고 안개지역에서 가장 많이 사용되는 조명등은?
- ① 백열등
- ② 나트륨등
- ③ 수은등
- ④ 클리어 전구
등록된 댓글이 없습니다.
16. 다음 절연전선의 종류에서 절연물의 최고 허용온도가 75℃인 전선은 어느 것인가?
- ① 600V 가교 폴리에틸렌 절연전선
- ② 에틸렌프로필렌 고무전선
- ③ 600V 2종 비닐절연전선
- ④ IV전선
등록된 댓글이 없습니다.
17. 다음 중 전력용에 사용되는 SF6Gas에 대한 설명으로 옳은 것은?
- ① Gas 발전기의 연료의 일종이다.
- ② 화력발전소 연소시 발생되는 Gas이다.
- ③ 차단기 등에 사용하는 일종의 기체 절연재료이다.
- ④ 절연유의 부식으로 발생되는 Gas이다.
등록된 댓글이 없습니다.
18. 피뢰를 목적으로 피보호물 전체를 덮은 연속적인 망상 도체(금속판도 포함)는?
- ① 수직 도체
- ② 케이지
- ③ 인하 도체
- ④ 용마루 가설 도체
등록된 댓글이 없습니다.
19. COS를 설치할 때 사용하는 부속 재료가 아닌 것은?
- ① 내장크램프
- ② 브라켓트
- ③ 내오손결합애자
- ④ 퓨즈링크
등록된 댓글이 없습니다.
20. 도전재료 중 전선재료의 일반적인 구비 조건으로 틀린 것은?
- ① 도전율이 작을 것
- ② 인장강도가 비교적 클 것
- ③ 가요성이 풍부할 것
- ④ 내식성이 클 것
등록된 댓글이 없습니다.
2과목 : 전력공학
21. 수력발전소에서 조속기의 작동을 민감하게 하면, 수압상승률 α와 속도상승률 β는 어떻게 변화하는가?
- ① α는 감소하고, β는 증가한다.
- ② α는 증가하고, β는 감소한다.
- ③ α, β 모두 증가한다.
- ④ α, β 모두 감소한다.
등록된 댓글이 없습니다.
22. 다음 중 배전 선로의 손실을 경감하기 위한 대책으로 적절하지 않은 것은?
- ① 전력용 콘덴서 설치
- ② 배전 전압의 승압
- ③ 전류 밀도의 감소와 평형
- ④ 누전 차단기 설치
등록된 댓글이 없습니다.
23. 변전소에서 비접지 선로의 접지보호용으로 사용되는 계전기에 영상전류를 공급하는 것은?
- ① CT
- ② GPT
- ③ ZCT
- ④ PT
등록된 댓글이 없습니다.
24. 전원이 양단에 있는 환상선로의 단락보호에 사용되는 계전기는?
- ① 방향거리계전기
- ② 부족전압계전기
- ③ 선택접지계전기
- ④ 부족전류계전기
등록된 댓글이 없습니다.
25. 전선의 표피효과에 관한 설명으로 옳은 것은?
- ① 전선이 굵을수록, 주파수가 낮을수록 커진다.
- ② 전선이 굵을수록, 주파수가 높을수록 커진다.
- ③ 전선이 가늘수록, 주파수가 낮을수록 커진다.
- ④ 전선이 가늘수록, 주파수가 높을수록 커진다.
등록된 댓글이 없습니다.
26. 60Hz, 154kV, 길이 100km인 3상 송전선로에서 대지 정전용량 Cs = 0.0014 ㎌/km 일 때 1선에 흐르는 충전 전류는 약 몇 A인가?(단, Cm=0.005uF)
- ① 17.8
- ② 30.8
- ③ 34.4
- ④ 53.4
등록된 댓글이 없습니다.
27. 그림과 같은 회로의 영상, 정상, 역상임피던스 Z0,Z1, Z2는?

- ①

- ②

- ③

- ④

등록된 댓글이 없습니다.
28. 반지름 0.6cm인 경동선을 사용하는 3상 1회선 송전선에서 선간거리를 2m로 정삼각형 배치할 경우, 각 선의 인덕턴스는 약 몇 mH/km인가?
- ① 0.81
- ② 1.21
- ③ 1.51
- ④ 1.81
등록된 댓글이 없습니다.
29. 송전선로에 매설지선을 설치하는 주된 목적은?
- ① 직격뢰로부터 송전선을 차폐보호하기 위하여
- ② 철탑 기초의 강도를 보강하기 위하여
- ③ 현수애자 1연의 전압분담을 균일화하기 위하여
- ④ 철탑으로부터 송전선로로의 역섬락을 방지하기 위하여
등록된 댓글이 없습니다.
30. 다음 ( ① ), ( ② ), ( ③ ) 에 알맞은 것은?

- ① ① 원자핵융합, ② 융합, ③ 결합
- ② ① 핵결합, ② 반응, ③ 융합
- ③ ① 핵융합, ② 융합, ③ 핵반응
- ④ ① 핵반응, ② 반응, ③ 결합
등록된 댓글이 없습니다.
31. 원자로의 감속재가 구비하여야 할 사항으로 적합하지 않은 것은?
- ① 중성자의 흡수 단면적이 적을 것
- ② 원자량이 큰 원소일 것
- ③ 중성자와의 충돌 확률이 높을 것
- ④ 감속비가 클 것
등록된 댓글이 없습니다.
32. 경간 200m, 전선의 자체무게 2kg/m, 인장하중 5000kg, 안전율 2인 경우, 전선의 이도(dip)는 몇 m인가?
- ① 2
- ② 4
- ③ 6
- ④ 8
등록된 댓글이 없습니다.
33. 평균유효낙차 48m의 저수지식 발전소에서 1000m3의 저수량은 약 몇 kWh의 전력량에 해당하는가? (단, 수차 및 발전기의 종합효율은 85%라고 한다.)
- ① 111
- ② 122
- ③ 133
- ④ 144
등록된 댓글이 없습니다.
34. 150kVA 단상변압기 3대를 △-△ 결선으로 사용하다가 1대의 고장으로 V - V 결선하여 사용하면 약 몇 kVA 부하까지 걸 수 있겠는가?
- ① 200
- ② 220
- ③ 240
- ④ 260
등록된 댓글이 없습니다.
35. 소호리액터접지의 합조도가 정(+)인 경우에는 어느것과 관련이 있는가?
- ① 공진
- ② 과보상
- ③ 접지저항
- ④ 아크전압
등록된 댓글이 없습니다.
36. 송전계통의 안정도 향상 대책이 아닌 것은?
- ① 계통의 직렬 리액턴스를 증가시킨다.
- ② 전압 변동을 적게 한다.
- ③ 고장시간, 고장전류를 적게 한다.
- ④ 계통분리방식을 적용한다.
등록된 댓글이 없습니다.
37. 유량의 크기를 구분할 때 갈수량이란?
- ① 하천의 수위 중에서 1년을 통하여 355일간 이보다 내려가지 않는 수위 때의 물의 량
- ② 하천의 수위 중에서 1년을 통하여 275일간 이보다 내려가지 않는 수위 때의 물의 량
- ③ 하천의 수위 중에서 1년을 통하여 185일간 이보다 내려가지 않는 수위 때의 물의 량
- ④ 하천의 수위 중에서 1년을 통하여 95일간 이보다 내려가지 않는 수위 때의 물의 량
등록된 댓글이 없습니다.
38. 송전거리, 전력, 손실률 및 역률이 일정하다면 전선의 굵기는?
- ① 전류에 비례한다.
- ② 전압의 제곱에 비례한다.
- ③ 전류에 반비례한다.
- ④ 전압의 제곱에 반비례한다.
등록된 댓글이 없습니다.
39. 이상 전압에 대한 설명 중 옳지 않은 것은?
- ① 송전선로의 개폐 조작에 따른 과도 현상 때문에 발생하는 이상 전압을 개폐 서지라 부른다.
- ② 충격파를 서지라 부르기도 하며 극히 짧은 시간에 파고값에 도달하고 극히 짧은 시간에 소멸한다.
- ③ 일반적으로 선로에 차단기를 투입할 때가 개방할 때보다 더 높은 이상 전압을 발생한다.
- ④ 충격파는 보통 파고값과 파두 길이와 파미 길이로 나타낸다.
등록된 댓글이 없습니다.
40. 화력발전소에서 재열기의 목적은?
- ① 급수 예열
- ② 석탄 건조
- ③ 공기 예열
- ④ 증기 가열
등록된 댓글이 없습니다.
3과목 : 전기기기
41. 동기발전기의 병렬운전에서 한쪽의 계자전류를 증대시켜 유기기전력을 크게 하면 어떻게 되는가?
- ① 무효 순환전류가 흐른다.
- ② 두 발전기의 역률이 모두 낮아진다.
- ③ 주파수가 변화되어 위상각이 달라진다.
- ④ 속도 조정률이 변한다.
등록된 댓글이 없습니다.
42. 3상 직권정류자 전동기의 특성으로 틀린 것은?
- ① 직권성의 변속도 전동기이다.
- ② 토크는 거의 전류의 제곱에 비례하고 기동토크가 크다.
- ③ 역률은 동기속도 이상에서 나빠지며 80% 정도이다.
- ④ 효율은 고속에서는 거의 일정하며 동기속도 근처에에서 가장 좋다.
등록된 댓글이 없습니다.
43. 3상 동기발전기의 여자전류 10A에 대한 단자전압이 1000√3V, 3상 단락전류는 50A이다. 이 때의 동기임피던스는 몇 Ω인가?
- ① 5
- ② 11
- ③ 20
- ④ 34
등록된 댓글이 없습니다.
44. 전압을 일정하게 유지하기 위해서 이용되는 다이오드는?
- ① 전류용 다이오드
- ② 바랙터 다이오드
- ③ 바리스터 다이오드
- ④ 제너 다이오드
등록된 댓글이 없습니다.
45. 50Hz, 슬립 0.2 인 경우의 회전자 속도가 600rpm 일 때 유도전동기의 극수는 몇 극인가?
- ① 6
- ② 8
- ③ 12
- ④ 16
등록된 댓글이 없습니다.
46. 변압기유로 사용되는 절연유에 요구되는 특성이 아닌 것은?
- ① 절연내력이 클 것
- ② 인화점이 높을 것
- ③ 점도가 클 것
- ④ 응고점이 낮을 것
등록된 댓글이 없습니다.
47. 임피던스 전압강하가 5%인 변압기가 운전 중 단락되었을 때 단락전류는 정격전류의 몇 배가 되는가?
- ① 2
- ② 5
- ③ 10
- ④ 20
등록된 댓글이 없습니다.
48. 4극 중권 직류전동기의 전기자 도체수가 160, 1극당 자속수 0.01Wb, 전기자 전류가 100A라면 발생 토크는 약 몇 N·m 인가?
- ① 12.8
- ② 25.5
- ③ 38.4
- ④ 43.2
등록된 댓글이 없습니다.
49. 다음 중 서보모터가 갖추어야 할 조건이 아닌 것은?
- ① 기동토크가 클 것
- ② 토크 - 속도곡선이 수하특성을 가질 것
- ③ 회전자를 굵고 짧게 할 것
- ④ 전압이 0 이 되었을 때 신속하게 정지할 것
등록된 댓글이 없습니다.
50. 변압기의 전압 변동률에 대한 설명 중 잘못된 것은?
- ① 일반적으로 부하변동에 대하여 2차 단자전압의 변동이 작을수록 좋다.
- ② 전부하시와 무부하시의 2차 단자전압이 서로 다른 정도를 표시하는 것이다.
- ③ 전압 변동률은 전등의 광도, 수명, 전동기의 출력 등에 영향을 미치는 중요한 성질이다.
- ④ 인가 전압이 일정한 상태에서 무부하 2차 단자 전압에 반비례한다.
등록된 댓글이 없습니다.
51. 전압 변동률이 작은 동기발전기의 특성으로 옳은 것은?
- ① 동기 리액턴스가 크다.
- ② 전기자 반작용이 크다.
- ③ 속도변동률이 크다.
- ④ 단락비가 크다.
등록된 댓글이 없습니다.
52. 100HP, 600V, 1200rpm 의 직류 분권 전동기가 있다. 분권계자저항이 400Ω, 전기자저항이 0.22Ω 이고 정격부하에서의 효율이 90%일 때 전부하시의 역기전력은 약 몇 V인가?
- ① 550
- ② 570
- ③ 590
- ④ 610
등록된 댓글이 없습니다.
53. 변압기에 컨서베이터를 설치하는 가장 중요한 목적은?
- ① 통풍 장치
- ② 열화 방지
- ③ 코로나 방지
- ④ 강제 순환
등록된 댓글이 없습니다.
54. 부하가 변하면 속도가 현저하게 변하는 직류 전동기는?
- ① 직권 전동기
- ② 분권 전동기
- ③ 차동 복권 전동기
- ④ 가동 복권 전동기
등록된 댓글이 없습니다.
55. 6극 60Hz 3상 동기발전기가 있다. 회전자의 주변속도를 400m/s 이하로 하려면 회전자의 최대 지름은 약 몇 m 로 하여야 하는가?
- ① 4.35
- ② 5.24
- ③ 6.37
- ④ 7.86
등록된 댓글이 없습니다.
56. 3상 전원을 이용하여 2상 전압을 얻고자 할 때 사용하는 결선 방법은?
- ① Scott 결선
- ② Fork 결선
- ③ 환상 결선
- ④ 2중 3각 결선
등록된 댓글이 없습니다.
57. 브러시레스 DC 서보 모터의 특징으로 틀린 것은?
- ① 단위 전류당 발생 토크가 크고 역기전력에 의해 불필요한 에너지를 귀환하므로 효율이 좋다.
- ② 토크 맥동이 작고, 안정된 제어가 용이하다.
- ③ 기계적 시간상수가 크고 응답이 느리다.
- ④ 기계적 접점이 없고 신뢰성이 높다.
등록된 댓글이 없습니다.
58. 다음 단상 유도전동기 중 기동 토크가 가장 큰 것은?
- ① 콘덴서 기동형
- ② 반발 기동형
- ③ 분상 기동형
- ④ 셰이딩 코일형
등록된 댓글이 없습니다.
59. 다음 중 3단자 사이리스터가 아닌 것은?
- ① SCS
- ② SCR
- ③ GTO
- ④ TRIAC
등록된 댓글이 없습니다.
60. 4극, 60Hz의 유도전동기가 슬립 5%로 전부하 운전하고 있을 때 2차 권선의 손실이 94.25W 라고 하면 토크는 약 몇 N·m인가?
- ① 1.02
- ② 2.04
- ③ 10
- ④ 20
등록된 댓글이 없습니다.
4과목 : 회로이론 및 제어공학
61. 20mH의 두 자기인덕턴스가 있다. 결합계수를 0.1부터 0.9 까지 변화시킬 수 있다면 이것을 접속시켜 얻을수 있는 합성 인덕턴스의 최대값과 최소값의 비는 얼마인가?
- ① 9 : 1
- ② 13 : 1
- ③ 16 : 1
- ④ 19 : 1
등록된 댓글이 없습니다.
62. R C 저역 필터회로의 전달함수 G(jw)는 얼마인가? (단, w = 0 이다.)

- ① 0
- ② 0.5
- ③ 0.707
- ④ 1
등록된 댓글이 없습니다.
63. R = 2Ω, L = 10mH, C = 4㎌의 직렬 공진회로의 선택도 Q 값은 얼마인가?
- ① 25
- ② 45
- ③ 65
- ④ 85
등록된 댓글이 없습니다.
64. 대칭 좌표법에서 대칭분을 각 상전압으로 표시한것 중 틀린 것은?
- ①

- ②

- ③

- ④

등록된 댓글이 없습니다.
65. 전압의 순시값이 다음과 같을 때 실효값은 약 몇 V인가?

- ① 11.6
- ② 13.2
- ③ 16.4
- ④ 20.1
등록된 댓글이 없습니다.
66. 전송선로의 특성임피던스가 50Ω이고 부하저항이 150Ω이면 부하에서의 반사계수는 얼마인가?
- ① 0
- ② 0.5
- ③ 0.7
- ④ 1
등록된 댓글이 없습니다.
67. 그림의 회로에서 합성 인덕턴스는?

- ①

- ②

- ③

- ④

등록된 댓글이 없습니다.
68. R-L 직렬회로에서 스위치 S를 닫아 직류전압 E[V]를 회로 양단에 급히 가하면 L/R초 후의 전류값은 약 얼마인가?
- ①

- ②

- ③

- ④

등록된 댓글이 없습니다.
69. 회로에서 7Ω 의 저항 양단의 전압은 몇 V인가?

- ① 7
- ② -7
- ③ 4
- ④ -4
등록된 댓글이 없습니다.
70. 그림과 같은 T형 회로의 임피던스 파라미터 Z11의 값은?

- ① Z3
- ② Z1+Z2
- ③ Z2+Z3
- ④ Z1+Z3
등록된 댓글이 없습니다.
71. 다음 안정도 판별법 중 G(s)H(s)의 극점과 영점이 우반 평면에 있을 경우 판정 불가능한 방법은?
- ① Routh - Hurwitz 판별법
- ② Bode 선도
- ③ Nyquist 판별법
- ④ 근궤적법
등록된 댓글이 없습니다.
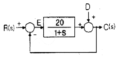
72. 그림과 같은 제어계에서 단위 계단 입력 D 가 인가될 때 외란 D 에 의한 정상편차는 얼마인가?

- ① 20
- ② 21
- ③ 1/10
- ④ 1/21
등록된 댓글이 없습니다.
73. 특성방정식이 S3 + S2 + S = 0 일 때 이 계통은 어떻게 되는가?
- ① 안정한다.
- ② 불안정하다.
- ③ 조건부 안정이다.
- ④ 잉계상태이다.
등록된 댓글이 없습니다.
74. 그림과 같은 블록선도에서 등가 전달함수는?

- ①

- ②

- ③

- ④

등록된 댓글이 없습니다.
75. 함수 f(t) = e-2tcos3t 의 라플라스 변환은?
- ①

- ②

- ③

- ④

등록된 댓글이 없습니다.
76. 그림과 같은 회로망은 어떤 보상기로 사용될 수 있는가?

- ① 지연 보상기
- ② 지‧진상 보상기
- ③ 지상 보상기
- ④ 진상 보상기
등록된 댓글이 없습니다.
77. 자동제어의 추치제어에 속하지 않는 것은?
- ① 프로세스제어
- ② 추종제어
- ③ 비율제어
- ④ 프로그램제어
등록된 댓글이 없습니다.
78. 다음의 상태방정식으로 표시되는 제어계가 있다. 이 방정식의 값은 어떻게 되는가? (단, X(O)는 초기상태 벡터이다.)

- ①

- ②

- ③

- ④

등록된 댓글이 없습니다.
79. 상태방장식 X=AX+BU에서 일 때 고유값은?
- ① -1, -2
- ② 1, 2
- ③ -2, -3
- ④ 2, 3
등록된 댓글이 없습니다.
80. 그림과 같은 논리회로는?

- ① OR 회로
- ② AND 회로
- ③ NOT 회로
- ④ NOR 회로
등록된 댓글이 없습니다.
5과목 : 전기설비기술기준 및 판단기준
81. 가반형의 용접전극을 사용하는 아크용접장치의 시설에 대한 설명으로 옳은 것은?
- ① 용접변압기의 1차측 전로의 대지전압은 600V 이하 일 것
- ② 용접변압기의 1차측 전로에는 리액터를 시설할 것
- ③ 용접변압기는 절연변압기일 것
- ④ 피용접재 또는 이와 전기적으로 접속되는 받침대‧정반 등의 금속체에는 제2종 접지공사를 할 것
등록된 댓글이 없습니다.
82. 수소 냉각식 발전기 등의 시설기준으로 옳지 않은 것은?
- ① 발전기 혹은 조상설비 등의 이상을 조기에 검지하여 경보하는 기능이 있을 것
- ② 수소의 누설 또는 공기의 혼입 우려가 없는 것일 것
- ③ 발전기축의 밀봉부로부터 수소가 누설될 때 누설된 수소를 외부로 방출하지 않을 것
- ④ 수소가 대기압에서 폭발하는 경우에 생기는 압력에 견디는 강도를 가지는 것일 것
등록된 댓글이 없습니다.
83. 전로의 사용전압이 400V 미만이고, 대지전압이 220V 인 옥내전로에서 분기회로의 절연저항 값은 몇 MΩ이상이어야 하는가?
- ① 0.1
- ② 0.2
- ③ 0.4
- ④ 0.5
등록된 댓글이 없습니다.
84. 고압용 차단기 등의 동작시에 아크가 발생하는 기구는 목재의 벽 또는 천장 등 가연성 구조물 등으로부터 몇m 이상 이격하여 시설하여야 하는가?
- ① 1
- ② 1.5
- ③ 2
- ④ 2.5
등록된 댓글이 없습니다.
85. 변전소에 고압용 기계기구를 시가지내에 사람이 쉽게 접촉할 우려가 없도록 시설하는 경우 지표상 몇m 이상의 높이에 시설하여야 하는가? (단, 고압용 기계기구에 부속하는 전선으로는 케이블을 사용한다.)
- ① 4
- ② 4.5
- ③ 5
- ④ 5.5
등록된 댓글이 없습니다.
86. 최대사용전압이 22900V인 3상4선식 중성선 다중접지식 전로와 대지사이의 절연내력 시험전압은 몇 V인가?
- ① 21068
- ② 25229
- ③ 28752
- ④ 32510
등록된 댓글이 없습니다.
87. 사용전압이 400V 미만인 저압 가공전선은 케이블이나 절연전선인 경우를 제외하고 인장강도가 3.43kN 이상인 것 또는 지름이 몇 mm 이상의 경동선이어야 하는가?
- ① 1.2
- ② 2.6
- ③ 3.2
- ④ 4.0
등록된 댓글이 없습니다.
88. 다음 ( )안의 내용으로 옳은 것은?

- ① 정전유도작용 또는 표피작용
- ② 정자유도작용 또는 표피작용
- ③ 정전유도작용 또는 전자유도작용
- ④ 정자유도작용 또는 페란티작용
등록된 댓글이 없습니다.
89. 저압 가공전선 상호간을 접근 또는 교차하여 시설하는 경우 전선 상호간 이격거리 및 하나의 저압 가공전선과 다른 저압 가공전선로의 지지물사이의 이격거리는 각각 몇 cm 이상이어야 하는가? (단, 어느 한 쪽의 전선이 고압 절연전선, 특별고압 절연전선 또는 케이블이 아닌 경우이다.)
- ① 전선 상호간 : 30, 전선과 지지물간 : 30
- ② 전선 상호간 : 30, 전선과 지지물간 : 60
- ③ 전선 상호간 : 60, 전선과 지지물간 : 30
- ④ 전선 상호간 : 60, 전선과 지지물간 : 60
등록된 댓글이 없습니다.
90. 전로의 중성점을 접지하는 목적이 아닌 것은?
- ① 고전압 침입 예방
- ② 이상 시 전위상승 억제
- ③ 보호계전장치 등의 확실한 동작의 확보
- ④ 부하 전류의 경감으로 전선을 절약
등록된 댓글이 없습니다.
91. 다음 중 무선용 안테나 등을 지지하는 철탑의 기초 안전율로 옳은 것은?
- ① 0.92 이상
- ② 1.0 이상
- ③ 1.2 이상
- ④ 1.5 이상
등록된 댓글이 없습니다.
92. 고주파 이용 설비에서 다른 고주파 이용 설비에 누설되는 고주파 전류의 허용 한도는 몇 dB인가? (단, 1mW를 0 dB로 한다.)
- ① 20
- ② -20
- ③ -30
- ④ 30
등록된 댓글이 없습니다.
93. 교류에서 고압의 범위는?
- ① 600V를 초과하고 7000V 이하인 것
- ② 750V를 초과하고 7000V 이하인 것
- ③ 600V를 초과하고 7500V 이하인 것
- ④ 750V를 초과하고 7500V 이하인 것
등록된 댓글이 없습니다.
94. 교류 단선식 전기철도에서 전차선로를 전용 부지안에 시설하고 전차선을 가공방식으로 할 때 사용전압은 몇 V 이하이어야 하는가?
- ① 15000
- ② 20000
- ③ 22000
- ④ 25000
등록된 댓글이 없습니다.
95. 다음 중 접지공사에 대한 설명으로 옳지 않은 것은?
- ① 특별고압 계기용 변성기의 2차측 전로에 제1종 접지공사
- ② 고저압 혼촉에 의한 위험 방지시설로 저압측의 중성점에 제2종 접지공사
- ③ 특별고압에서 고압으로 변성하는 변압기의 고압측 1단자에 시설하는 정전방전기에 특별 제3종 접지공사
- ④ 380V 전동기의 외함에 제3종 접지공사
등록된 댓글이 없습니다.
96. 지중전선로를 직접 매설식에 의하여 시설하는 경우에 차량 등 중량물의 압력을 받을 우려가 있는 장소에는 매설 깊이를 몇 m 이상으로 하여야 하는가?
- ① 0.6
- ② 0.8
- ③ 1.0
- ④ 1.2
등록된 댓글이 없습니다.
97. 지중전선로의 시설에 관한 사항으로 옳은 것은?
- ① 전선은 케이블을 사용하고 관로식, 암거식 또는 직접 매설식에 의하여 시설한다.
- ② 전선은 절연전선을 사용하고 관로식, 암거식 또는 직접 매설식에 의하여 시설한다.
- ③ 전선은 케이블을 사용하고 내화성능이 있는 비닐관에 인입하여 시설한다.
- ④ 전선은 절연전선을 사용하고 내화성능이 있는 비닐관에 인입하여 시설한다.
등록된 댓글이 없습니다.
98. 가공 전선로의 지지물에 시설하는 지선에 관한 사항으로 옳은 것은?
- ① 지선의 안전율은 1.2 이상일 것
- ② 지선에 연선을 사용할 경우에는 소선은 3가닥 이상의 연선일 것
- ③ 소선은 지름 1.2mm 이상인 금속선을 사용한 것일 것
- ④ 도로를 횡단하여 시설하는 지선의 높이는 교통에 지장을 초래할 우려가 없는 경우에는 지표상 2.0m 이상일 것
등록된 댓글이 없습니다.
99. 전력계통의 운용에 관한 지시를 하는 곳은?
- ① 발전소
- ② 변전소
- ③ 개폐소
- ④ 급전소
등록된 댓글이 없습니다.
100. 피뢰기를 반드시 시설하여야 할 곳은?
- ① 전기 수용장소내의 차단기 2차측
- ② 가공전선로와 지중전선로가 접속되는 곳
- ③ 수전용변압기의 2차측
- ④ 경간이 긴 가공전선로
등록된 댓글이 없습니다.