전기공사기사(2002. 3. 10.) 시험일자 : 2002년 3월 10일
1과목 : 전기응용 및 공사재료
1. 2차 전지에서 음극활물질에서 해면상의 Pb, 양극활물질에는 PbO2를 사용하며, 전해액을 묽은 황산액을 사용하는 전지는?
- ① 공기건전지
- ② 리듐전지
- ③ 연축전지
- ④ 연료전지
등록된 댓글이 없습니다.
2. 지중 인입선의 경우, 22[kV-△] 계통에서는 어떤 케이블을 사용하여야 하는가?
- ① N-EV전선
- ② CN-CV케이블
- ③ N-RC전선
- ④ CV케이블
등록된 댓글이 없습니다.
3. 도전재료로서 구비해야 할 조건중 틀린 것은?
- ① 도전률이 작을 것
- ② 인장 강도가 비교적 클 것
- ③ 가요성이 풍부할 것
- ④ 내식성이 클 것
등록된 댓글이 없습니다.
4. 바다 바람에 적합한 전동기의 형식은?
- ① 내수형
- ② 내산형
- ③ 방수형
- ④ 내출형
등록된 댓글이 없습니다.
5. 모노레일등에 주로 사용되고 있는 전차선로의 가신형태는 무엇인가?
- ① 제 3궤조 방식
- ② 가공복선식
- ③ 가공단선식
- ④ 강체복선식
쌍기상2025. 2. 11. 00:40삭제
모노레일-강체복선식...
6. 동일 정격의 다이오드를 병렬로 사용하면?
- ① 역전압을 크게 할 수 있다.
- ② 순방향 전류를 증가시킬 수 있다.
- ③ 전원 변압기를 사용할 수 있다.
- ④ 필터 회로가 필요없게 된다.
등록된 댓글이 없습니다.
7. 후강 전선관의 규격이 아닌 것은?
- ① 104
- ② 100
- ③ 92
- ④ 82
등록된 댓글이 없습니다.
8. 옥내의 건조한 콘크리트 바닥면에 매입하여 사용되며, 사무용 빌딩에 채용되고 있으며 강, 약전율 동시에 배선할 수 있는 2로, 3로 방식도 가능한 덕트는?
- ① 모선덕트
- ② 플로어 덕트
- ③ 케이블 트레이
- ④ 금속덕트
등록된 댓글이 없습니다.
9. 다음 ( )에 맞는 것이 순서대로 된 것은?

- ① 풍량, 풍압, 풍압, 풍량, 회전수
- ② 풍량, 풍압, 풍량, 풍압, 회전수
- ③ 풍압, 풍압, 풍량, 회전수, 풍량
- ④ 풍압, 풍량, 풍량, 회전수, 풍압
등록된 댓글이 없습니다.
10. 광속이 20t3+1[lm]을 120[초]동안 발산되었다면 광원에서 나오는 광량은?(오류 신고가 접수된 문제입니다. 반드시 정답과 해설을 확인하시기 바랍니다.)
- ① 52 [lmㆍh]
- ② 62 [lmㆍh]
- ③ 72 [lmㆍh]
- ④ 82 [lmㆍh]
루2025. 5. 6. 12:28삭제
원본 문제는 120분으로 되어있으며, 계산식의 t가 [s]가 아니고 [h]입니다. 시간단위인 2시간으로 환산하여 계산해야 하는 잘못된 문제이니 풀지 말고 넘어가시기 바랍니다
11. 다음은 전기기기의 절연물의 종류별 최고 허용온도에 대한 규정이다. 잘못된 것은?
- ① Y종 - 90℃
- ② E종 - 120℃
- ③ F종 - 155℃
- ④ C종 - 170℃
등록된 댓글이 없습니다.
12. 전기분해로 제조되는 것은?
- ① 석화질소
- ② 카바이드
- ③ 알루미늄
- ④ 철
등록된 댓글이 없습니다.
13. 계전기류가 아닌 것은?
- ① PF
- ② OCR
- ③ OVR
- ④ GR
등록된 댓글이 없습니다.
14. 금속관공사의 박스내에 전선을 접속할 때 가장 좋은 재료는?
- ① 와이어 커넥터
- ② 코드 커넥터
- ③ S슬리브
- ④ 컬 플러그
등록된 댓글이 없습니다.
15. 전해조 등에서 사용되는 공업용 전극으로 구비해야 할 조건 중 틀린 것은?
- ① 전극 자체의 전기저항이 작을 것
- ② 전기화학적으로 안정하여 내식성을 가질 것
- ③ 목적으로 하는 반응에 대하여 촉매활성이 높다.
- ④ 항장력 등의 구조 강도가 작을 것
등록된 댓글이 없습니다.
16. 발열체의 구비조건 중 잘못된 것은?
- ① 내열성이 클 것
- ② 내식성이 클 것
- ③ 가공이 용이할 것
- ④ 저항률이 비교적 작고 온도계수가 높을 것
등록된 댓글이 없습니다.
17. 천정면을 여러 형태로 오려내고 다양한 형태의 매입기구를 취부하며, 높은 천정의 은행, 영업실, 대형홀, 백화점 1층 등에 쓰이는 조명은?
- ① 밸런스 조명
- ② 코브 조명
- ③ 루버 조명
- ④ 코퍼 조명
등록된 댓글이 없습니다.
18. 평균 구면광도 100[cd]의 전구 6[개]를 직경 10[m]의 원형 실내에 점등하였다.조명율을 0.5, 감광보상율을 1.5라 하면 실내 평균조도는 몇 [lux]인가?
- ① 25
- ② 32
- ③ 40
- ④ 50
등록된 댓글이 없습니다.
19. 송배전용 전기철도용의 전선로 및 발변전소와 통신선로의 인류용으로 사용하며, 또한 자기에 주철재의 캡과 강철재의 핀 또는 틀을 끼워 양질의 시멘트를 점착시킨 것으로 사용 전압에 따라 적당한 개수를 연결하여 사용하고 있고 지름은 대략 254[mm], 191[mm]가 있다.어떤 애자인가?
- ① 핀애자
- ② 지지애자
- ③ 현수애자
- ④ 경간애자
등록된 댓글이 없습니다.
20. 특별고압 가공 전선로의 장주에 사용되는 완금의 표준규격[mm]이 아닌 것은?
- ① 1400
- ② 1800
- ③ 2400
- ④ 2700
등록된 댓글이 없습니다.
2과목 : 전력공학
21. 그림과 같이 정수가 서로 같은 평행 2회선 송전선로의 4단자 정수중 B에 해당되는 것은?

- ① 2B1
- ② 4B1
- ③

- ④

등록된 댓글이 없습니다.
22. 송전선로 고장시 대칭좌표면에 의해 해석할 때 정상 및 역상임피던스가 필요한 경우는?
- ① 선간 단락고장
- ② 1선 접지고장
- ③ 1선 단선고장
- ④ 3선 단선고장
등록된 댓글이 없습니다.
23. 고압 폐쇄 배전반에 수납할 수 없는 차단기는?(오류 신고가 접수된 문제입니다. 반드시 정답과 해설을 확인하시기 바랍니다.)
- ① 유입차단기(OCB)
- ② 자기차단기 (MBB)
- ③ 공기차단기(ABB)
- ④ 진공차단기(VCB)
등록된 댓글이 없습니다.
24. 우라늄 235의 1kg이 핵분열을 일으킨다고 하면 약 몇 kWh의 전력량에 해당 하는가? (단, 우라늄 235가 중성자에 의해서 핵분열하는 경우에 그 잘량의 1/1100이 에너지로 변하는 것으로 한다.)
- ① 2.28×106
- ② 2.28×107
- ③ 2.58×1010
- ④ 2.58×1011
등록된 댓글이 없습니다.
25. 트랜지스터 계전기의 설명 중 틀린 것은?
- ① 가동부분이 없으므로 보수가 용이하다.
- ② 동작이 고속이고 정정치(setting value)부근에서도 그 값이 변하지 않는다.
- ③ 접점 빈조의 문제가 없다.
- ④ CT의 부담은 크다. PT의 부담이 작으므로 PT의 오차가 낮게 된다.
등록된 댓글이 없습니다.
26. 석탄연소 화력발전소에서 사용되는 접진장치의 효율이 가장 큰 것은?
- ① 전기식집진기
- ② 수세식집진기
- ③ 원심력식 집진장치
- ④ 직렬 결합식 집진장치
등록된 댓글이 없습니다.
27. 그림과 같이 A, B양 지점에 각각 I1, I2의 집중 부하가 있고, 양단의 전압강하를 모두 균등하게 할 때 전선이 가장 경제적으로 되는 급전점 P는 A점으로부터 몇 km인가?

- ① 2.55
- ② 3.75
- ③ 5.45
- ④ 6.25
등록된 댓글이 없습니다.
28. 그림과 같은 회로의 영상임피던스는?

- ①

- ②

- ③

- ④

등록된 댓글이 없습니다.
29. 직접 접지방식에 대한 설명 중 옳지 않은 것은?
- ① 이상전압 발생의 우려가 없다.
- ② 계통의 절연수준이 낮아지므로 경제적이다.
- ③ 변압기의 단절연이 가능하다.
- ④ 보호계전기가 신속히 동작하므로 과도안정도가 좋다.
등록된 댓글이 없습니다.
30. 어떤 공장의 소모전력이 100[kW]이며, 이 부하의 역률이 0.6일 때, 역률을 0.9로 개선하기 위한 전력용 콘덴서의 용량은 약 몇 kVA인가?
- ① 30
- ② 60
- ③ 85
- ④ 90
등록된 댓글이 없습니다.
31. 동기조상기(A)와 전력용콘덴서(B)를 비교한 것으로 옳은 것은?
- ① 조정 : A는 계단적, B는 연속적
- ② 전력손실 : A가 B보다 적음
- ③ 무효전력 : A는 진상, 지상임용, B는 진상용
- ④ 시승전 : A는 불가능, B는 가능
등록된 댓글이 없습니다.
32. 송전선로의 특성임피던스를 Z[Ω], 전파정수를 α라 할 때 [lx]이 선로의 직렬임피던스는 어떻게 표현되는가?
- ① Zα
- ② Z/α
- ③ α/Z
- ④ 1/Zα
등록된 댓글이 없습니다.
33. 240mm2, 강심알루미늄연선의 20℃에서 1km당 저항은 0.120Ω이다. 이 전선의 50℃에서의 저항은 몇 Ω 인가? (단, 30℃에서의 저항온도계수는 0.00385이다.)
- ① 0.124
- ② 0.134
- ③ 0.152
- ④ 0.212
등록된 댓글이 없습니다.
34. 단상변압기 3대를 △결선으로 운전하던 중 1대의 고장으로 V결선할 경우 V결선과 △결선의 출력비는 몇 %인가?
- ① 52.2
- ② 57.7
- ③ 66.6
- ④ 86.6
등록된 댓글이 없습니다.
35. 가공선 계통은 지중선 계통보다 인덕턴스 및 정전용량이 어떠한가?
- ① 인덕턴스, 정전용량이 모두 작다.
- ② 인덕턴스, 정전용량이 모두 크다.
- ③ 인덕턴스는 크고, 정전용량은 작다.
- ④ 인덕턴스는 작고, 정전용량은 크다.
등록된 댓글이 없습니다.
36. 3상 송전선로와 통신선이 병행되어 있는 경우에 통신 유도장해로서 통신선에 유도되는 정전유도전압은?
- ① 통신선의 길이에 비례한다.
- ② 통신선의 길이의 자승에 비례한다.
- ③ 통신선의 길이에 반비례한다.
- ④ 통신선의 길이와는 관계가 없다.
등록된 댓글이 없습니다.
37. 기준용량 P[kVA], V[kV]일 때% 임피던스값이 ZP인 것을 기준용량 P1[kVA], V1[kV]로 기준값을 변환하면 새로운 기준값에 대한 %임피던스 값은?
- ①

- ②

- ③

- ④

등록된 댓글이 없습니다.
38. 기초와 압입의 암반이 양호한 협곡에 적합한 댐은?
- ① 중력댐
- ② 사력댐
- ③ 아치댐
- ④ 중공댐
등록된 댓글이 없습니다.
39. 현재 널리 사용되고 있는 GCB(Gas Circult Breaker) 용 가스는?
- ① SF6 가스
- ② 알곤가스
- ③ 네온가스
- ④ N2 가스
등록된 댓글이 없습니다.
40. 중성점 고저항접지방식의 평행 2회선 송전선로의 지락 사고의 차단에 사용되는 계전기는?
- ① 선택접지계전기
- ② 역상계전기
- ③ 거리계전기
- ④ 과부하계전기
등록된 댓글이 없습니다.
3과목 : 전기기기
41. 콘덴서 전동기의 특징이 아닌 것은?
- ① 소음 증가
- ② 역률 양호
- ③ 효율 양호
- ④ 진동 감소
등록된 댓글이 없습니다.
42. 직류 분권발전기의 무부하 특성시험을 할 때, 계자저항기의 저항을 증감하여 무부하 전압을 증감시키면 어느 값에 도달하면 전압을 안정하게 유지할 수 없다. 그 이유는?
- ① 전압계 및 전류계의 고장
- ② 전류자기의 부족
- ③ 임계저항치로 되있기 때문에
- ④ 계자저항기의 고장
등록된 댓글이 없습니다.
43. 그림과 같은 회로에서 Q1에 역 바이어스가 걸리는 시간을 나타낸 식은?

- ① 0.693 CO/R [sec]
- ② 0.693 R/CO [sec]
- ③ RCO [sec]
- ④ 0.693 RCO [sec]
등록된 댓글이 없습니다.
44. 단상브리지 전파정류회로의 저항부하의 전압이 100[V]이면 전원전압 [V]는?
- ① 111
- ② 141
- ③ 100
- ④ 90
등록된 댓글이 없습니다.
45. 1차 전압 6600[V], 2차 전압 220[V], 주파수60[Hz], 1차 권수 1000[회]의 변압기가 있다.최대 자속 [Wb]은?
- ① 0.020
- ② 0.025
- ③ 0.030
- ④ 0.032
등록된 댓글이 없습니다.
46. 직류 전동기의 속도 제어법에서 정출력 제어에 속하는 것은?
- ① 전압 제어법
- ② 계자 제어법
- ③ 워드 레오나드 제어법
- ④ 전기자 저항 제어법
등록된 댓글이 없습니다.
47. 16극과 8극의 유도 전동기를 병렬 종속접속법으로 속도 제어할 때, 전원주파수가 60Hz인 경우 무부하속도 n0는?
- ① 600[rpm]
- ② 900[rpm]
- ③ 300[rpm]
- ④ 450[rpm]
등록된 댓글이 없습니다.
48. 단상 직권 정류자 전동기에서 주자속의 최대치를 øm, 자극수를 p, 전기자 병렬 회로수를 a, 전기자 전도체수를 Z, 전기자의 속도를 N[rpm]이라 하면 속도 기전력의 실효값 Er[V]은? (단, 주자속은 정현파이다.)
- ①

- ②

- ③

- ④

등록된 댓글이 없습니다.
49. 변압비 10 : 1 의 단상 변압기 3대를 Y-△를 접속하여 2차측에 200[V], 75[kVA]의 3상 평형부하를 걸었을 때 1차측에 흐르는 전류는 몇 [A]인가?
- ① 10.5
- ② 11.0
- ③ 12.5
- ④ 13.5
등록된 댓글이 없습니다.
50. 동기 전동기의 전기자 반작용에서 전압과 동상인 전류의 주자극율?
- ① 감지한다.
- ② 중지한다.
- ③ 교차 자화한다.
- ④ 아무런 자화현상도 없다.
등록된 댓글이 없습니다.
51. 단상 유도 전압 조정기에서 1차 전원 전압을 V1이라 하고 2차의 유도 전압을 E2라고 할 때 부하 단자전압을 연속적으로 가변할 수 있는 조정 단위는?
- ① 0~V1까지
- ② V1+E2까지
- ③ V1~E2까지
- ④ V1+E2에서 V1~E2까지
등록된 댓글이 없습니다.
52. 단상 전파 정류회로에서 저항부하설 때의 맥동률 V는?
- ① 0.45[%]
- ② 0.17[%]
- ③ 17[%]
- ④ 48[%]
등록된 댓글이 없습니다.
53. 50[kW]를 소비하는 동기전동기가 역률 0.8의 부하 200[kW]와 병렬로 접속되고 있을 때 합성부하에 0.9의 역률을 가지게 하려면 전동기의 진상 무효전력 [kVar]은?
- ① 18
- ② 28
- ③ 38
- ④ 45
등록된 댓글이 없습니다.
54. 보통 농형에 비하여 2종 농형 전동기의 특징인 것은?
- ① 최대 토크가 크다.
- ② 손실이 적다.
- ③ 기동 토크가 크다.
- ④ 슬립이 크다.
등록된 댓글이 없습니다.
55. 1차 전압 200[V], 2차 전압 220[V], 선로출력 100[kVA]의 단권변압기의 자기용량[kVA]은?
- ① 약 40
- ② 약 30
- ③ 약 20
- ④ 약 9
등록된 댓글이 없습니다.
56. 농형 유도 전동기의 기동법이 아닌 것은?
- ① 2차 저항 기동법
- ② Y -△ 기동법
- ③ 전전압 기동법
- ④ 기동보상기법
등록된 댓글이 없습니다.
57. 동기전동기의 제동권선의 효과는?
- ① 정지시간의 단축
- ② 토크의 증가
- ③ 기동토크의 발생
- ④ 과부하 내량의 증가
등록된 댓글이 없습니다.
58. 정격속도에 비하여 기동 회전력이 가장 큰 전동기는?
- ① 타여자기
- ② 직권기
- ③ 분권기
- ④ 복권기
등록된 댓글이 없습니다.
59. 1차 전압 6600[V], 권수비 30인 단상 변압기로 전등부하에 20[A]를 공급할 때의 압력[kW]은? (단, 변압기의 손실은 무시한다.)
- ① 4.4
- ② 5.5
- ③ 6.6
- ④ 7.7
등록된 댓글이 없습니다.
60. 3상 동기발전기를 병렬운전 시키는 경우 고려하지 않아도 되는 조건은?
- ① 기전력의 파형이 같을 것
- ② 기전력의 주파수가 같을 것
- ③ 회전수가 같을 것
- ④ 기전력의 크기가 같을 것
등록된 댓글이 없습니다.
4과목 : 회로이론 및 제어공학
61. 다음과 같은 [s]의 초기값 i(0+)가 바르게 구해진 것은?

- ① 2/5
- ② 1/5
- ③ 2
- ④ -2
등록된 댓글이 없습니다.
62. 2차 제어계에서 최대 오버 슈트(over shoot)가 일어나는 시간 tP, 고유진동수 ωn, 감쇠율 δ사이에는 어떤 관계가 있는가?
- ①

- ②

- ③

- ④

등록된 댓글이 없습니다.
63. 선로의 단위길이당 분포 인덕턴스, 저항, 정전용량, 누설 콘덕턴스를 각각 L, R, C, G라 하면 전파정수는?
- ①

- ②

- ③

- ④

등록된 댓글이 없습니다.
64. 대칭 좌표법을 이용하여 3상 회로의 각 상전압을 다음과 같이 쓴다. 이와 같이 표시될 때 정상분 전압 Va1표시를 올바르게 계산한 것은? (상순은 이다.)

- ①

- ②

- ③

- ④

등록된 댓글이 없습니다.
65. 회로망의 전달함수 를 구하면 어떻게 되는가?

- ①

- ②

- ③

- ④

등록된 댓글이 없습니다.
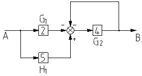
66. 그림의 블록선도에서 전달함수로 표시한 B/A 값은?

- ① 12/5
- ② 16/5
- ③ 20/5
- ④ 28/5
등록된 댓글이 없습니다.
67. 그림과 같은 회로에서 시각 t = 0에서 스위치를 갑자기 닫은 후 전류 i가 0에서 정상 전류의 63.2[%]에 달하는 시간 [sec]를 구하면?

- ① LR
- ② 1/LR
- ③ L/R
- ④ R/L
등록된 댓글이 없습니다.
68. 다음 용어 설명중 옳지 않은 것은?
- ① 목표값을 제어할 수 있는 신호로 변환하는 장치를 기준 입력 장치
- ② 기준입력 신호를 받는 장치를 조절부
- ③ 제어량을 설정값과 비교하여 오차를 계산하는 장치를 오차 검출기
- ④ 제어량을 측정하는 장치를 검출단
등록된 댓글이 없습니다.
69. 어떤 회로에서 유효전력 80[W], 무효전력 60[Var]일 때 역률은 몇 [%]인가?
- ① 100
- ② 95
- ③ 90
- ④ 80
등록된 댓글이 없습니다.
70. 논리식 를 간단히 계산한 결과는?
- ①

- ②

- ③

- ④

등록된 댓글이 없습니다.
71. 전달함수가 인 시스템에 대하여 특성방정식의 나이퀴스트 선도를 그리려 한다. 다음 중 나이퀴스트 선도를 그리기 위한 루우프 전달함수는?
- ①

- ②

- ③

- ④

등록된 댓글이 없습니다.
72. 어떤 제어계의 임펄스 응답이 sin2t 이면 이 제어계의 전달함수는?
- ①

- ②

- ③

- ④

등록된 댓글이 없습니다.
73. 어떤 선형 시불변계의 상태방정식이 다음과 같다. (단, , x(t) = Ax(t) + Bu(t)) 상태천이 행렬 ø(t)는?
- ①

- ②

- ③

- ④

등록된 댓글이 없습니다.
74. 다음 안정도 판별법 중 루프 전달함수의 극점과 영점이평면의 우반 평면에 있을 경우 판정할 수 없는 방법은?
- ① 보드선도 판별법
- ② 근궤적법
- ③ 고유값 분석법
- ④ 나이퀴스트 판별법
등록된 댓글이 없습니다.
75. 그림과 같은 이상 변압기의 4단자 정수 A, B, C, D는 어떻게 표시되는가?

- ① n, 0, 0, 1/n
- ② 1/n, 0, 0, 1-n
- ③ 1/n, 0, 0, n
- ④ n, 0, 1, 1/n
등록된 댓글이 없습니다.
76. PD조절기의 전달함수 GD(S) = 1.02 + 0.002S의 영점은?
- ① -510
- ② -1020
- ③ 510
- ④ 1020
등록된 댓글이 없습니다.
77. 전압 200[V], 전류 30[A]로서 4.8[kW]의 전력을 소비하는 회로의 리액턴스 [Ω]는?
- ① 6.6
- ② 5.3
- ③ 4.0
- ④ 3.3
등록된 댓글이 없습니다.
78. 어떤 회로에 전압을 115[V]를 인가하였더니 유효전력이 230[W], 무효전력이 345[Var]를 지시한다면 회로에 흐르는 전류 [A]의 값은?
- ① 약 2.5
- ② 약 5.8
- ③ 약 3.6
- ④ 약 4.5
등록된 댓글이 없습니다.
79. f(t) = e-at의 Z-변환은?
- ①

- ②

- ③

- ④

등록된 댓글이 없습니다.
80. R = 1[MΩ], C = 1[μF]의 직렬 회로에 직류 100[V]를 가했다.시정수 T[sec]와 전류의 초기값 I[A]를 구하면?
- ① 5[sec],10-4[A]
- ② 4[sec],10-3[A]
- ③ 1[sec],10-4[A]
- ④ 2[sec],10-3[A]
등록된 댓글이 없습니다.
5과목 : 전기설비기술기준 및 판단기준
81. 특별고압 계기용 변성기의 2차측 전로에는 제 몇 종 접지 공사를 하여야 하는가?
- ① 제 1 종
- ② 제 2 종
- ③ 제 3 종
- ④ 특별 제 3 종
등록된 댓글이 없습니다.
82. 풀용 수중 조명등에 사용되는 절연변압기의 2차측 전로의 사용전압이 몇 [V]를 넘는 경우에 그 전로에 지기가 생겼을 때 자동적으로 전로를 차단하는 장치를 하여야 하는가?
- ① 30
- ② 60
- ③ 150
- ④ 300
등록된 댓글이 없습니다.
83. 고압 가공전선이 안테나의 접근상태로 시설되는 경우에 가공전선과 안테나 사이의 수평 이격거리는 최소 몇 [cm] 이상인가? (단, 가공전선으로는 케이블을 사용하지 않는다고 한다.)
- ① 50
- ② 80
- ③ 100
- ④ 120
등록된 댓글이 없습니다.
84. 가공 전선로의 지지물에 지선을 시설하려고 한다. 이 지선의 최저기준으로 옳은 것은?
- ① 소선 굵기 : 2.0[mm], 안전율 : 3.0, 허용인장하중 : 220[kg]
- ② 소선 굵기 : 2.6[mm], 안전율 : 2.5, 허용인장하중 : 440[kg]
- ③ 소선 굵기 : 1.6[mm], 안전율 : 2.0, 허용인장하중 : 440[kg]
- ④ 소선 굵기 : 2.6[mm], 안전율 : 1.5, 허용인장하중 : 330[kg]
등록된 댓글이 없습니다.
85. 특별고압 가공전선로의 지지물 양측의 경간의 차가 큰 곳에 사용되는 철탑은?
- ① 내장형 철탑
- ② 인류형 철탑
- ③ 각도형 철탑
- ④ 보강형 철탑
등록된 댓글이 없습니다.
86. 66[kV]의 기계기구, 모선 등을 옥외에 시설하는 변전소의 구내에 취급자 이외의 자가 들어가지 않도록 울타리를 시설하는 경우에 울타리의 높이와 울타리로부터 충전부분까지의 거리의 합계는 몇 [m] 이상이어야 하는가?
- ① 5
- ② 6
- ③ 7
- ④ 8
등록된 댓글이 없습니다.
87. 직류귀선은 귀선용 궤조와 궤조간 및 궤조의 바깥쪽 몇 [cm] 이내에 시설하는 부분 이외에는 대지로부터 절연하여야 하는가?
- ① 15
- ② 20
- ③ 25
- ④ 30
등록된 댓글이 없습니다.
88. 고압전로의 중성점을 접지할 때 접지선으로 연동선을 사용하는 경우의 지름은 최소 몇 [mm]인가?
- ① 2.6
- ② 3.2
- ③ 4
- ④ 5
등록된 댓글이 없습니다.
89. 35[kV]이하의 특별고압 가공전선이 건조물과 제 1 차 접근 상태로 시설되는 경우의 이격거리는 일반적인 경우 몇 [m] 이상이어야 하는가?
- ① 3
- ② 3.5
- ③ 4
- ④ 4.5
등록된 댓글이 없습니다.
90. 그림에서 1, 2, 3, 4의 X표시에는 과전류차단기를 시설한 곳이다. 잘못 시설된 곳은?

- ① 1
- ② 2
- ③ 3
- ④ 4
등록된 댓글이 없습니다.
91. 저압 옥내배선의 사용전선으로 단면적이 1[mm2]이상인 케이블을 사용한다면 어떤 종류의 케이블을 사용하여야 하는가?
- ① CV 케이블
- ② MI 케이블
- ③ 캡타이어케이블
- ④ BC 케이블
등록된 댓글이 없습니다.
92. 옥내 고압용 이동전선의 시설방법으로 옳은 것은?
- ① 전선은 MI 케이블을 사용하였다.
- ② 다선식 선로의 중성선에 과전류차단기를 시설하였다.
- ③ 이동전선과 전기사용 기계기구와는 해체가 쉽게 되도록 느슨하게 접속하였다.
- ④ 전로의 지기가 생겼을 때에 자동적으로 전로를 차단하는 장치를 시설하였다.
등록된 댓글이 없습니다.
93. 지중전선로에 사용되는 전선은?
- ① 절연전선
- ② 동복강선
- ③ 케이블
- ④ 나경동선
등록된 댓글이 없습니다.
94. 특별고압 가공전선로의 지지물에 시설하는 통신선 또는 이에 직접 접속하는 가공 통신선의 높이는 횡단보도교의 위에 시설하는 경우에는 일반적으로 그 노면상 몇 [m] 이상으로 하여야 하는가?
- ① 5
- ② 5.5
- ③ 6
- ④ 6.5
등록된 댓글이 없습니다.
95. 중성점 접지에 22.9[kV] 가공전선과 직류 1500[V] 전차선을 통일 지지물에 병가할 때 상호간의 이격거리는 일반적인 경우 몇 [m] 이상인가?
- ① 1.0
- ② 1.2
- ③ 1.5
- ④ 2.0
등록된 댓글이 없습니다.
96. 병원, 진료소등의 진찰, 검사, 치료 또는 검사등의 의료 행위를 하는 의료실내에 시설하는 위료기기의 금속제 외함에 보호접지를 하는 경우 그 접지저항값은 몇 [Ω]이하로 하여야 하는가?
- ① 5
- ② 10
- ③ 30
- ④ 50
등록된 댓글이 없습니다.
97. 옥내에 시설하는 사용전압이 400[V] 미만인 전구선으로 캡다이어 케이블을 사용할 경우, 단면적이 몇 [mm2]이상인 것을 사용하여야 하는가?
- ① 0.75
- ② 2
- ③ 3.5
- ④ 5.5
등록된 댓글이 없습니다.
98. 목주를 사용한 고압가공전선로의 최대 경간은 몇 [m] 인가?
- ① 50
- ② 100
- ③ 150
- ④ 200
등록된 댓글이 없습니다.
99. 옥내에 시설하는 저압전선으로 나전선을 절대로 사용할 수 없는 경우는?
- ① 금속덕트 공사에 의하여 시설하는 경우
- ② 버스덕트공사에 의하여 시설하는 경우
- ③ 애자사용공사에 의하여 전개된 곳에 전기로용 전선을 시설하는 경우
- ④ 라이팅덕트공사에 의하여 시설하는 경우
등록된 댓글이 없습니다.
100. 최대사용전압이 170000[V]를 넘는 결선(성형결선)으로서 중성점 직접접지식 전로에 접속하고 또한 그 중성점을 직접 접지하는 변압기 전로의 절연내력 시험전압은 최대 사용전압의 몇 배의 전압인가?
- ① 0.3
- ② 0.64
- ③ 0.72
- ④ 1.1
등록된 댓글이 없습니다.