전기공사산업기사(2015. 9. 19.) 시험일자 : 2015년 9월 19일
1과목 : 전기응용
1. 다음 중 전해 정제법이 이용되고 있는 금속 중 최대 규모로 행하여지는 대표 금속은?
- ① 구리
- ② 철
- ③ 납
- ④ 망간
등록된 댓글이 없습니다.
2. 전기철도의 전기차 주전동기 제어방식 중 특성이 다른 것은?
- ① 개로 제어
- ② 계자 제어
- ③ 단락 제어
- ④ 브리지 제어
등록된 댓글이 없습니다.
3. 열이 이동하는 방식 중 복사에 해당하는 것은?
- ① 도체를 통하여 이동한다.
- ② 기체를 통하여 이동한다.
- ③ 액체를 통하여 이동한다.
- ④ 전자파로 이동한다.
등록된 댓글이 없습니다.
4. 저압 아크로에 해당되지 않는 것은?
- ① 제철
- ② 제강
- ③ 합금의 제조
- ④ 공중 질소고정
등록된 댓글이 없습니다.
5. 평균 구면광도 80cd의 전구 4개를 지름 8m 원형의 방에 점등하였다. 조명률을 0.4라고 하면 방의 평균 조도[lx]는?
- ① 18
- ② 22
- ③ 28
- ④ 32
등록된 댓글이 없습니다.
6. 비닐막 등의 접착에 주로 사용하는 가열 방식은?
- ① 저항 가열
- ② 유도 가열
- ③ 아크 가열
- ④ 유전 가열
등록된 댓글이 없습니다.
7. 주로 옥외 조명기구로 사용되며 실내에서는 체육관 등 넓은 장소에 사용되는 조명 기구는?
- ① 다운 라이트
- ② 트랙 라이트
- ③ 투광기
- ④ 팬던트
등록된 댓글이 없습니다.
8. 다음 중 금속의 이온화 경향이 가장 큰 것은?
- ① Ag
- ② Pb
- ③ Na
- ④ Sn
등록된 댓글이 없습니다.
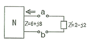
9. 그림과 같은 전동차선의 조가법은?

- ① 직접 조가식
- ② 단식 커티너리식
- ③ 변형 Y형 단식 커티너리식
- ④ 복식 커티너리식
등록된 댓글이 없습니다.
10. 다음 합금 발열체 중 최고 온도가 가장 낮은 것은?
- ① 니크롬 제1종
- ② 니크롬 제2종
- ③ 철크롬 제1종
- ④ 철크롬 제2종
등록된 댓글이 없습니다.
11. 소형이면서 대전력용 정류기로 사용하는 것은?
- ① 게르마늄 정류기
- ② SCR
- ③ CdS
- ④ 셀렌 정류기
등록된 댓글이 없습니다.
12. 서로 다른 두 개의 금속이나 반도체를 접속하여 전류를 인가하면 접합부에서 열이 발생하거나 흡수되는 현상은?
- ① 제벡 효과
- ② 펠티에 효과
- ③ 톰슨 효과
- ④ 핀치 효과
등록된 댓글이 없습니다.
13. 모든 방향의 광도가 균일하게 1000cd인 광원이 있다. 이것을 직경 40cm의 완전 확산성 구형 글로브의 중심에 두었을 때 그 휘도가 1cm2당 0.56cd가 되었다 이 글로브의 투과율은 약 몇 %인가? (단, 글로브 내면의 반사는 무시한다.)
- ① 65
- ② 70
- ③ 83
- ④ 92
등록된 댓글이 없습니다.
14. 터널 다이오드의 용도로 가장 널리 사용되는 것은?
- ① 검파 회로
- ② 스위칭 회로
- ③ 정류기
- ④ 정전압 소자
등록된 댓글이 없습니다.
15. 전구의 필라멘트나 열전대 용접에 알맞은 방법은?
- ① 점 용접
- ② 돌기 용접
- ③ 심 용접
- ④ 불활성 용접
등록된 댓글이 없습니다.
16. 축전지를 사용할 때 극판이 휘고 내부저항이 매우 커져서 용량이 감퇴되는 원인은?
- ① 전지의 황산화
- ② 과도 방전
- ③ 전해액의 농도
- ④ 감극 작용
등록된 댓글이 없습니다.
17. 직선 궤도에서 호륜궤조를 반드시 설치해야 하는 곳은?
- ① 분기 개소
- ② 병용 궤도
- ③ 고속운전 구간
- ④ 교량 위
등록된 댓글이 없습니다.
18. 다음 전동기 중에서 속도 변동률이 가장 큰 것은?
- ① 3상 농형 유도전동기
- ② 3상 권선형 유도전동기
- ③ 3상 동기전동기
- ④ 단상 유도전동기
등록된 댓글이 없습니다.
19. 15kW 이상의 중형 및 대형기의 기동에 사용되는 농형 유도전동기의 기동법은?
- ① 기동 보상기법
- ② 전전압 기동법
- ③ 2차 임피던스 기동법
- ④ 2차 저항 기동법
등록된 댓글이 없습니다.
20. 전기 기관차의 자중이 150t이고, 동륜상의 중량이 95t이라면 최대 견인력[kg]은? (단, 궤조의 점착 계수는 0.2라한다.)
- ① 19000
- ② 25000
- ③ 28500
- ④ 38000
등록된 댓글이 없습니다.
2과목 : 전력공학
21. 지중 케이블의 금속체 전식 방지를 위한 배류 방식이 아닌 것은?
- ① 유전 양극 방식
- ② 직접 배류 방식
- ③ 선택 배류 방식
- ④ 강제 배류 방식
등록된 댓글이 없습니다.
22. 과전류 차단기의 설치 장소로 적합하지 않은 곳은?
- ① 수용가의 인입선 부근
- ② 고압배전 선로의 인출 장소
- ③ 직접접지 계통에 설치한 변압기의 접지선
- ④ 역률 조정용 고압 병렬 콘덴서 뱅크의 분기선
등록된 댓글이 없습니다.
23. 송전선로의 저항을 R, 리액턴스를 X라 하면, 일반적인 경우 R과 X의 관계로 옳은 것은?
- ① R > X
- ② R < X
- ③ R = X
- ④ R = 2X
등록된 댓글이 없습니다.
24. ACSR 전선을 154kV의 송전선에 사용할 경우 최대 송전전력을 70MW, 역률을 0.8로 하면 가장 경제적인 전선의 굵기는 약 몇 mm2인가? (단, 전선의 무게 8.89kg/mm2 • m, 저항률은 1/35Ω • mm2/m, 전선 1kg의 가격은 25000원/kg, 1년간의 이자와 상각비와의 합계 P=0.15, 송전선로의 연간 이용률은 70%이다.)
- ① 132.8
- ② 145.7
- ③ 152.3
- ④ 166.5
등록된 댓글이 없습니다.
25. 현수애자 4개를 1련으로 한 66kV 송전선로가 있다. 현수애자 1개의 절연저항이 1500MΩ이고, 경간을 250m로 할 때 1km당의 누설 컨덕턴스는 약 몇 ℧인가?
- ① 0.17×10-9
- ② 0.33×10-9
- ③ 0.67×10-9
- ④ 0.93×10-9
등록된 댓글이 없습니다.
26. 자동경제급전(ELD : Economic Load Distribution)의 주 목적은?
- ① 발전 연료비의 절약
- ② 계통 주파수를 유지하는 것
- ③ 수용가의 낭비전력을 자동 선택
- ④ 경제성이 높은 수용가의 자동 선택
등록된 댓글이 없습니다.
27. 전력용 콘덴서의 회로에 방전코일을 설치하는 주된 목적은?
- ① 합성 역률의 개선
- ② 전압의 파형 개선
- ③ 콘덴서의 등가용량 증대
- ④ 전원 개방 시 잔류 전하를 방전시켜 인체의 위험 방지
등록된 댓글이 없습니다.
28. 송전 개통에서 절연협조의 기본이 되는 것은?
- ① 애자의 섬락 전압
- ② 권선의 절연 내력
- ③ 피뢰기의 제한 전압
- ④ 변압기 부싱의 섬락 전압
등록된 댓글이 없습니다.
29. 화력 발전소에서 연도의 맨 끝에 설치하는 장치는?
- ① 절탄기
- ② 온수기
- ③ 공기 예열기
- ④ 터빈
등록된 댓글이 없습니다.
30. 수전단 전압 66kV, 전류 100A, 선로 저항 10Ω, 선로 리액턴스 15Ω인 3상 단거리 송전선로의 전압강하율은 몇 %인가? (단, 수전단의 역률은 0.8이다.)
- ① 2.57
- ② 3.25
- ③ 3.74
- ④ 4.46
등록된 댓글이 없습니다.
31. 석탄연소 화력발전소에서 사용되는 집진장치의 효율이 가장 큰 것은?
- ① 전기식 집진장치
- ② 수세식 집진장치
- ③ 원심력식 집진장치
- ④ 직렬결합식 집진장치
등록된 댓글이 없습니다.
32. 변압기의 기계적 보호계전기인 부흐홀츠 계전기의 설치 위치로 알맞은 것은?
- ① 컨서베이터 내부
- ② 유면 위의 탱크 내
- ③ 변압기의 고압측 부싱
- ④ 주탱크와 컨서베이터를 연결하는 파이프의 관중
등록된 댓글이 없습니다.
33. 연가를 하는 주된 목적은?
- ① 미관상 필요
- ② 선로 정수의 평형
- ③ 유도뢰의 방지
- ④ 직격뢰의 방지
등록된 댓글이 없습니다.
34. 배전선로에서 고장전류를 차단할 수 있는 장치는?
- ① 단로기
- ② 리클로저
- ③ 선로 개폐기
- ④ 구분 개폐기
등록된 댓글이 없습니다.
35. 인장 강도는 작으나 도전율이 높아 옥내 배선용으로 주로 사용되는 전선은?
- ① 연동선
- ② 알루미늄선
- ③ 경동선
- ④ 동복강선
등록된 댓글이 없습니다.
36. 유효낙차 300m인 충동수차에서 노즐에서 분출되는 유수의 이론적인 분출속도는 약 몇 m/sec인가?
- ① 47
- ② 57
- ③ 67
- ④ 77
등록된 댓글이 없습니다.
37. 송전단 전압이 161kV, 수전단 전압이 155kV, 송수전단 전압의 상차각이 40°, 리액턴스가 50Ω일 때, 선로 손실을 무시하면 송전전력은 약 몇 MW인가? (단, cos 40°=0.766, cos 50°=0.643이다.)
- ① 107
- ② 321
- ③ 408
- ④ 580
등록된 댓글이 없습니다.
38. 고압 배전선로의 중간에 승압기를 설치하는 주목적은?
- ① 역률 개선
- ② 전력 손실의 감소
- ③ 전압 변동률의 감소
- ④ 말단의 전압 강하의 방지
등록된 댓글이 없습니다.
39. 정전용량 C[F]의 콘덴서를 △결선해서 3상 전압 V[V]를 가했을 때의 충전용량과 같은 전원을 Y결선으로 했을 때 충전용량의 비(△결선/Y결선)는?
- ① 3
- ② √3
- ③ 1/3
- ④ 1/√3
등록된 댓글이 없습니다.
40. 변류기 개방 시 2차측을 단락하는 이유는?
- ① 1차측 과전류 방지
- ② 2차측 과전류 보호
- ③ 측정 오차 방지
- ④ 2차측 절연 보호
등록된 댓글이 없습니다.
3과목 : 전기기기
41. 동기기의 전기자 저항을 r[Ω], 반작용 리익턴스를 xa[Ω], 누설 리액턴스를 xe[Ω]라 하면 동기 임피던스는?
- ① r+j(xa+xe)
- ② j(xa+xe)
- ③ e+jxa
- ④ r+j(xa-xe)
등록된 댓글이 없습니다.
42. 동기 발전기의 자기 여자 현상을 방지하는 방법이 아닌 것은?
- ① 발전기 여러 대를 모선에 병렬로 접속한다.
- ② 수전단에 동기 조상기를 접속한다.
- ③ 수전단에 리액턴스를 병렬로 접속한다.
- ④ 단락비가 작은 발전기를 사용한다.
등록된 댓글이 없습니다.
43. 공장에서 역률을 개선하려고 할 때 적용하는 기기가 아닌 것은?
- ① 동기 조상기
- ② 콘덴서용 직렬 리액터
- ③ 전력용 콘덴서
- ④ 회전 변류기
등록된 댓글이 없습니다.
44. 발전기나 변압기 권선의 층간 단락 사고를 검출하는 계전기는?
- ① 방향 단락 계전기
- ② 과전류 계전기
- ③ 비율 차동 계전기
- ④ 과전압 계전기
등록된 댓글이 없습니다.
45. 반파 정류회로에서 직류전압 200V를 얻는 데 필요한 변압기 2차 상전압은 약 몇 V인가? (단, 부하는 순저항, 변압기 내 전압강하를 무시하면 정류기 내의 전압강하는 5V로 한다.)
- ① 68
- ② 113
- ③ 333
- ④ 455
등록된 댓글이 없습니다.
46. 전전압 기동용량이 50kVA인 3상 유도 전동기를 Y-△로 기동하는 경우의 기동 용량은 약 몇 kVA인가?
- ① 17
- ② 25
- ③ 47
- ④ 53
등록된 댓글이 없습니다.
47. 전기자 지름 0.1m의 직류 발전기가 1.5kW 의 출력에서 1700rpm으로 회전하고 있을 때 전기자 주변속도는 약 몇 m/s인가?
- ① 8.9
- ② 9.80
- ③ 10.89
- ④ 11.80
등록된 댓글이 없습니다.
48. 3상 동기 전동기에 있어서 제동권선의 역할은?
- ① 효율 향상
- ② 역률 개선
- ③ 난조 방지
- ④ 출력 증가
등록된 댓글이 없습니다.
49. 대형 직류 발전기에서 전기자 반작용을 보상하는데 이상적인 것은?
- ① 보극
- ② 보상권선
- ③ 탄소 브러시
- ④ 균압환
등록된 댓글이 없습니다.
50. SCR의 설명 중 옳지 않은 것은?
- ① 스위칭 소자이다.
- ② P-N-P-N 소자이다.
- ③ 쌍방향성 사이리스터이다.
- ④ 직류, 교류, 전력 제어용으로 사용한다.
등록된 댓글이 없습니다.
51. 동기 발전기의 전기자 권선을 단절권으로 하면 어떤 효과가 있는가?
- ① 고조파가 제거된다.
- ② 절연이 잘된다.
- ③ 병렬 운전이 가능해 진다.
- ④ 코일단이 증가한다.
등록된 댓글이 없습니다.
52. 권선형 유도 전동기의 2차 저항을 변화시켜 속도를 제어하는 경우 최대 토크는?
- ① 항상 일정하다.
- ② 2차 저항에만 비례한다.
- ③ 최대 토크시 생기는 점의 슬립에 비례한다.
- ④ 최대 토크 시 생기는 점의 슬립에 반비례한다.
등록된 댓글이 없습니다.
53. 3상 유도전동기의 특성 중 비례추이 할 수 없는 것은?
- ① 역률
- ② 출력
- ③ 동기 와트
- ④ 2차 전류
등록된 댓글이 없습니다.
54. 3상 변압기의 임피던스 Z[Ω]이고, 선간전압 V[kV], 정격용량 P[kVA]일 때, %Z는?
- ①

- ②

- ③

- ④

등록된 댓글이 없습니다.
55. 권선형 유도 전동기의 저항 제어법의 장점은?
- ① 부하에 대한 속도변동이 크다.
- ② 구조가 간단하며, 제어조작이 용이하다.
- ③ 역률이 좋고, 운전 효율이 양호하다.
- ④ 전부하로 장시간 운전하여도 온도 상승이 적다.
등록된 댓글이 없습니다.
56. 단상 변압기의 병렬 운전 조건 중 옳지 않은 것은?
- ① 권수비와 1,2차의 정격전압이 같을 것
- ② 권선의 저항과 누설 리액턴스의 비가 같을 것
- ③ %저항 강하 및 리액턴스 강하가 같을 것
- ④ 출력이 같을 것
등록된 댓글이 없습니다.
57. 60Hz, 4극 5kW인 3상 유도전동기가 있다. 전부하시 회전수가 1500rpm일 때 발생 토크는 약 몇 kg·m인가?
- ① 9.34
- ② 7.43
- ③ 5.52
- ④ 3.25
등록된 댓글이 없습니다.
58. 단상 유도전동기의 기동 방법에서 기동 토크의 크기가 가장 큰 것은?
- ① 반발 유도형
- ② 반발 기동형
- ③ 콘덴서 기동형
- ④ 분상 기동형
등록된 댓글이 없습니다.
59. 전기자 도체의 총수 400, 10극 단중 파권으로 매극의 자속수가 0.02wb인 직류 발전기가 1200rpm의 속도로 회전할 때 유도 기전력[V]은?
- ① 800
- ② 750
- ③ 720
- ④ 700
등록된 댓글이 없습니다.
60. 권수비 60인 단상 변압기의 전부하 2차 전압 200V, 전압변동률 3%일 때 1차 단자전압[V]은?
- ① 12360
- ② 12720
- ③ 13625
- ④ 18760
등록된 댓글이 없습니다.
4과목 : 회로이론
61. 3상 대칭분 전류를 I0, I1, I2라 하고 선전류를 Ia, Ib, Ic라고 할때 Ib는 어떻게 되는가?
- ① I0+a2I1+aI2
- ② I0+aI1+a2I2
- ③

- ④ I0+I1+I2
등록된 댓글이 없습니다.
62. 공칭 임피던스 R=600Ω, 차단 주파수 fh=60kHz인 정 K형 고역 필터에서 L[mH], C[㎌] 값은?
- ① 7.96mH, 0.0221㎌
- ② 7.96mH, 0.00221㎌
- ③ 0.1592mH, 0.0044㎌
- ④ 1.592mH, 0.0044㎌
등록된 댓글이 없습니다.
63. 그림과 같은 램프함수의 라플라스 변환식은?

- ①

- ②

- ③

- ④

등록된 댓글이 없습니다.
64. 4단자 회로망에서 영상 임피던스 Z01과 Z02를 같게 하려면 4단자 정수간에 서로 어떤 관계가 되어야 하는가?
- ① A = B
- ② B = C
- ③ C = D
- ④ A = D
등록된 댓글이 없습니다.
65. 의 전달함수를 미분방정식으로 표시하면? (단, 이다.)
- ①

- ②

- ③

- ④

등록된 댓글이 없습니다.
66. 그림과 같은 회로에 있어서 스위치 S를 닫았을 때 L에 가해지는 전압은? (단, i(0)=0이다.)

- ①

- ②

- ③

- ④

등록된 댓글이 없습니다.
67. f(t)=e-atsintcost를 라플라스 변환하면?
- ①

- ②

- ③

- ④

등록된 댓글이 없습니다.
68. 3상 Y결선 회로에서 소비하는 전력은 몇 W인가? (단, 임피던스 Z의 단위는 Ω이다.)

- ① 3072
- ② 1536
- ③ 768
- ④ 384
등록된 댓글이 없습니다.
69. 그림의 회로에서 단자 b-c에 나타나는 전압 Vbc는 약 몇 V인가?

- ① 4
- ② 6
- ③ 8
- ④ 10
등록된 댓글이 없습니다.
70. RC 직렬회로의 양단에 e=50+141.4sin2wt+212.1sin4wt[A]인 전압을 인가할 때 제 2고조파 전류의 실효값은 몇 A인가? (단, R=8 Ω, 1/wC=12 Ω이다.)
- ① 6
- ② 8
- ③ 10
- ④ 12
등록된 댓글이 없습니다.
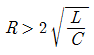
71. 그림에서 a-b 단자의 전압이 50∠0°[V], a-b 단자에서 본 능동 회로망의 임피던스가 Z=6+j8Ω일 때, a-b 단자에 임피던스 Z=2-j2Ω을 접속하면 이 임피던스에 흐르는 전류[A]는 얼마인가?

- ① 4-j3
- ② 4+j3
- ③ 3-j4
- ④ 3+j4
등록된 댓글이 없습니다.
72. 어떤 계에 임펄스 함수(δ함수)가 입력으로 가해졌을 때 시간함수 e-2t가 출력으로 나타났다. 이 계의 전달함수는?
- ①

- ②

- ③

- ④

등록된 댓글이 없습니다.
73. RLC 직렬회로에서 회로 저항의 값이 다음의 어느 때이어야 이 회로가 부족제동이 되었다고 하는가?
- ①

- ②

- ③

- ④

등록된 댓글이 없습니다.
74. 그림의 T회로에서 전류 I1은 몇 A인가?

- ① 0.625
- ② 1.333
- ③ 1.505
- ④ 1.673
등록된 댓글이 없습니다.
75. 횡축에 대칭인 삼각파 교류전압의 평균값[V]은?

- ① 3
- ② 5
- ③ 8
- ④ 10
등록된 댓글이 없습니다.
76. 어떤 회로에 전압 e(t)=Emcos(wt+θ)[V]를 가했더니 전류 i(t)Imcos(wt+θ+∅)[A]가 흘렀다. 이때에 회로에 유입하는 평균전력[W]은?
- ①

- ②

- ③

- ④ EmImsin∅
등록된 댓글이 없습니다.
77. 그림과 같은 결합 회로의 등가 인덕턴스[H]는?

- ① L1+L2+M
- ② L1+L2-M
- ③ L1+L2+2M
- ④ L1+L2-2M
등록된 댓글이 없습니다.
78. 불평형 3상 전류 Ia=15+j2[A], Ib=-20-j14[A], Ic=-3+j10[A]일 때, 영상전류 I0는 약 몇 [A]인가?
- ① 2.67+j0.36
- ② -2.67-j0.67
- ③ 15.7-j3.25
- ④ 1.91+j6.24
등록된 댓글이 없습니다.
79. 그림과 같은 회로에서 전압계 3개로 단상전력을 측정할 때 유효전력[W]은?

- ①

- ②

- ③

- ④

등록된 댓글이 없습니다.
80. 부하에 100∠30°[V]의 전압을 가하였을 때 10∠60°[A]의 전류가 흘렀다면 부하에서 소비되는 유효전력은 약 몇 W인가?
- ① 400
- ② 500
- ③ 682
- ④ 866
등록된 댓글이 없습니다.
5과목 : 전기설비
81. 변압기 전로에서 최대 사용 전압이 8000V인 권선으로서 중성점 접지식 전로(중성선을 가지는 것으로서 그 중성선에 다중접지를 하는 것에 한한다.)에 접속하는 것의 시험 전압은 최대 사용 전압의 몇 배인가?
- ① 0.92
- ② 1.1
- ③ 1.25
- ④ 1.5
등록된 댓글이 없습니다.
82. 60kV 특별 고압 가공 전선로를 시가지 등에 시설하는 경우 전선의 지표상 최소 높이는 약 몇 m인가?
- ① 8
- ② 8.36
- ③ 10.12
- ④ 10.36
등록된 댓글이 없습니다.
83. 고압 지중전선이 지중 약전류 전선 등과 접근하거나 교차하는 경우에 상호의 이격거리가 몇 cm 이하인 때에는 두 전선이 직접 접촉하지 아니하도록 하여야 하는가?
- ① 15
- ② 20
- ③ 30
- ④ 40
등록된 댓글이 없습니다.
84. 154000V 특별고압 가공전선로를 시가지에 위험의 우려가 없도록 시설하는 경우, 지지물로 A종 철주를 사용한다면 경간은 최대 몇 m 이하인가?
- ① 50
- ② 75
- ③ 150
- ④ 200
등록된 댓글이 없습니다.
85. 사용전압이 35000V 이하인 특별고압 가공전선이 건조물과 제 2차 접근상태로 시설되는 경우, 특별고압 가공전선로의 보안 공사는?
- ① 고압 보안공사
- ② 제 1종 특고압 보안공사
- ③ 제 2종 특고압 보안공사
- ④ 제 3종 특고압 보안공사
등록된 댓글이 없습니다.
86. 고압 전로와 비접지식의 저압 전로를 결합하는 변압기로 금속제의 혼촉 방지판이 있고, 또한 그 혼촉 방지판에 제 2종 접지공사를 한 것에 접촉하는 저압 전선을 옥외에 시설할 때 저압 가공 전선로의 전선으로 사용할 수 있는 것은?
- ① 케이블
- ② 다심형 전선
- ③ 600V 비닐 절연 전선
- ④ 옥외용 비닐 절연 전선
등록된 댓글이 없습니다.
87. 출퇴표시등 회로에 전기를 공급하기 위한 변압기는 1차측 전로의 대지전압이 (가)V 이하, 2차측 전로의 사용전압이 (나)V 이하인 절연 변압기를 사용하여야 한다. (가)와 (나)에 알맞은 것은?
- ① 300,40
- ② 300,60
- ③ 400,40
- ④ 400,60
등록된 댓글이 없습니다.
88. 특고압용 제2종 보안장치 또는 이에 준하는 보안장치 등이 되어 있지 않은 25kV 이하인 특고압 가공전선로의 지지물에 시설하는 통신선 또는 이에 직접 접속하는 통신선으로 사용할 수 있는 것은?
- ① 지름 2mm의 인장강도 8.0kN 의 경동선
- ② 지름 2.6mm 이상의 절연전선
- ③ 광섬유 케이블
- ④ 인장강도 8.0kN의 연동선
등록된 댓글이 없습니다.
89. 가공 전선로에 사용되는 특고압 전선용의 애자 장치에 대한 갑종풍압하중은 그 구성재의 수직투영면적 1m2에 대한 풍압으로 몇 Pa를 기초로 계산하여야 하는가?
- ① 588
- ② 745
- ③ 660
- ④ 1039
등록된 댓글이 없습니다.
90. 방전등용 안정기로부터 방전관까지의 전로를 무엇이라고 하는가?
- ① 소세력 회로
- ② 관등 회로
- ③ 급전 회로
- ④ 약전류 전선로
등록된 댓글이 없습니다.
91. 특별고압 가공 전선로에서 철탑(단주 제외)의 경간은 몇 m 이하로 하여야 하는가?
- ① 400
- ② 500
- ③ 600
- ④ 700
등록된 댓글이 없습니다.
92. 발전기의 용량에 관계없이 자동적으로 이를 전로로부터 차단하는 장치를 시설하여야 하는 경우는?
- ① 수차 압유 장치의 유압이 현저히 저하한 경우
- ② 과전류가 생긴 경우
- ③ 스트러스 베어링의 온도가 급상승한 경우
- ④ 발전기의 내부에 고장이 생긴 경우
등록된 댓글이 없습니다.
93. 단상 2선식인 저압의 전선로 중 절연부분의 전선과 대지간의 절연저항은 사용전압에 대한 누설전류가 최대 공급전류의 몇 배를 넘지 아니하도록 유지하여야 하는가?
- ① 1/500
- ② 1/1000
- ③ 1/1500
- ④ 1/2000
등록된 댓글이 없습니다.
94. 수소 냉각식 발전기안의 수소의 순도가 몇 % 이하로 저하된 경우에 경보하는 장치가 시설되어야 하는가?
- ① 65
- ② 85
- ③ 95
- ④ 98
등록된 댓글이 없습니다.
95. 철도 궤도 또는 자동차도 전용 터널 안의 전선로의 시설 중에서 기준에 적합하지 않은 것은?
- ① 저압 전선으로 지름 2.0mm의 경동선의 절연전선을 사용하였다.
- ② 저압 전선으로 인장강도 2.30kN 이상의 절연전선을 사용하였다.
- ③ 저압 전선을 애자사용 공사에 의하여 시설하고 이를 노면상 2.5m 이상의 높이로 유지하였다.
- ④ 저압 전선을 가요전선관 공사에 의하여 시설하였다.
등록된 댓글이 없습니다.
96. 농사용 저압 가공 전선로 시설에 대한 설명으로 틀린 것은?
- ① 목주의 말구 지름은 9cm 이상일 것
- ② 지름 2.6mm 이상의 경동선일 것
- ③ 지표상의 높이는 3.5m 이상일 것
- ④ 전선로의 경간은 30m 이하일 것
등록된 댓글이 없습니다.
97. 저압 옥내간선에서 분기하여 전기사용 기계기구에 이르는 저압 옥내전로는 저압 옥내간선과의 분기점에서 전선의 길이가 몇 m 이하인 곳에 개폐기 및 과전류 차단기를 시설하여야 하는가?
- ① 1.5
- ② 2
- ③ 2.5
- ④ 3
등록된 댓글이 없습니다.
98. 터널 내에 3300V 전선로를 케이블 공사로 시설하려고 한다. 케이블을 조영재의 옆면 또는 아랫면에 붙일 경우에 케이블의 지지점간의 거리는 몇 m 이하로 하여야 하는가?
- ① 1
- ② 1.5
- ③ 2
- ④ 2.5
등록된 댓글이 없습니다.
99. 전기부식방지를 위한 귀선의 시설방법에 대한 설명으로 틀린 것은?
- ① 귀선은 부극성으로 할 것
- ② 이음매 하나의 저항은 그 레일의 길이 5m의 저항에 상당한 값 이하일 것
- ③ 귀선용 레일은 특수한 곳 이외에는 길이 30m 이상이 되도록 연속하여 용접할 것
- ④ 단면적 38mm2이상, 길이 60㎝이상의 연동 연선을 사용한 본드 2개 이상을 용접함으로써 레일 용접에 갈음할 수 있을 것
등록된 댓글이 없습니다.
100. 저압 가공전선으로 케이블을 사용하는 경우이다. 케이블을 조가용선에 행거로 시설하였을 때 사용전압이 고압인 경우에는 행거의 간격을 몇 cm 이하로 시설하여야 하는가?
- ① 30
- ② 50
- ③ 75
- ④ 100
등록된 댓글이 없습니다.