전기기능장(2014. 7. 20.) 시험일자 : 2014년 7월 20일
1과목 : 임의구분
1. 동기조상기를 부족여자로 해서 운전하였을 때 나타나는 현상이 아닌 것은?
- ① 역률을 개선시킨다.
- ② 리액터로 작용한다.
- ③ 뒤진 전류가 흐른다.
- ④ 자기여자에 의한 전압상승을 방지한다.
등록된 댓글이 없습니다.
2. 이상적인 전압 전류원에 관하여 옳은 것은?
- ① 전압원, 전류원의 내부저항은 흐르는 전류에 따라 변한다.
- ② 전압원의 내부저항은 0이고 전류원의 내부저항은 ∞이다.
- ③ 전압원의 내부저항은 ∞이고 전류원의 내부저항은 0이다.
- ④ 전압원의 내부저항은 일정하고 전류원의 내부저항은 일정하지 않다.
등록된 댓글이 없습니다.
3. 그림과 같은 DTL 게이트의 출력 논리식은?

- ①

- ② Z=ABC
- ③ Z=A+B+C
- ④

등록된 댓글이 없습니다.
4. 저압전선로 중 절연 부분의 전선과 대지 사이의 절연저항은 사용전압에 대한 누설전류가 최대 공급전류의 얼마를 넘지 않도록 하여야 하는가?
- ① 1/1000
- ② 1/2000
- ③ 1/10000
- ④ 1/20000
등록된 댓글이 없습니다.
5. 저압 인입선의 인입용으로 수직 배관시 비의 침입을 막는 금속관공사의 재료는 다음 중 어느 것인가?
- ① 유니버셜 캡
- ② 와이어 캡
- ③ 엔트런스 캡
- ④ 유니온 캡
등록된 댓글이 없습니다.
6. 네온관용 전선 표기가 15kV N-EV 일 때 E는 무엇을 의미하는가?
- ① 네온전선
- ② 클로로프렌
- ③ 비닐
- ④ 폴리에틸렌
등록된 댓글이 없습니다.
7. 논리식 를 간소화 한것은?
- ①

- ②

- ③

- ④

등록된 댓글이 없습니다.
8. 누설 변압기의 가장 큰 특징은 어느 것인가?
- ① 역률이 좋다.
- ② 무부하손이 적다.
- ③ 단락전류가 크다.
- ④ 수하특성을 가진다.
등록된 댓글이 없습니다.
9. 게르게스현상은 다음 중 어느 기기에서 일어나는가?
- ① 직류 직권전동기
- ② 단상 유도전동기
- ③ 3상 농형 유도전동기
- ④ 3상 권선형 유도전동기
등록된 댓글이 없습니다.
10. 그림은 어떤 전력용 반도체의 특성 곡선인가?

- ① SSS
- ② UJT
- ③ FET
- ④ GTO
등록된 댓글이 없습니다.
11. 어떤 정현파 전압의 평균값이 153V이면 실효값은 약 몇 V인가?
- ① 240
- ② 191
- ③ 170
- ④ 153
등록된 댓글이 없습니다.
12. 다음 중 바리스터(Varister)의 주된 용도는?
- ① 서지전압에 대한 회로 보호용
- ② 전압증폭용
- ③ 출력전류 조정용
- ④ 과전류방지 보호용
등록된 댓글이 없습니다.
13. 를 복소수로 표시하면?
- ①

- ②

- ③

- ④ 50+j50
등록된 댓글이 없습니다.
14. 다음은 3상 전압형 인버터를 이용한 전동기 운전회로의 일부이다. 회로에서 트랜지스터의 기본적인 역할로 가장 적당한 것은?

- ① 전압증폭
- ② ON·OFF
- ③ 전류증폭
- ④ 정류작용
등록된 댓글이 없습니다.
15. 인터럽트(interrupt) 발생 시 수행되어 할 일이 아닌 것은?
- ① 수행중인 프로그램을 보조 기억장치에 보관한다.
- ② 프로그램 카운터의 내용을 보관한다.
- ③ 인터럽트 처리 루틴을 수행한다.
- ④ 어느 장치에서 인터럽트가 요청되었는지를 조사한다.
등록된 댓글이 없습니다.
16. 풀용 수중조명등에 전기를 공급하기 위하여 1차측 120V, 2차측 30V의 절연 변압기를 사용하였다. 절연 변압기의 2차측 전로의 접지공사에 관한 내용으로 옳은 것은?
- ① 제1종 접지공사로 접지 한다.
- ② 제2종 접지공사로 접지 한다.
- ③ 제3종 접지공사로 접지 한다.
- ④ 접지를 하지 아니한다.
등록된 댓글이 없습니다.
17. Boost 컨버터에서 입·출력 전압비 는? (단, D는 시비율(duty cycle)이다.)
- ① D
- ② 1-D
- ③ 1/1-D
- ④ 1/D
등록된 댓글이 없습니다.
18. 단상 유도전압조정기의 동작 원리 중 가장 적당한 것은?
- ① 교번자계의 전자유도 작용을 이용한다.
- ② 두 전류 사이에 작용하는 힘을 이용한다.
- ③ 충전된 두 물체 사이에 작용하는 힘을 이용한다.
- ④ 회전자계에 의한 유도작용을 이용하여 2차 전압의 위상 전압 조정에 따라 변화 한다.
등록된 댓글이 없습니다.
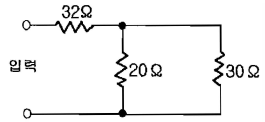
19. 그림과 같은 회로에 입력 전압 220V를 가할 때 30Ω의 저항에 흐르는 전류는 몇 A인가?

- ① 2
- ② 3
- ③ 4
- ④ 5
등록된 댓글이 없습니다.
20. 마이크로프로세서에서 번지지정 방법 중 레지스터 간접번지 지정에 해당하는 명령의 표현인 것은?
- ① LD A, (HL)
- ② LD BC, (4455H)
- ③ LD B,D
- ④ JR Φ3H
등록된 댓글이 없습니다.
2과목 : 임의구분
21. 논리회로의 출력함수가 뜻하는 논리게이트의 명칭은?

- ① EX-OR
- ② EX-NOR
- ③ NOR
- ④ NAND
등록된 댓글이 없습니다.
22. 저압 옥상전선로를 전개된 장소에 시설하고자 할 때 다음 중 옳지 않은 것은?
- ① 전선은 조영재에 견고하게 붙인 지지대에 절연성·난연성 및 내수성이 있는 애자를 사용하여 지지하고 또한 그지지점 간의 거리는 15m 이하로 한다.
- ② 전선은 인장강도 2.3kN 이상의 것 또는 지름 2.6㎜의 경동선을 사용한다.
- ③ 전선과 그 저압 옥상 전선로를 시설하는 조영재와의 이격거리는 1.5m 이상으로 한다.
- ④ 전선은 상시 부는 바람 등에 의하여 식물에 접촉하지 아니하도록 시설하여야 한다.
등록된 댓글이 없습니다.
23. 3300V, 60㎐ 용 변압기의 와류손이 620W이다. 이 변압기를 2650V, 50㎐의 주파수에 사용할 때 와류손은 약몇 W인가?
- ① 500
- ② 400
- ③ 312
- ④ 210
등록된 댓글이 없습니다.
24. 과전류 차단기로 저압전로에 사용하는 퓨즈를 수평으로 붙인 경우, 정격전류의 1.1배의 전류에 견디어야 한다. 퓨즈의 정격전류가 30A를 넘고 60A이하일 때 2배의 전류를 통한 경우 몇 분 이내로 용단되어야 하는가?
- ① 2분
- ② 4분
- ③ 6분
- ④ 8분
등록된 댓글이 없습니다.
25. 다음 ( )안의 알맞은 내용으로 옳은 것은?

- ① ㉠ 2.0, ㉡ 3.81
- ② ㉠ 2.0, ㉡ 4.05
- ③ ㉠ 2.5, ㉡ 4.31
- ④ ㉠ 2.5, ㉡ 4.51
등록된 댓글이 없습니다.
26. 저항정류의 역할을 하는 것은?
- ① 보상권선
- ② 보극
- ③ 리액턴스 코일
- ④ 탄소브러시
등록된 댓글이 없습니다.
27. 정격전류가 60A인 3상 220V 전동기가 직접 전로에 접속되는 경우 전로의 전선은 약 몇 A이상의 허용전류를 갖는 것으로 하여야 하는가?
- ① 60
- ② 66
- ③ 75
- ④ 90
등록된 댓글이 없습니다.
28. 변압기의 온도상승시험을 하는데 가장 좋은 방법은?
- ① 내전압법
- ② 실부하법
- ③ 충격전압시험법
- ④ 반환부하법
등록된 댓글이 없습니다.
29. 직류용 직권전동기를 교류에 사용할 때 여러 가지 어려움이 발생되는데 다음 중 교류용 단상 직권전동기에서 강구할 대책으로 옳은 것은?
- ① 원통형 고정자를 사용한다.
- ② 계자권선의 권수를 크게 한다.
- ③ 전기자 반작용을 적게 하기 위해 전기자 권수를 증가 시킨다.
- ④ 브러시는 접촉저항이 적은 것을 사용한다.
등록된 댓글이 없습니다.
30. 10진수 45를 2진수로 나타낸 것은?
- ① 101101
- ② 110010
- ③ 110101
- ④ 100110
등록된 댓글이 없습니다.
31. 지중전선로 및 지중함의 시설방식 등의 기준에 대한 설명으로 옳지 않은 것은?
- ① 지중전선로는 전선에 케이블을 사용할 것
- ② 지중전선로는 관로식, 암거식 또는 직접매설식에 의하여 시설할 것
- ③ 지중함 뚜껑은 시설자 이외의 자가 쉽게 열 수 없도록 시설할 것
- ④ 폭발성 또는 연소성의 가스가 침입할 우려가 있는 곳에 시설하는 지중함으로서 그 크기가 0.5m2 이상인 것은 통풍 장치를 설치할 것
등록된 댓글이 없습니다.
32. 유기기전력 110V, 단자전압 100V인 5kW 분권발전기의 계자저항이 50Ω 이라면 전기자저항은 약 몇 Ω인가?
- ① 0.12
- ② 0.19
- ③ 0.96
- ④ 1.92
등록된 댓글이 없습니다.
33. 3상 유도전동기의 동기속도 Ns와 극수 P와의 관계는?
- ①

- ②

- ③ Ns∝P
- ④ Ns∝P2
등록된 댓글이 없습니다.
34. 금속관 배선에서 관의 굴곡에 관한 사항이다. 금속관의 굴곡개소가 많은 경우에는 어떻게 하는 것이 가장 바람직한가?
- ① 행거를 30m 간격으로 견고하게 지지한다.
- ② 덕트를 설치한다.
- ③ 풀박스를 설치한다.
- ④ 링리듀서를 사용한다.
등록된 댓글이 없습니다.
35. 평행한 콘덴서에서 전극의 반지름이 30㎝인 원판이고, 전극간격 0.1㎝이며 유전체의 비유전율은 4이다. 이 콘덴서의 정전용량은 몇 μF인가?
- ① 0.01
- ② 0.1
- ③ 1
- ④ 10
등록된 댓글이 없습니다.
36. 2중 농형 유도전동기가 보통 농형 전동기에 비하여 다른 점은?
- ① 기동 전류가 크고, 기동 토크도 크다.
- ② 기동 전류는 크고, 기동 토크는 적다.
- ③ 기동 전류가 적고, 기동 토크도 적다.
- ④ 기동 전류는 적고, 기동 토크는 크다.
등록된 댓글이 없습니다.
37. 다음 중 기록된 자료를 자외선을 쬐어서 지울 수 있고, 다시 새로운 자료를 써 넣을 수 있는 것은?
- ① ROM
- ② PROM
- ③ EPROM
- ④ EEPROM
등록된 댓글이 없습니다.
38. 금속몰드공사에 의한 저압 옥내배선의 몰드에는 제 몇종 접지공사를 하여야 하는가?
- ① 제1종 접지공사
- ② 제2종 접지공사
- ③ 제3종 접지공사
- ④ 특별 제3종 접지공사
등록된 댓글이 없습니다.
39. PN 접합 다이오드에 공핍층이 생기는 경우는?
- ① 전압을 가하지 않을 때 생긴다.
- ② 다수 반송파가 많이 모여 있는 순간에 생긴다.
- ③ 음(-)전압을 가할 때 생긴다.
- ④ 전자와 정공의 확산에 의하여 생긴다.
등록된 댓글이 없습니다.
40. 동기전동기는 유도전동기에 비하여 어떤 장점이 있는가?
- ① 기동특성이 양호하다.
- ② 속도를 자유롭게 제어할 수 있다.
- ③ 구조가 간단하다.
- ④ 역률을 1로 운전할 수 있다.
등록된 댓글이 없습니다.
3과목 : 임의구분
41. 래칭전류(Latching Current)를 올바르게 설명한 것은?
- ① 사이리스터를 온 상태로 스위칭 시킨 후의 애노드 순저지 전류
- ② 사이리스터를 턴-온 시키는데 필요한 최소의 양극 전류
- ③ 사이리스터를 온 상태로 유지시키는데 필요한 게이트 전류
- ④ 유지전류보다 조금 낮은 전류값
등록된 댓글이 없습니다.
42. 다음 중 8086 마이크로프로세서의 세그먼트 레지스터가 아닌 것은?
- ① AS
- ② CS
- ③ DS
- ④ ES
등록된 댓글이 없습니다.
43. 벅 컨버터(Buck Converter)에 대한 설명으로 옳지 않은 것은?
- ① 직류 입력전압 대비 직류 출력전압의 크기를 낮출 때 사용하는 직류-직류 컨버터이다.
- ② 입력전압(Vs)에 대한 출력전압 (Vo )의 비 ()는 스위칭 주기(T)에 대한 스위치 온(ON) 시간(ton)의 비인 듀티비(시비율)로 나타난다.

- ③ 벅 컨버터의 출력단에는 보통 직류성분은 통과시키고 교류성분을 차단하기 위한 LC저역통과 필터를 사용한다.
- ④ 벅 컨버터는 일반적으로 고주파 트랜스포머(변압기)를 사용하는 절연형 컨버터이다.
등록된 댓글이 없습니다.
44. 조상기의 내부고장이 생긴 경우 자동적으로 전로를 차단하는 장치를 설치하여야 하는 용량의 기준은?
- ① 15000 KVA 이상
- ② 20000 KVA 이상
- ③ 30000 KVA 이상
- ④ 50000 KVA 이상
등록된 댓글이 없습니다.
45. 2.5mm2 전선 5본과, 4.0mm2 전선 3본을 동일한 금속전선관(후강)에 넣어 시공할 경우 관의 굵기의 호칭은? (단, 피복절연물을 포함한 전선의 단면적은 표와 같으며, 절연전선을 금속관 내에 넣을 경우의 보정계수는 2.0으로 한다.)
- ① 16
- ② 22
- ③ 28
- ④ 36
등록된 댓글이 없습니다.
46. 1200lm의 광속을 갖는 전등 10개를 120m2의 사무실에 설치할 때 조명률이 0.5이고 감광보상률이 1.5이면 이사무실의 평균조도는 약 몇 lx인가?
- ① 7.5
- ② 15.2
- ③ 33.3
- ④ 66.6
등록된 댓글이 없습니다.
47. 단면적 S(m2), 길이 l(m), 투자율 μ(H/m)의 자기회로에 N회의 코일을 감고 I(A)의 전류를 통할 때, 자기회로의 옴의 법칙을 옳게 표현한 것은?
- ①

- ②

- ③

- ④

등록된 댓글이 없습니다.
48. 다음 사이리스터 중 순방향 전압에서 양(+)의 전류에 의하여 턴-온 시킬 수 있고, 음(-)의 전류로 턴-오프 시킬수 있는 것은?
- ① GTO
- ② BJT
- ③ UJT
- ④ FET
등록된 댓글이 없습니다.
49. 동기 발전기에서 부하가 갑자기 변화할 때 발전기의 회전 속도가 동기속도 부근에서 진동하는 현상을 무엇이라 하는가?
- ① 탈조
- ② 공조
- ③ 난조
- ④ 복조
등록된 댓글이 없습니다.
50. 지중전선로 공사에서 케이블 포설시 케이블 끝단에 설치하여 당길 수 있도록 하는데 사용하는 것은?
- ① 풀링그립(Pulling Grip)
- ② 피시테이프(Fish Tape)
- ③ 강철 인도선(Steel Wire)
- ④ 와이어 로프(Eire Rope)
등록된 댓글이 없습니다.
51. 모든 전기 장치에 접지시키는 근본적인 이유는?
- ① 지구는 전류를 잘 통하기 때문이다.
- ② 영상전하를 이용하기 때문이다.
- ③ 편의상 지면을 영전위로 보기 때문이다.
- ④ 지구의 정전용량이 커서 전위가 거의 일정하기 때문이다.
등록된 댓글이 없습니다.
52. 전선의 접속법에서 두 개 이상의 전선을 병렬로 시설하여 사용하는 경우에 대한 사항으로 옳지 않은 것은?
- ① 병렬로 사용하는 각 전선의 굵기는 동선 50mm2 이상으로 하고, 전선은 같은 도체, 재료, 길이, 굵기의 것을 사용할 것
- ② 같은 극의 각 전선은 동일한 터미널러그에 완전히 접속할 것
- ③ 병렬로 사용하는 전선에는 각각에 퓨즈를 설치할 것
- ④ 교류회로에서 병렬로 사용하는 전선은 금속관 안에 전자적 불평형이 생기지 않도록 시설할 것
등록된 댓글이 없습니다.
53. 콘덴서 기동형 단상 유도전동기의 설명으로 옳은 것은?
- ① 콘덴서를 주 권선에 직렬 연결한다.
- ② 콘덴서를 기동권선에 직렬 연결한다.
- ③ 콘덴서를 기동권선에 병렬 연결한다.
- ④ 콘덴서는 운전권선과 기동권선을 구별하지 않고 연결한다.
등록된 댓글이 없습니다.
54. CISC(Complex Instruction Set Computer)의 특징으로 옳지 않은 것은?
- ① 명령어의 개수가 보통 100~250개로 많다.
- ② 주소 지정 방식은 5~20가지로 다양하다.
- ③ 명령어들은 기억장치 내의 오퍼랜드를 처리한다.
- ④ 명령어의 길이는 고정적이다.
등록된 댓글이 없습니다.
55. 일정 통제를 할 때 1일당 그 작업을 단축하는데 소요되는 비용의 증가를 의미하는 것은?
- ① 정상소요시간(Normal duration time)
- ② 비용견적(Cost estimation)
- ③ 비용구배(Cost slope)
- ④ 총비용(Total cost)
등록된 댓글이 없습니다.
56. 그림의 OC곡선을 보고 가장 올바른 내용을 나타낸 것은?

- ① α : 소비자 위험
- ② L(P) : 로트가 합격할 확률
- ③ β : 생산자 위험
- ④ 부적합품률 : 0.03
등록된 댓글이 없습니다.
57. np 관리도에서 시료군 마다 시료수(n)는 100이고, 시료군의 수(k)는 20, 이다. 이 때 np관리도의 관리상한선(UCL)을 구하면 약 얼마인가?
- ① 8.94
- ② 3.85
- ③ 5.77
- ④ 9.62
등록된 댓글이 없습니다.
58. 다음 중 단속생산 시스템과 비교한 연속생산 시스템의 특징으로 옳은 것은?
- ① 단위당 생산원가가 낮다.
- ② 다품종 소량생산에 적합하다.
- ③ 생산방식은 주문생산방식이다.
- ④ 생산설비는 범용설비를 사용한다.
등록된 댓글이 없습니다.
59. 미국의 마틴 마리에타사(Martin Marietta Corp)에서 시작된 품질개선을 위한 동기부여 프로그램으로, 모든 작업자가 무결점을 목표로 설정하고, 처음부터 작업을 올바르게 수행함으로써 품질비용을 줄이기 위한 프로그램은 무엇인가?
- ① TPM 활동
- ② 6시그마 운동
- ③ ZD 운동
- ④ ISO 9001 인증
등록된 댓글이 없습니다.
60. MTM(Method Time Measurement)법에서 사용되는1TMU(Time Measurement Unit)는 몇 시간인가?
- ① 1/100000시간
- ② 1/10000시간
- ③ 6/10000시간
- ④ 36/1000시간
등록된 댓글이 없습니다.