전기기사(2005. 8. 7.) 시험일자 : 2005년 8월 7일
1과목 : 전기자기학
1. 유전체 전도전류 ic 와 변위전류 id가 흘러, 양 전류의 크기가 같게 되는 임계 주파수를 fc라 할때 임의의 주파수 f에 있어서의 유전체 역률 tanδ는 얼마인가?
- ① f/fc
- ② fc/f
- ③ fㆍfc
- ④ f2/fc
등록된 댓글이 없습니다.
2. 전류가 흐르는 도선을 자계안에 놓으면, 이 도선에 힘이 작용한다. 평등 자계의 진공 중에 놓여 있는 직선 전류 도선이 받는 힘에 대하여 옳은 것은?
- ① 전류의 세기에 반비례한다.
- ② 도선의 길이에 비례한다.
- ③ 자계의 세기에 반비례한다.
- ④ 전류와 자계의 방향이 이루는 각의 탄젠트 각에 비례한다.
등록된 댓글이 없습니다.
3. 점전하와 접지된 유한한 도체 구가 존재할 때 점전하에 의한 접지 구 도체의 영상전하에 관한 설명 중 틀린 것은?
- ① 영상전하는 구 도체 내부에 존재한다.
- ② 영상전하는 점전하와 크기는 같고 부호는 반대이다.
- ③ 영상전하는 점전하와 도체 중심축을 이은 직선상에 존재한다.
- ④ 영상전하가 놓인 위치는 도체 중심과 점전하와의 거리와 도체 반지름에 의해 결정된다.
등록된 댓글이 없습니다.
4. 반지름이 3cm인 원형 단면을 가지고 있는 환상 연철심에 코일을 감고, 여기에 전류를 흘려서 철심 중의 자계의 세기가 400AT/m 가 되도록 여자할 때 철심 중의 자속밀도는 약 몇 WB/m2인가?(단, 철심의 비투자율은 400이라고 한다.)
- ① 0.2
- ② 0.8
- ③ 1.6
- ④ 2
등록된 댓글이 없습니다.
5. 유전체내에서 변위전류를 발생하는 것은?
- ① 분극전하 밀도의 시간적 변화
- ② 전속밀도의 시간적 변화
- ③ 자속밀도의 시간적 변화
- ④ 분극전하 밀도의 공간적 변화
등록된 댓글이 없습니다.
6. 자계의 실효값이 1㎃/m인 평면 전자파가 공기 중에서 이에 수직되는 수직 단면적 10cm2를 통과하는 전력은 몇W인가?(오류 신고가 접수된 문제입니다. 반드시 정답과 해설을 확인하시기 바랍니다.)
- ① 3.77×10-3
- ② 3.77×10-4
- ③ 3.77×10-5
- ④ 3.77×10-6
등록된 댓글이 없습니다.
7. 공기 콘덴서의 극판사이에 비유전률 5인 유전체를 넣었을 때 동일 전위차에 대한 극판의 전하량은 어떻게 되는가?
- ① 5ε0
- ② 불변이다.
- ③ 5배로 증가한다.
- ④ 1/5로 감소한다.
등록된 댓글이 없습니다.
8. 대전 도체 표면의 전계의 세기는?
- ① 곡률이 크면 커진다.
- ② 곡률이 크면 적어진다.
- ③ 평면일 때 가장 크다.
- ④ 표면 모양에 무관하다.
등록된 댓글이 없습니다.
9. 반지름이 a[m]이고 단위길이에 대한 권수가 n인 무한장 솔레노이드의 단위 길이당의 자기인덕턴스는 몇 h/m인가?
- ① μπa2n2
- ② μπan
- ③ an/2μπ
- ④ 4μπa2n2
등록된 댓글이 없습니다.
10. 평등 자계를 얻는 방법으로 가장 알맞은 것은?
- ① 길이에 비하여 단면적이 충분히 큰 솔레노이드에 전류를 흘린다.
- ② 길이에 비하여 단면적이 충분히 큰 원통형 도선에 전류를 흘린다.
- ③ 단면적에 비하여 길이가 충분히 긴 솔레노이드에 전류를 흘린다.
- ④ 단면적에 비하여 길이가 충분히 긴 원통형 도선에 전류를 흘린다.
등록된 댓글이 없습니다.
11. 공기중에 있는 지름 6㎝인 단일 도체구의 정전용량은 약몇 ㎊ 인가?
- ① 0.33
- ② 0.67
- ③ 3.3
- ④ 6.7
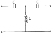
등록된 댓글이 없습니다.
12. 공기 중의 원점의 점전하에서 0.5m, 2m 거리의 전위가 각각 30V, 15V일 때 1m 거리인 점의 전위는 몇 V 인가?
- ① 15
- ② 17.5
- ③ 20
- ④ 22.5
등록된 댓글이 없습니다.
13. 환상 철심에 권수 NA인 A코일과 권수 NB인 B코일이 있을 때 코일 A의 자기인덕턴스가 LA[H]라면 두 코일간의 상호인덕턴스는 몇 H 인가? (단, A코일과 B코일간의 누설자속은 없는 것으로 한다.)
- ①

- ②

- ③

- ④

등록된 댓글이 없습니다.
14. 극판간격 d[m], 면적 S[m2]인 평행판 콘덴서에 교류전압 V = Vmsinωt [V]가 가해졌을 때 이 콘덴서에서 전체의 변위 전류느 몇 A 인가?
- ①

- ②

- ③

- ④

등록된 댓글이 없습니다.
15. 다음 중 투자율이 가장 큰 것은?
- ① 니켈
- ② 코발트
- ③ 순철
- ④ 규소강
등록된 댓글이 없습니다.
16. 그림과 같이 무한 평면도체로부터 d[m] 떨어진 점에+Q[C]의 점전하가 있을 때 d/2[m]인 P점에 있어서의 전계의 세기는 몇 V/m 인가?

- ①

- ②

- ③

- ④ .

등록된 댓글이 없습니다.
17. 평행도선에 같은 크기의 왕복 전류가 흐를 때 두 도선 사이에 작용하는 힘과 관계되는 것 중 옳은 것은?
- ① 간격의 제곱에 비례한다.
- ② 간격의 제곱에 반비례하고, 투자율에 반비례한다.
- ③ 전류의 제곱에 비례한다.
- ④ 주위 매질의 투자율에 반비례한다.
등록된 댓글이 없습니다.
18. 자기 감자력(self demagnetizing force)이 평등 자화되는 자성체에서의 관계가 옳은 것은?
- ① 투자율에 비례한다.
- ② 자화의 세기에 비례한다.
- ③ 감자율에 비례한다.
- ④ 자계에 반비례한다.
등록된 댓글이 없습니다.
19. 공간내의 한점의 자속밀도 B 가 변화할 때 전자유도에 의하여 유기되는 전계 E에 관련된 식으로 옳은 것은?
- ①

- ②

- ③

- ④

등록된 댓글이 없습니다.
20. 진공 중에 그림과 같이 한변이 a[m]인 정삼각형의 꼭지점에 각각 서로 같은 점전하 +Q[C]이 있을 때 그 각 전하에 작용하는 힘 F는 몇 N 인가?

- ①

- ②

- ③

- ④

등록된 댓글이 없습니다.
2과목 : 전력공학
21. 2회선의 송전선로가 있다. 사정에 의하여 그 중 1회선을 정지시켰다면 이 송전선로의 일반회로정수 B의 크기는 어떻게 되는가?
- ① 변화가 없다.
- ② 1/2로 된다.
- ③ 2배로 된다.
- ④ 4배로 된다.
등록된 댓글이 없습니다.
22. 유역면적이 4000km2인 어떤 발전 지점이 있다. 유역내의 연강우량이 1400㎜이고 유출계수가 75%라고 하면, 그 지점을 통과하는 연평균 유량은 약 몇 m3/s 인간?
- ① 121
- ② 133
- ③ 251
- ④ 150
등록된 댓글이 없습니다.
23. 초고압 장거리 송전선로에 접속되는 1차변전소에 분로리액터를 설치하는 주된 목적은?
- ① 페란티 현상의 방지
- ② 과도 안정도의 증대
- ③ 송전용량의 증가
- ④ 전력손실의 경감
등록된 댓글이 없습니다.
24. 개폐 서지 이상전압의 발생을 억제 할 목적으로 설치하는 것은?
- ① 단로기
- ② 차단기
- ③ 리액터
- ④ 개폐저항기
등록된 댓글이 없습니다.
25. 평균 발열량 7100 ㎉/㎏의 석탄이 있다. 탄소와 회분으로 되어 있다면 회분은 약 몇 %인가?(오류 신고가 접수된 문제입니다. 반드시 정답과 해설을 확인하시기 바랍니다.)
- ① 11
- ② 15
- ③ 17
- ④ 19
등록된 댓글이 없습니다.
26. 교류 단상3선식 배전방식을 교류 단상2선식에 비교한면?
- ① 전압강하가 작고, 효율이 높다.
- ② 전압강하가 크고, 효율이 높다.
- ③ 전압강하가 작고, 효율이 낮다.
- ④ 전압강하가 크고, 효율이 낮다.
등록된 댓글이 없습니다.
27. 수전용 변전설비의 1차측 차단기의 용량은 주로 어느 것에 의하여 정해지는가?
- ① 수전 계약용량
- ② 부하설비의 용량
- ③ 공급측 전원의 크기
- ④ 수전전력의 역률과 부하율
등록된 댓글이 없습니다.
28. 제3고조파의 단락전류가 흘러서 일반적으로 사용되지 않는 변압기 결선방식은?
- ① △-Y
- ② Y-△
- ③ Y-Y
- ④ △-△
등록된 댓글이 없습니다.
29. 경간이 200m인 가공 전선로가 있다. 사용 전선의 길이는 경간보다 약 몇 m 길어야 하는가? (단, 전선의 1m 당 하중은 2㎏, 인장하중은 4000㎏ 이고, 풍압하중은 무시하며, 전선의 안전율은 2라 한다.)
- ① 0.33
- ② 0.5
- ③ 1.41
- ④ 1.73
등록된 댓글이 없습니다.
30. 3상 전원에 접속된 △결선의 콘덴서를 Y 결선으로 바꾸면 진상용량은 △결선시의 몇 배로 되는가?
- ① √3
- ② 1/3
- ③

- ④ 3
등록된 댓글이 없습니다.
31. 전압을 nqo 승압하면 부하전력과 역률이 같을 때 전력 손실과 전압강하율은 어떻게 되는가?
- ① 전력손실 : , 전압강하율 :

- ② 전력손실 : , 전압강하율 :

- ③ 전력손실 : , 전압강하율 :

- ④ 전력손실 : , 전압강하율 :

등록된 댓글이 없습니다.
32. 송전선로에서 역섬락을 방지하는 유효한 방법은?
- ① 가공지선을 설치한다.
- ② 소호각을 설치한다.
- ③ 탑각 접지저항을 작게 한다.
- ④ 피뢰기를 설치한다.
등록된 댓글이 없습니다.
33. 250㎜ 현수애자 10개를 직렬로 접속한 애자연의 건조 섬락전압이 590KV이고 연효율(string effciency)이 0.74 이다. 현수애자 한 개의 건조섬락전압은 약 몇 KV 인가?
- ① 80
- ② 90
- ③ 100
- ④ 120
등록된 댓글이 없습니다.
34. 피뢰기의 설명으로 틀린 것은?
- ① 충격방전 개시전압이 낮을 것.
- ② 사용주파 방전개시전압이 낮을 것.
- ③ 제한전압이 낮을 것.
- ④ 속류의 차단능력이 클 것.
등록된 댓글이 없습니다.
35. 최소 동작전류 이상의 전류가 흐르면 즉시 동작하는 계전기는?
- ① 반한시계전기
- ② 정한시계전기
- ③ 순한시계전기
- ④ Notting 한시계전기
등록된 댓글이 없습니다.
36. 지중 케이블에 있어서 고장점을 찾는 방법이 아닌 것은?
- ① 머리 루프 시험기에 의한 방법
- ② 메거에 의한 측정방법
- ③ 수색 코일에 의한 방법
- ④ 펄스에 의한 측정법
등록된 댓글이 없습니다.
37. 전력계통의 전압을 조정하는 가장 보편적인 방법은?
- ① 발전기의 유효전력 조정
- ② 부하의 유효전력 조정
- ③ 계통의 주파수 조정
- ④ 계통의 무효전력 조정
등록된 댓글이 없습니다.
38. 송 ㆍ 배전선로에 대한 다음 설명 중 틀린 것은?
- ① 송ㆍ배전선로는 저항, 인덕턴스, 정전용량, 누설컨덕턴스라는 4개의 정수로 이루어진 연속된 전기회로이다.
- ② 송ㆍ배전선로의 전압강하, 수전전력, 송전손실, 안정도 등을 계산하는데 선로정수가 필요한다.
- ③ 장거리 송전선로에 대해서 정밀한 계산을 할 경우에는 분포정수회로로 취급한다.
- ④ 송ㆍ배전선로의 선로정수는 원칙적으로 송전전압, 전류 또는 역률 등에 의해서 영향을 많이 받게 된다.
등록된 댓글이 없습니다.
39. “수용률이 크다. 부등률이 크다. 부하율이 크다.” 라는 의미는?
- ① 항상 같은 정도의 전력을 소비하고 있다는 것이다.
- ② 전력을 가장 많이 소비할 때는 사용하지 않는 전기기구가 별로 없다는 것이다.
- ③ 전력을 가장 많이 소비하는 시간은 지역에 따라 다르다는 것이다.
- ④ 전력을 가장 많이 소비하는 시간은 모든 지역이 같다는 것이다.
등록된 댓글이 없습니다.
40. 수차의 조속기가 너무 예민하면 어떤 현상이 발생되는가?
- ① 탈조를 일으키게 된다.
- ② 수압상승률이 크게 된다.
- ③ 속도변동률이 작게 된다.
- ④ 전압변동이 작게 된다.
등록된 댓글이 없습니다.
3과목 : 전기기기
41. P[㎾], N[rpm]인 전동기의 토오크 [㎏ㆍm]는?
- ①

- ②

- ③

- ④

등록된 댓글이 없습니다.
42. 3상 변압기의 병렬 운전 조건으로 틀린 것은?
- ① 상회전 방향과 각 변위가 같을 것.
- ② % 저항 강하 및 리액턴스 강하가 같을 것.
- ③ 각 군의 임피던스가 용량에 비례할 것.
- ④ 정격 전압, 권수비가 같을 것.
등록된 댓글이 없습니다.
43. 전력 변환 기기가 아닌 것은?
- ① 변압기
- ② 정류기
- ③ 유도전동기
- ④ 인버터
등록된 댓글이 없습니다.
44. 다음은 유도자형 동기발전기의 설명이다. 옳은 것은?
- ① 전기자만 고정되어 있다.
- ② 계자극만 고정되어 있다.
- ③ 계자극과 전기자가 고정되어 있다.
- ④ 회전자가 없는 특수 발전기이다.
등록된 댓글이 없습니다.
45. 동기전동기에서 여자를 강화하면?
- ① 토크가 증가한다.
- ② 출력이 증가한다.
- ③ 전기자전류의 위상이 진상이 된다.
- ④ 난조가 발생하기 쉽다.
등록된 댓글이 없습니다.
46. 전기자 지름 0.2[m]의 직류발전기가 1.5[㎾] 출력에서 1800[rpm]으로 회전할 때 전기자의 주변속도[m/sec]는?
- ① 15.32
- ② 17.01
- ③ 18.84
- ④ 20.25
등록된 댓글이 없습니다.
47. 권선형 유도 전동기와 직류 분권 전동기와의 유사항 점 2가지는?
- ① 정류자가 있다. 저항으로 속도조정을 할 수 있다.
- ② 속도 변동률이 적다. 토크가 전류에 비례한다.
- ③ 속도가 가변이다. 기동토크가 기동전류에 비례한다.
- ④ 속도 변동률이 적다. 저항으로 속도 조정을 할 수 있다.
등록된 댓글이 없습니다.
48. 그림과 같은 단상 전파제어 회로에서 전원전압의 최대치가 2300[V]이다. 저항 2.3[Ω], 리액턴스 2.3[Ω]인 부하에 전력을 공급하고자 한다. 최대전력[㎾]는?

- ① 약 1.15
- ② 약 1.62
- ③ 약 1150
- ④ 약 1626
등록된 댓글이 없습니다.
49. 50[㎐], 6극, 200[V], 10[㎾]의 3상 유도 전동기가 960[rpm]으로 회전하고 있을 때의 2차 주파수[㎐]는?
- ① 2
- ② 4
- ③ 6
- ④ 8
등록된 댓글이 없습니다.
50. 단상 반파 정류로 직류전압 100[V]를 얻으려고 한다. 최대역전압(Peak inverse voltage) 즉 PIV 는 몇[V] 이상의 다이오드를 사용해야 하는가?
- ① 100
- ② 156
- ③ 223
- ④ 314
등록된 댓글이 없습니다.
51. 정격출력 50[㎾]의 정격전압 220[V], 주파수 60[㎐], 극수 4의 3상 유도 전동기가 있다. 이 전동기가 전부하에서 tm립 S=0.04, 효율 90[%]로 운전하고 있을 때 다음과 같은 값을 갖는다. 이중 틀린 것은?
- ① 1차 입력 = 55.56[㎾]
- ② 2차 효율 = 96[%]
- ③ 회전자입력 = 47.9[㎾]
- ④ 회전자동손 = 2.08[㎾]
등록된 댓글이 없습니다.
52. 전부하시 동손 90[W], 철손 40[W]의 변압기의 효율이 최대로 되는 부하는 전부하의 몇 [%]인가?
- ① 약 50
- ② 약 67
- ③ 약 80
- ④ 약 100
등록된 댓글이 없습니다.
53. 스테핑 모터의 속도-토크특성에 관한 설명 중 틀린 것은?
- ① 무부하상태에서 이 값보다 빠른 입력펄스주파수에서는 기동시킬 수가 없게 되는 주파수를 최대자기동주파수라 한다.
- ② 탈출(풀 아웃)토크와 인입(풀 인)토크에 의해 둘러쌓인 영역을 슬루(slew)영역이라 한다.
- ③ 슬루영역에서는 펄스레이트를 변화시켜도 오동작이나 공진을 일으키지 않는 안정한 영영이다.
- ④ 무부하시 이 주파수 이상의 펄스를 인가하여도 모터가 응답할 수 없는 것을 최대응답주파수라 한다.
등록된 댓글이 없습니다.
54. 450[KVA], 역률 0.85, 효율 0.9되는 동기발전기 운전용 원동기의 입력[㎾]은?
- ① 450
- ② 500
- ③ 550
- ④ 600
등록된 댓글이 없습니다.
55. 직류 직권 전동기가 있다. 공급전압이 100[V], 전기자 전류가 4[A]일 때 회전속도는 1500[rpm]이다. 여기서 공급전압을 80[V]로 낮추었을 때 같은 전류에 대하여 회전 속도는 얼마로 되는가? (단, 전기자 권선 및 계자 권선의 전저항은 0.5[Ω]이다.)
- ① 986
- ② 1042
- ③ 1125
- ④ 1194
등록된 댓글이 없습니다.
56. 전압 제어가 아닌 것은?
- ① 정지형 레너드 제어
- ② 초퍼 제어
- ③ 회생 제어
- ④ 일그너 제어
등록된 댓글이 없습니다.
57. 두 대이상의 변압기를 이상적으로 병렬 운전하려고 할 때 필요 없는 것은?
- ① 각 변압기의 손실비가 같을 것.
- ② 무부하에서 순환 전류가 흐르지 않을 것.
- ③ 각 변압기의 부하 전류가 같은 위상이 될 것.
- ④ 부하 전류가 용량에 비례해서 각 변압기에 흐를 것.
등록된 댓글이 없습니다.
58. 변압기 결선에서 제 3고조파 전압이 발생하는 결선은?
- ① Y - Y
- ② △ - △
- ③ △ - Y
- ④ Y - △
등록된 댓글이 없습니다.
59. 변압기 온도상승 시험을 하는데 가장 좋은 방법은?
- ① 충격전압시험
- ② 단락시험
- ③ 반환부하법
- ④ 무부하시험
등록된 댓글이 없습니다.
60. 3상 동기발전기의 매극 매상의 슬롯수를 3이라 할때 분포권 계수는?
- ①

- ②

- ③

- ④

등록된 댓글이 없습니다.
4과목 : 회로이론 및 제어공학
61. [V]의 실효치는 몇 [V]인가?
- ① 12.6
- ② 11.5
- ③ 10.6
- ④ 9.6
등록된 댓글이 없습니다.
62. 전류의 대칭분을 I0, I1, I2 유기 기전력 및 단자전압의 대칭분을 Ea,Eb,Ec 및 V0,V1,V2라 할 때 3상 교류발전기의 기본식 중 정상분 V1 값은?
- ① -Z0I0
- ② -Z2I2
- ③ Ea-Z1I1
- ④ Eb-Z2I2
등록된 댓글이 없습니다.
63. R=2[Ω], L=10[mH], C=4[㎌]의 직렬공진 회로의 Q는?
- ① 25
- ② 45
- ③ 65
- ④ 85
등록된 댓글이 없습니다.
64. 성형 결선의 부하가 있다. 선간 전압 300[V]의 3상 교류를 인가했을 때 선전류가 40[A]이고 그 역률이 0.8이라면 리액턴스[Ω]는?
- ① 16628
- ② 4.3
- ③ 3561
- ④ 2.598
등록된 댓글이 없습니다.
65. 최대값 V0, 내부 임피던스 Z0=R0+jX0(R0>0)인 전원에서 공급할 수 있는 최대 전력은?
- ①

- ②

- ③

- ④

등록된 댓글이 없습니다.
66. e-at cosωt의 라프라스 변환은?
- ①

- ②

- ③

- ④

등록된 댓글이 없습니다.
67. 다음 회로의 전달함수 G(s)=E0(s)/Ei(s)는 얼마인가?

- ①

- ②

- ③

- ④

등록된 댓글이 없습니다.
68. 그림과 같은 4단자 회로망의 4단자 정수 중에서 C는 어떻게 되는가?

- ①

- ②

- ③

- ④

등록된 댓글이 없습니다.
69. R-L-C 직렬회로의 과도상태에서 저항의 값이 다음의 어느 값일 때 진동이 되는가?
- ①

- ②

- ③

- ④

등록된 댓글이 없습니다.
70. 다음 파형의 라플라스 변환은?

- ①

- ②

- ③

- ④

등록된 댓글이 없습니다.
71. 다음의 신호선도에서 Y(s)/D(s)를 구하면?

- ①

- ②

- ③

- ④

등록된 댓글이 없습니다.
72. G(s)= 로 표시되는 제어계에서 ω가 아주 클때 ㅣ(jω)ㅣ사와 위상각은?
- ① -40[dB], -180°
- ② -40[dB], -90°
- ③ -20[dB], -180°
- ④ -20[dB], -90°
등록된 댓글이 없습니다.
73. 연산 증폭기의 성질에 관한 설명 중 옳지 않은 것은?
- ① 전압 이득이 매우 크다.
- ② 입력 임피던스가 매우 작다.
- ③ 전력 이득이 매우 크다.
- ④ 입력 임피던스가 매우 크다.
등록된 댓글이 없습니다.
74. G(s)H(s)가 다음과 같이 주어지는 부궤환계에서 근궤적 점근선의 실수축과의 교차점은?

- ① 0
- ② 1
- ③ 3
- ④ -4
등록된 댓글이 없습니다.
75. 로 표현되는 시스템의상태 천이행렬(state-transition matrix) Φ(t)를 구하면?(오류 신고가 접수된 문제입니다. 반드시 정답과 해설을 확인하시기 바랍니다.)
- ①

- ②

- ③

- ④

등록된 댓글이 없습니다.
76. 는?
- ① e-t-te-t
- ② e-t-2te-t
- ③ et-te-t
- ④ e-t+te-t
등록된 댓글이 없습니다.
77. 3차인 이산치 시스템의 특성방정식의 근이 -0.3, -0.2, +0.5로 주어져 있다. 이 시스템의 안정도는?
- ① 이 시스템은 안정한 시스템이다.
- ② 이 시스템은 임계 안정한 시스템이다.
- ③ 이 시스템은 불안정한 시스템이다.
- ④ 위 정보로서는 이 시스템의 안정도를 알 수 있다.
등록된 댓글이 없습니다.
78. 보드 선도에서 이득여유에 대한 정보를 얻을 수 있는 것은?
- ① 위상선도가 0° 축과 교차하는 점에 대응하는 크기
- ② 위상선도가 180° 축과 교차하는 점에 대응하는 크기
- ③ 위상선도가 -180° 축과 교차하는 점에 대응하는 크기
- ④ 위상선도가 -90° 축과 교차하는 점에 대응하는 크기
등록된 댓글이 없습니다.
79. 8개 비트(bit)를 사용한 아날로그-디지털 변환기(Analog-to-Digital Converter)에 있어서 출력의 종류는 몇가지가 되는가?(오류 신고가 접수된 문제입니다. 반드시 정답과 해설을 확인하시기 바랍니다.)
- ① 256
- ② 128
- ③ 64
- ④ 8
등록된 댓글이 없습니다.
80. 의 함수를 z 역변환하면?
- ① y(t)=-2u(t)-2u(2t)
- ② y(t)=-2u(t)+2u(2t)
- ③ y(t)=-3δ(t)-3δ(2t)
- ④ y(t)=-3δ(t)+3δ(2t)
등록된 댓글이 없습니다.
5과목 : 전기설비기술기준 및 판단기준
81. 특별고압 가공전선이 도로등과 교차하여 도로 상부측에 시설될 경우에 보호망도 같이 시설하려고 한다. 보호망은 제 몇 종 접지공사로 하여야 하는가?
- ① 제1종 접지공사
- ② 제2종 접지공사
- ③ 제3종 접지공사
- ④ 특별제3종 접지공사
등록된 댓글이 없습니다.
82. 최대 사용전압이 154000V인 중성점 직접 접지식 전로의 절연내력 시험전압은 몇 V 인가?
- ① 110880
- ② 141680
- ③ 169400
- ④ 192500
등록된 댓글이 없습니다.
83. 다음 중 전선로의 종류가 아닌 것은?
- ① 공간전선로
- ② 수저전선로
- ③ 옥측전선로
- ④ 옥상전선로
등록된 댓글이 없습니다.
84. 조상기에 내부 고장이 생긴 경우, 조상기의 용량이 몇 KVA 이상일 때 전로로부터 자동 차단하는 장치를 시설하여야 하는가?
- ① 5000
- ② 10000
- ③ 15000
- ④ 옥상전선로
등록된 댓글이 없습니다.
85. 가공전선 및 지지물에 관한 시설기준 중 틀린 것은?
- ① 가공전선은 다른 가공전선로, 전차선로, 가공 약전류 전선로 또는 가공 광섬유 케이블선로의 지지물을 사이에 두고 시설하여서는 아니된다.
- ② 가공전선의 분기는 분기점에서 전선에 장력이 가하여지지 아니하도록 시설하는 경우 이외에는 그 전선의 지지 점에서 하여야 한다.
- ③ 가공전선로의 지지물에는 승탑 및 승주를 할 수 있도록 발판못 등을 시설하여서는 아니된다.
- ④ 가공전선로의 지지물로서는 목주 ㆍ 철주 ㆍ 철근콘크리트주 또는 철탑을 사용하여야 한다.
등록된 댓글이 없습니다.
86. 특별고압 가공전선로의 지지물에 시설하는 통신선 또는 이에 직접 접속하는 통신선이 도로ㆍ횡단보도교ㆍ철도ㆍ궤도 또는 삭도와 교차하는 경우에는 통신선은 지름 몇 mm의 경동선이나 이와 동등 이상의 세기의 것이어야 하는가?
- ① 4
- ② 4.5
- ③ 5
- ④ 5.5
등록된 댓글이 없습니다.
87. 전기욕기의 전원 변압기의 2차측 전압의 최대 한도는 몇 V인가?
- ① 6
- ② 10
- ③ 12
- ④ 15
등록된 댓글이 없습니다.
88. 제2차 접근상태를 바르게 설명한 것은?
- ① 가공전선이 전선의 절단 또는 지지물의 도괴 등이 되는 경우에 당해 전선이 다른 시설물에 접속될 우려가 있는 상태
- ② 가공전선이 다른 시설물과 접근하는 경우에 당해 가공 전선이 다른 시설물의 위쪽 또는 옆쪽에서 수평거리로 3m 미만인 곳에 시설되는 상태
- ③ 가공전선이 다른 시설물과 접근하는 경우에 가공전선을 다른 시설물과 수평되게 시설되는 상태
- ④ 가공선로에 제2종 접지공사를 하고 보호망으로 보호하여 인축의 감전상태를 방지하도록 조치하는 상태
등록된 댓글이 없습니다.
89. 가공 전선로의 지지물에 시설하는 지선의 시설기준으로 맞는 것은?
- ① 지선의 지지율은 1.2 이상일 것.
- ② 소선 5가닥 이상의 연선일 것.
- ③ 지중부분 및 지표상 60cm 까지의 부분은 아연도금 철봉 등 부식하기 어려운 재료를 사용할 것.
- ④ 도로를 횡단하여 시설하는 지선의 높이는 지표상 5m 이상으로 할 것.
등록된 댓글이 없습니다.
90. 고압 가공 전선로와 기설 가공 약전류 전선로가 병행되는 경우, 유도작용에 의해서 통신상의 장해가 발생하지 않도록 하기 위하여 전선과 기설 가공 약전류 전선간의 이격거리는 최소 몇 m이상이어야 하는가?(오류 신고가 접수된 문제입니다. 반드시 정답과 해설을 확인하시기 바랍니다.)
- ① 0.5
- ② 1
- ③ 1.5
- ④ 2
등록된 댓글이 없습니다.
91. 관, 암거 기타 지중전선을 넣은 방호장치의 금속제 부분, 금속제의 전선 접속함 및 지중전선의 피복으로 사용하는 금속체에 시행하는 접지공사의 종류는?
- ① 제1종접지공사
- ② 제2종접지공사
- ③ 제3종접지공사
- ④ 특별제3종접지공사
등록된 댓글이 없습니다.
92. 공장, 사무실, 학교 등에 시설하는 전체 조명용 전등은 부분 조명이 가능하도록 등기구 수 몇 개 이내의 전등군으로 구분하여 점멸이 가능하도록 하여야 하는가?
- ① 4
- ② 6
- ③ 8
- ④ 10
등록된 댓글이 없습니다.
93. 고ㆍ저압 혼촉에 의한 위험을 방지하려고 시행하는 제2종 접지공사에 대한 기준으로 틀린 것은?
- ① 제2종 접지공사는 변압기의 시설장소마다 시행하여야 한다.
- ② 토지의 상황에 의하여 접지저항치를 얻기 어려운 경우, 가공 접지선을 사용하여 접지극을 100m까지 떼어 놓을 수 있다.
- ③ 가공 공동지선을 설치하여 접지공사를 하는 경우 변압기를 중심으로 지름 400m 이내의 지역에 접지를 하여야한다.
- ④ 저압 전로의 사용전압이 300V 이하인 경우에 그 접지공사를 중성점에 하기 어려우면 저압측의 1단자에 시행할 수 있다.
등록된 댓글이 없습니다.
94. 가공 직류 전차선을 광산 기타의 갱도 안의 윗면에 시설하는 경우로서 몇 m 이상일 때 궤도면상의 높이를 5m 이상으로 하지 않아도 되는가?
- ① 1.8
- ② 2
- ③ 2.2
- ④ 2.4
등록된 댓글이 없습니다.
95. 금속관공사에서 절연 붓싱을 사용하는 가장 주된 목적은?
- ① 관의 끝이 터지는 것을 방지
- ② 관의 단구에서 조영재의 접촉 방지
- ③ 관내 해충 및 이물질 출입 방지
- ④ 관의 단구에서 전선 피복의 손상 방지
등록된 댓글이 없습니다.
96. 옥내에 시설하는 관등회로의 사용전압이 1000V를 넘는 방전관에 네온 방전관을 사용하고, 관등회로의 배선은 애자사용공사에 의하여 시설할 경우 다음 설명 중 틀린 것은?
- ① 전선은 네온 전선일 것.
- ② 전선 상호간의 간격은 6cm 이상일 것.
- ③ 전선의 지지점간의 거리는 1m 이하 일 것.
- ④ 전선은 조영재의 앞면 또는 위쪽면에 붙일 것.
등록된 댓글이 없습니다.
97. 길이 16m, 설계하중 900㎏의 철근콘크리트주를 지반이 튼튼한 곳에 시설하는 경우 지지물 기초의 안전율과 무관하려면 땅에 묻는 깊이를 몇 m 이상으로 하여야 하는가?
- ① 2.0
- ② 2.4
- ③ 2.8
- ④ 3.2
등록된 댓글이 없습니다.
98. 사용전압이 175000V인 변전소의 울타리ㆍ담 등의 높이와 울타리ㆍ담 등으로부터 충전부분까지의 거리의 합계는 몇 m 이상으로 하여야 하는가?
- ① 3.12
- ② 4.24
- ③ 5.12
- ④ 6.24
등록된 댓글이 없습니다.
99. 고압 가공인입선이 케이블 이외의 것으로서 그 아래에 위험표시를 하였다면 전선의 지표상 높이는 몇 m 까지로 감할 수 있는가?
- ① 2.5
- ② 3.5
- ③ 4.5
- ④ 5.5
등록된 댓글이 없습니다.
100. 건조한 곳에 시설하고 또한 내부를 건조한 상태로 사용하는 쇼윈도안의 사용전압이 400V 미만인 저압 옥내배선의 전선은?
- ① 단면적이 0.75mm2 이상인 절연전선 또는 캡타이어 케이블
- ② 단면적이 1.25mm2 이상인 코드 또는 절연전선
- ③ 단면적이 0.75mm2 이상인 코드 또는 캡타이어 케이블
- ④ 단면적이 1.25mm2 이상인 코드 또는 다심형 전선
등록된 댓글이 없습니다.