전자계산기기사(2011. 3. 20.) 시험일자 : 2011년 3월 20일
1과목 : 시스템 프로그래밍
1. 페이지 교체 기법 중 가장 오래 동안 사용하지 않은 페이지를 교체할 페이지로 선택하는 기법은?
- ① LFU
- ② SECOND CHANCE
- ③ FIFO
- ④ LRU
등록된 댓글이 없습니다.
2. 의사 코드 명령(Pseudo Instruction)에 대한 설명으로 옳지 않은 것은?
- ① 어셈블러가 원시 프로그램을 번역할 때 어셈블러에게 필요한 작업을 지시하는 명령이다.
- ② 어셈블러 명령(Assembler Instruction)이라고 한다.
- ③ 데이터 정의, 세그먼트와 프로시저 정의, 매크로 정의, 세그먼트 레지스터 할당, 리스트 파일의 지정 등을 지시할 수 있다.
- ④ 어셈블리어 명령과 같이 기계어로 번역된다.
등록된 댓글이 없습니다.
3. 운영체제의 성능 평가 요소로 거리가 먼 것은?
- ① 처리능력
- ② 사용가능도
- ③ 신뢰도
- ④ 비용
등록된 댓글이 없습니다.
4. 매크로 프로세서가 수행하는 기본 기능에 해당하지 않는 것은?
- ① 매크로 구문 인식
- ② 매크로 정의 저장
- ③ 매크로 정의 인식
- ④ 매크로 호출 인식
등록된 댓글이 없습니다.
5. 스케줄링 기법 중 HRN의 우선 순위 계산식으로 옳은 것은?
- ① (대기시간-서비스시간) / 서비스시간
- ② 서비스시간 / (대기시간+서비스시간)
- ③ (대기시간+서비스시간) / 서비스시간
- ④ 대기시간 / (대기시간-서비스시간)
등록된 댓글이 없습니다.
6. 프로세스의 정의로 옳지 않은 것은?
- ① 목적 또는 결과에 따라 발생되는 사건들의 과정
- ② 지정된 결과를 얻기 위한 일련의 계통적 동작
- ③ 동기적 행위를 일으키는 주체
- ④ 프로세서가 할당되는 실체
등록된 댓글이 없습니다.
7. 운영체제의 목적으로 옳지 않은 것은?
- ① 응답시간 및 반환시간의 증가
- ② 사용자와 컴퓨터 간의 인터페이스 제공
- ③ 데이터 공유 및 주변장치 관리
- ④ 자원의 효율적인 운영 및 자원 스케줄링
등록된 댓글이 없습니다.
8. 링킹에 대한 설명으로 가장 적합한 것은?
- ① 실제적으로 기계 명령어와 자료를 기억 장소에 배치한다.
- ② 고급 언어로 작성된 원시 프로그램을 기계어로 변환한다.
- ③ 프로그램들에 기억장소 내의 공간을 할당한다.
- ④ 목적 모듈간의 기호적 호출을 실제적인 주소로 변환한다.
등록된 댓글이 없습니다.
9. 어셈블리어에서 프로그램 작성시 한 프로그램 내에서 동일한 코드가 반복될 경우 반복되는 코드를 한번만 작성하여 특정 이름으로 정의한 후 그 코드가 필요할 때마다 정의된 이름을 호출하여 사용하는 것을 무엇이라고 하는가?
- ① Emulator
- ② Macro
- ③ Preprocessor
- ④ Spooling
등록된 댓글이 없습니다.
10. 운영체제의 종류에 해당하지 않는 것은?
- ① JAVA
- ② UNIX
- ③ WINDOWS NT
- ④ LINUX
등록된 댓글이 없습니다.
11. 로더(loader)의 기능에 해당하지 않는 것은?
- ① compile
- ② allocation
- ③ linking
- ④ relocation
등록된 댓글이 없습니다.
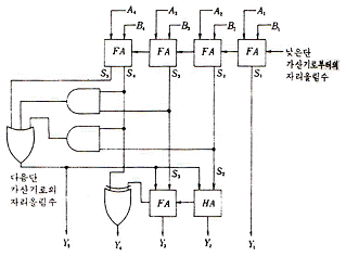
12. 절대로더를 사용하는 경우 기억장소 할당의 수행 주체는?
- ① 프로그래머
- ② 어셈블러
- ③ 로더
- ④ 링커
등록된 댓글이 없습니다.
13. 일반적인 기능의 로더에 가장 가까운 것은?
- ① Compile And Go Loader
- ② Absolute Loader
- ③ Direct Linking Loader
- ④ Dynamic Loading Loader
등록된 댓글이 없습니다.
14. 어셈블리어로 작성된 원시 프로그램의 수행 순서로 옳은 것은?
- ① 원시 프로그램 → 어셈블러 → 로더 → 연결편집기
- ② 원시 프로그램 → 연결편집기 → 어셈블러 → 로더
- ③ 원시 프로그램 → 어셈블러 → 연결편집기 → 로더
- ④ 원시 프로그램 → 로더 → 어셈블러 → 연결편집기
등록된 댓글이 없습니다.
15. 서브루틴에서 자신을 호출한 곳으로 복귀시키는 어셈블리어 명령은?
- ① SUB
- ② MOV
- ③ RET
- ④ INT
등록된 댓글이 없습니다.
16. 어셈블러가 두 개의 패스(pass)로 구성되는 이유로 가장 적합한 것은?
- ① 패스 1, 2의 어셈블러 프로그램이 작아서 경제적이기 때문에
- ② 한 개의 패스로는 프로그램이 너무 커서 유지보수가 어렵기 때문에
- ③ 한 개의 패스로는 처리속도는 빠르나 메모리가 많이 소요되기 때문에
- ④ 기호를 정의하기 전에 사용할 수 있어 프로그램 작성이 용이하기 때문에
등록된 댓글이 없습니다.
17. 어셈블리어에서 어떤 기호적 이름에 상수 값을 할당하는 명령은?
- ① INCLUDE
- ② ORG
- ③ EQU
- ④ ASSUME
등록된 댓글이 없습니다.
18. 다중 프로그래밍 시스템에서 어떤 프로세스가 아무리 기다려도 결코 발생하지 않을 사건을 기다리고 있을 때, 그 프로세서는 어떤 상태라고 볼 수 있는가?
- ① Working Set
- ② Semaphore
- ③ Deadlock
- ④ Critical Section
등록된 댓글이 없습니다.
19. 고급 언어로 작성된 원시 프로그램을 해석하고 분석하여 컴퓨터에서 실행될 수 있는 실행 프로그램을 생성하는 것은?
- ① Compiler
- ② Loader
- ③ Application program
- ④ Macro
등록된 댓글이 없습니다.
20. 기계어에 대한 설명으로 옳지 않은 것은?
- ① 기종마다 기계어가 동일하므로 언어의 호환성이 높다.
- ② 컴퓨터가 직접 이해할 수 있는 언어이다.
- ③ 0과 1의 2진수 형태로 표현된다.
- ④ 수행 시간이 빠르다.
등록된 댓글이 없습니다.
2과목 : 전자계산기구조
21. 컴퓨터 시스템에서 1-address machine, 2-address machine, 3-address machine으로 나눌 때 기준이 되는 것은?
- ① operation code
- ② 기억장치의 크기
- ③ register 수
- ④ operand의 address 수
등록된 댓글이 없습니다.
22. 어떤 시스템에서 자기테이프에 가변 길이의 레코드를 기억시키려면 각 레코드 앞에 4바이트의 레코드 길이가 필요하며, 각 블록 앞에 4바이트의 블록 길이가 필요하다. 최대 250바이트의 레코드를 사용하는데 blocking factor를 3으로 한다면 최소한의 블록의 길이는?
- ① 750[byte]
- ② 762[byte]
- ③ 766[byte]
- ④ 770[byte]
등록된 댓글이 없습니다.
23. 프로그램 수행 중에 인터럽트가 발생하였을 경우 인터럽트의 처리 절차로 가장 옳은 것은?
- ① 발생 즉시 처리한다.
- ② 수행 중인 프로그램을 완료하고 처리한다.
- ③ 수행 중인 인스트럭션을 끝내고 처리한다.
- ④ CPU에게 알린 후 모든 프로그램을 종료하고 처리한다.
등록된 댓글이 없습니다.
24. 인스트럭션 수행을 위한 메이저 상태를 설명한 것 중 옳은 것은?
- ① execute 상태는 간접주소지정 방식의 경우에만 수행된다.
- ② 명령어를 기억장치 내에서 가져오기 위한 동작을 fetch라 한다.
- ③ CPU의 현재 상태를 보관하기 위한 기억장치 접근을 indirect 상태라 한다.
- ④ 명령어 종류를 판별하는 것을 indirect 상태라한다.
등록된 댓글이 없습니다.
25. 프로그램 상태 워드(Program Status Word)에 대한 설명으로 옳은 것은?
- ① 시스템의 동작은 CPU 안에 있는 program counter에 의해 제어된다.
- ② interrupt 레지스터는 PSW의 일종이다.
- ③ 명령 실행 순서를 제어하고, 실행 중인 프로그램에 관계가 있는 시스템의 상태를 나타낸다.
- ④ PSW는 8bit의 크기이다.
등록된 댓글이 없습니다.
26. 10진법의 한 자릿수를 2진법으로 나타내기 위해 최소한 몇 개의 비트가 필요한가?
- ① 10비트
- ② 8비트
- ③ 6비트
- ④ 4비트
등록된 댓글이 없습니다.
27. N 가지의 정보를 2진수 코드로 부호화하는데 필요한 비트수는?
- ①

- ②

- ③

- ④

등록된 댓글이 없습니다.
28. 디코더(decoder)의 출력이 4개일 때 입력 개수는?
- ① 1
- ② 2
- ③ 8
- ④ 16
등록된 댓글이 없습니다.
29. 다음 설명 중 틀린 것은?
- ① associative memory는 데이터의 내용으로 병렬 탐색을 하기에 알맞도록 되어 있다.
- ② 메모리 기술의 발전으로 associative memory와 CAM이 DRAM보다 가격이 싸다.
- ③ associative memory는 각 셀이 외부의 인자와 내용을 비교하기 위한 논리회로를 가지고 있다.
- ④ CAM의 탐색은 전체 워드 또는 한 워드 내의 일부만을 가지고 시행될 수 있다.
등록된 댓글이 없습니다.
30. Gray code 1111을 2진 코드로 바꾼것은?
- ① (1010)2
- ② (1011)2
- ③ (0111)2
- ④ (1001)2
등록된 댓글이 없습니다.
31. DMA 방식에 의한 사이클 스틸과 인터럽트의 가장 특징적인 차이점은?
- ① 프로그램을 영원히 정지
- ② 실행중인 프로그램 정지
- ③ 프로그램의 실행이 다시 시작
- ④ 주기억장치 사이클의 한 주기만 정지
등록된 댓글이 없습니다.
32. 10진수 -87을 2의 보수로 표현하면?
- ① (10101001)2
- ② (10101000)2
- ③ (00101001)2
- ④ (01010111)2
등록된 댓글이 없습니다.
33. 다음 알고리즘은 어떤 연산에 관한 것인가? (단, X: 피젯수, Y: 제수, Q: 몫, R: 나머지임)

- ① 곱셈
- ② 나눗셈
- ③ 보수를 이용한 가산
- ④ 덧셈을 이용한 거듭제곱
등록된 댓글이 없습니다.
34. RISC 방식 컴퓨터의 특징으로 옳은 것은?
- ① 주소지정방식이 다양하다.
- ② 명령어 길이가 가변적이다.
- ③ 제어장치가 단순하고 속도가 빠르다.
- ④ CISC 구조보다 데이터 처리속도가 늦다.
등록된 댓글이 없습니다.
35. 마이크로 명령 형식으로 적합하지 않은 것은?
- ① 수평 마이크로 명령
- ② 제어 마이크로 명령
- ③ 수직 마이크로 명령
- ④ 나노 명령
등록된 댓글이 없습니다.
36. 컴퓨터의 필수적인 구성 장치가 아닌 것은?
- ① I/O 장치
- ② 중앙처리장치
- ③ 기억장치
- ④ 콘솔장치
등록된 댓글이 없습니다.
37. 부동소수점 표현의 수들 사이의 덧셈과 뺄셈 알로리즘 과정에 해당하지 않은 것은?
- ① 0(zero)인지 여부를 조사한다.
- ② 지수의 위치를 조정한다.
- ③ 가수를 더하거나 뺀다.
- ④ 결과를 정규화한다.
등록된 댓글이 없습니다.
38. 캐시(cashe) 메모리에서 특정 내용을 찾는 방식중 매핑 방식에 주로 사용되는 메모리는?
- ① Nano memory
- ② Associative memory
- ③ virtual memory
- ④ Stack memory
등록된 댓글이 없습니다.
39. 부호를 나타내지 않은 양의 수에 대한 산술적 시프트를 한 경우에 대한 설명으로 옳지 않은 것은?
- ① 왼쪽으로 시프트시 밀려나는 비트가 1이면 절단 현상이 발생한다.
- ② 시프트시 새로 들어오는 비트는 0이다.
- ③ 오른쪽으로 1번 시프트하면 2로 나눈 것과 같다.
- ④ 왼쪽으로 1번 시프트하면 2배한 것과 같다.
등록된 댓글이 없습니다.
40. 일반적으로 중앙처리장치에서 하는 일과 가장 거리가 먼 것은?
- ① 명령 레지스터에 기억된 명령을 해독한다.
- ② 산술연산을 한다.
- ③ 명령 처리순서를 결정하는 각종 제어신호를 만들어 낸다.
- ④ 센서 신호의 변환을 담당한다.
등록된 댓글이 없습니다.
3과목 : 마이크로전자계산기
41. 입출력 장치와 CPU 사이의 자료 교환시에 사용되는 기법들이다. 성격이 다른 것은?
- ① parity bit 전송
- ② synchronous 전송
- ③ cyclic redundancy character 전송
- ④ echo back
등록된 댓글이 없습니다.
42. 중앙처리장치에 연결되는 양방향성 버스는?
- ① 데이터 버스
- ② 주소 버스
- ③ 제어선
- ④ 채널
등록된 댓글이 없습니다.
43. 마이크로컴퓨터 개발 시스템에 대한 설명으로 옳지 않은 것은?
- ① 하드웨어 개발 시간과는 무관하다.
- ② 하드웨어를 조정하고 소프트웨어를 개발하며 오류를 보정하기 위한 장치이다.
- ③ 마이크로컴퓨터의 설계와 개발에 필요한 요구를 충족시킨다.
- ④ 마이크로컴퓨터 시스템 개발 주기를 매우 빠르게 한다.
등록된 댓글이 없습니다.
44. 다음은 CPU가 프린터로 데이터를 출력하는 과정을 나타낸 것이다. 순서대로 올바르게 나열된 것은?

- ① ㉡ → ㉠ → ㉢ → ㉣
- ② ㉡ → ㉢ → ㉠ → ㉣
- ③ ㉢ → ㉡ → ㉠ → ㉣
- ④ ㉢ → ㉠ → ㉡ → ㉣
등록된 댓글이 없습니다.
45. 입력과 출력의 독립 제어점을 갖는 8비트로 구성된 5개의 레지스터에 상호 병렬 데이터 전송이 가능하도록 하려면 데이터 선의 수는 몇 개로 하여야 하는가?
- ① 8
- ② 40
- ③ 80
- ④ 160
등록된 댓글이 없습니다.
46. 다음 중 가장 많은 Cycle time을 필요로 하는 명령어 형식은?
- ① 0 address 방식
- ② 1 address 방식
- ③ 2 address 방식
- ④ 3 address 방식
등록된 댓글이 없습니다.
47. 중앙처리장치로부터 입출력 지시를 받으면 직접 주기억장치에 접근하여 데이터를 입출력하고 입출력에 관한 모든 동작을 독립적으로 수행하는 입출력 제어 방식은?
- ① 프로그램에 의한 입출력 제어 방식
- ② 인터럽트에 의한 입출력 제어 방식
- ③ DMA에 의한 입출력 제어 방식
- ④ 프로세서에 의한 입출력 제어 방식
등록된 댓글이 없습니다.
48. 제어 메모리에서 번지를 결정하는 방법과 관련이 없는 것은?
- ① 제어 어드레스 레지스터를 하나씩 증가
- ② 마이크로 명령어에서 지정하는 번지로 무조건 분기
- ③ 상태비트에 따라 무조건 분기
- ④ 매크로 동작 비트로부터 ROM으로의 매핑(mapping)
등록된 댓글이 없습니다.
49. 주기억장치에 기억된 프로그램의 명령을 해독하여 그 명령 신호를 각 장치에 보내 명령을 처리하도록 지시하는 것은?
- ① 제어 장치
- ② 연산 장치
- ③ 기억 장치
- ④ 입력 장치
등록된 댓글이 없습니다.
50. 어떤 통신 선로의 전송 속도는 9600[bps]이며, 한 개 전송문자는 8비트 데이터와 4비트의 제어 비트로 구성되어 있다면 1초당 전송되는 문자의 개수는?
- ① 400개
- ② 800개
- ③ 1200개
- ④ 2400개
등록된 댓글이 없습니다.
51. 다음 중 제어 프로그램에 속하는 것은?
- ① 수퍼바이저 프로그램
- ② 언어처리 프로그램
- ③ 유틸리티 프로그램
- ④ 응용 프로그램
등록된 댓글이 없습니다.
52. 기억장치 대역폭(band width)에 대한 설명 중 틀린 것은?
- ① 기억장치가 마이크로프로세서에 1초 동안에 전송할 수 있는 비트 수이다.
- ② 사이클 타임 또는 접근시간과 기억장치에 연결되어 있는 데이터 버스 길이(버스 폭)에 따라 결정된다.
- ③ 한 번에 전송되는 데이터 워드가 크면 대역폭은 증가한다.
- ④ 기억장치 모듈 접근시간이 크면 대역폭은 증가한다.
등록된 댓글이 없습니다.
53. 양극성 소자(bipolar)로 만든 비트 슬라이스(bit-slice) 마이크로프로세서의 장점과 단점을 순서대로 옳게 나열한 것은?
- ① 고도의 집적도, 속도가 느림
- ② 고도의 집적도, 가격이 저렴함
- ③ 전력소비량이 적음, 낮은 집적도
- ④ 빠른 속도, 단일 칩으로 제작이 안 됨
등록된 댓글이 없습니다.
54. 프로그램 내에서 가까운 장소로 제어를 이동시킬 때 가장 효과적인 주소 지정 방식은? (단, 프로그램은 주기억장치 임의의 곳에서 시행된다고 본다.)
- ① 상대 어드레스 지정 방식
- ② 인덱스 어드레스 지정 방식
- ③ 절대 어드레스 지정 방식
- ④ 함축 어드레스 지정 방식
등록된 댓글이 없습니다.
55. 마이크로컴퓨터를 구성하는 주요 버스가 아닌 것은?
- ① 검사 버스(test bus)
- ② 데이터 버스(data bus)
- ③ 주소 버스(address bus)
- ④ 제어 버스(control bus)
등록된 댓글이 없습니다.
56. 주컴퓨터에서 원격지에 설치한 장비로써 여러개의 단말장치들을 접속, 이들로부터 발생하는 메시지들을 저장하여 하나의 메시지로 농축해서 전송함으로써 통신회선의 사용 효율을 증대시키는 장비를 무엇이라고 하는가?
- ① decoder
- ② demultiplexer
- ③ concentrator
- ④ encoder
등록된 댓글이 없습니다.
57. 마이크로컴퓨터의 병렬 입출력 인터페이스가 아닌 것은?
- ① PIO
- ② UART
- ③ PPI
- ④ PIA
등록된 댓글이 없습니다.
58. Program Counter에 대한 설명으로 틀린 것은?
- ① 다음에 수행될 명령어의 주소를 저장한다.
- ② 분기 명령어가 아니라면 일반적으로 1~4가 증가한다.
- ③ 분기 명령어의 주소 부분은 PC 값으로 전송된다.
- ④ 연산의 결과를 저장하기 위한 레지스터이다.
등록된 댓글이 없습니다.
59. 어셈블러 의사 명령(pseudo instruction)의 기능과 관계없는 것은?
- ① 기계어로 번역된다.
- ② 어셈블러의 동작을 지시한다.
- ③ 기억장소에 빈 장소를 마련한다.
- ④ 다른 프로그램에서 정의된 기호를 사용할 수 있게 한다.
등록된 댓글이 없습니다.
60. 8085 CPU에서 클록은 약 2.4576[MHz]이다. LDA 명령을 수행하는데 13개 T 스테이트가 필요하다. 이 때 명령 사이클은 약 몇 [μs] 인가?
- ① 13
- ② 5.2
- ③ 2.5
- ④ 3.2
등록된 댓글이 없습니다.
4과목 : 논리회로
61. 다음 논리회로의 논리식은?

- ① Y = AB+CD
- ② Y = (A+B)(C+D)
- ③ Y = AB(C+D)
- ④ Y = (A+B)+(C+D)
등록된 댓글이 없습니다.
62. 많은 입력 중 선택된 입력선의 2진 정보를 출력선에 넘기므로 데이터 선택기라고도 불리는 것은?
- ① Demultiplexer
- ② Multiplexer
- ③ PLA
- ④ Decoder
등록된 댓글이 없습니다.
63. 2진수를 그레이 코드로 변환하는 회로에 들어가는 논리게이트 명칭은?
- ① NOR 게이트
- ② OR 게이트
- ③ NAND 게이트
- ④ EX-OR 게이트
등록된 댓글이 없습니다.
64. 1[MHz]의 수정발진기가 있다. 이 출력을 분주하여 500[Hz]의 클록 주파수를 만들고자 한다. 이 때 필요한 최소한의 플립플롭 수는?
- ① 11
- ② 10
- ③ 8
- ④ 7
등록된 댓글이 없습니다.
65. 다음 회로에 대해 잘못 설명한 것은?

- ① 8421코드의 가산기이다.
- ② 가산을 행하여 그 합이 4가 넘으면 6을 더한다.
- ③ 8421코드와 대응되는 10진수의 10이상의 코드는 의미가 없다.
- ④ 8421코드와 대응되는 10진수의 10이상의 6개의 코드는 제외시킨다.
등록된 댓글이 없습니다.
66. 다음 그림의 카운터는 어떠한 카운터인가?

- ① 동기식 mod-6 2진 카운터
- ② 동기식 mod-8 2진 카운터
- ③ 비동기식 mod-5 2진 카운터
- ④ 비동기식 mod-7 2진 카운터
등록된 댓글이 없습니다.
67. 다음 회로의 기능은?

- ① 짝수 패리티 발생기
- ② 홀수 패리티 발생기
- ③ 오차 발생기
- ④ 캐리 발생기
등록된 댓글이 없습니다.
68. 그림은 전가산기이다. 출력 S와 Co의 논리식은?

- ①

- ②

- ③

- ④

등록된 댓글이 없습니다.
69. 다음 회로가 나타내는 것은?

- ① BCD-to-decimal decoder
- ② 3 by 8 decoder
- ③ 3 by 4 decoder
- ④ 3 by 4 decoder
등록된 댓글이 없습니다.
70. 데이터 전송 시스템에서 송신단에 적합한 회로는?
- ① 인코더
- ② 디코더
- ③ 멀티플렉서
- ④ 디멀티플렉서
등록된 댓글이 없습니다.
71. F(A,B,C)=Σ(0,2,4,6)의 최소항으로 표시된 논리식을 간략화하면?
- ① A
- ② A
- ③ C
- ④ C
등록된 댓글이 없습니다.
72. 첫 번째 플립플롭의 CP 입력에만 클록펄스가 입력되고, 다른 플립플롭은 각 플립플롭의 출력을 다음 플립플롭의 CP 입력으로 사용하는 것을 무엇이라 하는가?
- ① 존슨 카운터
- ② 링 카운터
- ③ 리플 카운터
- ④ 동기식 BCD 카운터
등록된 댓글이 없습니다.
73. 6자리의 2진수로 나타낼 수 있는 수 중에서 가장 큰 수를 10진수로 나타내면?
- ① 31
- ② 32
- ③ 63
- ④ 64
등록된 댓글이 없습니다.
74. 다음 회로와 같은 기능을 하는 게이트(gate)는?

- ① NAND 게이트
- ② NOR 게이트
- ③ EX-OR 게이트
- ④ OR 게이트
등록된 댓글이 없습니다.
75. 병렬 전송시 버스(bus)를 이루는 선들의 수는 레지스터의 bit 수와 어떠한 관계가 있는가?
- ① 같다.
- ② 1/2이다.
- ③ 2배이다.
- ④ 22이다.
등록된 댓글이 없습니다.
76. 리플 카운터의 특징이 아닌 것은?
- ① 비동기 카운터이다.
- ② 카운트 속도가 동기식 카운터에 비해 느리다.
- ③ 최대 동작 주파수에 제한을 받지 않는다.
- ④ 회로 구성이 간단하다.
등록된 댓글이 없습니다.
77. 다음 표는 디지털 회로 설계 과정에서 작성된 진리표(truth table)이다. 표에서 민텀(minterm)을 추출하여 논리함수식을 유도한 후 간략화된 논리식은?

- ① X = B+C
- ② X = A+B
- ③ X = A+B
- ④ X = B+C
등록된 댓글이 없습니다.
78. 칩 내부에 논리 곱(logic AND)과 논리 합(logic OR)의 기능을 배열한 중규모 집적회로는?
- ① ALU
- ② ROM
- ③ PLA
- ④ MUX
등록된 댓글이 없습니다.
79. 16진수 "3CB8"을 2진수로 변환하면?
- ① 0101 1100 1011 0011
- ② 1001 1110 1100 1100
- ③ 0011 1100 1011 1000
- ④ 0010 1101 1101 1001
등록된 댓글이 없습니다.
80. 시프트 레지스터(Shift Register)를 만드는데 가장 적합한 플립플롭은?
- ① RS 플립플롭
- ② RST 플립플롭
- ③ D 플립플롭
- ④ T 플립플롭
등록된 댓글이 없습니다.
5과목 : 데이터통신
81. 문자의 시작과 끝에 각각 START 비트와 STOP 비트가 부가되어 전송의 시작과 끝을 알려 전송하는 방식은?
- ① 비동기식 전송
- ② 동기식 전송
- ③ 전송 동기
- ④ PCM 전송
등록된 댓글이 없습니다.
82. 다음 중 A, B, C, D 문자 전송시 홀수 패리티 비트 검사에서 에러가 발생하는 문자는?

- ① A
- ② B
- ③ C
- ④ D
등록된 댓글이 없습니다.
83. 패킷 교환망에서 패킷이 적절한 경로를 통해 오류 없이 목적지까지 정확하게 전달하기 위한 기능으로 옳지 않은 것은?
- ① 흐름 제어
- ② 에러 제어
- ③ 경로 배정
- ④ 집중화
등록된 댓글이 없습니다.
84. 데이터 통신에서 오류의 발생 유무만을 판정하는 오류검출 기법으로 옳지 않은 것은?
- ① Parity Check
- ② Cyclic Redundancy Check
- ③ Block Sum Check
- ④ Forward Error Correction Check
등록된 댓글이 없습니다.
85. 전송시간을 일정한 간격의 시간 슬롯(time slot)으로 나누고, 이를 주기적으로 각 채널에 할당하는 다중화 방식은?
- ① 주파수 분할 다중화
- ② 동기식 시분할 다중화
- ③ 코드 분할 다중화
- ④ 공간 분할 다중화
등록된 댓글이 없습니다.
86. 전송오류제어 중 오류가 발생한 프레임뿐만 아니라 오류검출 이후의 모든 프레임을 재전송하는 ARQ 방식은?
- ① Go-back-N ARQ
- ② Stop-and-Wait ARQ
- ③ Selective Repeat ARQ
- ④ Non-Selective ARQ
등록된 댓글이 없습니다.
87. IP(Internet Protocol) 프로토콜에 대한 설명 중 틀린 것은?
- ① 신뢰성이 부족한 비 연결형 서비스를 제공하기 때문에 상위 프로토콜에서 이러한 단점을 보완해야 한다.
- ② IP 프로토콜은 직접전송과 간접전송으로 나누어지며, 직접전송은 패킷의 최종목적지와 같은 물리적 네트워크에 연결된 라우터에 도달할 때까지를 말한다.
- ③ 송신지가 여러 개인 데이터 그램을 보내면서 순서가 뒤바뀌어 도달할 수 있다.
- ④ 각 데이터 그램이 독립적으로 처리되고 목적지까지 다른 경로를 통해 전송될 수 있다.
등록된 댓글이 없습니다.
88. HDLC에서 사용되는 프레임의 유형이 아닌 것은?
- ① Information Frame
- ② Supervisory Frame
- ③ Unnumbered Frame
- ④ Control Frame
등록된 댓글이 없습니다.
89. 다음이 설명하고 있는 전송 방식은?

- ① 비동기식 전송
- ② 동기식 전송
- ③ 주파수식 정송
- ④ 비트식 전송
등록된 댓글이 없습니다.
90. 패킷 교환 방식 중 가상 회선 방식에 대한 설명으로 옳은 것은?
- ① 네트워크 내의 노드나 링크가 파괴되거나 상실되면 다른 경로를 이용한 전송이 가능하므로 유연서을 갖는다.
- ② 경로 설정에 시간이 소요되지 않으므로 한 스테이션에서 소수의 패킷을 보내는 경우에 유리하다.
- ③ 매 패킷 단위로 경로를 설정하기 때문에 네트워크의 혼잡이나 교착 상태에 보다 신속하게 대처한다.
- ④ 패킷들은 경로가 설정된 후 경로에 따라 순서적으로 전송되는 방식이다.
등록된 댓글이 없습니다.
91. 토큰링 방식에 사용되는 네트워크 표준안은?
- ① IEEE 802.2
- ② IEEE 802.3
- ③ IEEE 802.5
- ④ IEEE 802.6
등록된 댓글이 없습니다.
92. 다중화 방식 중 타임 슬롯(time slot)을 사용자의 요구에 따라 동적으로 할당하여 데이터를 전송할 수 있는 것은?
- ① Pulse Code Multiplexing
- ② Statistical Time Division Multiplexing
- ③ Synchronous Time Division Multiplexing
- ④ Frequency Division Multiplexing
등록된 댓글이 없습니다.
93. TPC/IP 모델에 해당하는 계층이 아닌 것은?
- ① Network Access
- ② Transport
- ③ Application
- ④ Session
등록된 댓글이 없습니다.
94. OSI 7계층 중 데이터링크 계층의 프로토콜에 해당하는 것은?
- ① TCP
- ② DTE/DCE
- ③ HDLC
- ④ UDP
등록된 댓글이 없습니다.
95. TCP/IP 모델의 인터넷 계층에 대한 설명으로 틀린 것은?
- ① IP 프로토콜을 사용한다.
- ② 경로선택과 폭주제어 기능을 수행한다.
- ③ 최선형의 비연결형 패킷 전달 서비스를 제공한다.
- ④ End to End의 통신서비스를 제공한다.
등록된 댓글이 없습니다.
96. ISO(국제표준기구)의 OSI 7계층 중 통신망의 경로(routing) 선택 및 통신량의 폭주 제어를 담당하는 계층은?
- ① 응용 계층
- ② 네트워크 계층
- ③ 표현 계층
- ④ 물리 계층
등록된 댓글이 없습니다.
97. PCM은 아날로그 신호의 크기를 표본화, 양자화한 뒤 몇 개의 2진수 비트를 전기 신호로 송출하는 방식이다. 양자화란 어떠한 과정인가?
- ① 원신호의 전압 값을 평균하여 일정 값의 전기 신호로 변환시키는 과정이다.
- ② 전기 신호의 전류에 이에 비례하는 2진수 값으로 변환하는 과정이다.
- ③ 아날로그 신호의 진폭을 일정한 시간 간격으로 추출하는 과정이다.
- ④ 표본화 과정을 거친 신호의 진폭을 이산 값으로 변화시키는 과정이다.
등록된 댓글이 없습니다.
98. 라우팅 프로토콜인 OSPF(Open Shortest Path First)에 대한 설명으로 옳지 않은 것은?
- ① OSPF 라우터는 자신의 경로 테이블에 대한 정보를 LSA라는 자료구조를 통하여 주기적으로 혹은 라우터의 상태가 변화되었을 때 전송한다.
- ② 라우터 간에 변경된 최소한의 부분만을 교환하므로 망의 효율을 저하시키지 않는다.
- ③ 도메인 내의 라우팅 프로토콜로서 RIP가 가지고 있는 여러 단점을 해결하고 있다.
- ④ 경로수(Hop)가 16으로 제한되어 있어 대규모 네트워킹에 부적합하다.
등록된 댓글이 없습니다.
99. 이동통신 가입자가 셀 경계를 지나면서 신호의 세기가 작아지거나 간섭이 발생하여 통신 품질이 떨어져 현재 사용중인 채널을 끊고 다른 채널로 절체하는 것을 의미하는 것은?
- ① Mobile Control
- ② Location registering
- ③ Hand off
- ④ Multi-Path fading
등록된 댓글이 없습니다.
100. 효율적인 전송을 위하여 넓은 대역폭(혹은 고속 전송 속도)을 가진 하나의 전송링크를 통하여 여러 신호(혹은 데이터)를 동시에 실어 보내는 기술은?
- ① 집중화
- ② 다중화
- ③ 부호화
- ④ 변조화
등록된 댓글이 없습니다.